| DIAGRAMAS - SISTEMA DE CARGA Y ARRANQUE - AUDI 2007 - Mecanica Automotriz - INDICE |
Diagramas AUDI : Carga y Arranque | Charging and Starting System: - Esquemas - Graphics 2007 - |
| Los Diagramas, listados abajo, se refieren unicamente al Circuito electrico que involucra: Alternador [Generador] y/o; Arrancador [Motor de arranque, Marcha, Starter] - AUDI 2007 Volver al indice principal |
| Q7 | |
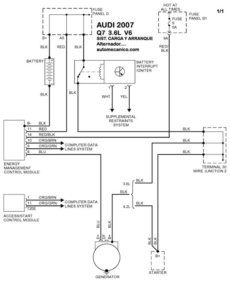
| 3.6L 6 CIL. ALTERNADOR | DIAGRAMA SISTEMA DE CARGA |
| 3.6L 6 CIL. ARRANCADOR T/A | DIAGRAMA SISTEMA DE ARRANQUE |
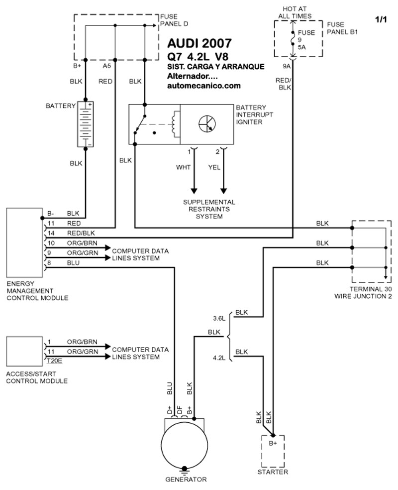
| 4.2L 8 CIL. ALTERNADOR | DIAGRAMA SISTEMA DE CARGA |
| 4.2L 8 CIL. ARRANCADOR T/A | DIAGRAMA SISTEMA DE ARRANQUE |
| RS4 | |
| 4.2L 8 CIL. ALTERNADOR | DIAGRAMA SISTEMA DE CARGA |
| 4.2L 8 CIL. ARRANCADOR T/A | DIAGRAMA SISTEMA DE ARRANQUE |
| S4 | |
| 4.2L 8 CIL. ALTERNADOR | DIAGRAMA SISTEMA DE CARGA |
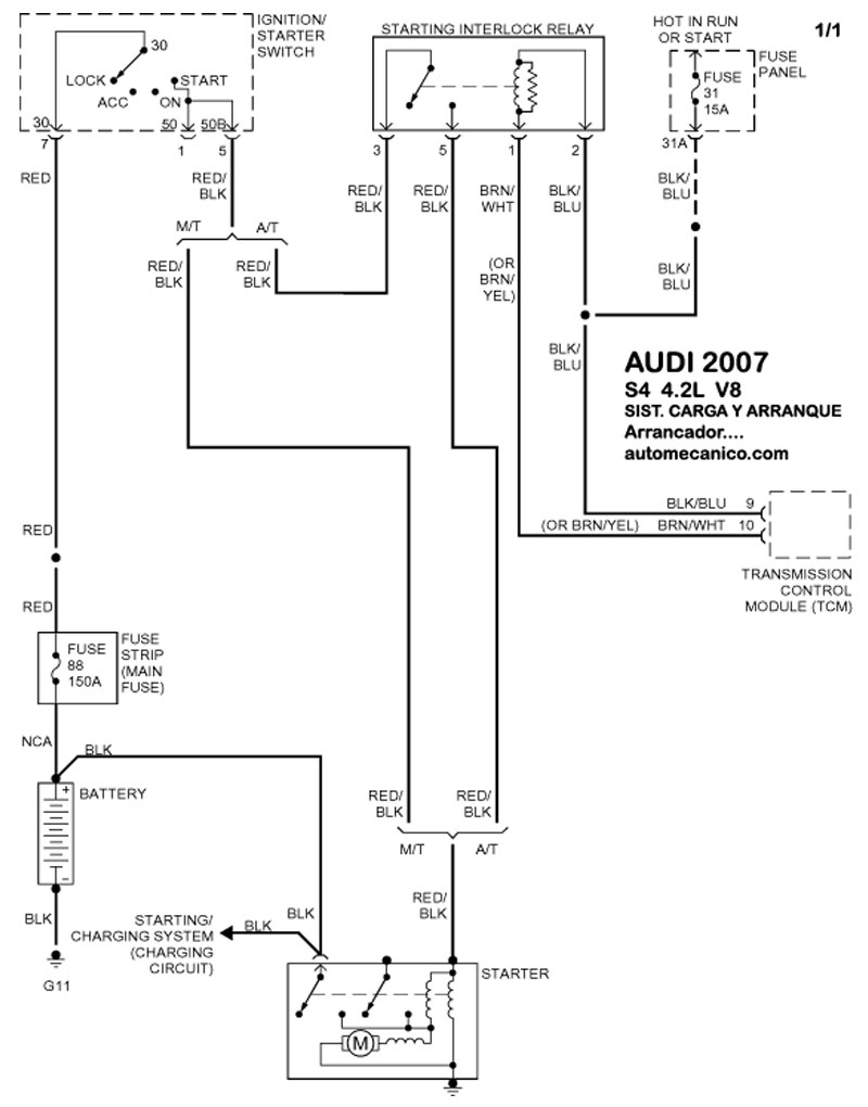
| 4.2L 8 CIL. ARRANCADOR T/A | DIAGRAMA SISTEMA DE ARRANQUE |
| S6 | |
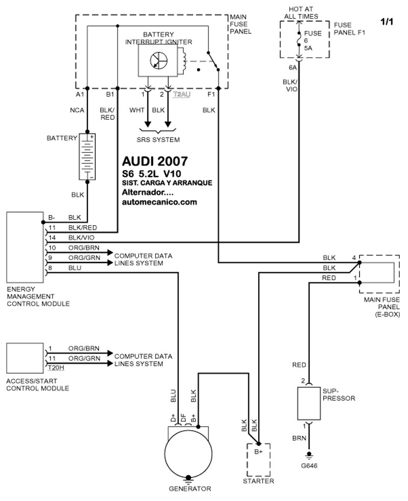
| 5.2L 10 CIL. ALTERNADOR | DIAGRAMA SISTEMA DE CARGA |
| 5.2L 10 CIL. ARRANCADOR T/A | DIAGRAMA SISTEMA DE ARRANQUE |
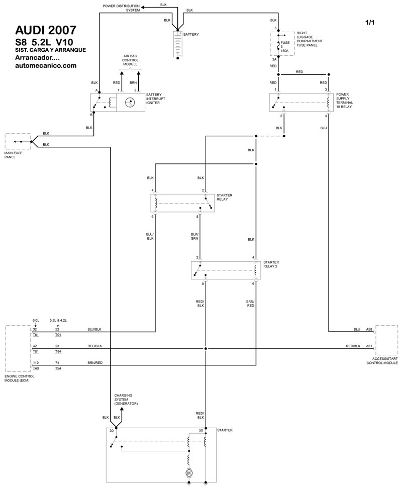
| S8 | |
| 5.2L 10 CIL. ALTERNADOR | DIAGRAMA SISTEMA DE CARGA |
| 5.2L 10 CIL. ARRANCADOR T/A | DIAGRAMA SISTEMA DE ARRANQUE |
