| DIAGRAMAS - SISTEMA DE CARGA Y ARRANQUE - BMW 2007 - Mecanica Automotriz - INDICE |
Diagramas BMW : Carga y Arranque | Charging and Starting System: - Esquemas - Graphics 2007 - |
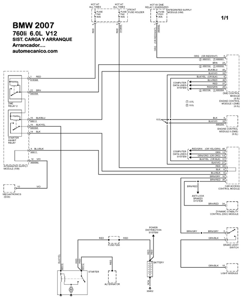
| Los Diagramas, listados abajo, se refieren unicamente al Circuito electrico que involucra: Alternador [Generador] y/o; Arrancador [Motor de arranque, Marcha, Starter] - BMW 2007 |
| 760Li | |
| 6.0L 12 CIL. ALTERNADOR | DIAGRAMA SISTEMA DE CARGA |
| 6.0L 12 CIL. ARRANCADOR T/A | DIAGRAMA SISTEMA DE ARRANQUE |
| M5 | |
| 5.0L 10 CIL. ALTERNADOR | DIAGRAMA SISTEMA DE CARGA |
| 5.0L 10 CIL. ARRANCADOR T/A | DIAGRAMA SISTEMA DE ARRANQUE |
| M6 | |
| 5.0L 10 CIL. ALTERNADOR | DIAGRAMA SISTEMA DE CARGA |
| 5.0L 10 CIL. ARRANCADOR T/A | DIAGRAMA SISTEMA DE ARRANQUE |
| X3 | |
| 3.0L 6 CIL. ALTERNADOR | DIAGRAMA SISTEMA DE CARGA |
| 3.0L 6 CIL. ARRANCADOR T/A | DIAGRAMA SISTEMA DE ARRANQUE |
| X5 | |
| 3.0L 6 CIL. ALTERNADOR | DIAGRAMA SISTEMA DE CARGA |
| 3.0L 6 CIL. ARRANCADOR T/A | DIAGRAMA SISTEMA DE ARRANQUE |
| 4.8L 8 CIL. ALTERNADOR | DIAGRAMA SISTEMA DE CARGA |
| 4.8L 8 CIL. ARRANCADOR T/A | DIAGRAMA SISTEMA DE ARRANQUE |
| Volver al indice principal |
