| DIAGRAMAS - SISTEMA DE CARGA Y ARRANQUE - BUICK 2007 - Mecanica Automotriz - INDICE |
Diagramas BUICK : Carga y Arranque | Charging and Starting System: - Esquemas - Graphics 2007 - |
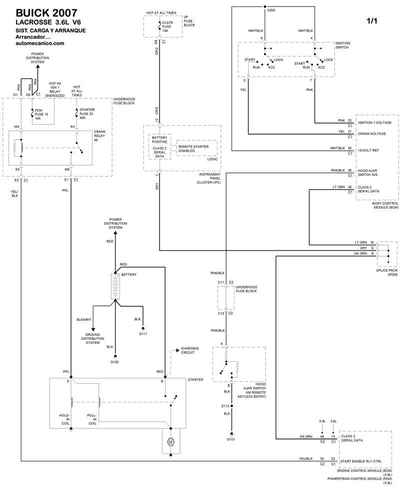
| Los Diagramas, listados abajo, se refieren unicamente al Circuito electrico que involucra: Alternador [Generador] y/o; Arrancador [Motor de arranque, Marcha, Starter] - BUICK 2007 |
| LACROSSE | |
| 3.6L 6 CIL. ALTERNADOR | DIAGRAMA SISTEMA DE CARGA |
| 3.6L 6 CIL. ARRANCADOR T/A | DIAGRAMA SISTEMA DE ARRANQUE |
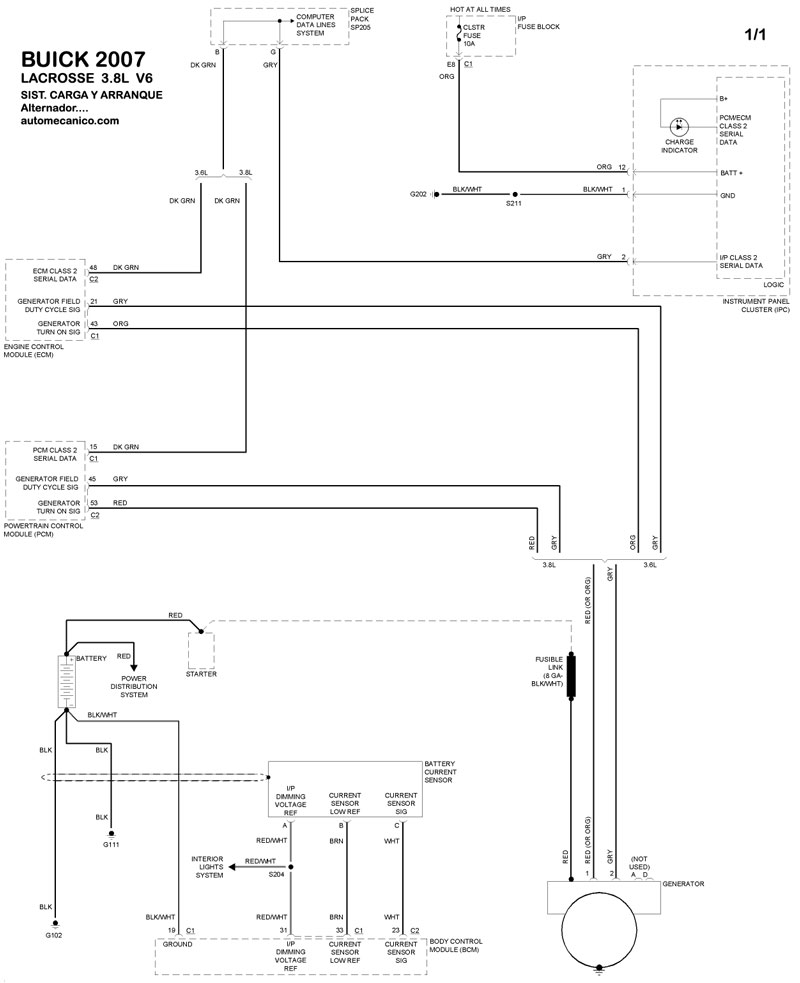
| 3.8L 6 CIL. ALTERNADOR | DIAGRAMA SISTEMA DE CARGA |
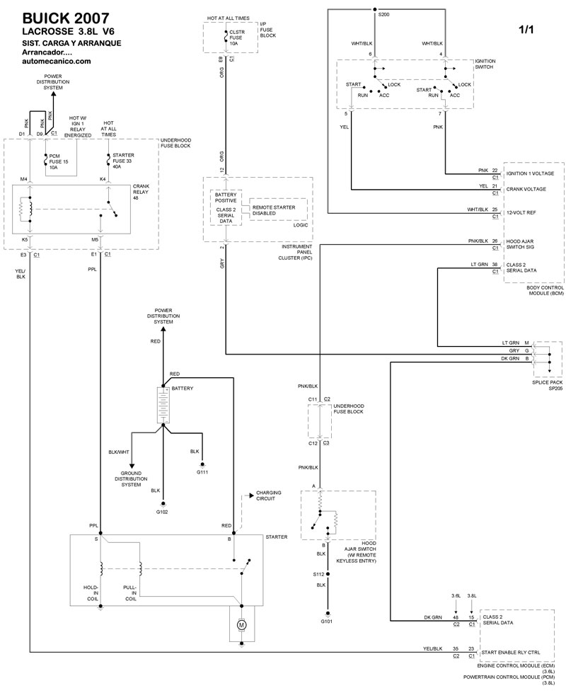
| 3.8L 6 CIL. ARRANCADOR T/A | DIAGRAMA SISTEMA DE ARRANQUE |
| LUCERNE | |
| 3.8L 6 CIL. ALTERNADOR | DIAGRAMA SISTEMA DE CARGA |
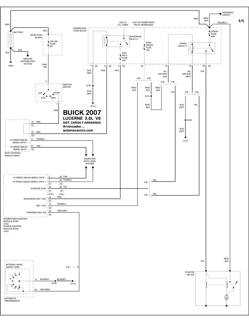
| 3.8L 6 CIL. ARRANCADOR T/A | DIAGRAMA SISTEMA DE ARRANQUE |
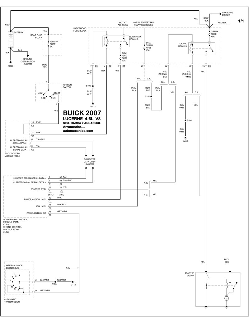
| 4.6L 8 CIL. ALTERNADOR | DIAGRAMA SISTEMA DE CARGA |
| 4.6L 8 CIL. ARRANCADOR T/A | DIAGRAMA SISTEMA DE ARRANQUE |
| Volver al indice principal |
