| DIAGRAMAS - SISTEMA DE CARGA Y ARRANQUE - CADILLAC 2007 - Mecanica Automotriz - INDICE |
Diagramas CADILLAC : Carga y Arranque | Charging and Starting System: - Esquemas - Graphics 2007 - |
| Los Diagramas, listados abajo, se refieren unicamente al Circuito electrico que involucra: Alternador [Generador] y/o; Arrancador [Motor de arranque, Marcha, Starter] - CADILLAC 2007 |
| CTS | |
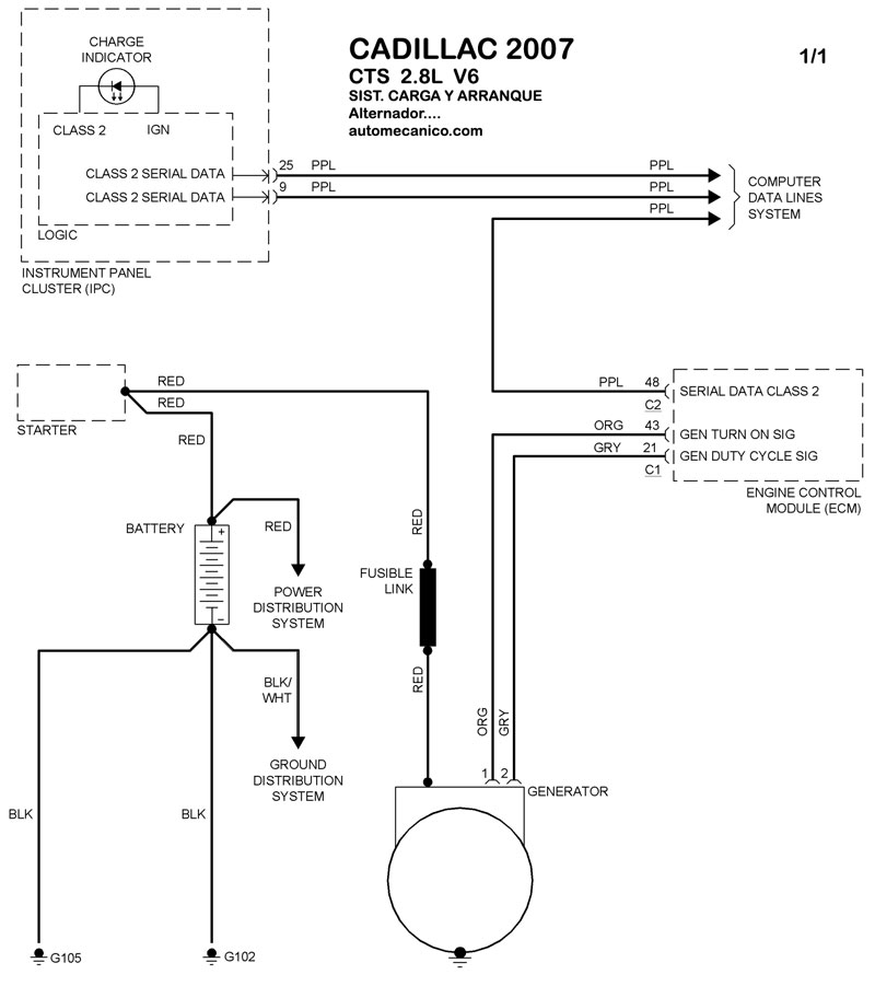
| 2.8L 6 CIL. ALTERNADOR | DIAGRAMA SISTEMA DE CARGA |
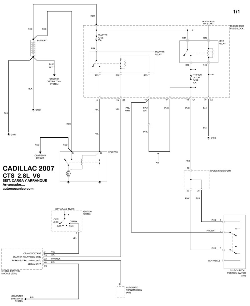
| 2.8L 6 CIL. ARRANCADOR T/A | DIAGRAMA SISTEMA DE ARRANQUE |
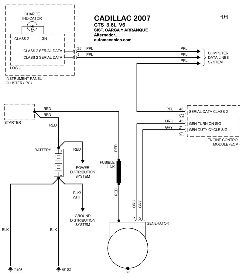
| 3.6L 6 CIL. ALTERNADOR | DIAGRAMA SISTEMA DE CARGA |
| 3.6L 6 CIL. ARRANCADOR T/A | DIAGRAMA SISTEMA DE ARRANQUE |
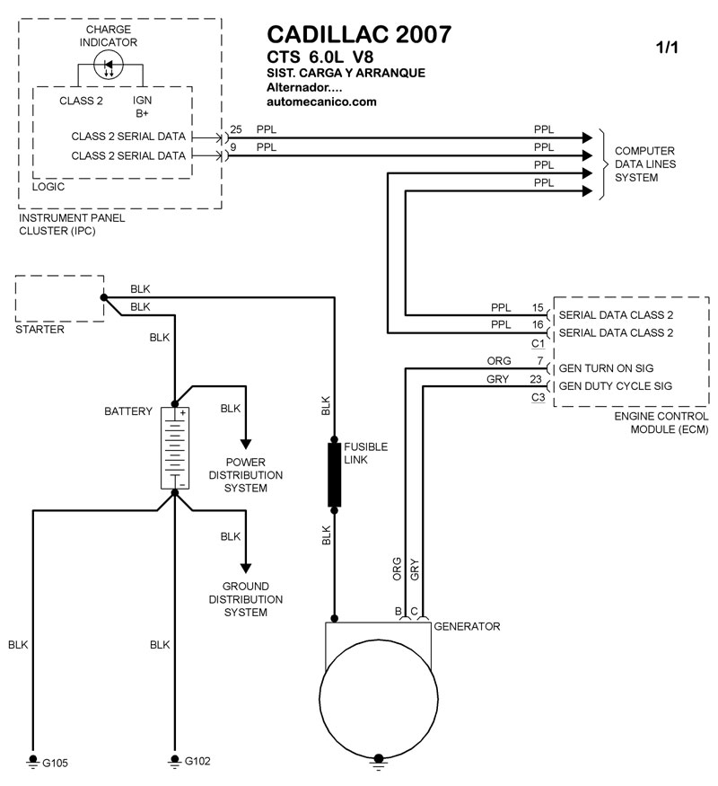
| 6.0L 8 CIL. ALTERNADOR | DIAGRAMA SISTEMA DE CARGA |
| 6.0L 8 CIL. ARRANCADOR T/A | DIAGRAMA SISTEMA DE ARRANQUE |
| DTS | |
| 4.6L 8 CIL. ALTERNADOR | DIAGRAMA SISTEMA DE CARGA |
| 4.6L 8 CIL. ARRANCADOR T/A | DIAGRAMA SISTEMA DE ARRANQUE |
| TSRX | |
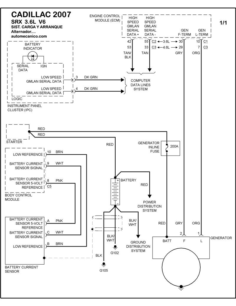
| 3.6L 6 CIL. ALTERNADOR | DIAGRAMA SISTEMA DE CARGA |
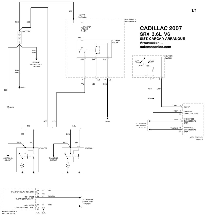
| 3.6L 6 CIL. ARRANCADOR T/A | DIAGRAMA SISTEMA DE ARRANQUE |
| SRX | |
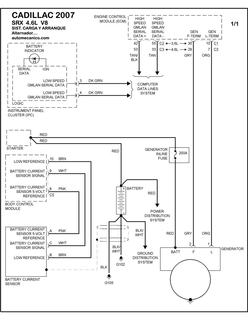
| 4.6L 8 CIL. ALTERNADOR | DIAGRAMA SISTEMA DE CARGA |
| 4.6L 8 CIL. ARRANCADOR T/A | DIAGRAMA SISTEMA DE ARRANQUE |
| Volver al indice principal |
