| DIAGRAMAS - SISTEMA DE CARGA Y ARRANQUE - CHEVROLET 2007 - Mecanica Automotriz - INDICE |
Diagramas CHEVROLET : Carga y Arranque | Charging and Starting System: - Esquemas - Graphics 2007 - |
| Los Diagramas, listados abajo, se refieren unicamente al Circuito electrico que involucra: Alternador [Generador] y/o; Arrancador [Motor de arranque, Marcha, Starter] - CHEVROLET 2007 |
| IMPALA | |
| 3.5L 6 CIL. ALTERNADOR | DIAGRAMA SISTEMA DE CARGA |
| 3.5L 6 CIL. ARRANCADOR T/A | DIAGRAMA SISTEMA DE ARRANQUE |
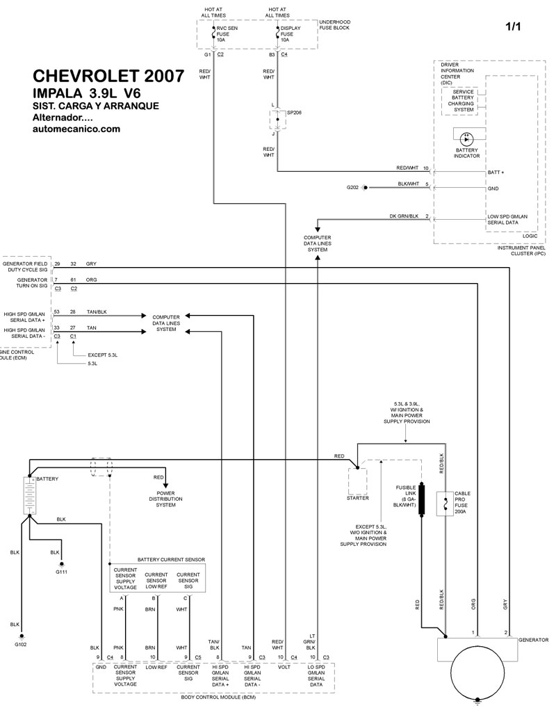
| 3.9L 6 CIL. ALTERNADOR | DIAGRAMA SISTEMA DE CARGA |
| 3.9L 6 CIL. ARRANCADOR T/A | DIAGRAMA SISTEMA DE ARRANQUE |
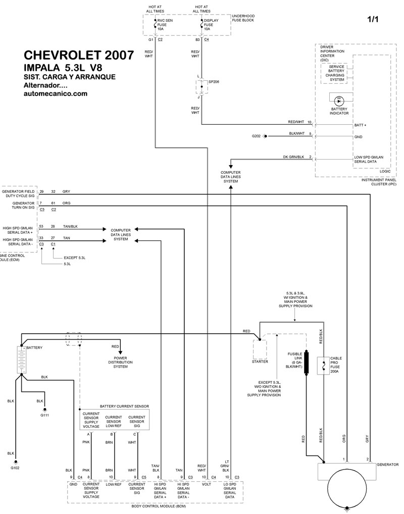
| 5.3L 8 CIL. ALTERNADOR | DIAGRAMA SISTEMA DE CARGA |
| 5.3L 8 CIL. ARRANCADOR T/A | DIAGRAMA SISTEMA DE ARRANQUE |
| MALIBU | |
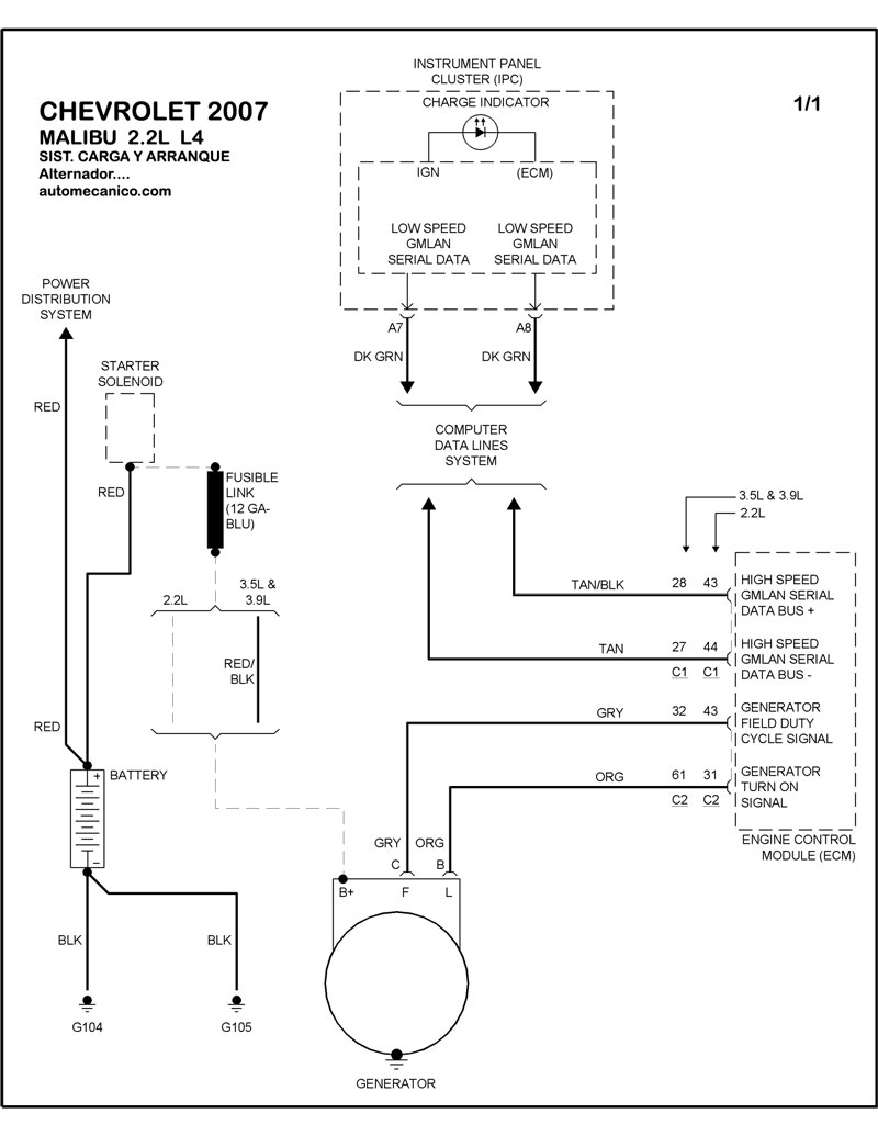
| 2.2L 4 CIL. ALTERNADOR | DIAGRAMA SISTEMA DE CARGA |
| 2.2L 4 CIL. ARRANCADOR T/A | DIAGRAMA SISTEMA DE ARRANQUE |
| 3.5L 6 CIL. ALTERNADOR | DIAGRAMA SISTEMA DE CARGA |
| 3.5L 6 CIL. ARRANCADOR T/A | DIAGRAMA SISTEMA DE ARRANQUE |
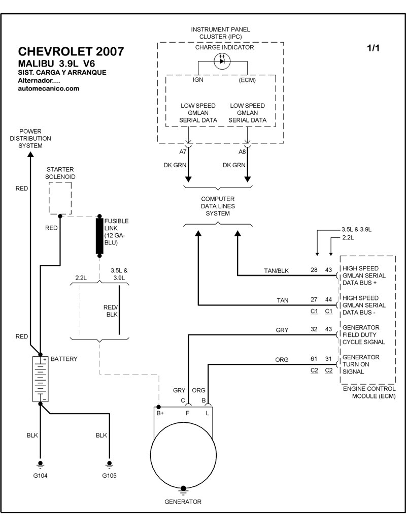
| 3.9L 6 CIL. ALTERNADOR | DIAGRAMA SISTEMA DE CARGA |
| 3.9L 6 CIL. ARRANCADOR T/A | DIAGRAMA SISTEMA DE ARRANQUE |
| Volver al indice principal |
