| DIAGRAMAS - SISTEMA DE CARGA Y ARRANQUE - FORD 2007 - Mecanica Automotriz - INDICE |
Diagramas FORD : Carga y Arranque | Charging and Starting System: - Esquemas - Graphics 2007 - |
| Los Diagramas, listados abajo, se refieren unicamente al Circuito electrico que involucra: Alternador [Generador] y/o; Arrancador [Motor de arranque, Marcha, Starter] - FORD 2007 |
| F-150 | |
| F-150 4.2L 6 CIL ALTERNADOR | DIAGRAMA SISTEMA DE CARGA |
| F-150 4.2L 6 CIL ARRANCADOR, T/A | DIAGRAMA SISTEMA DE ARRANQUE |
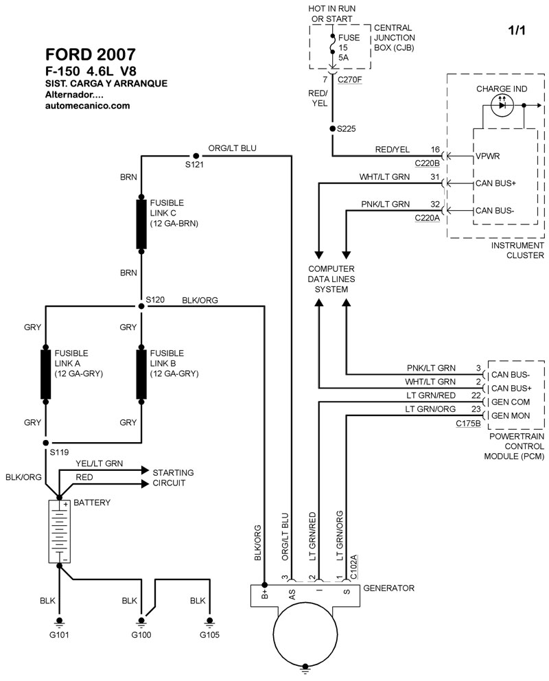
| F-150 4.6L 8 CIL ALTERNADOR | DIAGRAMA SISTEMA DE CARGA |
| F-150 4.6L 8 CIL. ARRANCADOR, T/A. | DIAGRAMA SISTEMA DE ARRANQUE |
| F-150 5.4L 8 CIL. ALTERNADOR | DIAGRAMA SISTEMA DE CARGA |
| F-150 5.4L 8 CIL. ARRANCADOR, T/A. | DIAGRAMA SISTEMA DE ARRANQUE |
| F-250 - SUPER DUTY | |
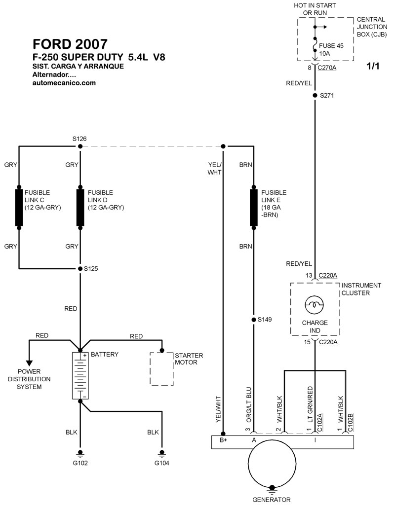
| F-250 5.4L 8 CIL. ALTERNADOR | DIAGRAMA SISTEMA DE CARGA |
| F-250 . 5.4L 8 CIL. ARRANCADOR, T/A. | DIAGRAMA SISTEMA DE ARRANQUE |
| F-250 . 6.0L 8 CIL. W/ DUAL GENERATORS DIESEL ALTERNADOR | DIAGRAMA SISTEMA DE CARGA |
| F-250 . 6.0L 8 CIL. W/O DUAL GENERATORS DIESEL ALTERNADOR | DIAGRAMA SISTEMA DE CARGA |
| F-250 S. 6.0L 8 CIL. DIESEL ARRANCADOR, T/A. | DIAGRAMA SISTEMA DE ARRANQUE |
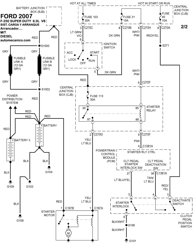
| F-250 . 6.0L 8 CIL. DIESEL ARRANCADOR, T/M. | DIAGRAMA SISTEMA DE ARRANQUE |
| F-250 . 6.8L 10 CIL ALTERNADOR | DIAGRAMA SISTEMA DE CARGA |
| F-250 . 6.8L 10 CIL ARRANCADOR, T/A. | DIAGRAMA SISTEMA DE ARRANQUE |
| Volver al indice principal |
