| DIAGRAMAS - SISTEMA DE CARGA Y ARRANQUE - FORD 2007 - Mecanica Automotriz - INDICE |
Diagramas FORD : Carga y Arranque | Charging and Starting System: - Esquemas - Graphics 2007 - |
| Los Diagramas, listados abajo, se refieren unicamente al Circuito electrico que involucra: Alternador [Generador] y/o; Arrancador [Motor de arranque, Marcha, Starter] - FORD 2007 |
| F-350 SUPER DUTY | |
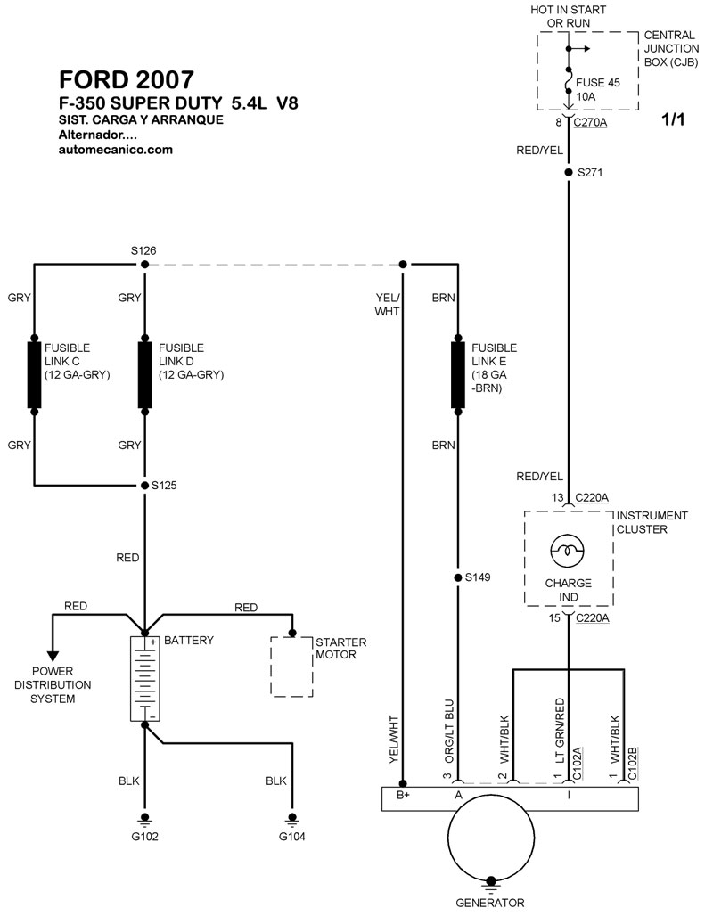
| 5.4L 8 CIL. ALTERNADOR | DIAGRAMA SISTEMA DE CARGA |
| 5.4L 8 CIL. ARRANCADOR T/A | DIAGRAMA SISTEMA DE ARRANQUE |
| 6.0L 8 CIL. W/ DUAL GENERATORS DIESEL ALTERNADOR | DIAGRAMA SISTEMA DE CARGA |
| 6.0L 8 CIL. W/O DUAL GENERATORS DIESEL ALTERNADOR | DIAGRAMA SISTEMA DE CARGA |
| 6.0L 8 CIL. A/T DIESEL ARRANCADOR, T/A | DIAGRAMA SISTEMA DE ARRANQUE |
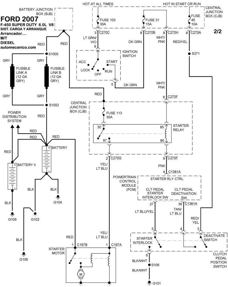
| 6.0L 8 CIL. M/T DIESEL ARRANCADOR, T/A | DIAGRAMA SISTEMA DE ARRANQUE |
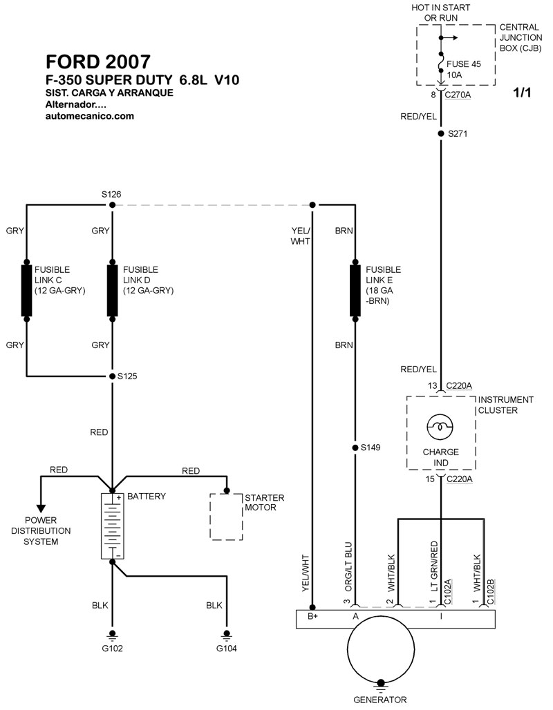
| 6.8L 10 CILINDROS ALTERNADOR | DIAGRAMA SISTEMA DE CARGA |
| 6.8L 10 CILINDROS ARRANCADOR, T/A | DIAGRAMA SISTEMA DE ARRANQUE |
| F-450 SUPER DUTY | |
| 6.0L 8 CIL. W/ DUAL GENERATORS DIESEL ALTERNADOR | DIAGRAMA SISTEMA DE CARGA |
| 6.0L 8 CIL. W/O DUAL GENERATORS DIESEL ALTERNADOR | DIAGRAMA SISTEMA DE CARGA |
| 6.0L 8 CIL. DIESEL ARRANCADOR, T/A | DIAGRAMA SISTEMA DE ARRANQUE |
| 6.0L 8 CIL. DIESEL ARRANCADOR, T/M | DIAGRAMA SISTEMA DE ARRANQUE |
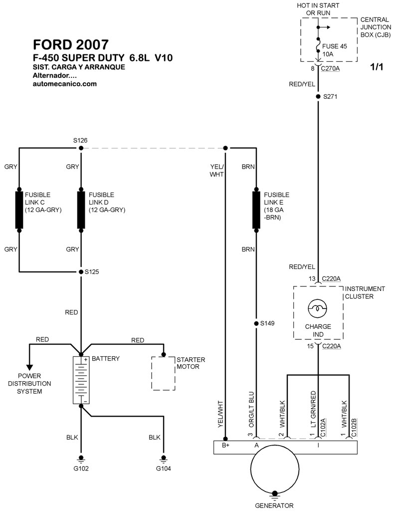
| 6.8L 10 CILINDROS ALTERNADOR | DIAGRAMA SISTEMA DE CARGA |
| 6.8L 10 CILINDROS ARRANCADOR, T/A | DIAGRAMA SISTEMA DE ARRANQUE |
| Volver al indice principal |
