| DIAGRAMAS - SISTEMA DE CARGA Y ARRANQUE - FORD 2007 - Mecanica Automotriz - INDICE |
Diagramas FORD : Carga y Arranque | Charging and Starting System: - Esquemas - Graphics 2007 - |
| Los Diagramas, listados abajo, se refieren unicamente al Circuito electrico que involucra: Alternador [Generador] y/o; Arrancador [Motor de arranque, Marcha, Starter] - FORD 2007 |
| FOCUS | |
| 2.0L 4 CIL. ALTERNADOR | DIAGRAMA SISTEMA DE CARGA |
| 2.0L 4 CIL. A/T ARRANCADOR, T/A. | DIAGRAMA SISTEMA DE ARRANQUE |
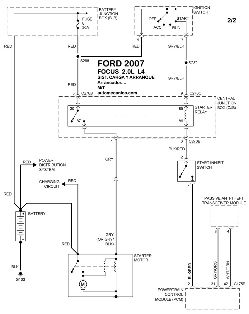
| 2.0L 4 CIL. ARRANCADOR, T/M | DIAGRAMA SISTEMA DE ARRANQUE |
| 2.3L 4 CIL. ALTERNADOR | DIAGRAMA SISTEMA DE CARGA |
| 2.3L 4 CIL. ARRANCADOR, T/A. | DIAGRAMA SISTEMA DE ARRANQUE |
| 2.3L 4 CIL. ARRANCADOR, T/M | DIAGRAMA SISTEMA DE ARRANQUE |
| FREESTAR | |
| 3.9L 6 CIL. ALTERNADOR | DIAGRAMA SISTEMA DE CARGA |
| 3.9L 6 CIL. ARRANCADOR, T/A | DIAGRAMA SISTEMA DE ARRANQUE |
| 4.2L 6 CIL. ALTERNADOR | DIAGRAMA SISTEMA DE CARGA |
| 4.2L 6 CIL. ARRANCADOR, T/A. | DIAGRAMA SISTEMA DE ARRANQUE |
| FREESTYLE | |
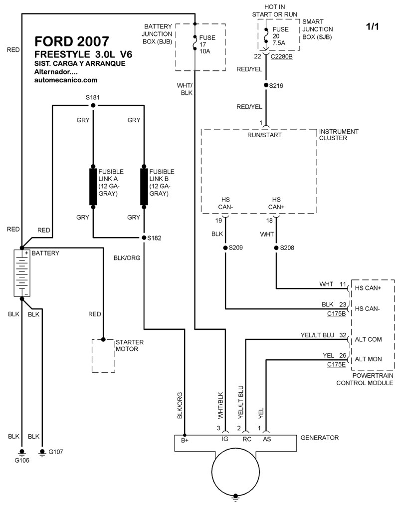
| 3.0L 6 CIL. ALTERNADOR | DIAGRAMA SISTEMA DE CARGA |
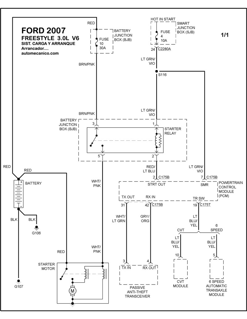
| 3.0L 6 CIL. ARRANCADOR, T/A | DIAGRAMA SISTEMA DE ARRANQUE |
| Volver al indice principal |
