| DIAGRAMAS - SISTEMA DE CARGA Y ARRANQUE - FORD 2007 - Mecanica Automotriz - INDICE |
Diagramas FORD : Carga y Arranque | Charging and Starting System: - Esquemas - Graphics 2007 - |
| Los Diagramas, listados abajo, se refieren unicamente al Circuito electrico que involucra: Alternador [Generador] y/o; Arrancador [Motor de arranque, Marcha, Starter] - FORD 2007 |
| FUSION | |
| 2.3L 4 CIL. ALTERNADOR | DIAGRAMA SISTEMA DE CARGA |
| 2.3L 4 CIL. ARRANCADOR, T/A. | DIAGRAMA SISTEMA DE ARRANQUE |
| 3.0L 6 CIL. ALTERNADOR | DIAGRAMA SISTEMA DE CARGA |
| 3.0L 6 CIL. ARRANCADOR,T/A. | DIAGRAMA SISTEMA DE ARRANQUE |
| MUSTANG | |
| 4.0L 6 CIL. ALTERNADOR | DIAGRAMA SISTEMA DE CARGA |
| 4.0L 6 CIL. ARRANCADOR, T/A. | DIAGRAMA SISTEMA DE ARRANQUE |
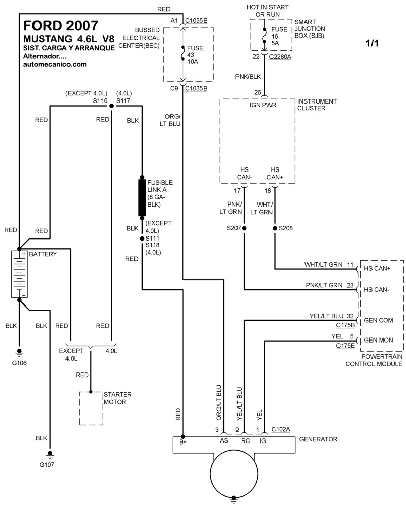
| 4.6L 8 CIL. ALTERNADOR | DIAGRAMA SISTEMA DE CARGA |
| 4.6L 8 CIL. ARRANCADOR, T/A. | DIAGRAMA SISTEMA DE ARRANQUE |
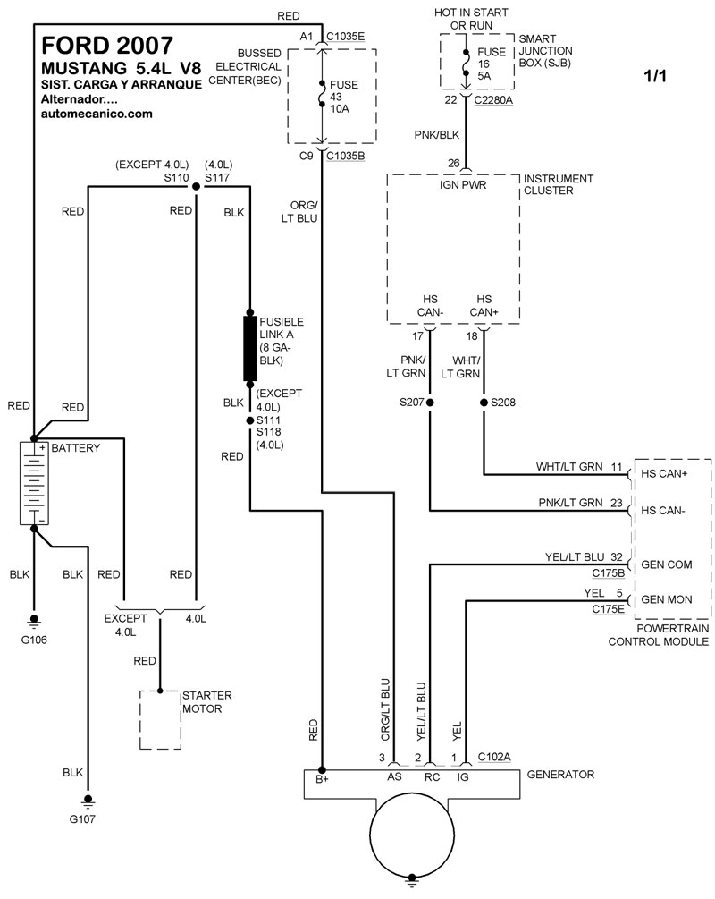
| 5.4L 8 CIL. ALTERNADOR | DIAGRAMA SISTEMA DE CARGA |
| 5.4L 8 CIL. ARRANCADOR, T/A. | DIAGRAMA SISTEMA DE ARRANQUE |
| Volver al indice principal |
