| DIAGRAMAS - SISTEMA DE CARGA Y ARRANQUE - GMC 2007 - Mecanica Automotriz - INDICE |
Diagramas GMC : Carga y Arranque | Charging and Starting System: - Esquemas - Graphics 2007 - |
| Los Diagramas, listados abajo, se refieren unicamente al Circuito electrico que involucra: Alternador [Generador] y/o; Arrancador [Motor de arranque, Marcha, Starter] - GMC 2007 |
| SIERRA 1500 | |
| 4.8L 6 CIL. DIESEL ALTERNADOR | DIAGRAMA SISTEMA DE CARGA |
| 4.8L 6 CIL. GASOLINE ALTERNADOR | DIAGRAMA SISTEMA DE CARGA |
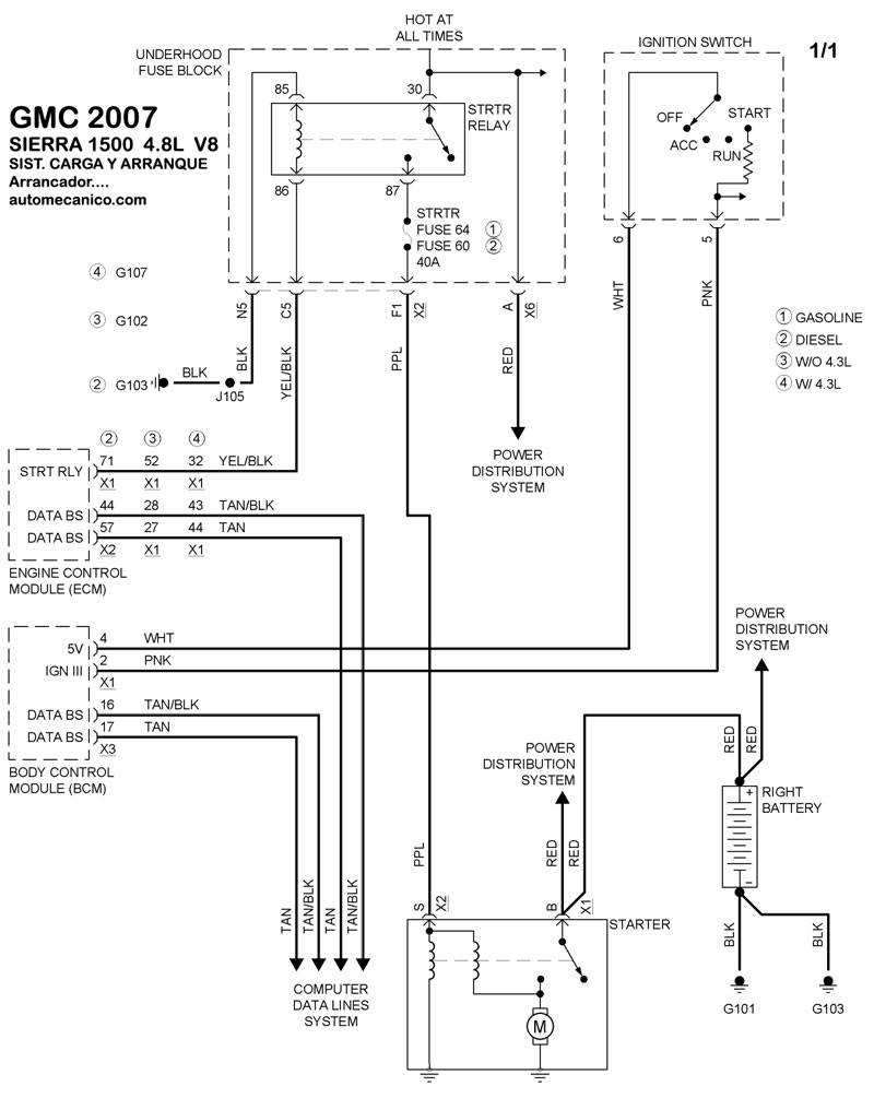
| 4.8L 6 CIL. ARRANCADOR T/A | DIAGRAMA SISTEMA DE ARRANQUE |
| 5.3L 6 CIL. DIESEL ALTERNADOR | DIAGRAMA SISTEMA DE CARGA |
| 5.3L 6 CIL. GASOLINE ALTERNADOR | DIAGRAMA SISTEMA DE CARGA |
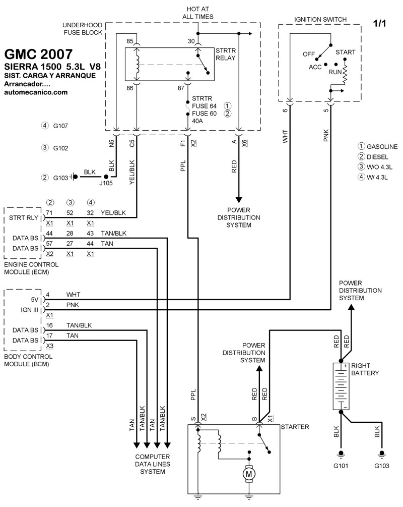
| 5.3L 6 CIL. ARRANCADOR T/A | DIAGRAMA SISTEMA DE ARRANQUE |
| 6.0L 6 CIL. DIESEL ALTERNADOR | DIAGRAMA SISTEMA DE CARGA |
| 6.0L 6 CIL. GASOLINE ALTERNADOR | DIAGRAMA SISTEMA DE CARGA |
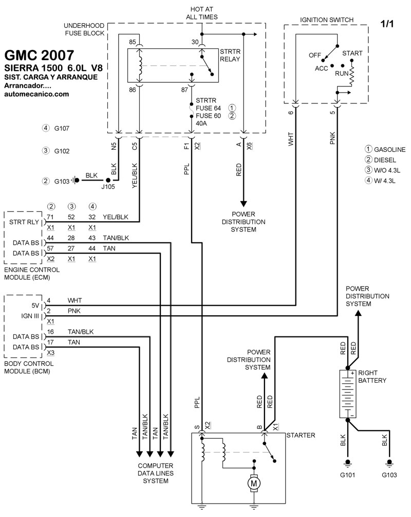
| 6.0L 6 CIL. ARRANCADOR T/A | DIAGRAMA SISTEMA DE ARRANQUE |
| SIERRA 3500 | |
| 6.0L 6 CIL. ALTERNADOR | DIAGRAMA SISTEMA DE CARGA |
| 6.0L 6 CIL. ARRANCADOR T/A | DIAGRAMA SISTEMA DE ARRANQUE |
| 6.6L 6 CIL. ALTERNADOR | DIAGRAMA SISTEMA DE CARGA |
| 6.6L 6 CIL. ARRANCADOR T/A | DIAGRAMA SISTEMA DE ARRANQUE |
| 8.1L 6 CIL. ALTERNADOR | DIAGRAMA SISTEMA DE CARGA |
| 8.1L 6 CIL. ARRANCADOR T/A | DIAGRAMA SISTEMA DE ARRANQUE |
| Volver al indice principal |
