| DIAGRAMAS - SISTEMA DE CARGA Y ARRANQUE - HONDA 2007 - Mecanica Automotriz - INDICE |
Diagramas HONDA : Carga y Arranque | Charging and Starting System: - Esquemas - Graphics 2007 - |
| Los Diagramas, listados abajo, se refieren unicamente al Circuito electrico que involucra: Alternador [Generador] y/o; Arrancador [Motor de arranque, Marcha, Starter] - HONDA 2007 |
| ACCORD | |
| 2.4L 4 CIL. ALTERNADOR | DIAGRAMA SISTEMA DE CARGA |
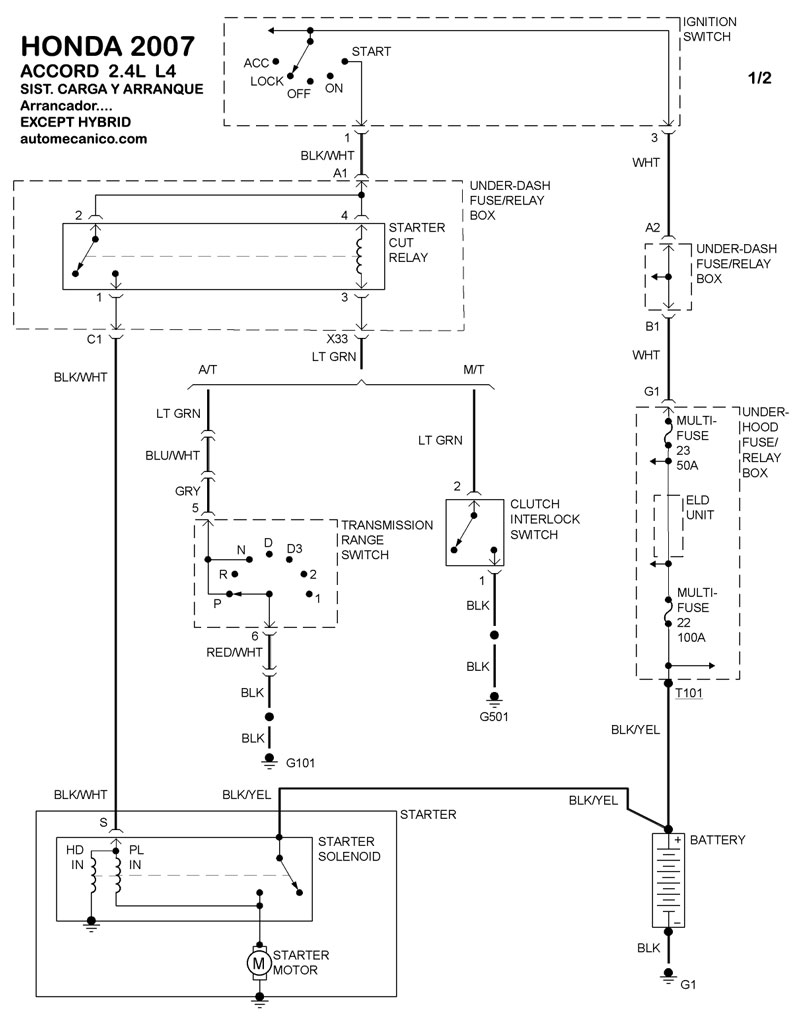
| 2.4L 4 CIL. EXCEP HYBRID ARRANCADOR T/A | DIAGRAMA SISTEMA DE ARRANQUE |
| 2.4L 4 CIL. HYBRID ARRANCADOR T/A | DIAGRAMA SISTEMA DE ARRANQUE |
| 3.0L 6 CIL. ALTERNADOR | DIAGRAMA SISTEMA DE CARGA |
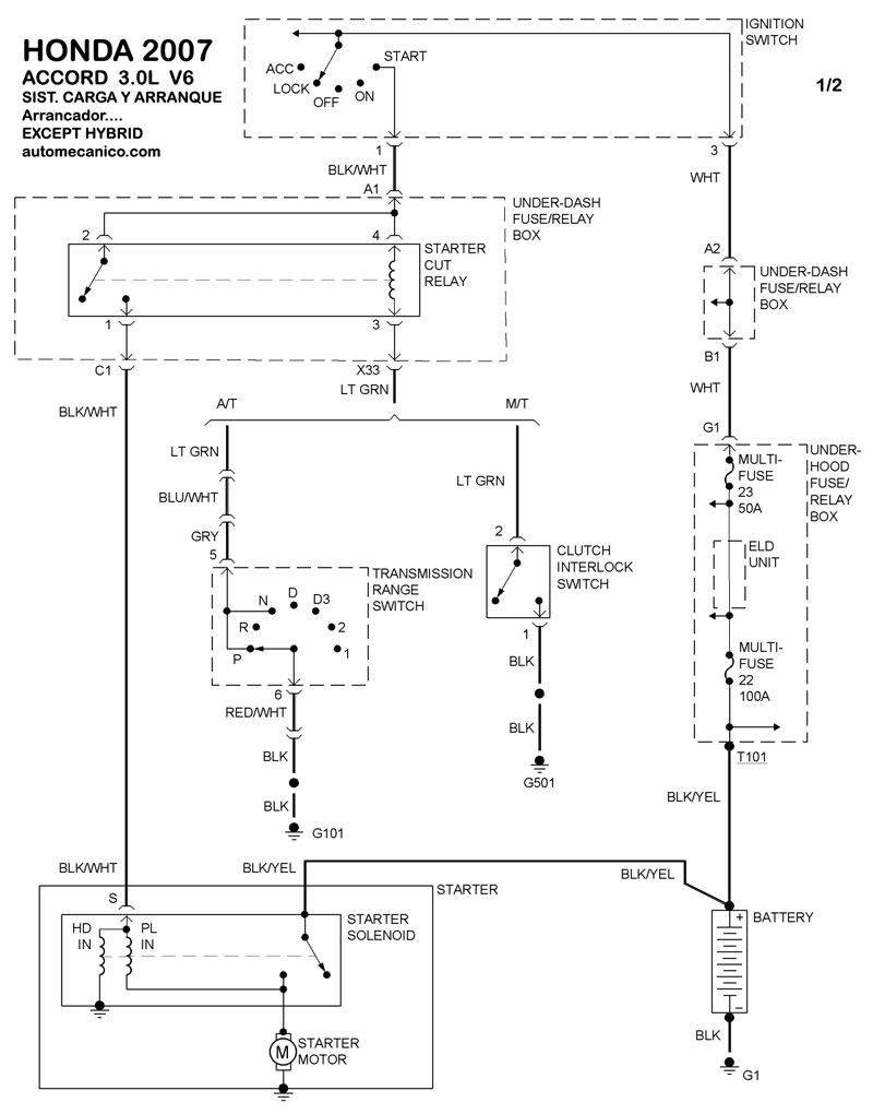
| 3.0L 6 CIL. EXCEP HYBRID ARRANCADOR T/A | DIAGRAMA SISTEMA DE ARRANQUE |
| 3.0L 6 CIL. HYBRID ARRANCADOR T/A | DIAGRAMA SISTEMA DE ARRANQUE |
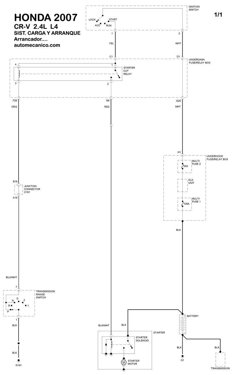
| CRV | |
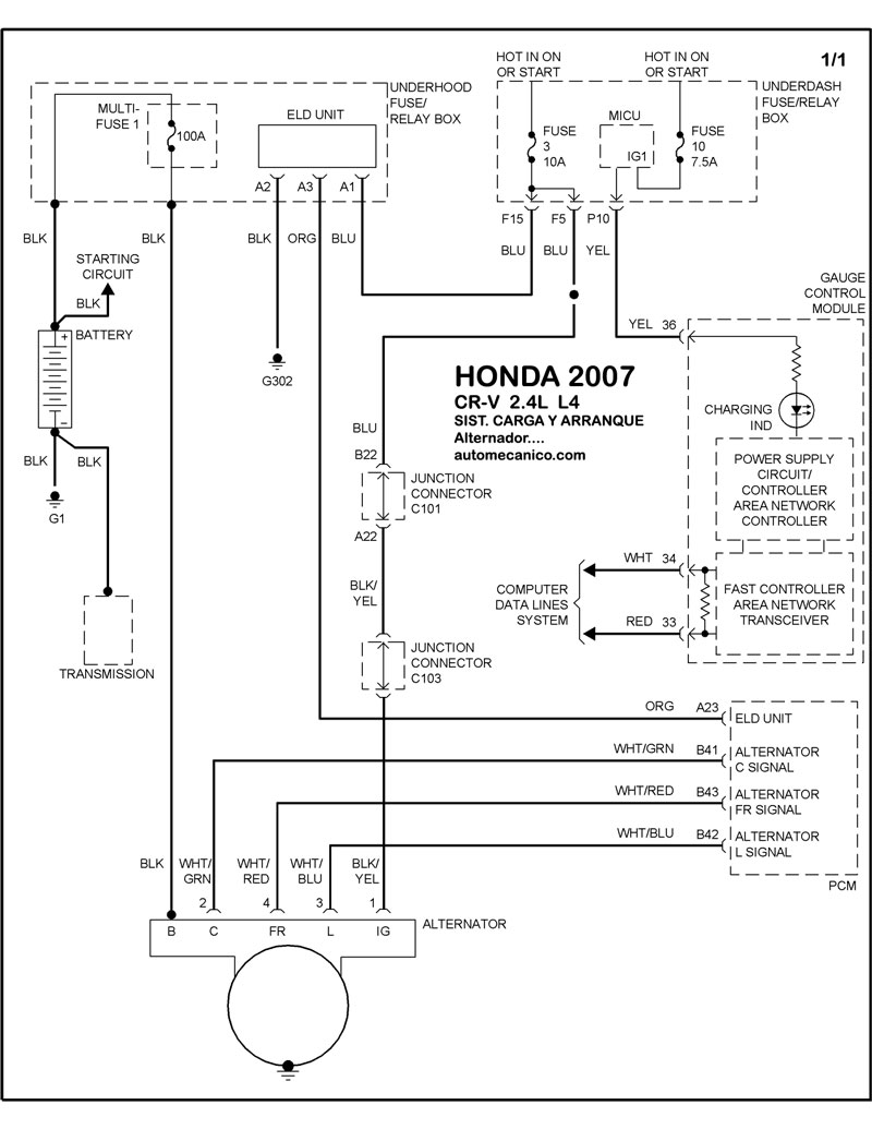
| 2.4L 4 CIL. ALTERNADOR | DIAGRAMA SISTEMA DE CARGA |
| 2.4L 4 CIL. ARRANCADOR T/A | DIAGRAMA SISTEMA DE ARRANQUE |
| ELEMENT | |
| 2.4L 4 CIL. ALTERNADOR | DIAGRAMA SISTEMA DE CARGA |
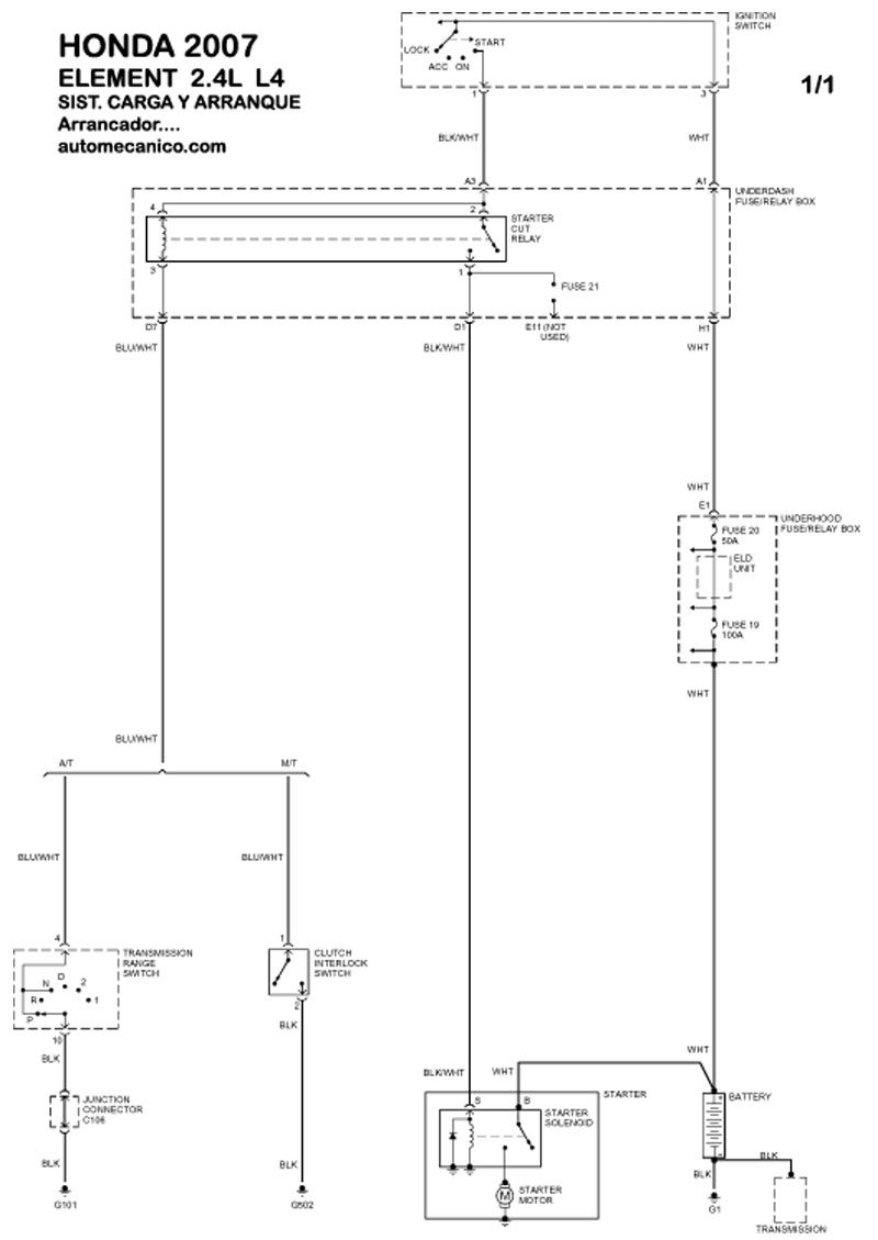
| 2.4L 4 CIL. ARRANCADOR T/A | DIAGRAMA SISTEMA DE ARRANQUE |
| Volver al indice principal |
