| DIAGRAMAS - SISTEMA DE CARGA Y ARRANQUE - HUMMER 2007 - Mecanica Automotriz - INDICE |
Diagramas HUMMER : Carga y Arranque | Charging and Starting System: - Esquemas - Graphics 2007 - |
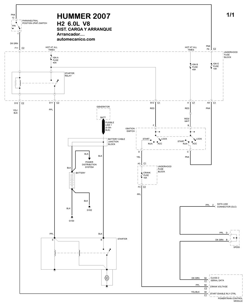
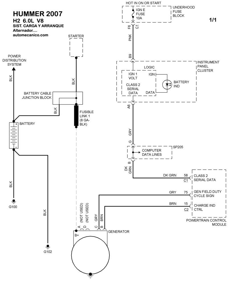
| Los Diagramas, listados abajo, se refieren unicamente al Circuito electrico que involucra: Alternador [Generador] y/o; Arrancador [Motor de arranque, Marcha, Starter] - HUMMER 2007 |
| H2 | |
| 6.0L 8 CIL. ALTERNADOR | DIAGRAMA SISTEMA DE CARGA |
| 6.0L 8 CIL. ARRANCADOR T/A | DIAGRAMA SISTEMA DE ARRANQUE |
| H3 | |
| 3.7L 5 CIL. ALTERNADOR | DIAGRAMA SISTEMA DE CARGA |
| 3.7L 5 CIL. ARRANCADOR T/A | DIAGRAMA SISTEMA DE ARRANQUE |
| 3.7L 5 CIL. ARRANCADOR T/M | DIAGRAMA SISTEMA DE ARRANQUE |
| Volver al indice principal |
