| DIAGRAMAS - SISTEMA DE CARGA Y ARRANQUE - HYUNDAI 2007 - Mecanica Automotriz - INDICE |
Diagramas HYUNDAI : Carga y Arranque | Charging and Starting System: - Esquemas - Graphics 2007 - |
| Los Diagramas, listados abajo, se refieren unicamente al Circuito electrico que involucra: Alternador [Generador] y/o; Arrancador [Motor de arranque, Marcha, Starter] - HYUNDAI 2007 |
| ACCENT | |
| 1.6L 4 CIL. ALTERNADOR | DIAGRAMA SISTEMA DE CARGA |
| 1.6L 4 CIL. ARRANCADOR T/A | DIAGRAMA SISTEMA DE ARRANQUE |
| AZERA | |
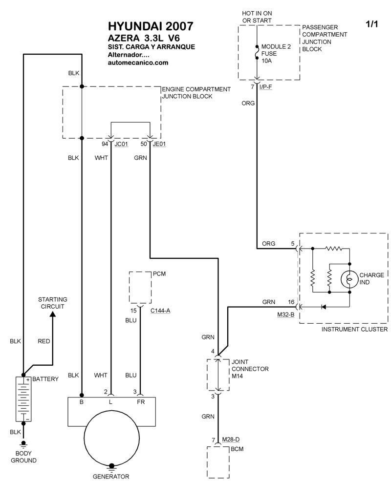
| 3.3L 6 CIL. ALTERNADOR | DIAGRAMA SISTEMA DE CARGA |
| 3.3L 6 CIL. ARRANCADOR T/A | DIAGRAMA SISTEMA DE ARRANQUE |
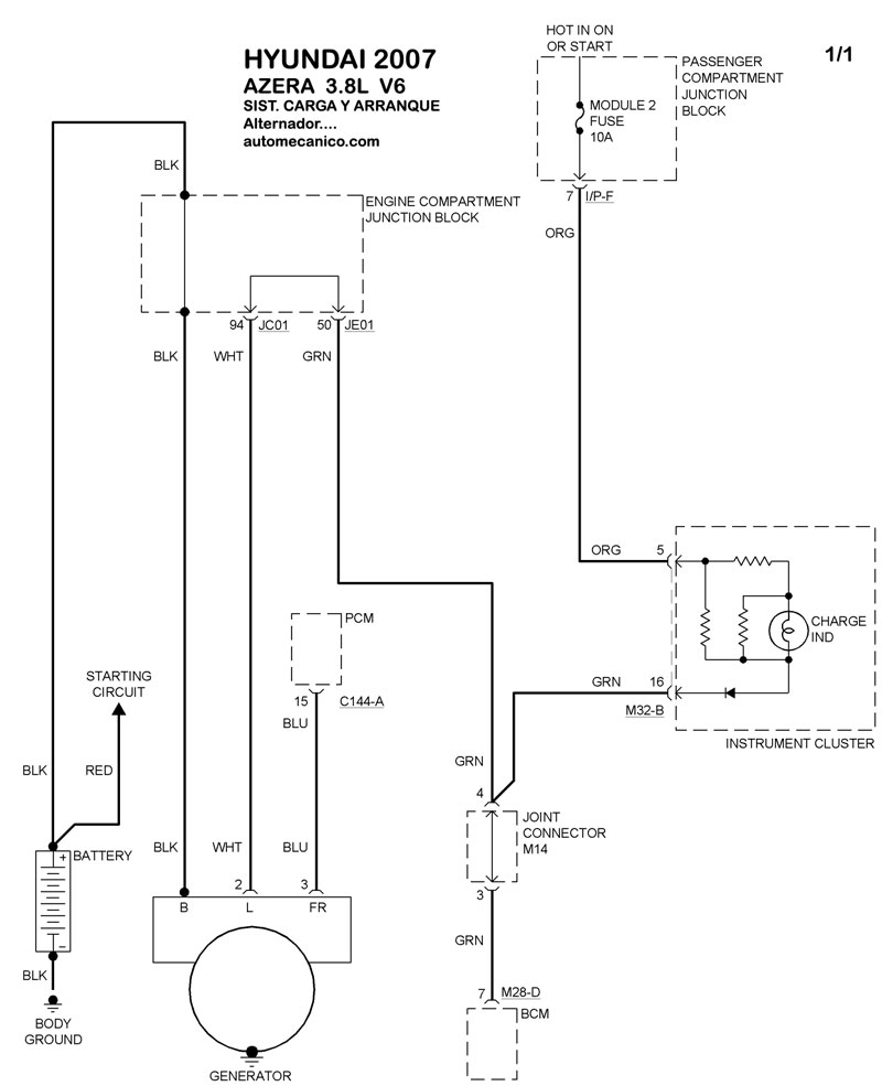
| 3.8L 6 CIL. ALTERNADOR | DIAGRAMA SISTEMA DE CARGA |
| 3.8L 6 CIL. ARRANCADOR T/A | DIAGRAMA SISTEMA DE ARRANQUE |
| ELANTRA | |
| 2.0L L4 CIL. ALTERNADOR | DIAGRAMA SISTEMA DE CARGA |
| 2.0L L4 CIL. ARRANCADOR T/A | DIAGRAMA SISTEMA DE ARRANQUE |
| ENTOURAGE | |
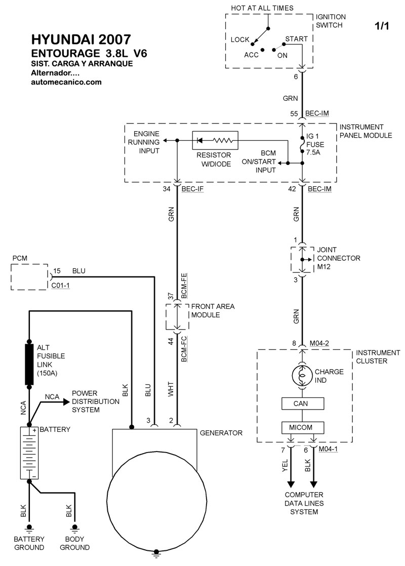
| 3.8L 6 CIL. ALTERNADOR | DIAGRAMA SISTEMA DE CARGA |
| 3.8L 6 CIL. ARRANCADOR T/A | DIAGRAMA SISTEMA DE ARRANQUE |
| Volver al indice principal |
