| DIAGRAMAS - SISTEMA DE CARGA Y ARRANQUE - INFINITI 2007 - Mecanica Automotriz - INDICE |
Diagramas INFINITI : Carga y Arranque | Charging and Starting System: - Esquemas - Graphics 2007 - |
| Los Diagramas, listados abajo, se refieren unicamente al Circuito electrico que involucra: Alternador [Generador] y/o; Arrancador [Motor de arranque, Marcha, Starter] - INFINITI 2007 |
| FX35 | |
| 3.5L 6 CIL. ALTERNADOR | DIAGRAMA SISTEMA DE CARGA |
| 3.5L 6 CIL. ARRANCADOR T/A | DIAGRAMA SISTEMA DE ARRANQUE |
| FX45 | |
| 4.5L 8 CIL. ALTERNADOR | DIAGRAMA SISTEMA DE CARGA |
| 4.5L 8 CIL. ARRANCADOR T/A | DIAGRAMA SISTEMA DE ARRANQUE |
| G35 | |
| 3.5L 6 CIL. COUPE ALTERNADOR | DIAGRAMA SISTEMA DE CARGA |
| 3.5L 6 CIL. SEDAN ALTERNADOR | DIAGRAMA SISTEMA DE CARGA |
| 3.5L 6 CIL. COUPE ARRANCADOR T/A | DIAGRAMA SISTEMA DE ARRANQUE |
| 3.5L 6 CIL. SEDAN ARRANCADOR T/A | DIAGRAMA SISTEMA DE ARRANQUE |
| M35 | |
| 3.5L 6 CIL. 2WD ALTERNADOR | DIAGRAMA SISTEMA DE CARGA |
| 3.5L 6 CIL. AWD ALTERNADOR | DIAGRAMA SISTEMA DE CARGA |
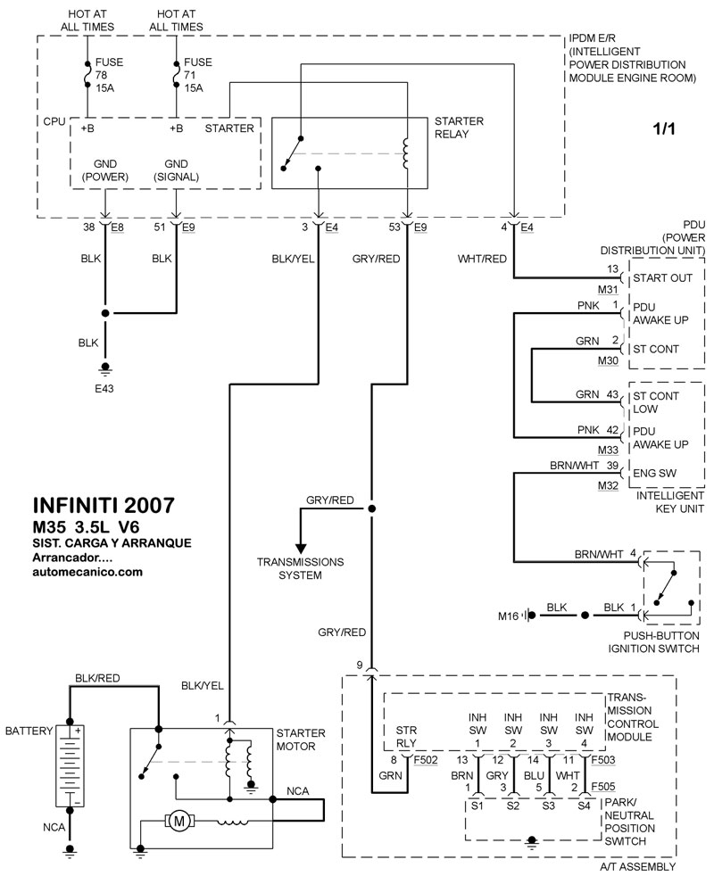
| 3.5L 6 CIL. ARRANCADOR T/A | DIAGRAMA SISTEMA DE ARRANQUE |
| M45 | |
| 4.5L 8 CIL. ALTERNADOR | DIAGRAMA SISTEMA DE CARGA |
| 4.5L 8 CIL. ARRANCADOR T/A | DIAGRAMA SISTEMA DE ARRANQUE |
| QX56 | |
| 5.6L 8 CIL. ALTERNADOR | DIAGRAMA SISTEMA DE CARGA |
| 5.6L 8 CIL. ARRANCADOR T/A | DIAGRAMA SISTEMA DE ARRANQUE |
| Volver al indice principal |
