| DIAGRAMAS - SISTEMA DE CARGA Y ARRANQUE - JAGUAR 2007 - Mecanica Automotriz - INDICE |
Diagramas JAGUAR : Carga y Arranque | Charging and Starting System: - Esquemas - Graphics 2007 - |
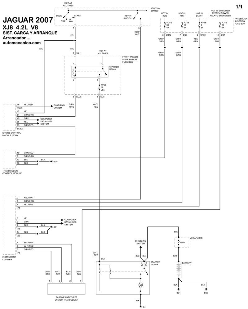
| Los Diagramas, listados abajo, se refieren unicamente al Circuito electrico que involucra: Alternador [Generador] y/o; Arrancador [Motor de arranque, Marcha, Starter] - JAGUAR 2007 |
| S-TYPE | |
| 3.0L 6 CIL. ALTERNADOR | DIAGRAMA SISTEMA DE CARGA |
| 3.0L 6 CIL. ARRANCADOR T/A | DIAGRAMA SISTEMA DE ARRANQUE |
| 4.2L 8 CILINDROS ALTERNADOR | DIAGRAMA SISTEMA DE CARGA |
| 4.2L 8 CILINDROS ARRANCADOR T/A | DIAGRAMA SISTEMA DE ARRANQUE |
| XJ8 | |
| 4.2L 8 CILINDROS ALTERNADOR | DIAGRAMA SISTEMA DE CARGA |
| 4.2L 8 CILINDROS ARRANCADOR T/A | DIAGRAMA SISTEMA DE ARRANQUE |
| XJR | |
| 4.2L 8 CILINDROS ALTERNADOR | DIAGRAMA SISTEMA DE CARGA |
| 4.2L 8 CILINDROS ARRANCADOR T/A | DIAGRAMA SISTEMA DE ARRANQUE |
| XK | |
| 4.2L 8 CILINDROS ALTERNADOR | DIAGRAMA SISTEMA DE CARGA |
| 4.2L 8 CILINDROS ARRANCADOR T/A | DIAGRAMA SISTEMA DE ARRANQUE |
| XKR | |
| 4.2L 8 CILINDROS ALTERNADOR | DIAGRAMA SISTEMA DE CARGA |
| 4.2L 8 CILINDROS ARRANCADOR T/A | DIAGRAMA SISTEMA DE ARRANQUE |
| X-TYPE | |
| 3.0L 6 CILINDROS ALTERNADOR | DIAGRAMA SISTEMA DE CARGA |
| 3.0L 6 CILINDROS ARRANCADOR T/A | DIAGRAMA SISTEMA DE ARRANQUE |
| Volver al indice principal |
