Logo autoeletronico.com
DIAGRAMAS - SISTEMA DE CARGA Y ARRANQUE - JEEP 2007 - Mecanica Automotriz - INDICE

Diagramas JEEP : Carga y Arranque | Charging and Starting System: - Esquemas - Graphics 2007 -

Diagrama - Alternador y motor de arranque - conexiones . Vehiculos JEEP 2007

En estos diagramas se describen los circuitos que conectan y activan el funcionamiento del alternador y motor de arranque [arrancador, marcha, motor de partida, Starter, etc.]
Alternador - Arrancador - Diagramas - Esquemas - Graphics
Los Diagramas, listados abajo, se refieren unicamente al Circuito electrico que involucra: Alternador [Generador] y/o; Arrancador [Motor de arranque, Marcha, Starter] - JEEP 2007
COMMANDER  
3.7L 6 CILINDROS ALTERNADOR DIAGRAMA SISTEMA DE CARGA
3.7L V6 ARRANCADOR, MARCHA, STARTER T/A DIAGRAMA SISTEMA DE ARRANQUE
4.7L V8 ALTERNADOR DIAGRAMA SISTEMA DE CARGA
4.7L V8 ARRANCADOR, MARCHA, STARTER T/A DIAGRAMA SISTEMA DE ARRANQUE
5.7L V8 ALTERNADOR DIAGRAMA SISTEMA DE CARGA
 5.7L V8 ARRANCADOR, MARCHA, STARTER T/A DIAGRAMA SISTEMA DE ARRANQUE
COMPASS  
 2.0L L4 ALTERNADOR DIAGRAMA SISTEMA DE CARGA
2.0L L4 ARRANCADOR, MARCHA, STARTER T/A DIAGRAMA SISTEMA DE ARRANQUE
 2.4L L4 ALTERNADOR DIAGRAMA SISTEMA DE CARGA
 2.4L L4 ARRANCADOR, MARCHA, STARTER T/A DIAGRAMA SISTEMA DE ARRANQUE
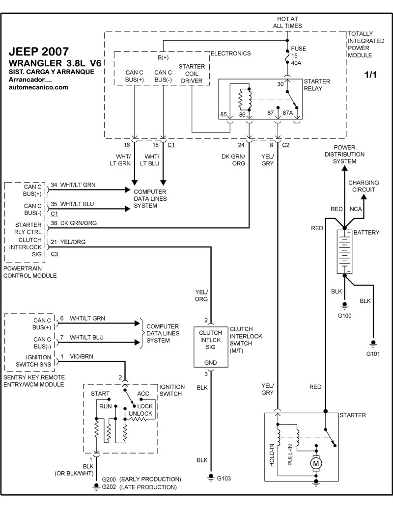
WRANGLER  
3.8L V6 ALTERNADOR DIAGRAMA SISTEMA DE CARGA
3.8L V6 ARRANCADOR, MARCHA, STARTER T/A DIAGRAMA SISTEMA DE ARRANQUE
  Volver al indice principal