| DIAGRAMAS - SISTEMA DE CARGA Y ARRANQUE - KIA 2007 - Mecanica Automotriz - INDICE |
Diagramas KIA : Carga y Arranque | Charging and Starting System: - Esquemas - Graphics 2007 - |
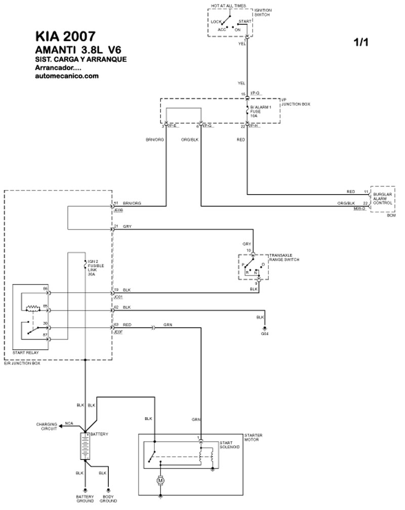
| Los Diagramas, listados abajo, se refieren unicamente al Circuito electrico que involucra: Alternador [Generador] y/o; Arrancador [Motor de arranque, Marcha, Starter] - KIA 2007 |
| AMANTI | |
| 3.8L 6 CIL. ALTERNADOR | DIAGRAMA SISTEMA DE CARGA |
| 3.8L 6 CIL. ARRANCADOR T/A | DIAGRAMA SISTEMA DE ARRANQUE |
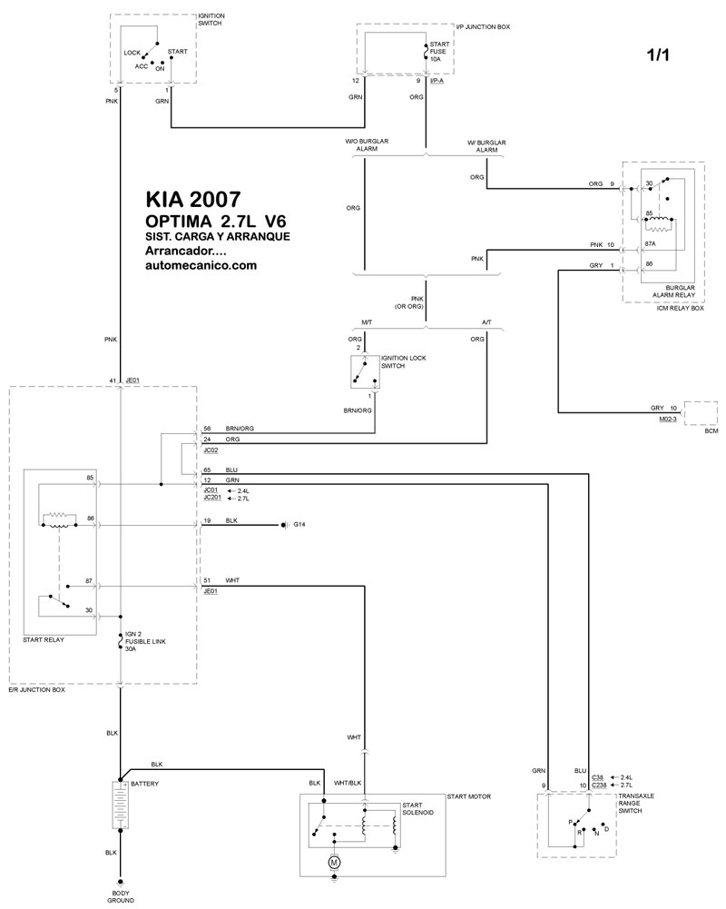
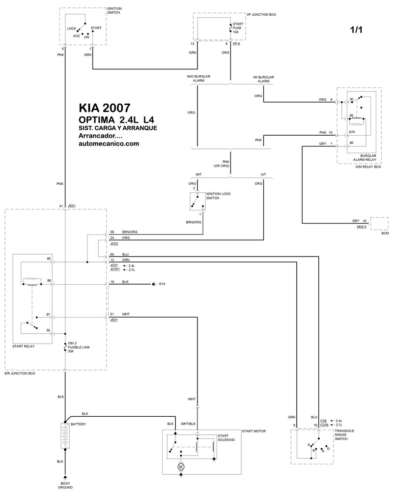
| OPTIMA | |
| 2.4L 4 CIL. ALTERNADOR | DIAGRAMA SISTEMA DE CARGA |
| 2.4L 4 CIL. ARRANCADOR T/A | DIAGRAMA SISTEMA DE ARRANQUE |
| 2.7L 6 CIL. ALTERNADOR | DIAGRAMA SISTEMA DE CARGA |
| 2.7L 6 CIL. ARRANCADOR T/A | DIAGRAMA SISTEMA DE ARRANQUE |
| RIO5 | |
| 1.6L 4 CIL. ALTERNADOR | DIAGRAMA SISTEMA DE CARGA |
| 1.6L 4 CIL. ARRANCADOR T/A | DIAGRAMA SISTEMA DE ARRANQUE |
| RIO | |
| 1.6L 4 CIL. ALTERNADOR | DIAGRAMA SISTEMA DE CARGA |
| 1.6L 4 CIL. ARRANCADOR T/A | DIAGRAMA SISTEMA DE ARRANQUE |
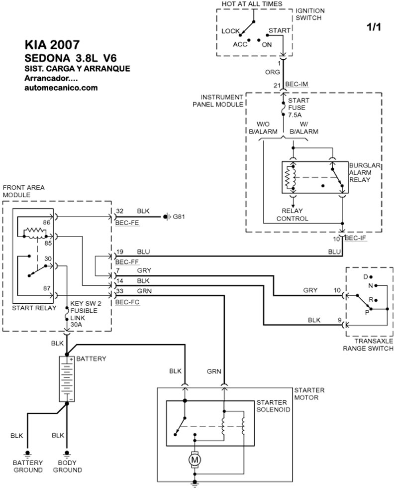
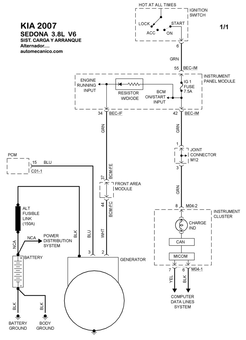
| SEDONA | |
| 3.8L 6 CIL. ALTERNADOR | DIAGRAMA SISTEMA DE CARGA |
| 3.8L 6 CIL. ARRANCADOR T/A | DIAGRAMA SISTEMA DE ARRANQUE |
| Volver al indice principal |
