| DIAGRAMAS - SISTEMA DE CARGA Y ARRANQUE - LEXUS 2007 - Mecanica Automotriz - INDICE |
Diagramas LEXUS : Carga y Arranque | Charging and Starting System: - Esquemas - Graphics 2007 - |
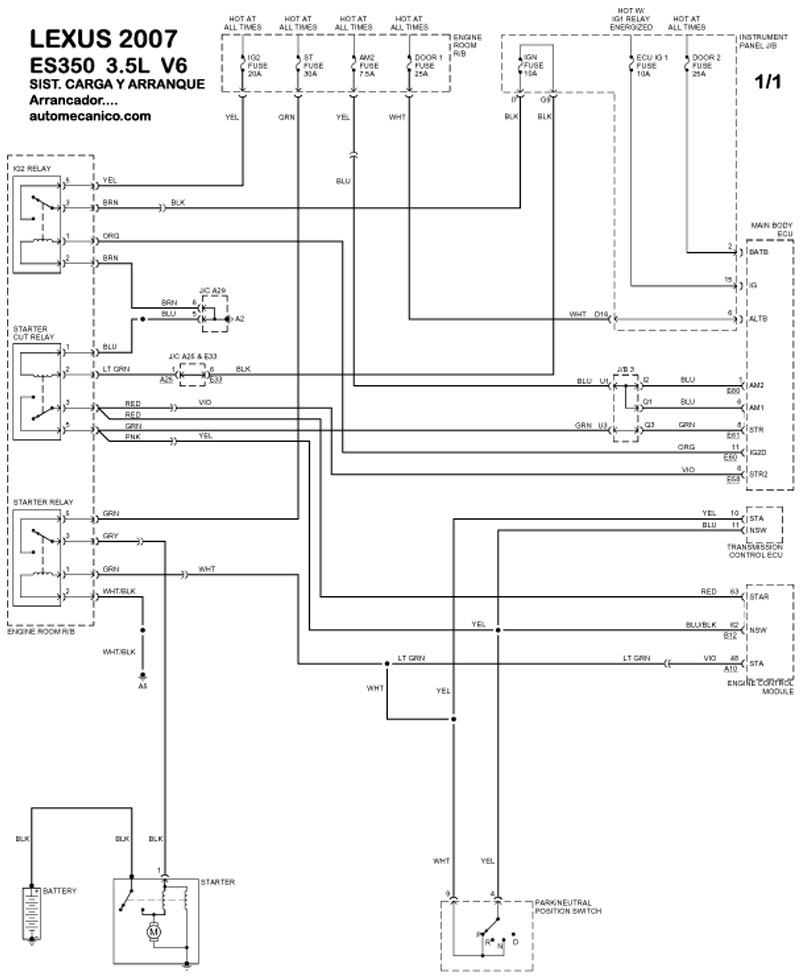
| Los Diagramas, listados abajo, se refieren unicamente al Circuito electrico que involucra: Alternador [Generador] y/o; Arrancador [Motor de arranque, Marcha, Starter] - LEXUS 2007 |
| ES350 | |
| 3.5L 6 CIL. ALTERNADOR | DIAGRAMA SISTEMA DE CARGA |
| 3.5L 6 CIL. ARRANCADOR T/A | DIAGRAMA SISTEMA DE ARRANQUE |
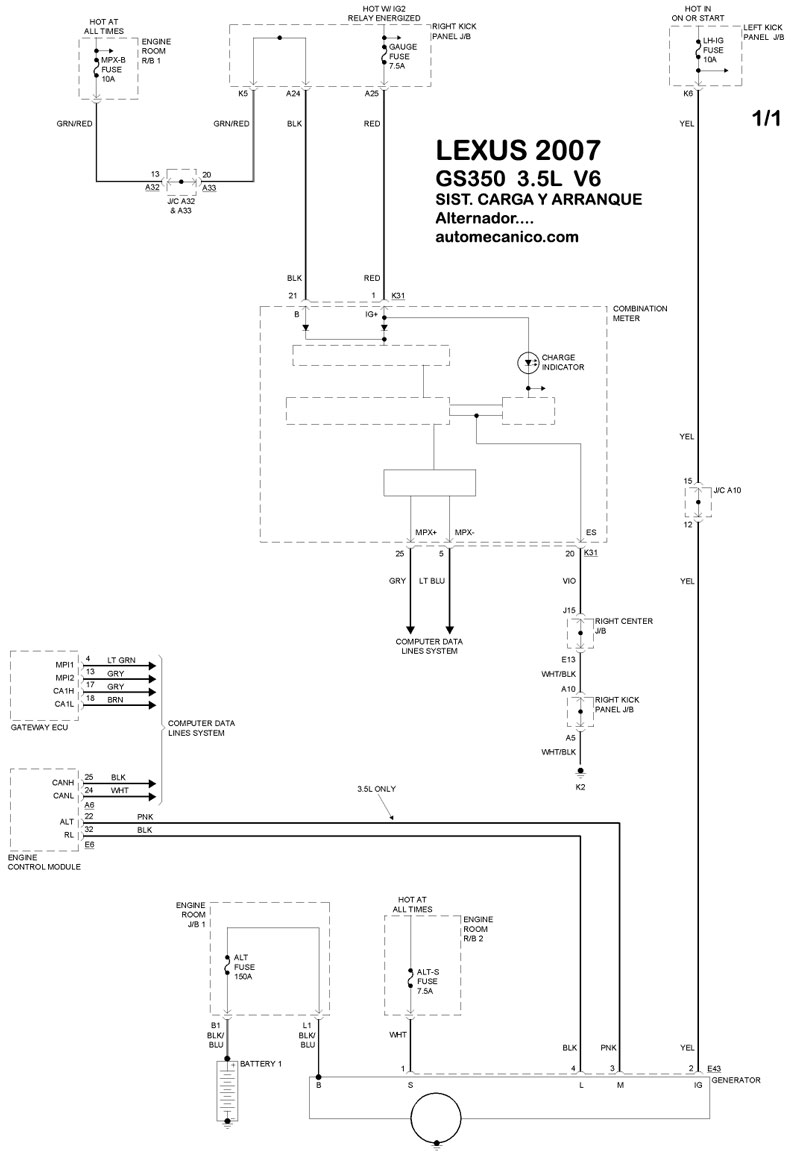
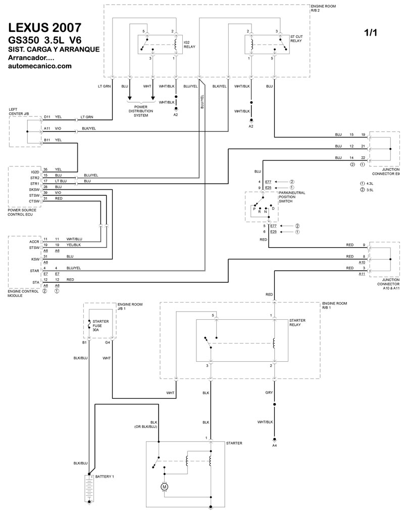
| GS350 | |
| 3.5L 6 CIL. ALTERNADOR | DIAGRAMA SISTEMA DE CARGA |
| 3.5L 6 CIL. ARRANCADOR T/A | DIAGRAMA SISTEMA DE ARRANQUE |
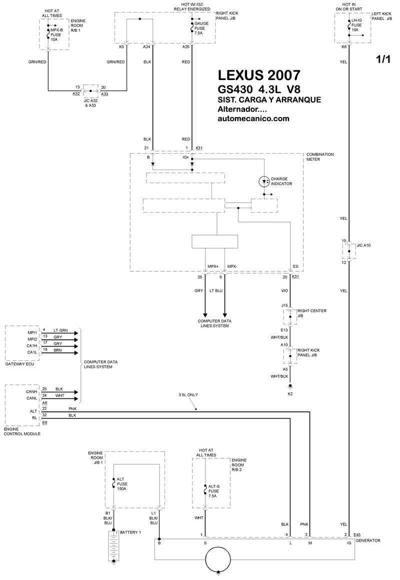
| GS430 | |
| 4.3L 8 CIL. ALTERNADOR | DIAGRAMA SISTEMA DE CARGA |
| 4.3L 8 CIL. ARRANCADOR T/A | DIAGRAMA SISTEMA DE ARRANQUE |
| GX470 | |
| 4.7L 8 CIL. ALTERNADOR | DIAGRAMA SISTEMA DE CARGA |
| 4.7L 8 CIL. ARRANCADOR T/A | DIAGRAMA SISTEMA DE ARRANQUE |
| IS250 | |
| 2.5L V6 CIL. ALTERNADOR | DIAGRAMA SISTEMA DE CARGA |
| 2.5L V6 CIL. ARRANCADOR T/A | DIAGRAMA SISTEMA DE ARRANQUE |
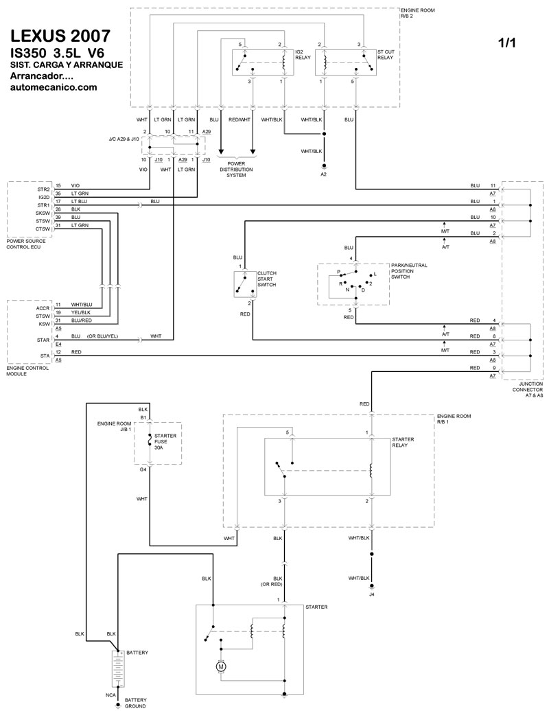
| IS350 | |
| 3.5L V6 CIL. ALTERNADOR | DIAGRAMA SISTEMA DE CARGA |
| 3.5L V6 CIL. ARRANCADOR T/A | DIAGRAMA SISTEMA DE ARRANQUE |
| Volver al indice principal |
