| DIAGRAMAS - SISTEMA DE CARGA Y ARRANQUE - LINCOLN 2007 - Mecanica Automotriz - INDICE |
Diagramas LINCOLN : Carga y Arranque | Charging and Starting System: - Esquemas - Graphics 2007 - |
| Los Diagramas, listados abajo, se refieren unicamente al Circuito electrico que involucra: Alternador [Generador] y/o; Arrancador [Motor de arranque, Marcha, Starter] - LINCOLN 2007 |
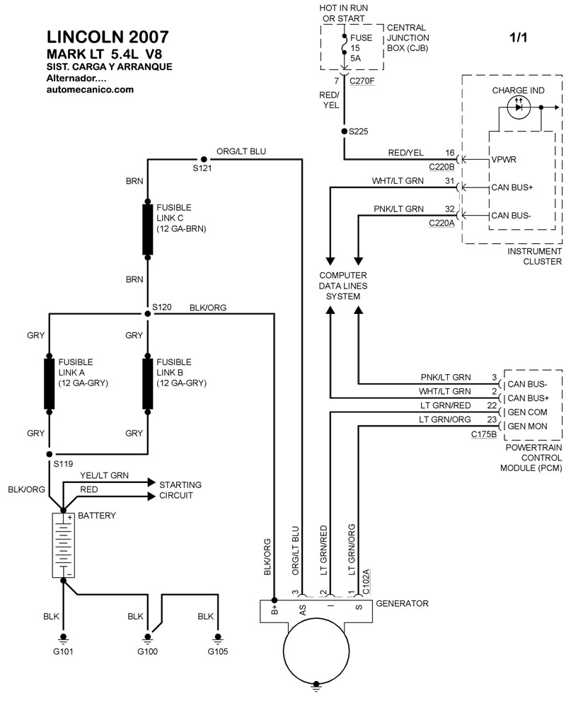
| MARK | |
| LT 5.4L 8 CIL. ALTERNADOR | DIAGRAMA SISTEMA DE CARGA |
| LT 5.4L 8 CIL. ARRANCADOR T/A | DIAGRAMA SISTEMA DE ARRANQUE |
| MKX | |
| 3.5L 6 CIL. ALTERNADOR | DIAGRAMA SISTEMA DE CARGA |
| 3.5L 6 CIL. ARRANCADOR T/A | DIAGRAMA SISTEMA DE ARRANQUE |
| MKZ | |
| 3.5L 6 CIL. ALTERNADOR | DIAGRAMA SISTEMA DE CARGA |
| 3.5L 6 CIL. ARRANCADOR T/A | DIAGRAMA SISTEMA DE ARRANQUE |
| NAVIGATOR | |
| 5.4L 8 CIL. ALTERNADOR | DIAGRAMA SISTEMA DE CARGA |
| 5.4L 8 CIL. ARRANCADOR T/A | DIAGRAMA SISTEMA DE ARRANQUE |
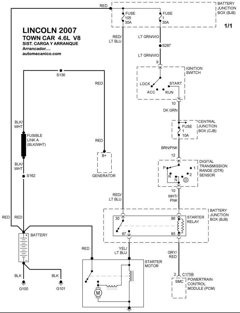
| TOWN CAR | |
| 4.6L 8 CIL. ALTERNADOR | DIAGRAMA SISTEMA DE CARGA |
| 4.6L 8 CIL. ARRANCADOR T/A | DIAGRAMA SISTEMA DE ARRANQUE |
| Volver al indice principal |
