| DIAGRAMAS - SISTEMA DE CARGA Y ARRANQUE - MERCURY 2007 - Mecanica Automotriz - INDICE |
Diagramas MERCURY : Carga y Arranque | Charging and Starting System: - Esquemas - Graphics 2007 - |
| Los Diagramas, listados abajo, se refieren unicamente al Circuito electrico que involucra: Alternador [Generador] y/o; Arrancador [Motor de arranque, Marcha, Starter] - MERCURY 2007 |
| MILAN | |
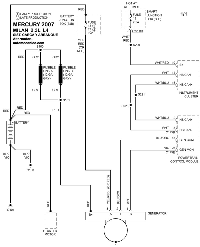
| 2.3L 4 CIL. ALTERNADOR | DIAGRAMA SISTEMA DE CARGA |
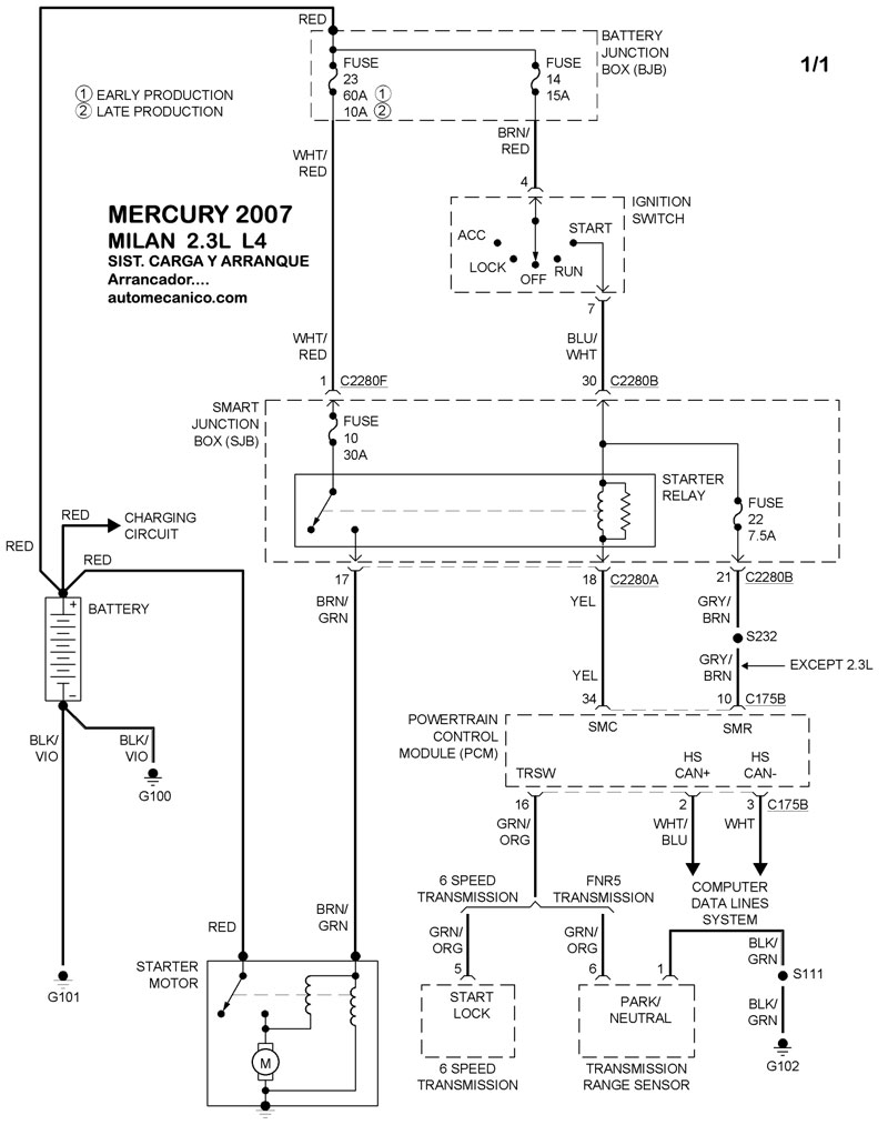
| 2.3L 4 CIL. ARRANCADOR T/A | DIAGRAMA SISTEMA DE ARRANQUE |
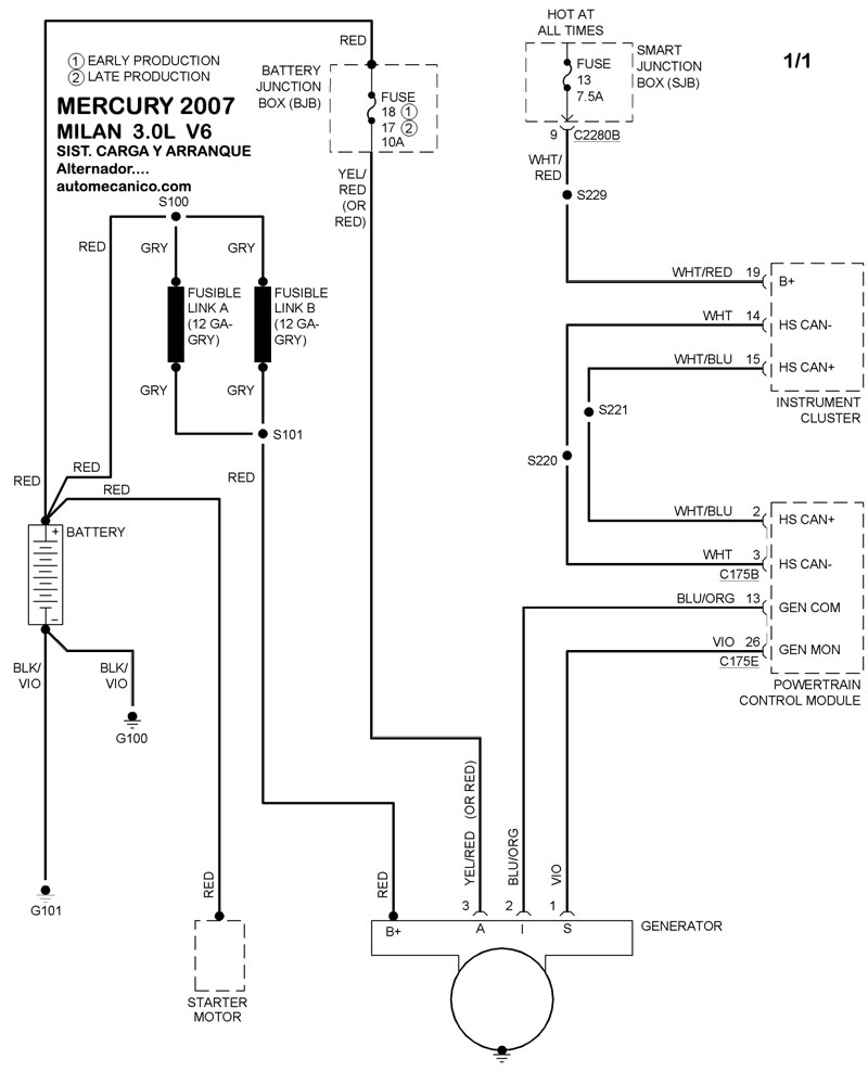
| 3.0L 6 CIL. ALTERNADOR | DIAGRAMA SISTEMA DE CARGA |
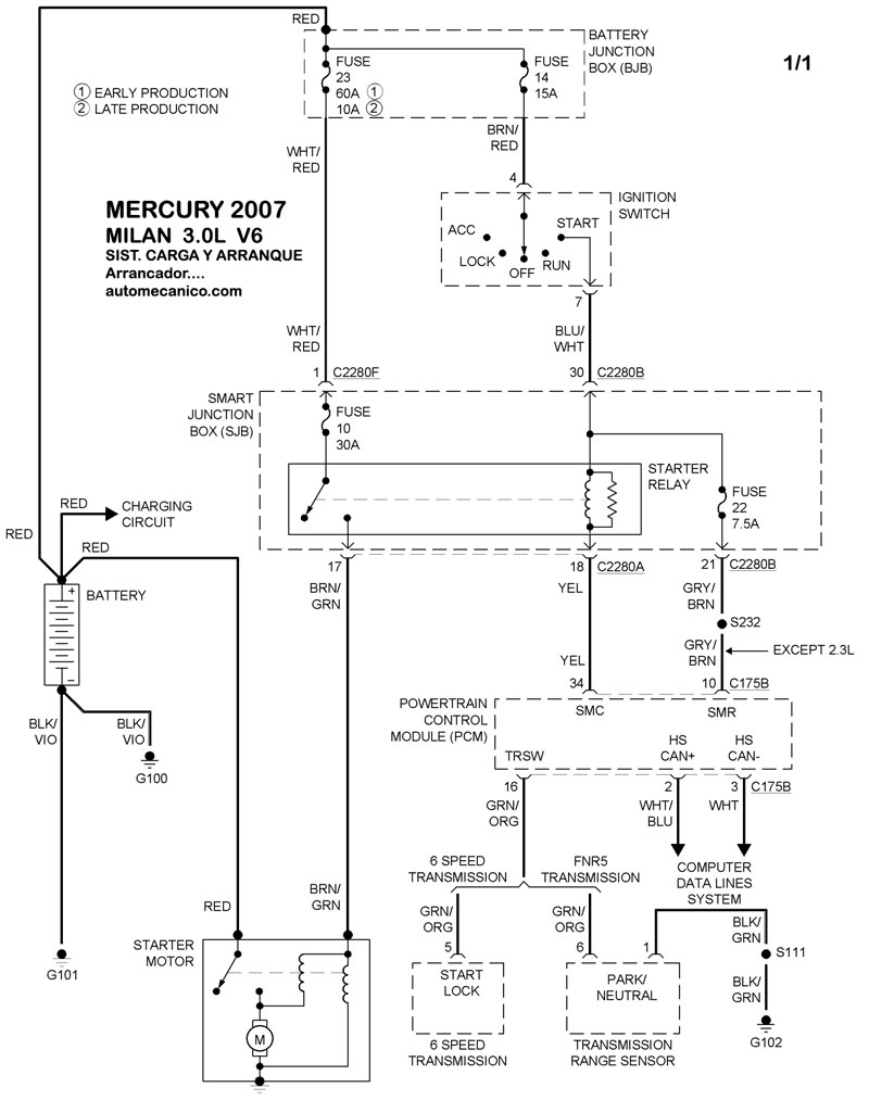
| 3.0L 6 CIL. ARRANCADOR T/A | DIAGRAMA SISTEMA DE ARRANQUE |
| MONTEREY | |
| 4.2L 6 CIL. ALTERNADOR | DIAGRAMA SISTEMA DE CARGA |
| 4.2L 6 CIL. ARRANCADOR T/A | DIAGRAMA SISTEMA DE ARRANQUE |
| MOUNTAINEER | |
| 4.0L 6 CIL. ALTERNADOR | DIAGRAMA SISTEMA DE CARGA |
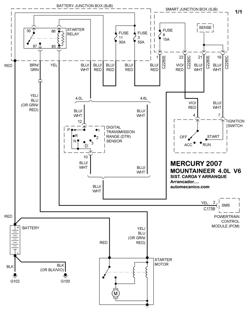
| 4.0L 6 CIL. ARRANCADOR T/A | DIAGRAMA SISTEMA DE ARRANQUE |
| 4.6L 8 CIL. ALTERNADOR | DIAGRAMA SISTEMA DE CARGA |
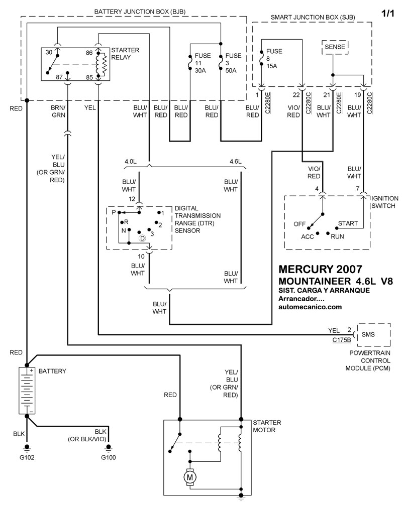
| 4.6 8 CIL. ARRANCADOR T/A | DIAGRAMA SISTEMA DE ARRANQUE |
| Volver al indice principal |
