| DIAGRAMAS - SISTEMA DE CARGA Y ARRANQUE - MITSUBISHI 2007 - Mecanica Automotriz - INDICE |
Diagramas MITSUBISHI : Carga y Arranque | Charging and Starting System: - Esquemas - Graphics 2007 - |
| Los Diagramas, listados abajo, se refieren unicamente al Circuito electrico que involucra: Alternador [Generador] y/o; Arrancador [Motor de arranque, Marcha, Starter] - MITSUBISHI 2007 |
| ECLIPSE | |
| 2.4L 4 CILINDROS ALTERNADOR | DIAGRAMA SISTEMA DE CARGA |
| 2.4L 4 CILINDROS ARRANCADOR T/A | DIAGRAMA SISTEMA DE ARRANQUE |
| 3.8L 6 CILINDROS ALTERNADOR | DIAGRAMA SISTEMA DE CARGA |
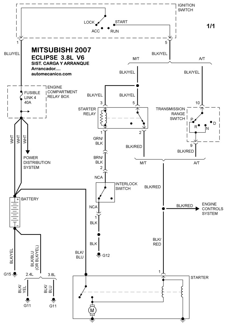
| 3.8L 6 CILINDROS ARRANCADOR T/A | DIAGRAMA SISTEMA DE ARRANQUE |
| GALANT | |
| 2.4L 4 CILINDROS ALTERNADOR | DIAGRAMA SISTEMA DE CARGA |
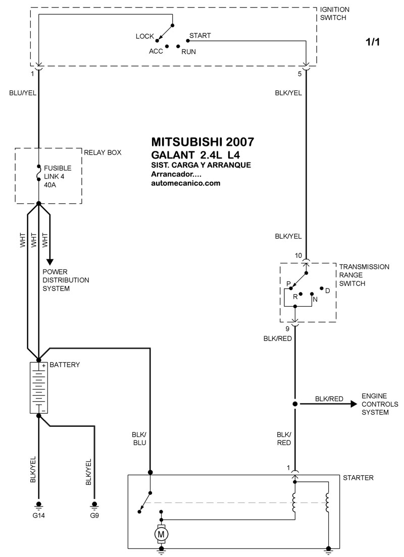
| 2.4L 4 CILINDROS ARRANCADOR T/A | DIAGRAMA SISTEMA DE ARRANQUE |
| 3.8L 6 CILINDROS ALTERNADOR | DIAGRAMA SISTEMA DE CARGA |
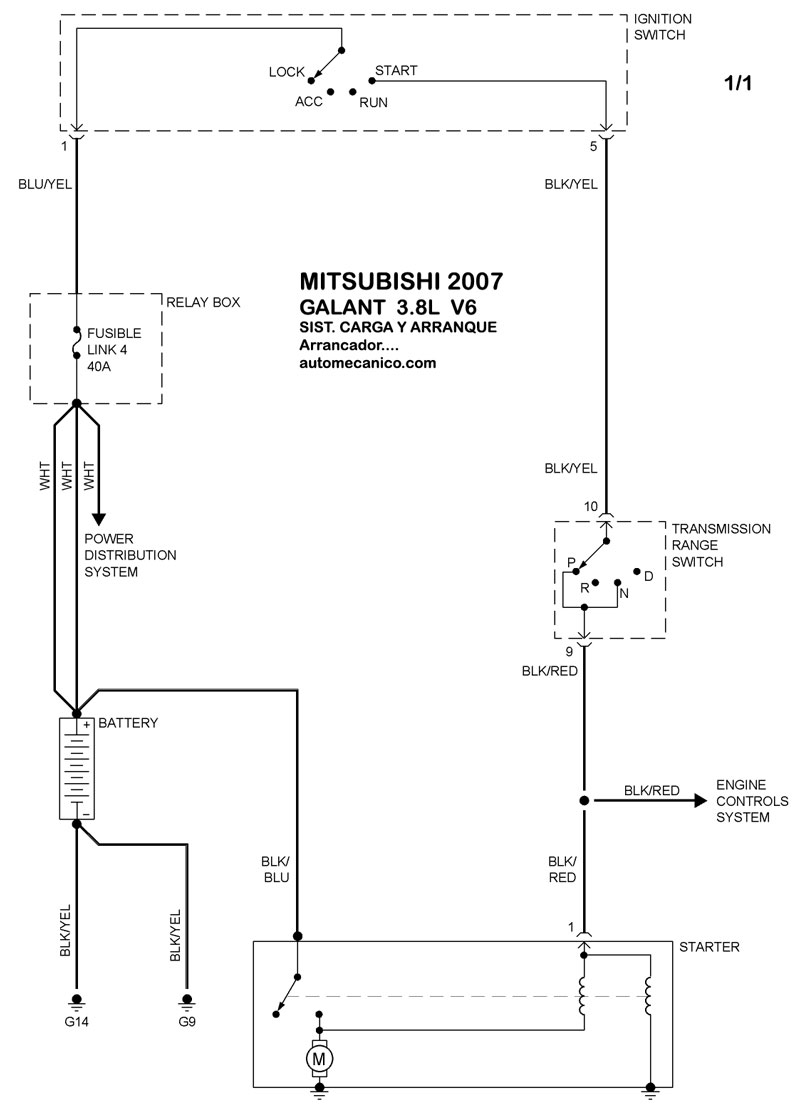
| 3.8L 6 CILINDROS ARRANCADOR T/A | DIAGRAMA SISTEMA DE ARRANQUE |
| Volver al indice principal |
