| DIAGRAMAS - SISTEMA DE CARGA Y ARRANQUE - MITSUBISHI 2007 - Mecanica Automotriz - INDICE |
Diagramas MITSUBISHI : Carga y Arranque | Charging and Starting System: - Esquemas - Graphics 2007 - |
| Los Diagramas, listados abajo, se refieren unicamente al Circuito electrico que involucra: Alternador [Generador] y/o; Arrancador [Motor de arranque, Marcha, Starter] - MITSUBISHI 2007 |
| ENDEAVOR | |
| 3.8L 6 CIL. ALTERNADOR | DIAGRAMA SISTEMA DE CARGA |
| 3.8L 6 CIL. ARRANCADOR, T/A | DIAGRAMA SISTEMA DE ARRANQUE |
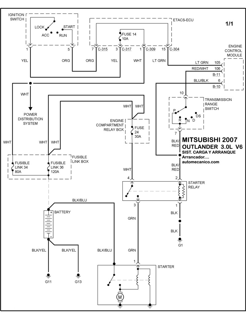
| OUTLANDER | |
| 3.0L 6 CIL. ALTERNADOR | DIAGRAMA SISTEMA DE CARGA |
| 3.0L 6 CIL. ARRANCADOR, T/A | DIAGRAMA SISTEMA DE ARRANQUE |
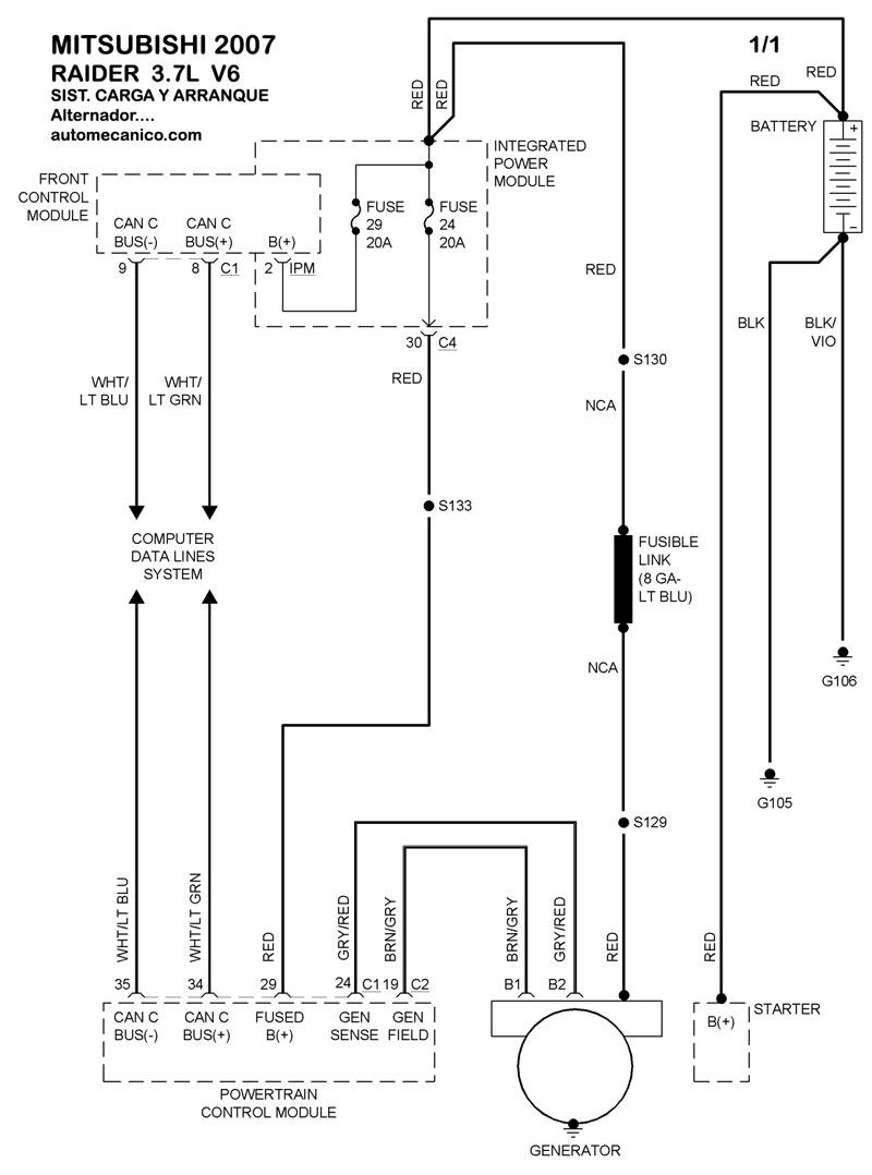
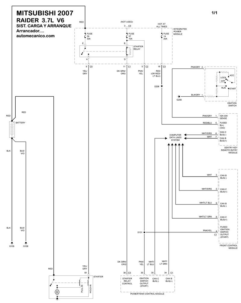
| RAIDER | |
| 3.7L 6 CIL. ALTERNADOR | DIAGRAMA SISTEMA DE CARGA |
| 3.7L 6 CIL. ARRANCADOR, T/A | DIAGRAMA SISTEMA DE ARRANQUE |
| 4.7L 8 CIL. ALTERNADOR | DIAGRAMA SISTEMA DE CARGA |
| 4.7L 8 CIL. ARRANCADOR, T/A | DIAGRAMA SISTEMA DE ARRANQUE |
| Volver al indice principal |
