| DIAGRAMAS - SISTEMA DE CARGA Y ARRANQUE - NISSAN 2007 - Mecanica Automotriz - INDICE |
Diagramas NISSAN : Carga y Arranque | Charging and Starting System: - Esquemas - Graphics 2007 - |
| Los Diagramas, listados abajo, se refieren unicamente al Circuito electrico que involucra: Alternador [Generador] y/o; Arrancador [Motor de arranque, Marcha, Starter] - NISSAN 2007 |
| FRONTIER | |
| 2.5L 4 CIL. ALTERNADOR | DIAGRAMA SISTEMA DE CARGA |
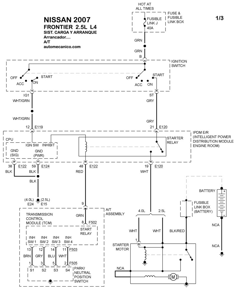
| 2.5L 4 CIL. A/T ARRANCADOR T/A | DIAGRAMA SISTEMA DE ARRANQUE |
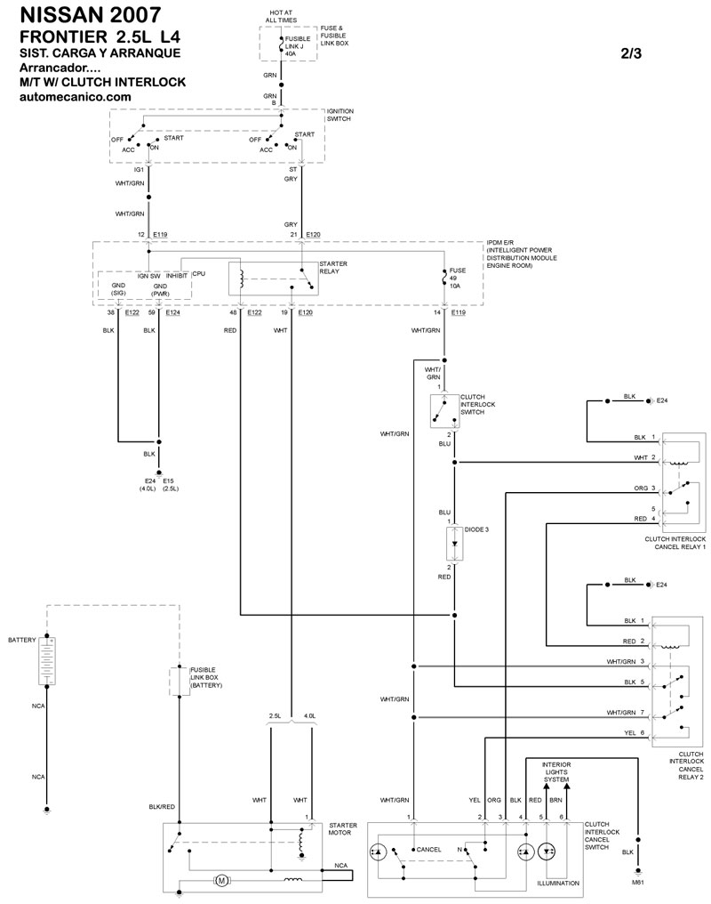
| 2.5L 4 CIL. W/CLUTCH INTERLOCK ARRANCADOR T/M | DIAGRAMA SISTEMA DE ARRANQUE |
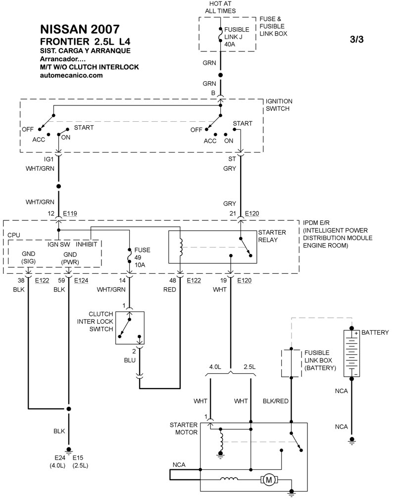
| 2.5L 4 CIL. W/O CLUTCH INTERLOCK ARRANCADOR T/M | DIAGRAMA SISTEMA DE ARRANQUE |
| 4.0L 6 CIL. ALTERNADOR | DIAGRAMA SISTEMA DE CARGA |
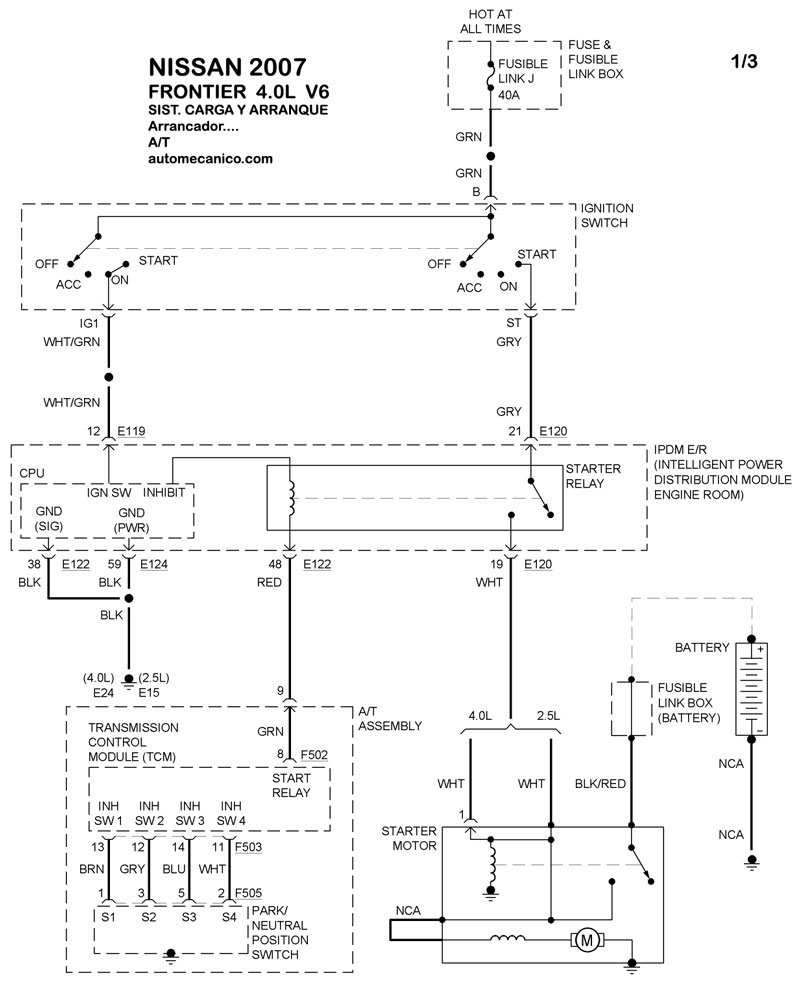
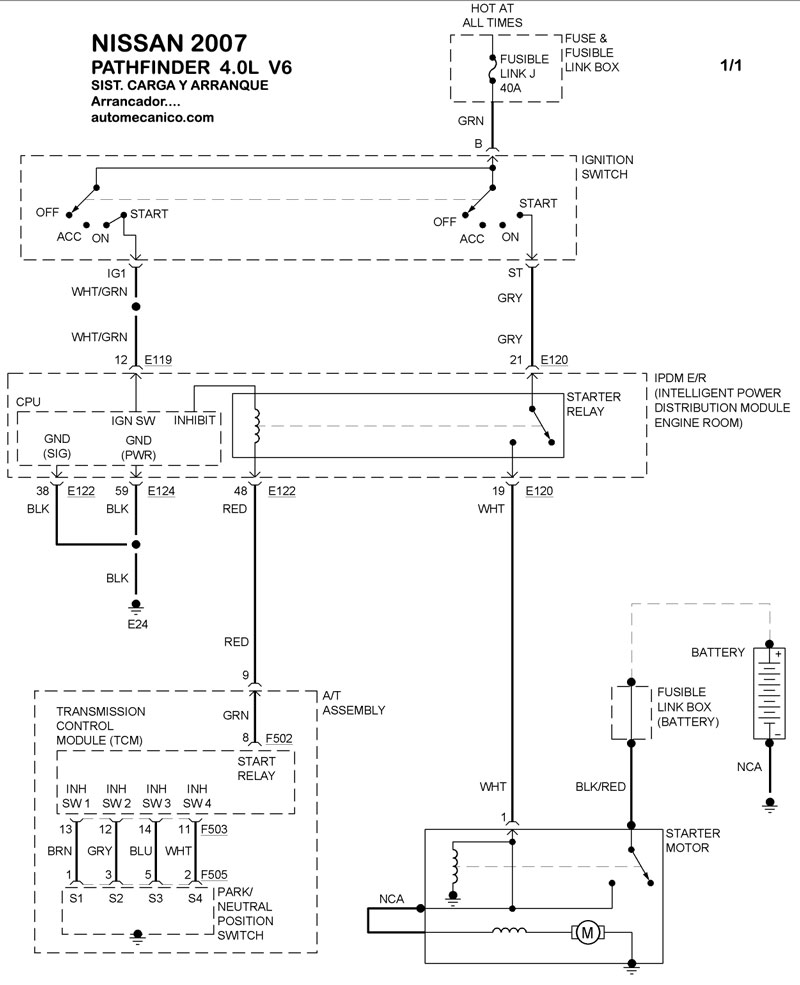
| 4.0L 6 CIL. A/T ARRANCADOR T/A | DIAGRAMA SISTEMA DE ARRANQUE |
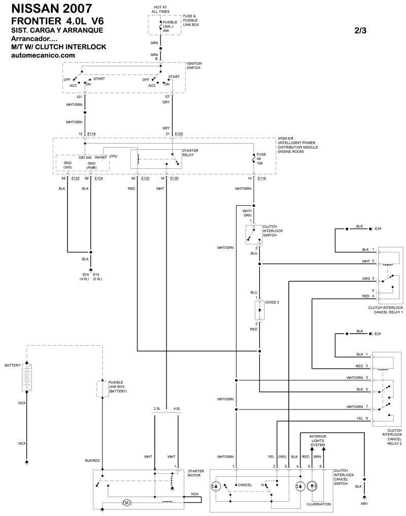
| 4.0L 6 CIL. W/CLUTCH INTERLOCK ARRANCADOR T/M | DIAGRAMA SISTEMA DE ARRANQUE |
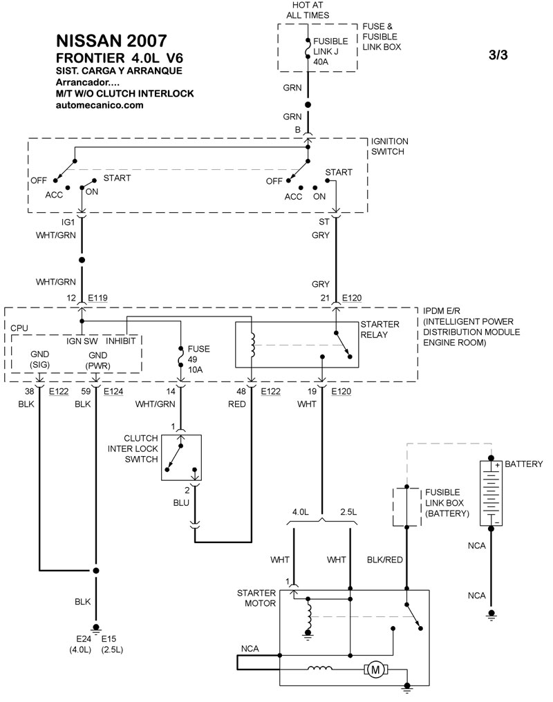
| 4.0L 6 CIL. W/O CLUTCH INTERLOCK ARRANCADOR T/M | DIAGRAMA SISTEMA DE ARRANQUE |
| MAXIMA 3 | |
| 3.5L 6 CIL. ALTERNADOR | DIAGRAMA SISTEMA DE CARGA |
| 3.5L 6 CIL. ARRANCADOR T/A | DIAGRAMA SISTEMA DE ARRANQUE |
| PATHFINDER | |
| 4.0L 6 CIL. ALTERNADOR | DIAGRAMA SISTEMA DE CARGA |
| 4.0L 6 CIL.ARRANCADOR T/A | DIAGRAMA SISTEMA DE ARRANQUE |
| Volver al indice principal |
