| DIAGRAMAS - SISTEMA DE CARGA Y ARRANQUE - TOYOTA 2007 - Mecanica Automotriz - INDICE |
Diagramas TOYOTA : Carga y Arranque | Charging and Starting System: - Esquemas - Graphics 2007 - |
| Los Diagramas, listados abajo, se refieren unicamente al Circuito electrico que involucra: Alternador [Generador] y/o; Arrancador [Motor de arranque, Marcha, Starter] - TOYOTA 2007 |
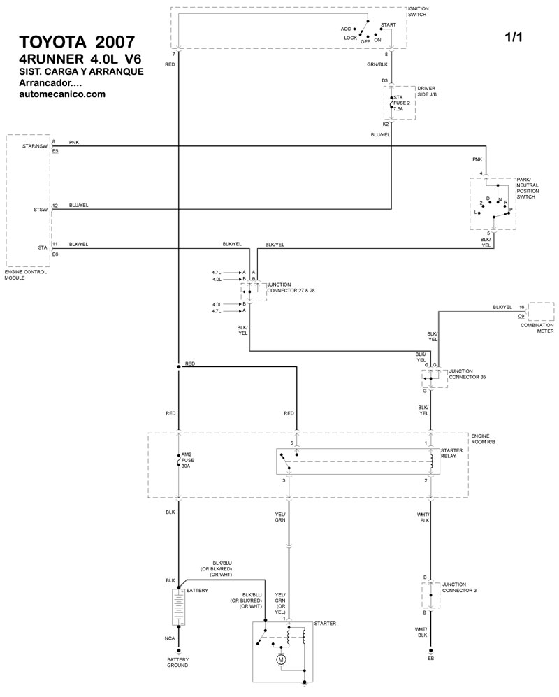
| 4RUNNER | |
| 4.0L 6 CIL. ALTERNADOR | DIAGRAMA SISTEMA DE CARGA |
| 4.0L 6 CIL. ARRANCADOR T/A | DIAGRAMA SISTEMA DE ARRANQUE |
| 4.7L 8 CILINDROS ALTERNADOR | DIAGRAMA SISTEMA DE CARGA |
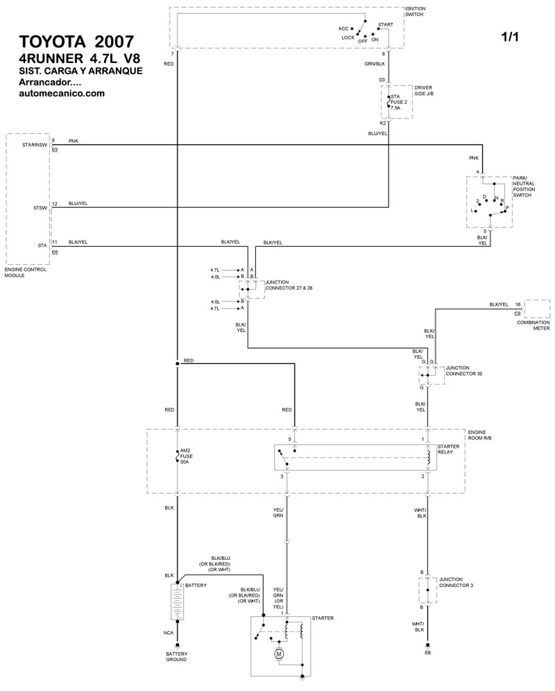
| 4.7L 8 CILINDROS ARRANCADOR T/A | DIAGRAMA SISTEMA DE ARRANQUE |
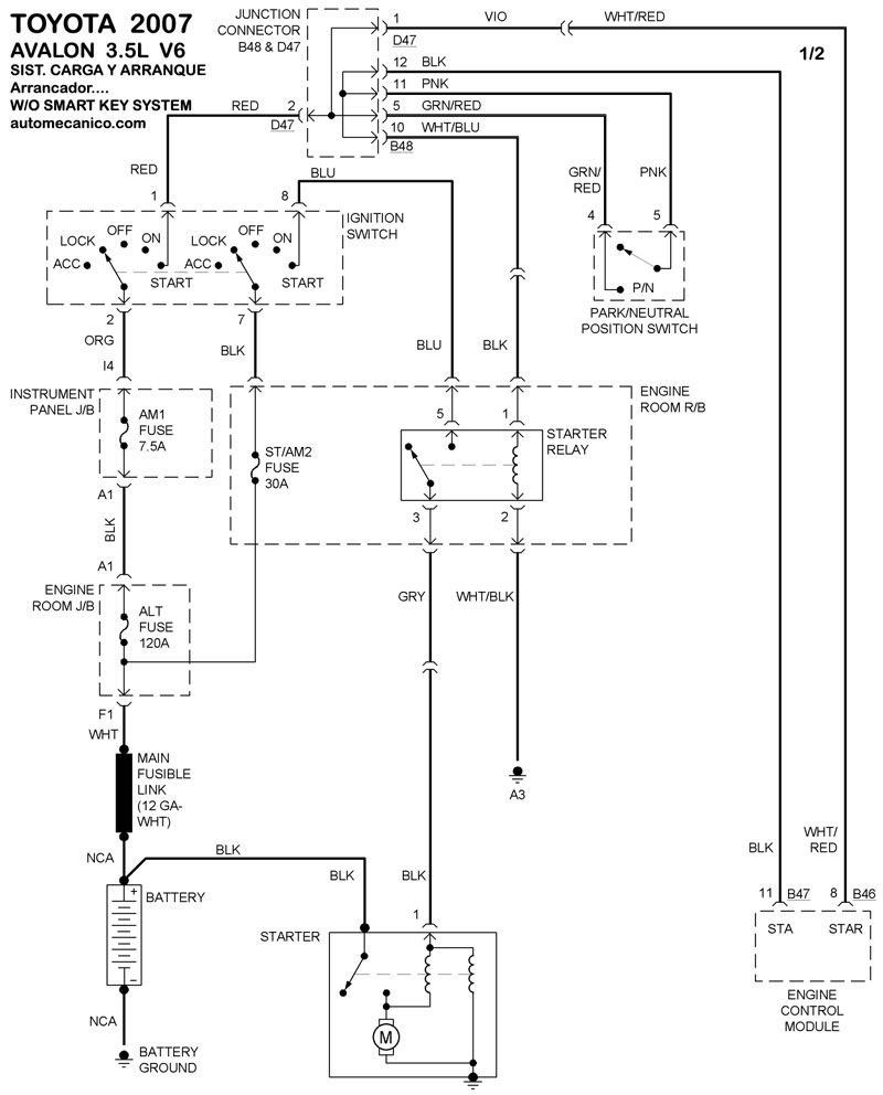
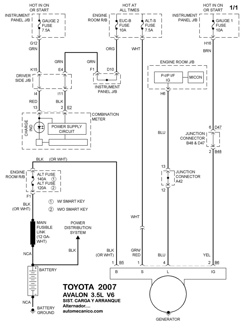
| AVALON | |
| 3.5L 6 CIL. ALTERNADOR | DIAGRAMA SISTEMA DE CARGA |
| 3.5L 6 CIL. W/O SMART KEY SYSTEM ARRANCADOR T/A | DIAGRAMA SISTEMA DE ARRANQUE |
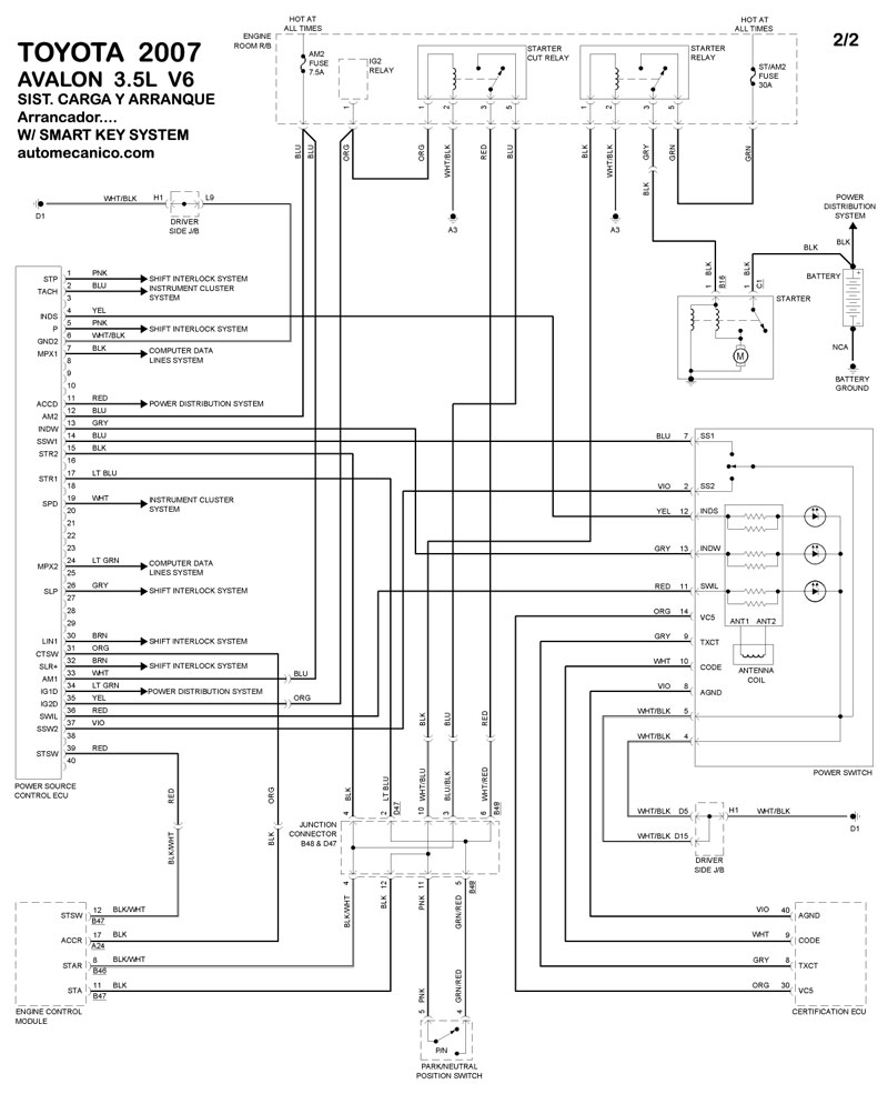
| 3.5L 6 CIL. SMART KEY SYSTEM ARRANCADOR T/A | DIAGRAMA SISTEMA DE ARRANQUE |
| CAMRY | |
| 2.4L 4 CIL. EXCEPT HYBRID ALTERNADOR | DIAGRAMA SISTEMA DE CARGA |
| 2.4L 4 CIL. W/O SMART KEY SYSTEM EXCEPT HYBRID ARRANCADOR T/A | DIAGRAMA SISTEMA DE ARRANQUE |
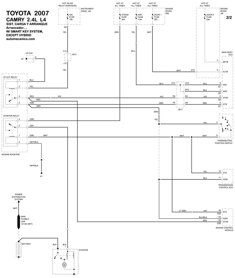
| 2.4L 4 CIL. W/ SMART KEY SYSTEM EXCEPT HYBRID ARRANCADOR T/A | DIAGRAMA SISTEMA DE ARRANQUE |
| 3.5L 6 CIL. EXCEPT HYBRID ALTERNADOR | DIAGRAMA SISTEMA DE CARGA |
| 3.5L 6 CIL. W/O SMART KEY SYSTEM EXCEPT HYBRID ARRANCADOR T/A | DIAGRAMA SISTEMA DE ARRANQUE |
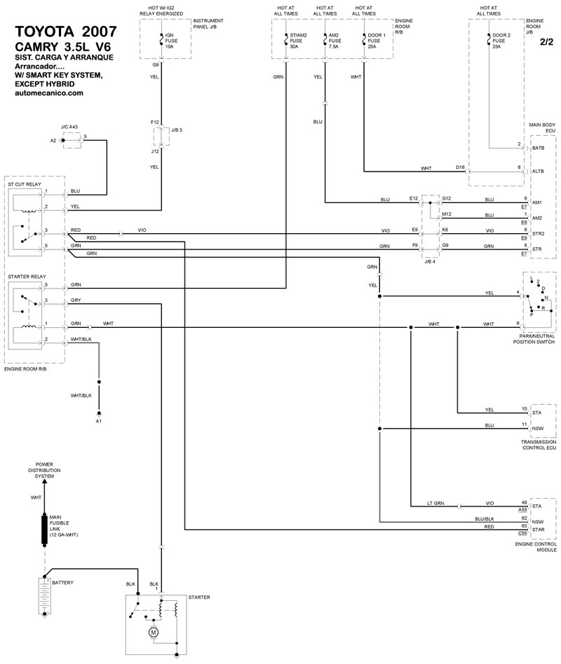
| 3.5L 6 CIL. W/ SMART KEY SYSTEM EXCEPT HYBRID ARRANCADOR T/A | DIAGRAMA SISTEMA DE ARRANQUE |
| Volver al indice principal |
