| DIAGRAMAS - SISTEMA DE CARGA Y ARRANQUE - VOLVO 2007 - Mecanica Automotriz - INDICE |
Diagramas VOLVO : Carga y Arranque | Charging and Starting System: - Esquemas - Graphics 2007 - |
| Los Diagramas, listados abajo, se refieren unicamente al Circuito electrico que involucra: Alternador [Generador] y/o; Arrancador [Motor de arranque, Marcha, Starter] - VOLVO 2007 |
| V50 | |
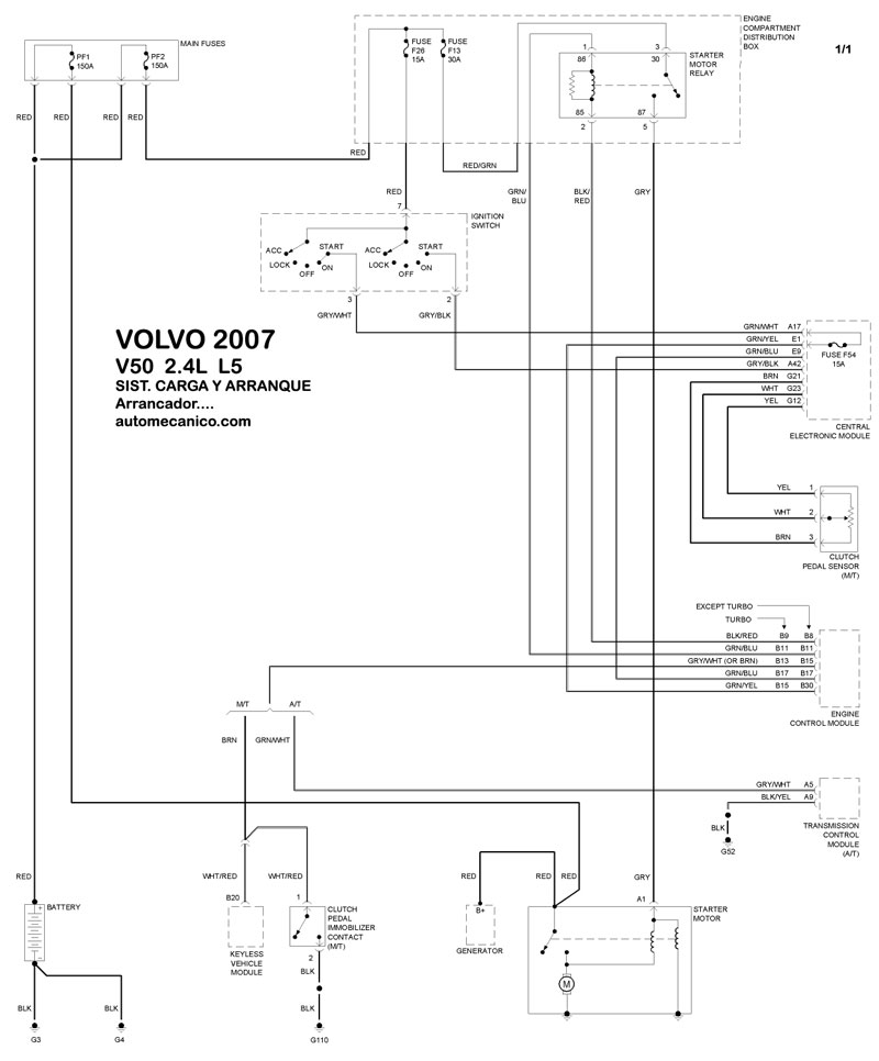
| 2.4L 5 CIL. ALTERNADOR | DIAGRAMA SISTEMA DE CARGA |
| 2.4L 5 CIL. ARRANCADOR T/A | DIAGRAMA SISTEMA DE ARRANQUE |
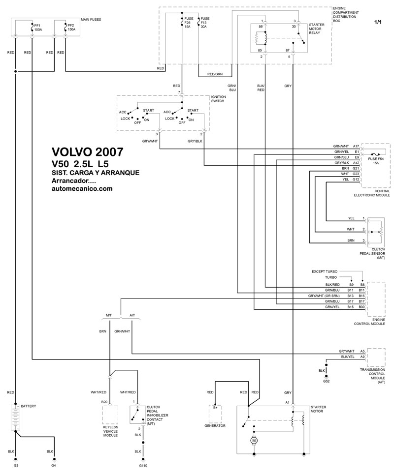
| 2.5L 5 CIL. ALTERNADOR | DIAGRAMA SISTEMA DE CARGA |
| 2.5L 5 CIL. ARRANCADOR T/A | DIAGRAMA SISTEMA DE ARRANQUE |
| V70 | |
| 2.4L 5 CIL. ALTERNADOR | DIAGRAMA SISTEMA DE CARGA |
| 2.4L 5 CIL. ARRANCADOR T/A | DIAGRAMA SISTEMA DE ARRANQUE |
| 2.5L 5 CIL. ALTERNADOR | DIAGRAMA SISTEMA DE CARGA |
| 2.5L 5 CIL. ARRANCADOR T/A | DIAGRAMA SISTEMA DE ARRANQUE |
| XC70 | |
| 2.5L 5 CIL. ALTERNADOR | DIAGRAMA SISTEMA DE CARGA |
| 2.5L 5 CIL. ARRANCADOR T/A | DIAGRAMA SISTEMA DE ARRANQUE |
| XC90 | |
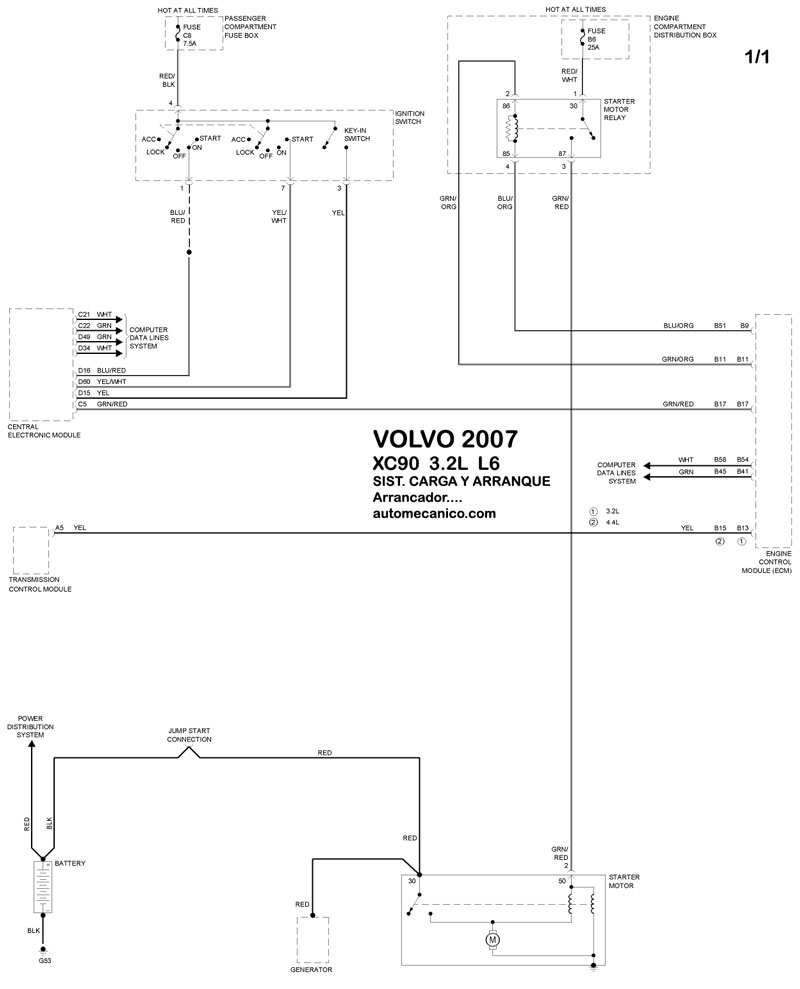
| 3.2L 6 CIL. ALTERNADOR | DIAGRAMA SISTEMA DE CARGA |
| 3.2L 6 CIL. ARRANCADOR T/A | DIAGRAMA SISTEMA DE ARRANQUE |
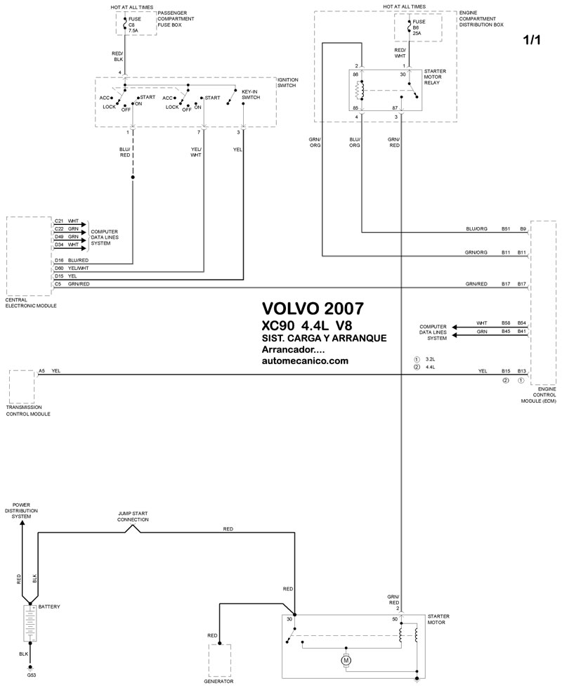
| 4.4L 8 CIL. ALTERNADOR | DIAGRAMA SISTEMA DE CARGA |
| 4.4L 8 CIL. ARRANCADOR T/A | DIAGRAMA SISTEMA DE ARRANQUE |
| Volver al indice principal |
