| DIAGRAMAS - A/C AIRE ACONDICIONADO - MECANICA AUTOMOTRIZ - BMW 2000 |
2000 - Diagramas BMW : Circuito Electrico - Aire Acondicionado - 2000 |
| Los Diagramas, listados abajo, se refieren unicamente al Circuito electrico que involucra: AIRE ACONDICIONADO- BMW 2000 |
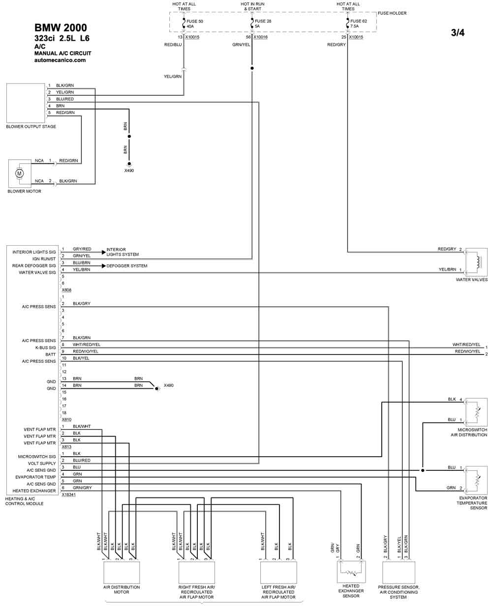
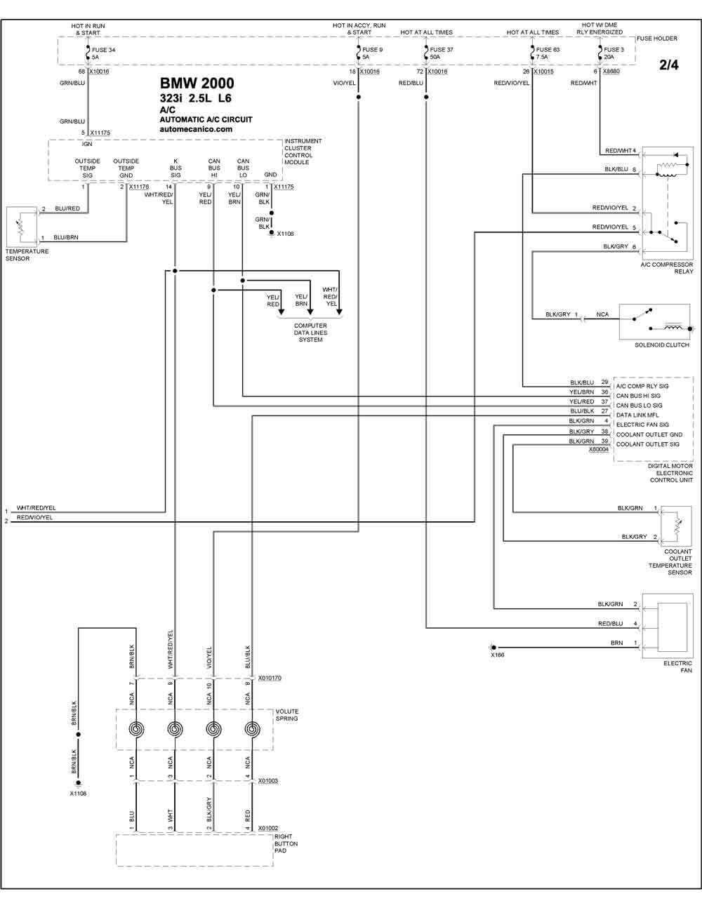
| 323ci | |
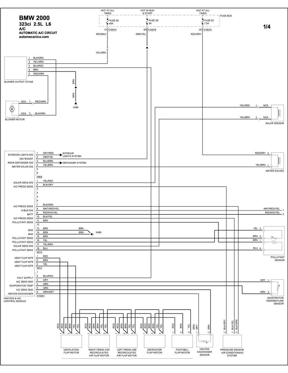
| 2.5L 6 CILINDROS 1/4 | AUTOMATIC A/C CIRCUIT |
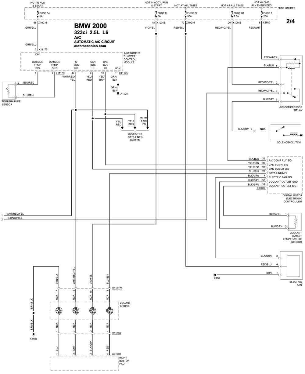
| 2.5L 6 CILINDROS 2/4 | AUTOMATIC A/C CIRCUIT |
| 2.5L 6 CILINDROS 3/4 | MANUAL A/C CIRCUIT |
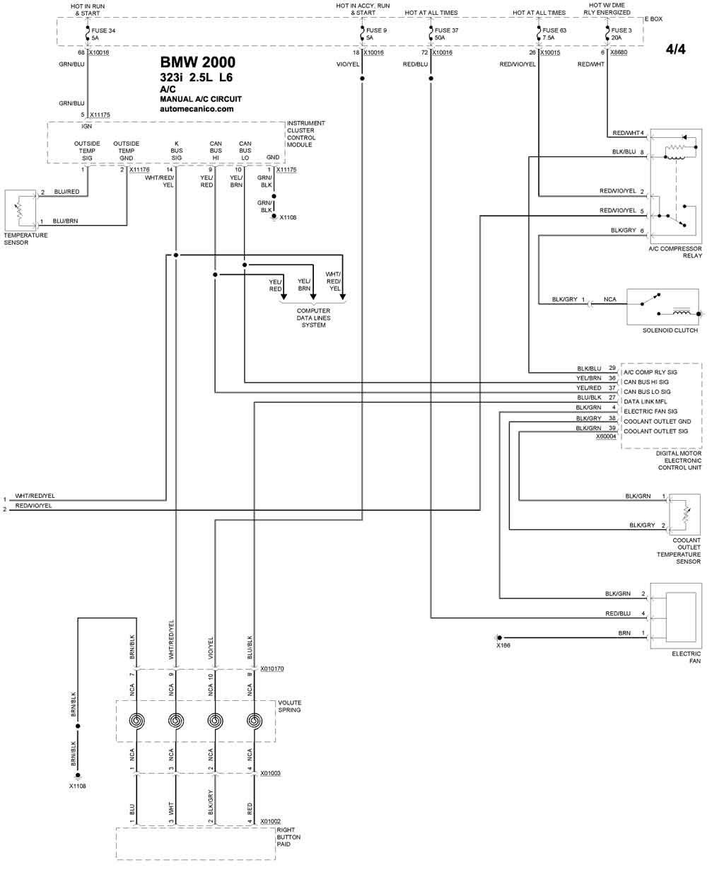
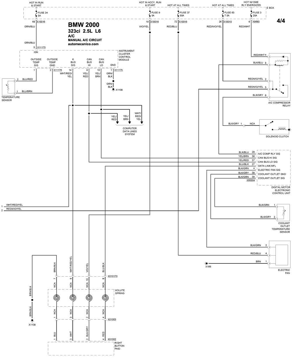
| 2.5L 6 CILINDROS 4/4 | MANUAL A/C CIRCUIT |
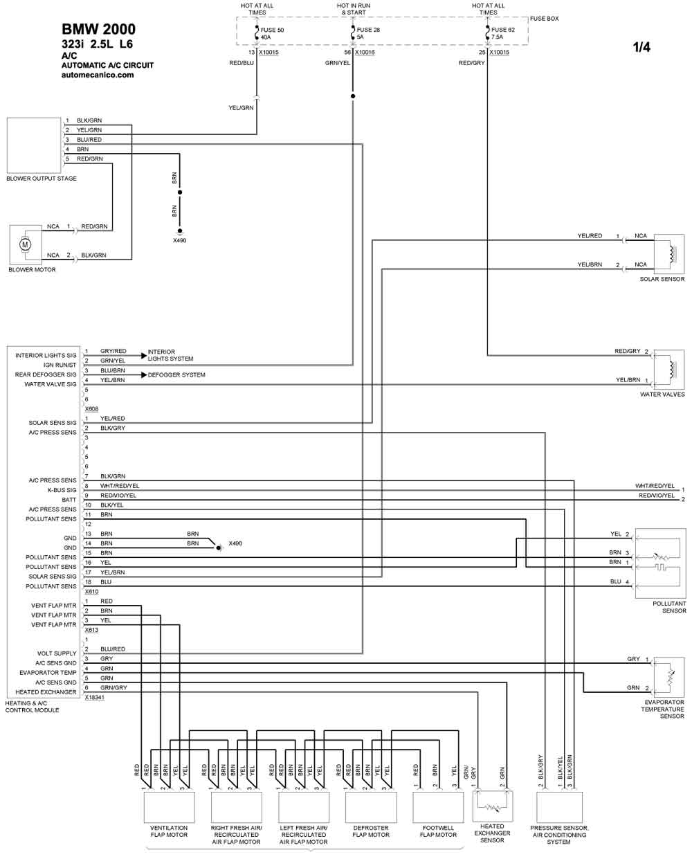
| 323i | |
| 2.5L 6 CILINDROS 1/4 | AUTOMATIC A/C CIRCUIT |
| 2.5L 6 CILINDROS 2/4 | AUTOMATIC A/C CIRCUIT |
| 2.5L 6 CILINDROS 3/4 | MANUAL A/C CIRCUIT |
| 2.5L 6 CILINDROS 4/4 | MANUAL A/C CIRCUIT |
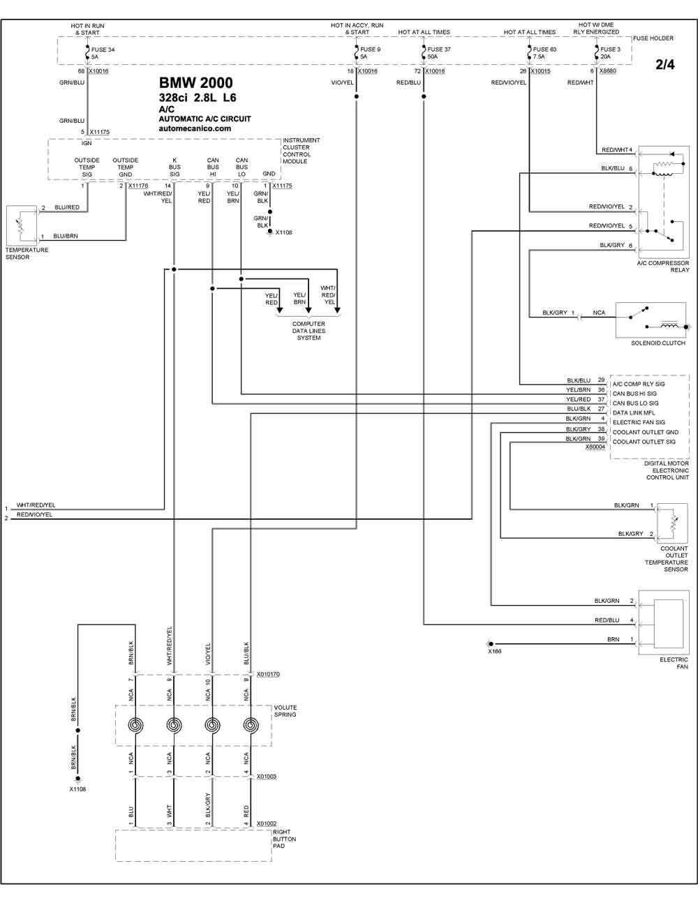
| 328ci | |
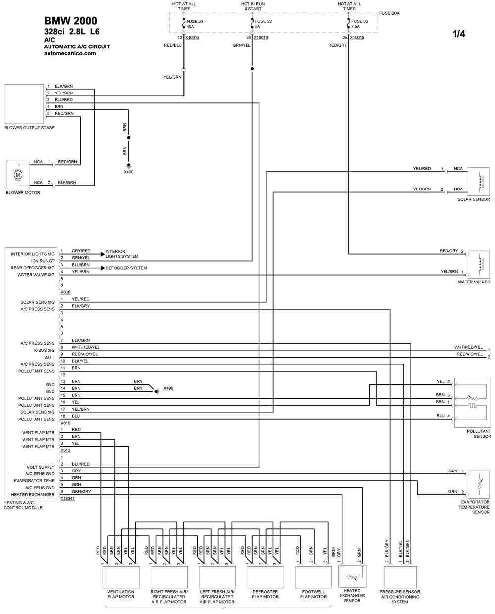
| 2.8L 6 CILINDROS 1/4 | AUTOMATIC A/C CIRCUIT |
| 2.8L 6 CILINDROS 2/4 | AUTOMATIC A/C CIRCUIT |
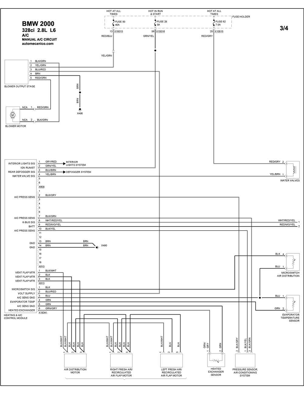
| 2.8L 6 CILINDROS 3/4 | MANUAL A/C CIRCUIT |
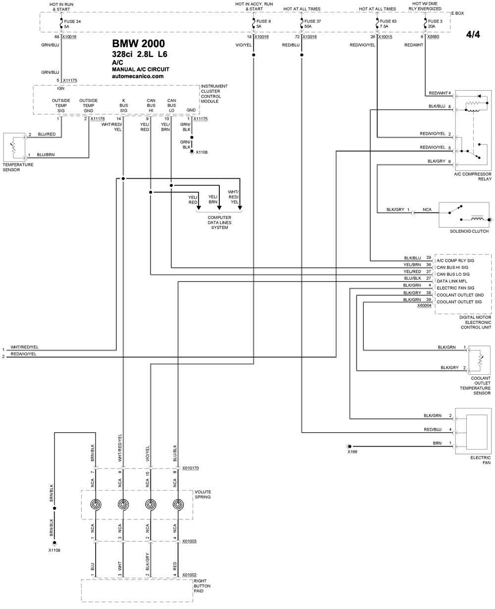
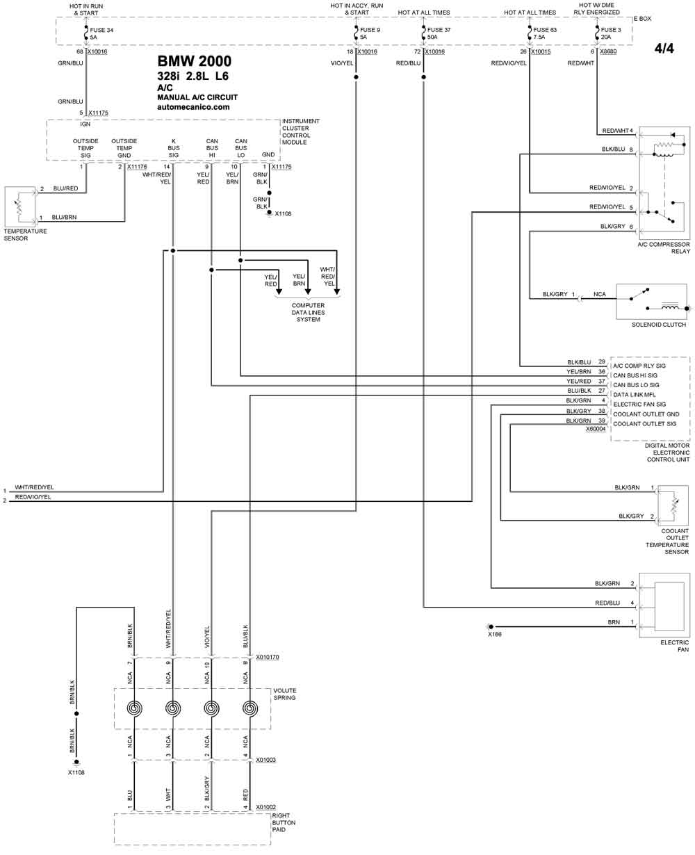
| 2.8L 6 CILINDROS 4/4 | MANUAL A/C CIRCUIT |
| 328i | |
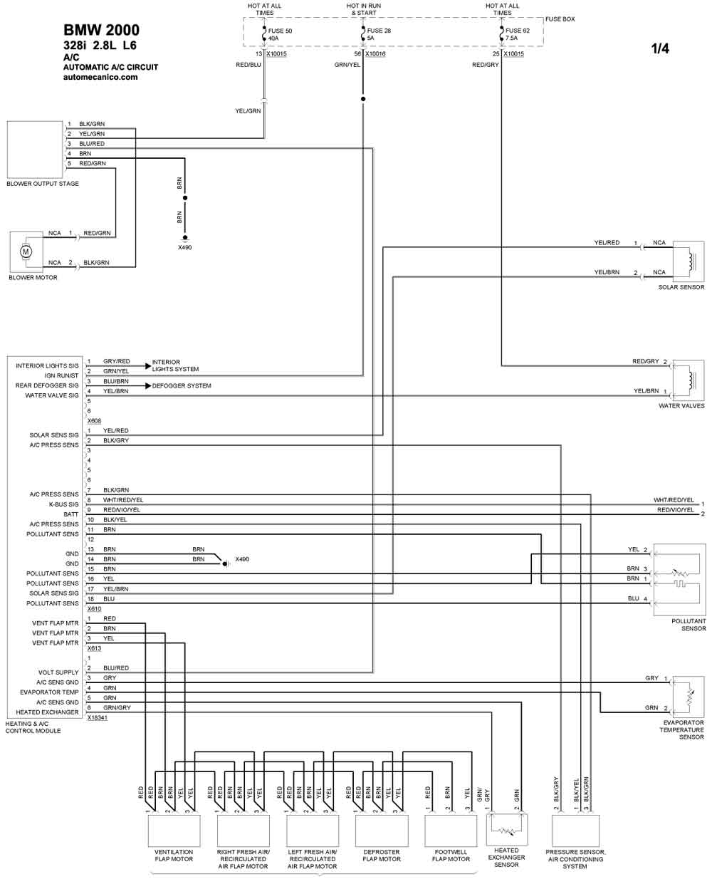
| 2.8L 6 CILINDROS 1/4 | AUTOMATIC A/C CIRCUIT |
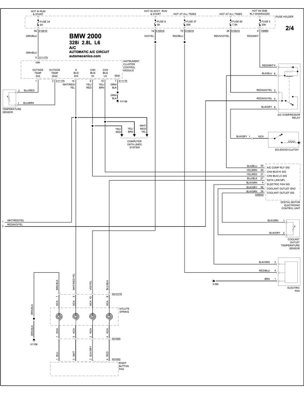
| 2.8L 6 CILINDROS 2/4 | AUTOMATIC A/C CIRCUIT |
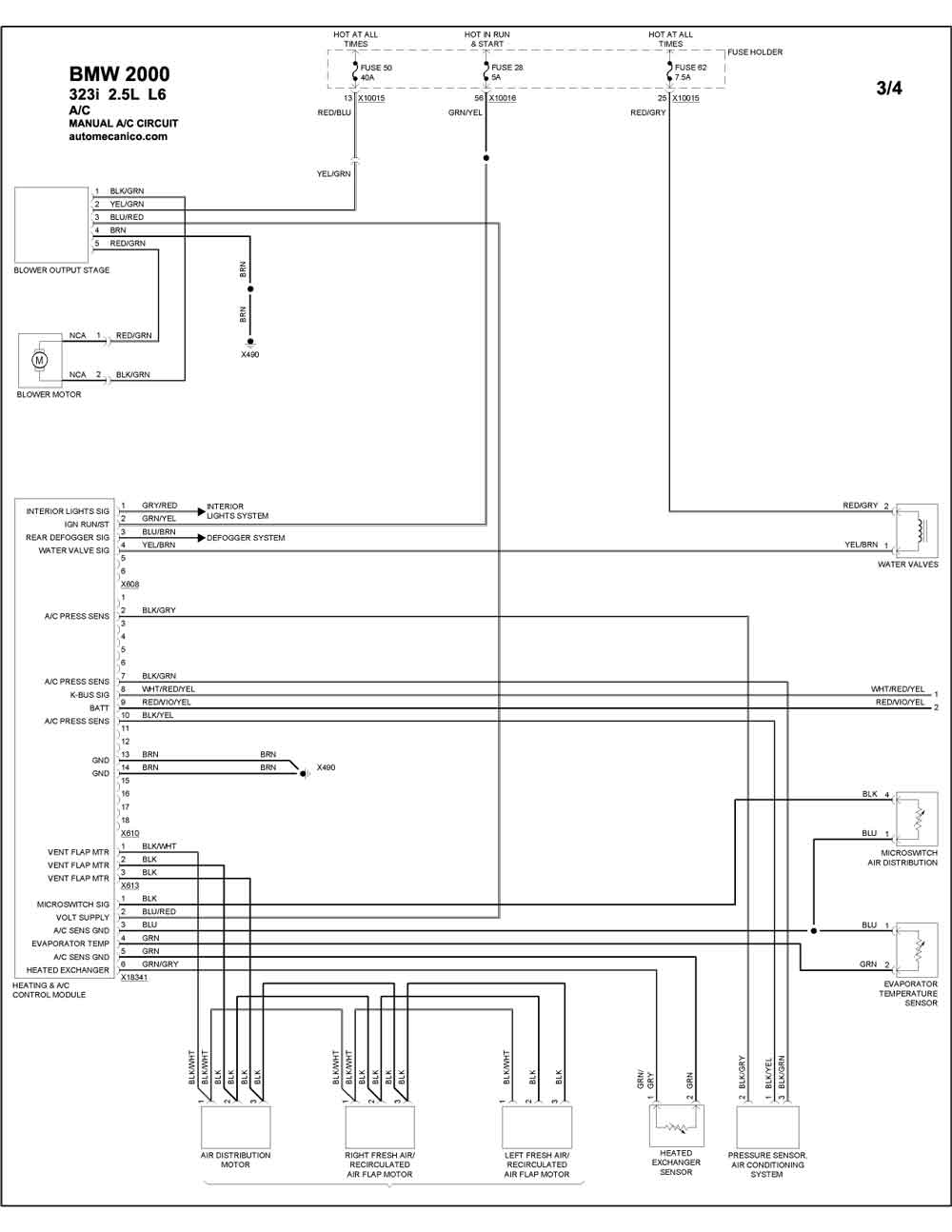
| 2.8L 6 CILINDROS 3/4 | MANUAL A/C CIRCUIT |
| 2.8L 6 CILINDROS 4/4 | MANUAL A/C CIRCUIT |
| Volver al indice principal |
