| DIAGRAMAS - A/C AIRE ACONDICIONADO - MECANICA AUTOMOTRIZ - FORD 2000 |
2000 - Diagramas FORD : Circuito Electrico - Aire Acondicionado - 2000 |
| Los Diagramas, listados abajo, se refieren unicamente al Circuito electrico que involucra: AIRE ACONDICIONADO - FORD 2000 |
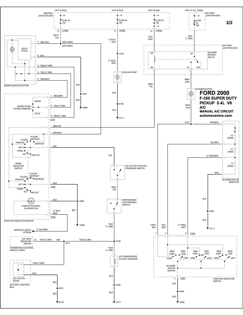
| F-350 SUPER DUTY PICKUP | |
| 5.4L 8 CILINDROS | HEATER CIRCUIT 1/2 |
| 5.4L 8 CILINDROS | MANUAL A/C CIRCUIT 2/2 |
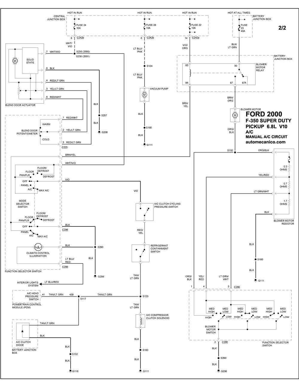
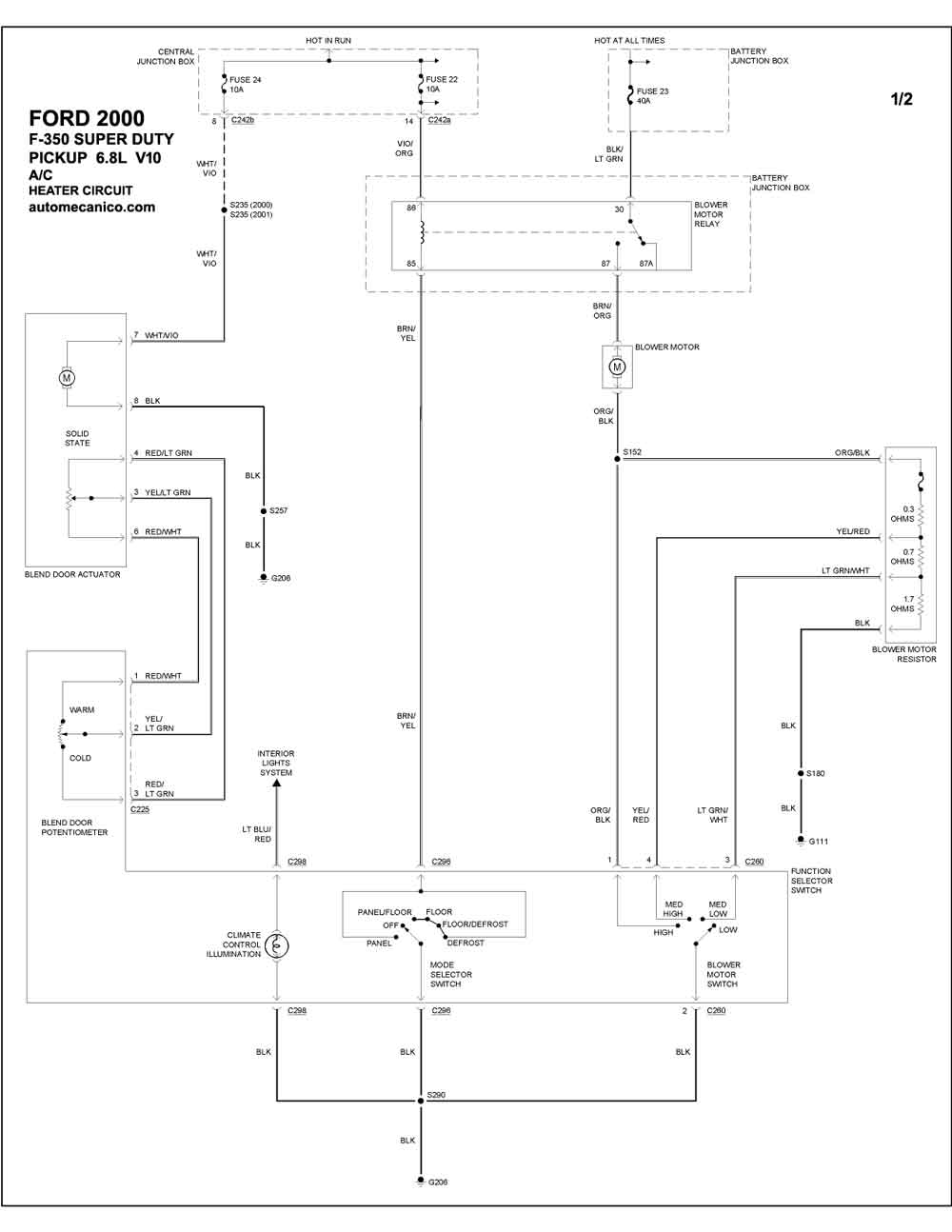
| F-350 SUPER DUTY PICKUP | |
| 6.8L 10 CILINDROS | HEATER CIRCUIT 1/2 |
| 6.8L 10 CILINDROS | MANUAL A/C CIRCUIT 2/2 |
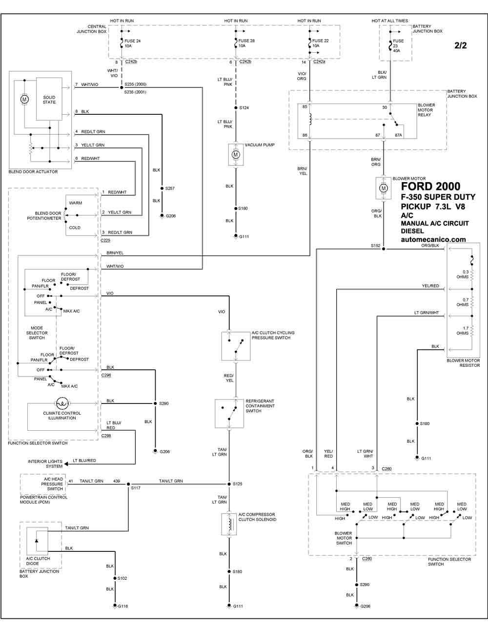
| F-350 SUPER DUTY PICKUP [DIESEL] | |
| 7.3L 8 CILINDROS | HEATER CIRCUIT 1/2 |
| 7.3L 8 CILINDROS | MANUAL A/C CIRCUIT 2/2 |
| F-450 SUPER DUTY PICKUP | |
| 6.8L 10 CILINDROS | HEATER CIRCUIT 1/2 |
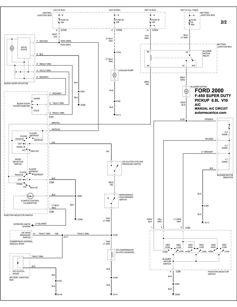
| 6.8L 10 CILINDROS | MANUAL A/C CIRCUIT 2/2 |
| F-450 SUPER DUTY PICKUP [DIESEL] | |
| 7.3L 8 CILINDROS | HEATER CIRCUIT 1/2 |
| 7.3L 8 CILINDROS | MANUAL A/C CIRCUIT 2/2 |
| Volver al indice principal |
