| DIAGRAMAS - A/C AIRE ACONDICIONADO - MECANICA AUTOMOTRIZ - LINCOLN 2000 |
2000 - Diagramas LINCOLN : Circuito Electrico - Aire Acondicionado - 2000 |
| Los Diagramas, listados abajo, se refieren unicamente al Circuito electrico que involucra: AIRE ACONDICIONADO - LINCOLN 2000 |
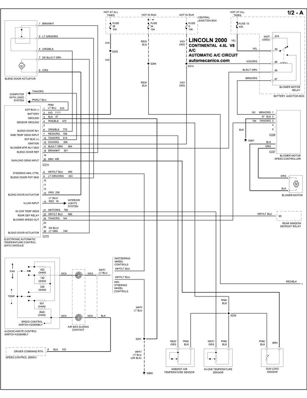
| CONTINENTAL | |
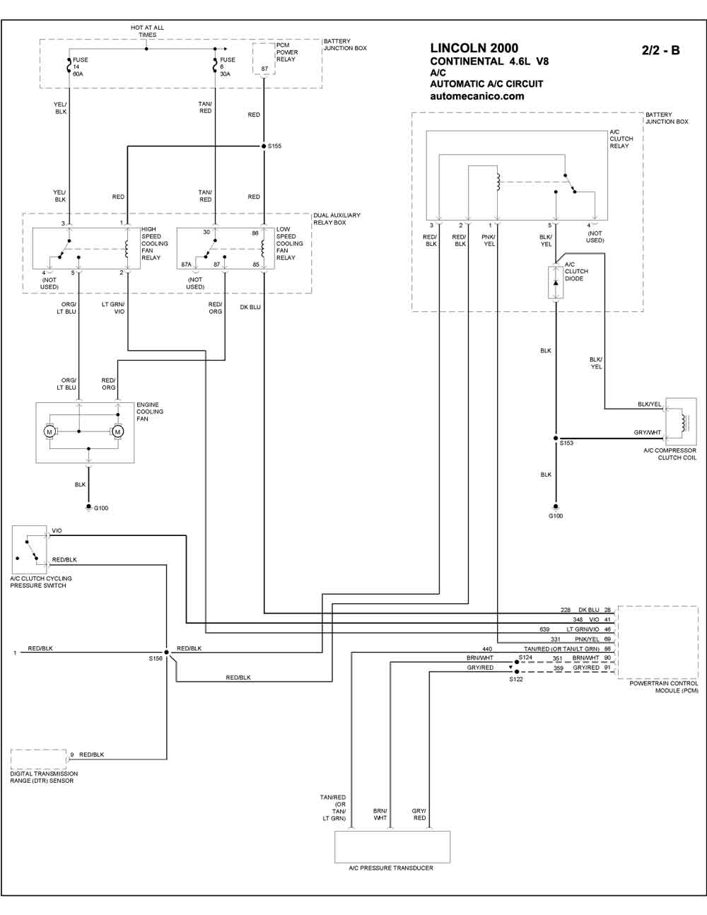
| 4.6L 8 CILINDROS | AUTOMATIC A/C CIRCUIT 1/2A |
| 4.6L 8 CILINDROS | AUTOMATIC A/C CIRCUIT 2/2B |
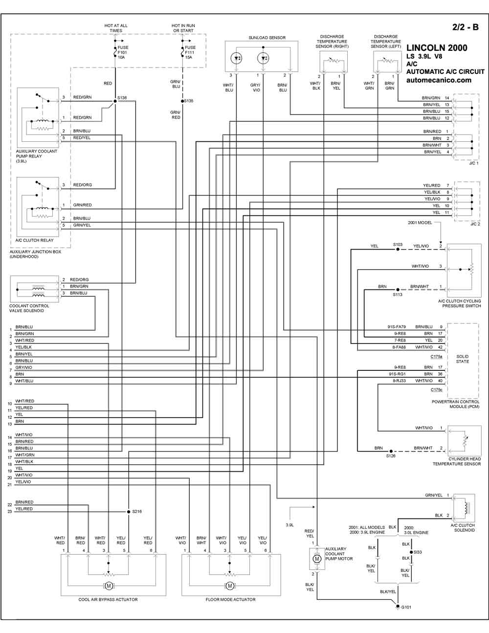
| LS | |
| 3.0L 6 CILINDROS | AUTOMATIC A/C CIRCUIT 1/2A |
| 3.0L 6 CILINDROS | AUTOMATIC A/C CIRCUIT 2/2B |
| LS | |
| 3.9L 8 CILINDROS | AUTOMATIC A/C CIRCUIT 1/2A |
| 3.9L 8 CILINDROS | AUTOMATIC A/C CIRCUIT 2/2B |
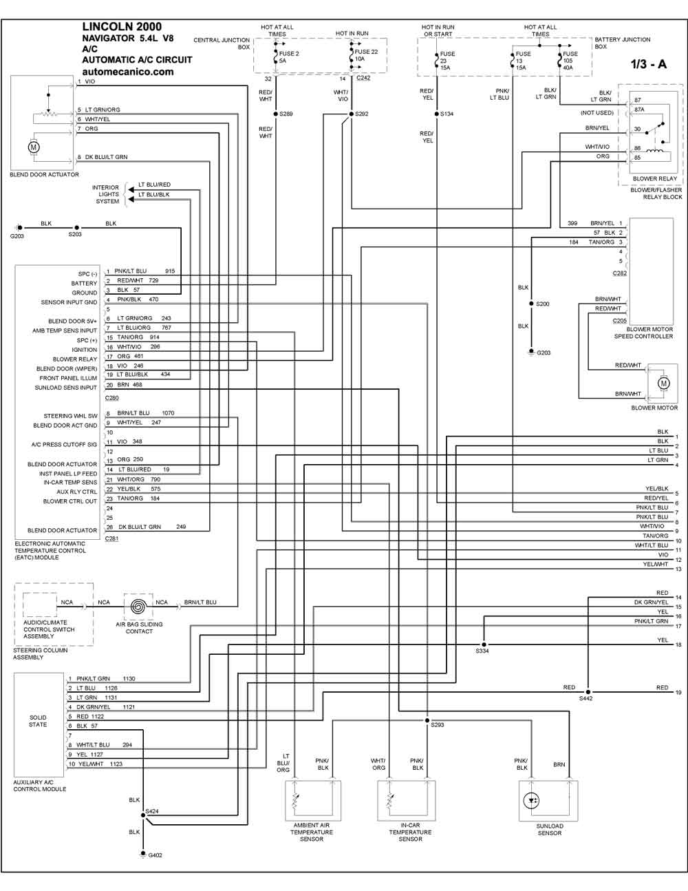
| NAVIGATOR | |
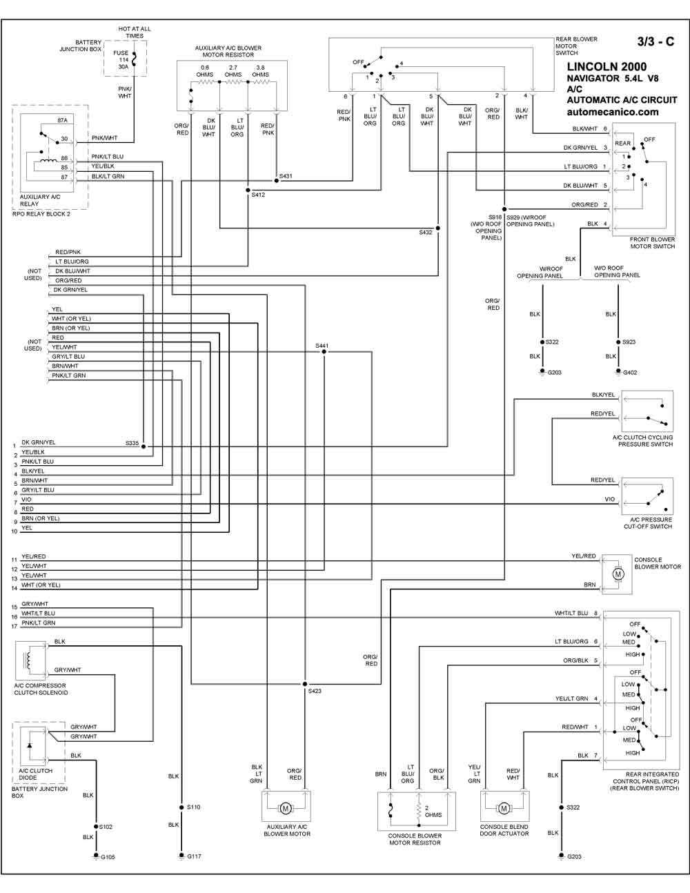
| 5.4L 8 CILINDROS | AUTOMATIC A/C CIRCUIT 1/3A |
| 5.4L 8 CILINDROS | AUTOMATIC A/C CIRCUIT 2/3B |
| 5.4L 8 CILINDROS | AUTOMATIC A/C CIRCUIT 3/3C |
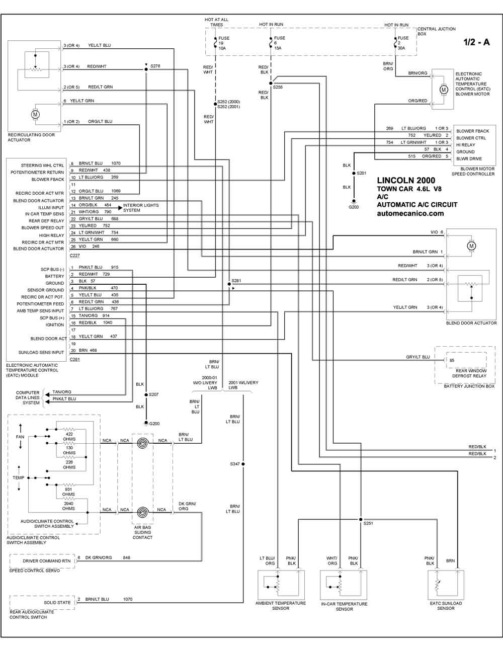
| TOWN CAR | |
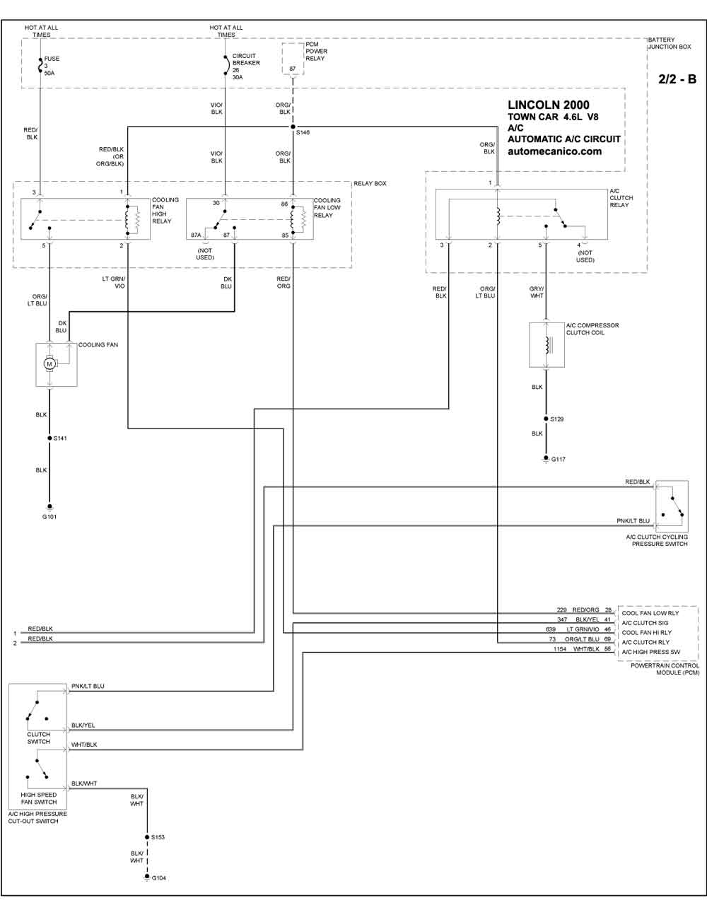
| 4.6L 8 CILINDROS | AUTOMATIC A/C CIRCUIT 1/2A |
| 4.6L 8 CILINDROS | AUTOMATIC A/C CIRCUIT 2/2B |
| Volver al indice principal |
