| DIAGRAMAS - A/C AIRE ACONDICIONADO - MECANICA AUTOMOTRIZ - NISSAN 2000 |
2000 - Diagramas NISSAN : Circuito Electrico - Aire Acondicionado - 2000 |
| Los Diagramas, listados abajo, se refieren unicamente al Circuito electrico que involucra: AIRE ACONDICIONADO - NISSAN 2000 |
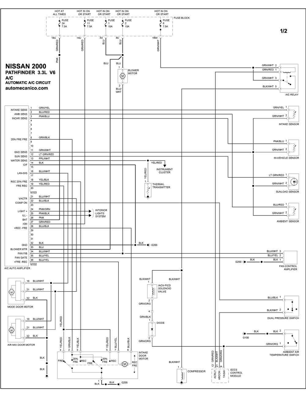
| PATHFINDER | |
| 3.3L 6 CILINDROS 1/2 | AUTOMATIC A/C CIRCUIT |
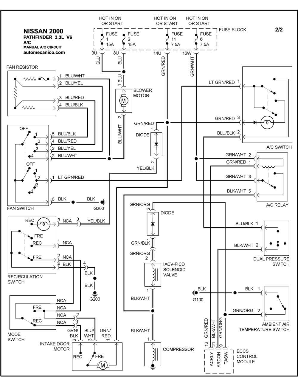
| 3.3L 6 CILINDROS 2/2 | MANUAL A/C CIRCUIT |
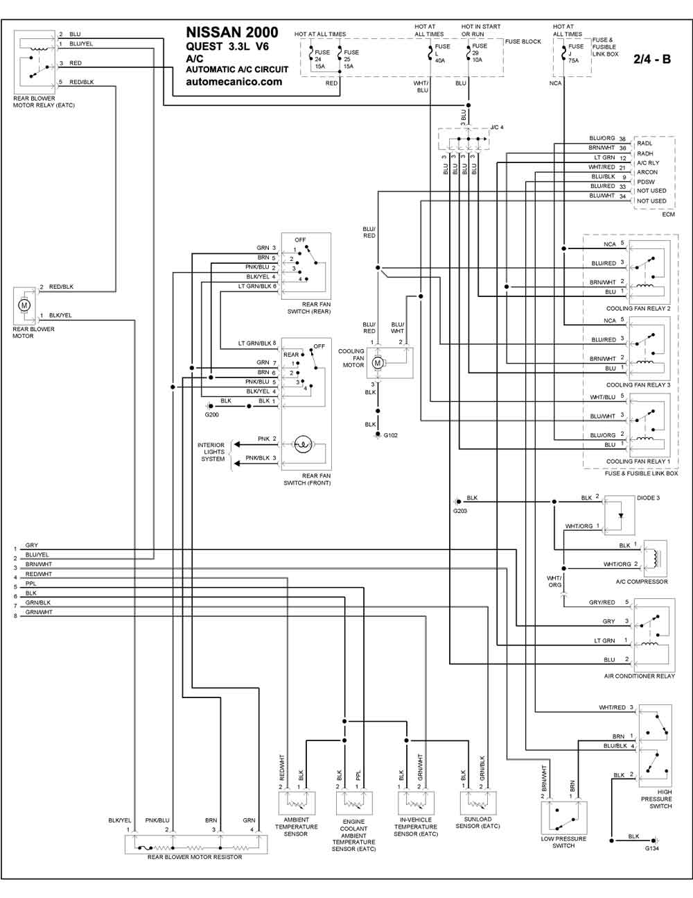
| QUEST | |
| 3.3L 6 CILINDROS 1/4A | AUTOMATIC A/C CIRCUIT |
| 3.3L 6 CILINDROS 2/4B | AUTOMATIC A/C CIRCUIT |
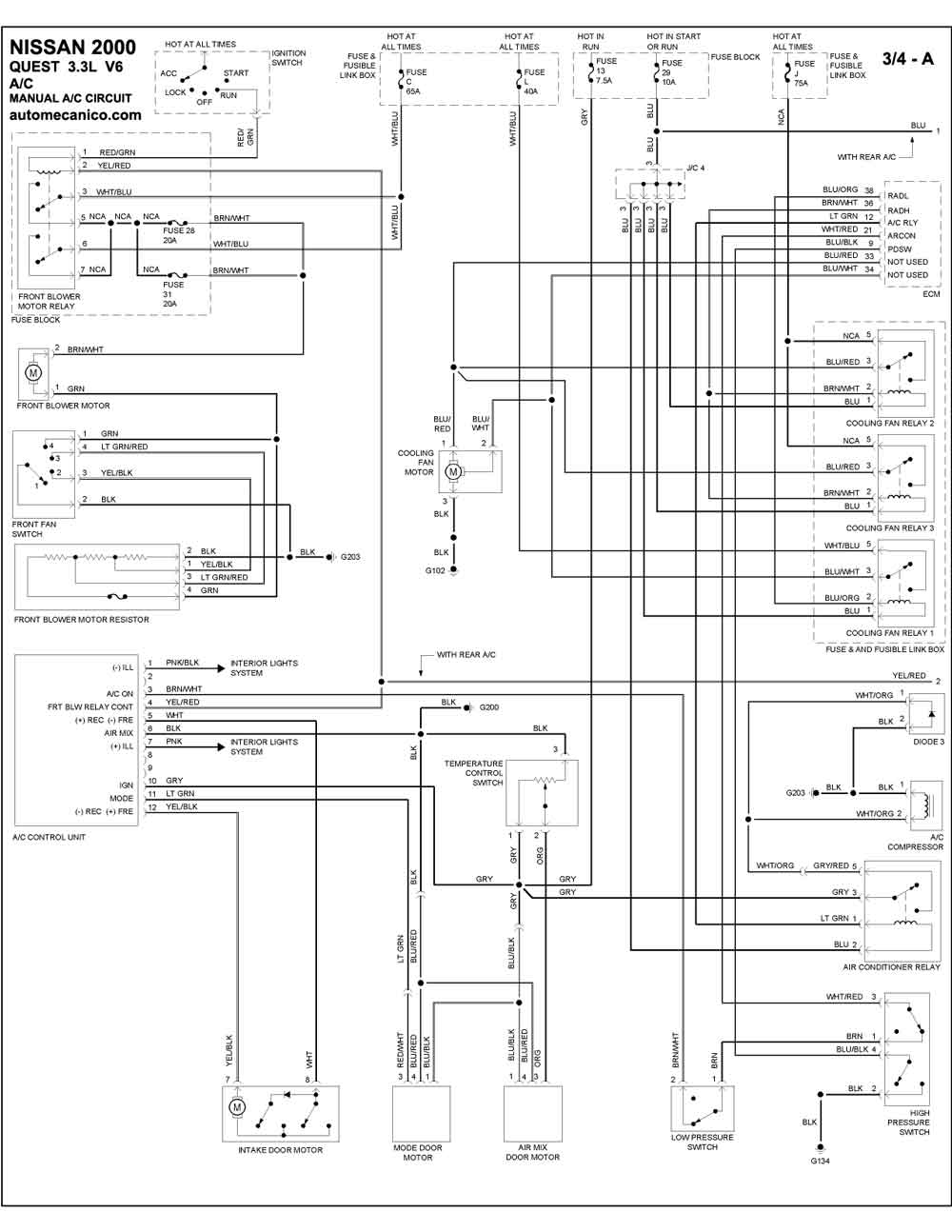
| 3.3L 6 CILINDROS 3/4A | MANUAL A/C CIRCUIT |
| 3.3L 6 CILINDROS 4/4B | MANUAL A/C CIRCUIT |
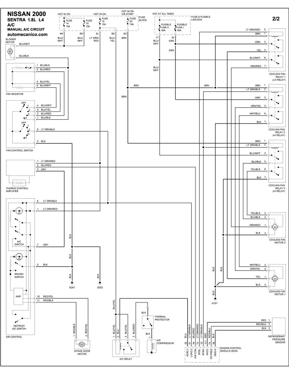
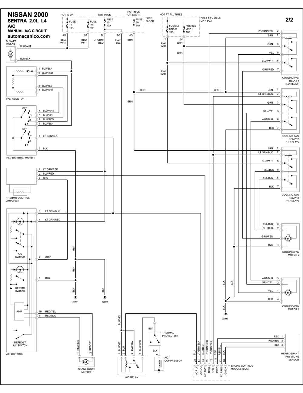
| SENTRA | |
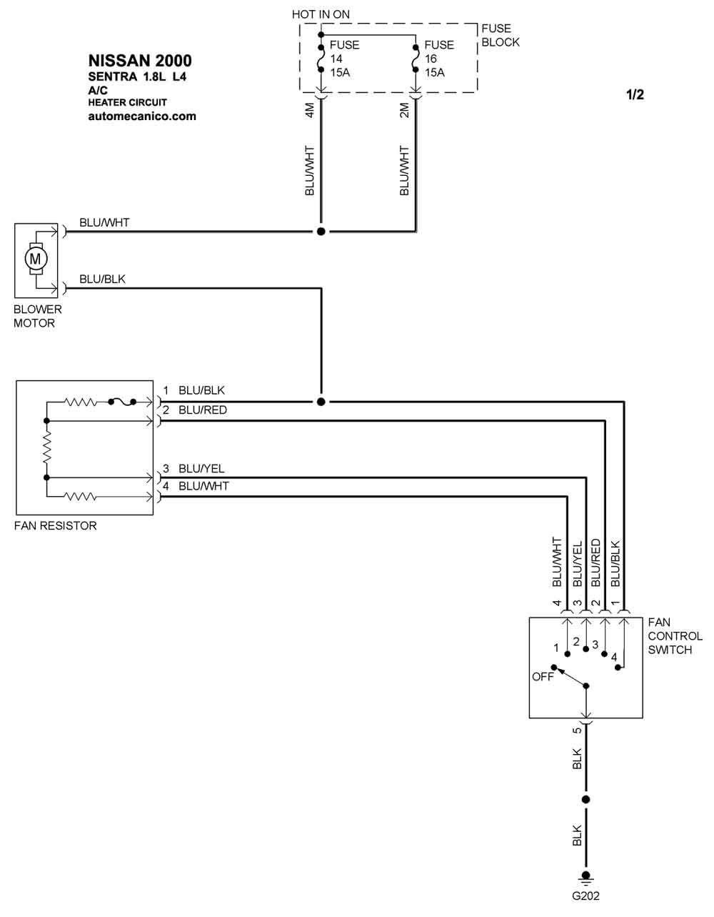
| 1.8L 4 CILINDROS 1/2 | HEATER A/C CIRCUIT |
| 1.8L 4 CILINDROS 2/2 | MANUAL A/C CIRCUIT |
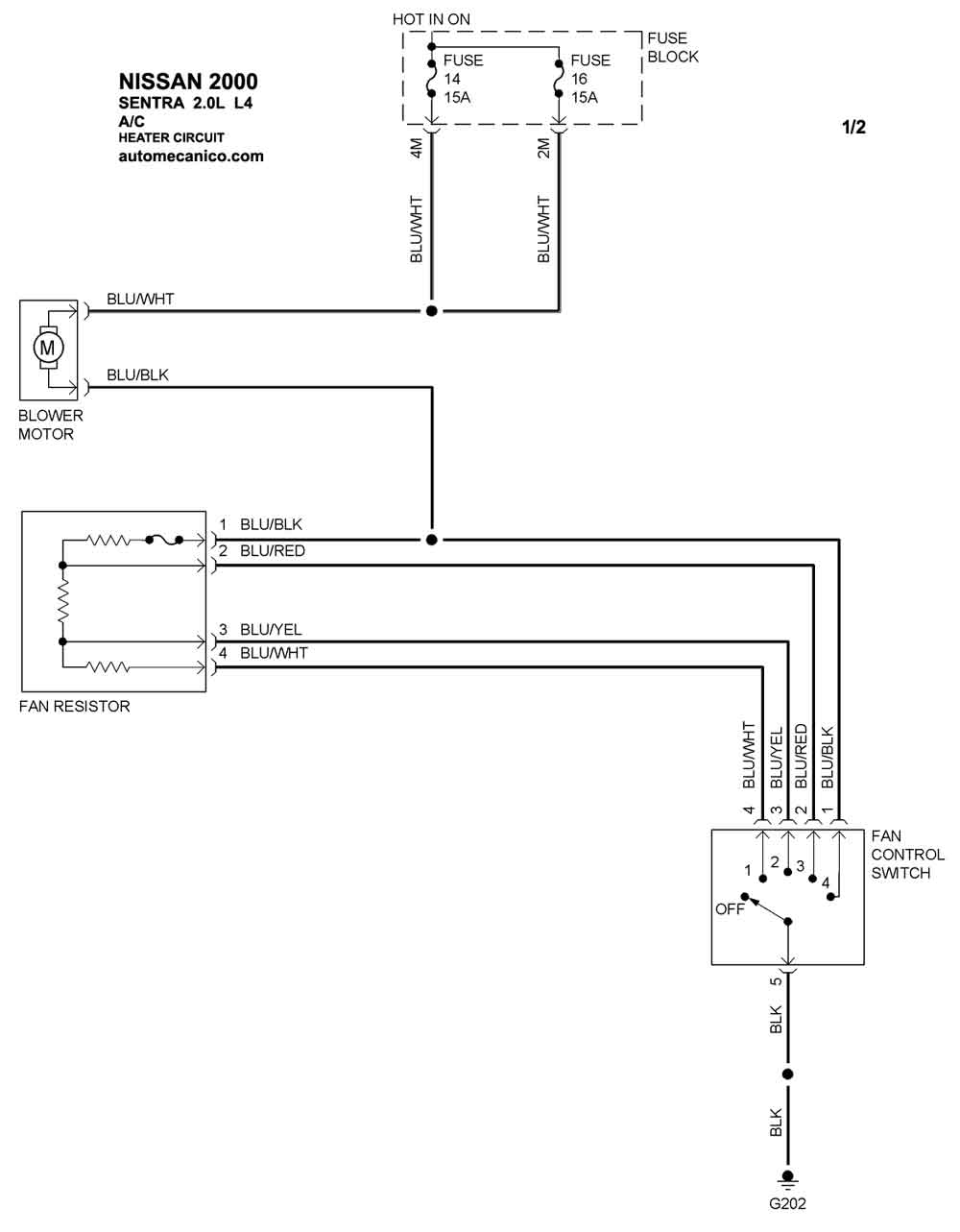
| 2.0L 4 CILINDROS 1/2 | HEATER A/C CIRCUIT |
| 2.0L 4 CILINDROS 2/2 | MANUAL A/C CIRCUIT |
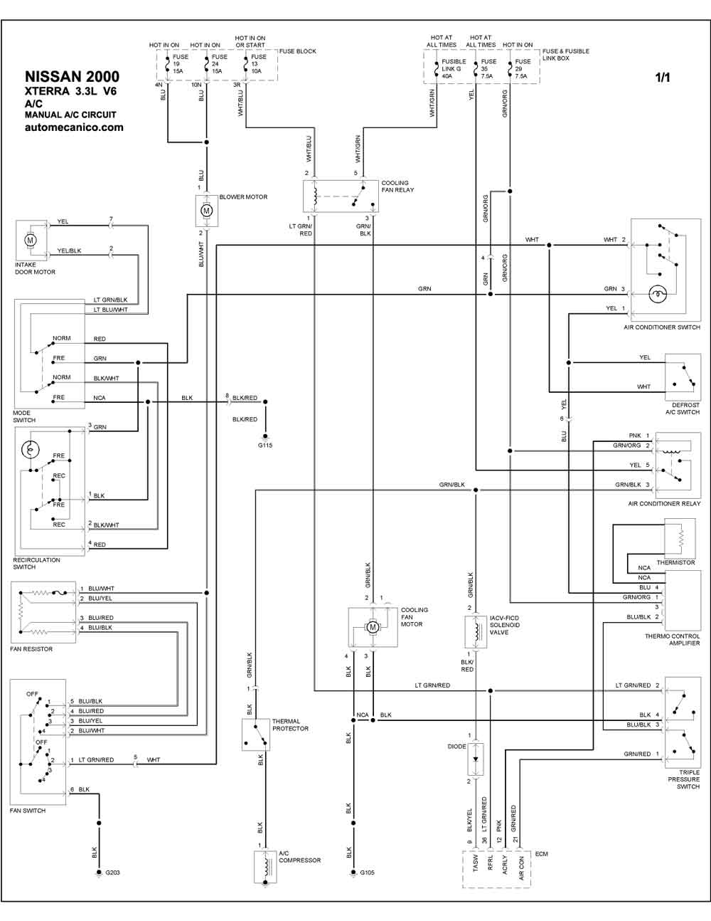
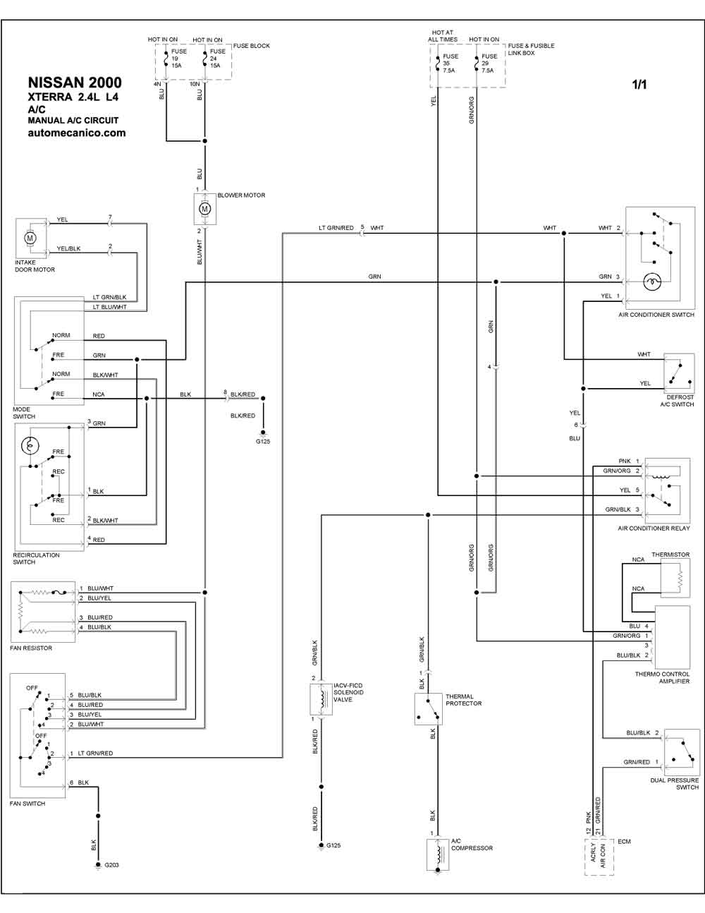
| XTERRA | |
| 2.4L 4 CILINDROS 1/1 | MANUAL A/C CIRCUIT |
| 3.3L 6 CILINDROS 1/1 | MANUAL A/C CIRCUIT |
| Volver al indice principal |
