| DIAGRAMAS - A/C AIRE ACONDICIONADO - MECANICA AUTOMOTRIZ - PONTIAC 2000 |
2000 - Diagramas PONTIAC : Circuito Electrico - Aire Acondicionado - 2000 |
| Los Diagramas, listados abajo, se refieren unicamente al Circuito electrico que involucra: AIRE ACONDICIONADO - PONTIAC 2000 |
| BONNNEVILLE | |
| 3.8L 6 CILINDROS | AUTOMATIC A/C CIRCUIT 1/5A |
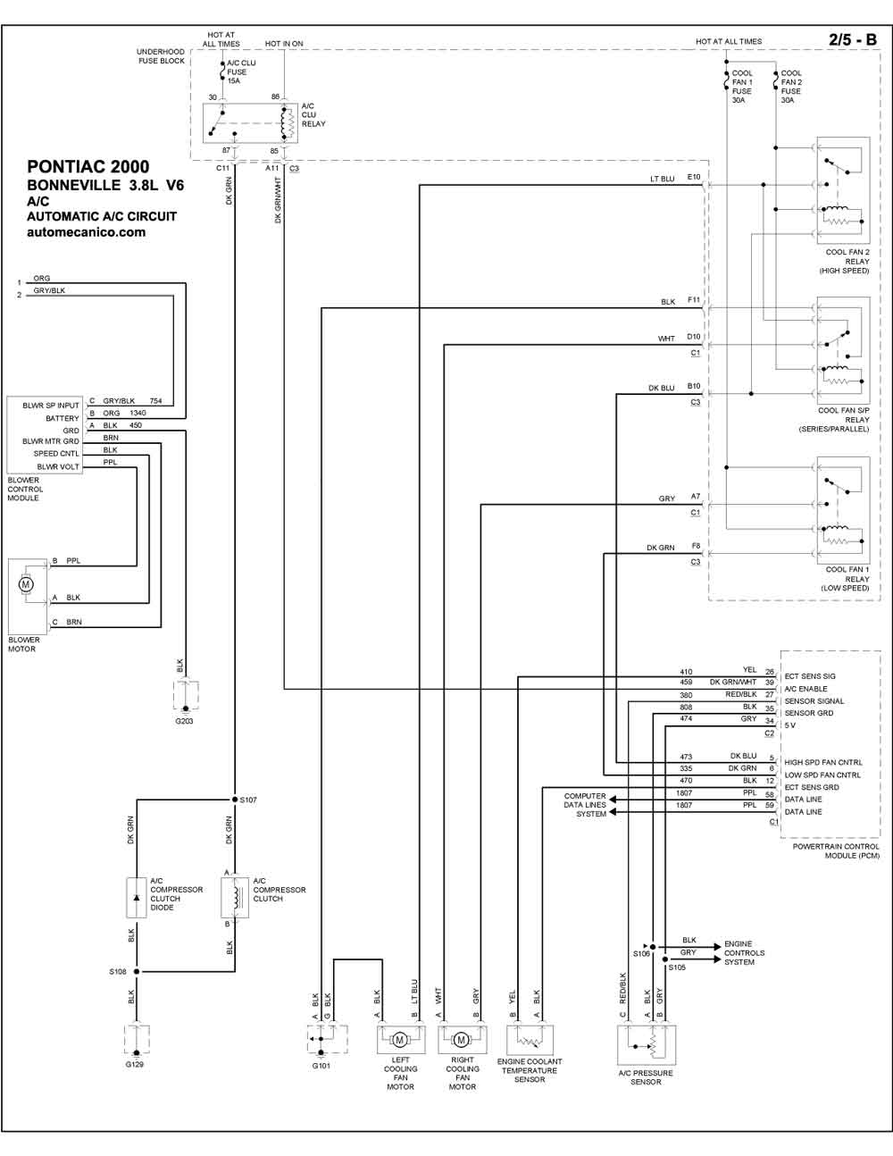
| 3.8L 6 CILINDROS | AUTOMATIC A/C CIRCUIT 2/5B |
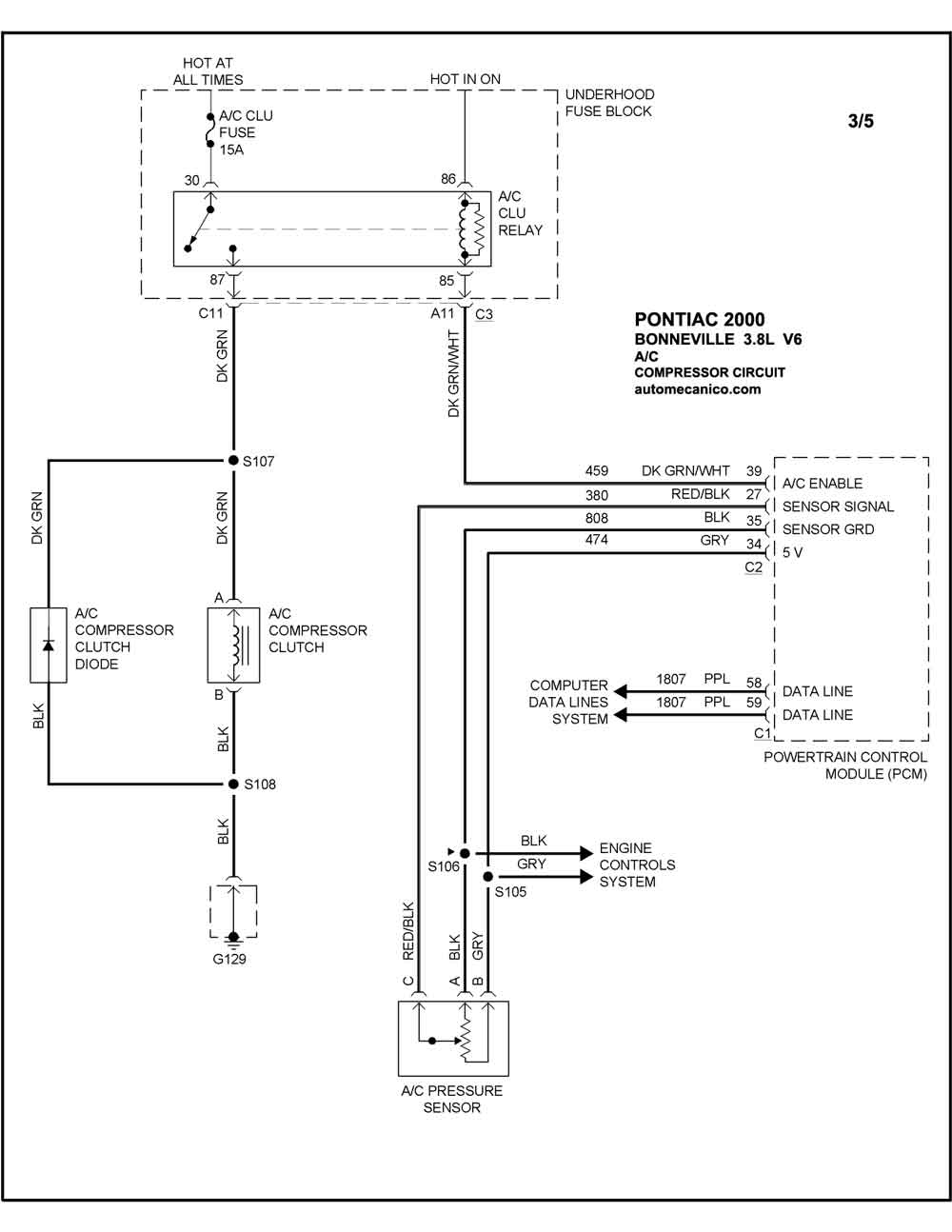
| 3.8L 6 CILINDROS | COMPRESSOR CIRCUIT 3/5 |
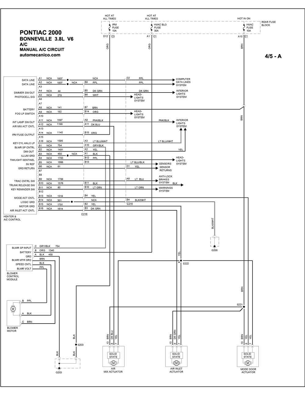
| 3.8L 6 CILINDROS | MANUAL A/C CIRCUIT 4/5A |
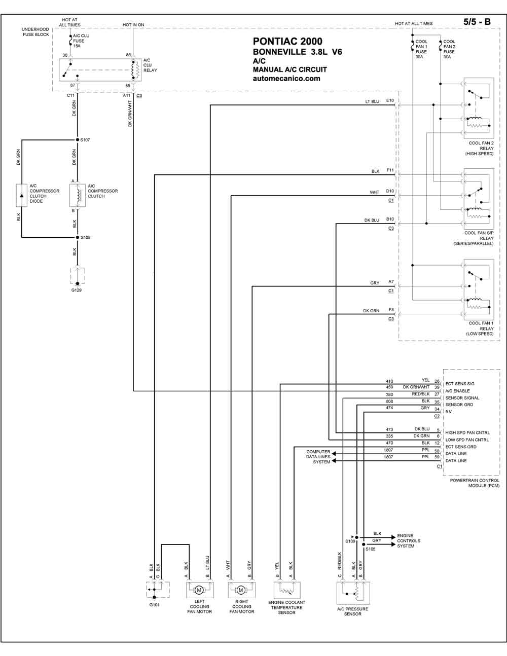
| 3.8L 6 CILINDROS | MANUAL A/C CIRCUIT 4/5B |
| FIREBIRD | |
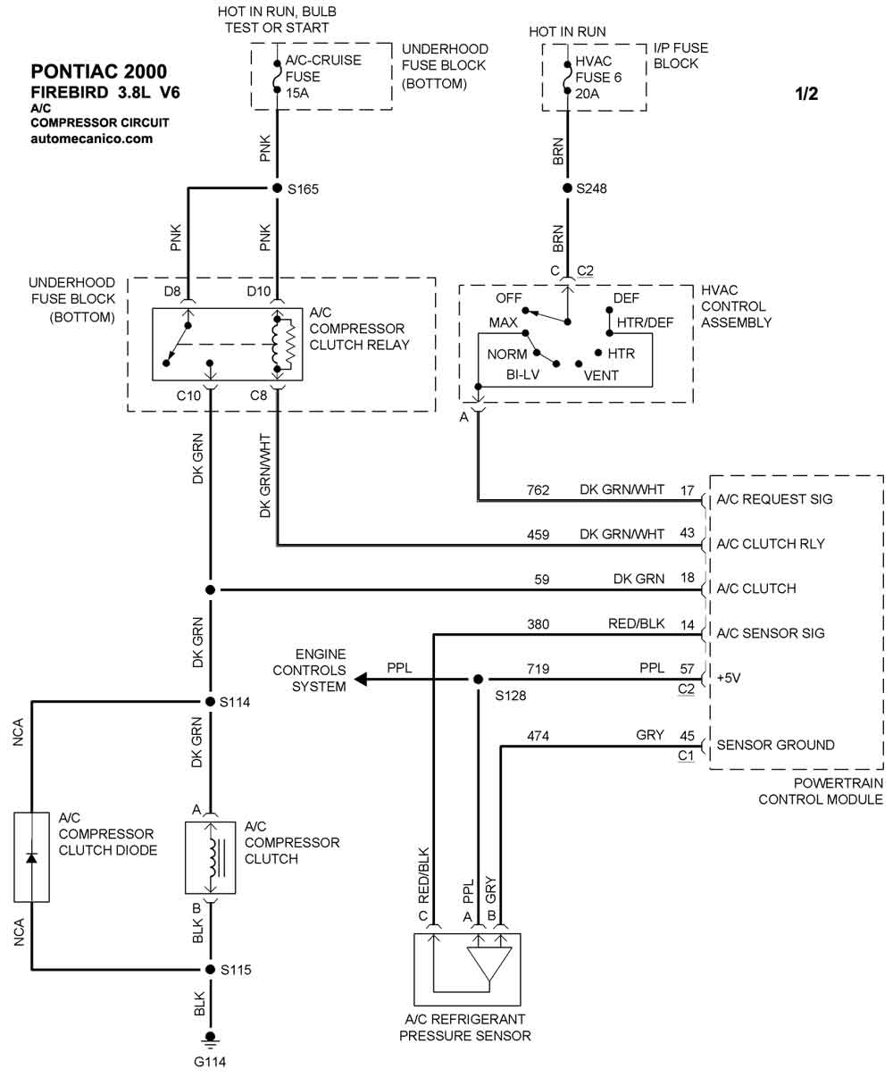
| 3.8L 6 CILINDROS | COMPRESSOR CIRCUIT 1/2 |
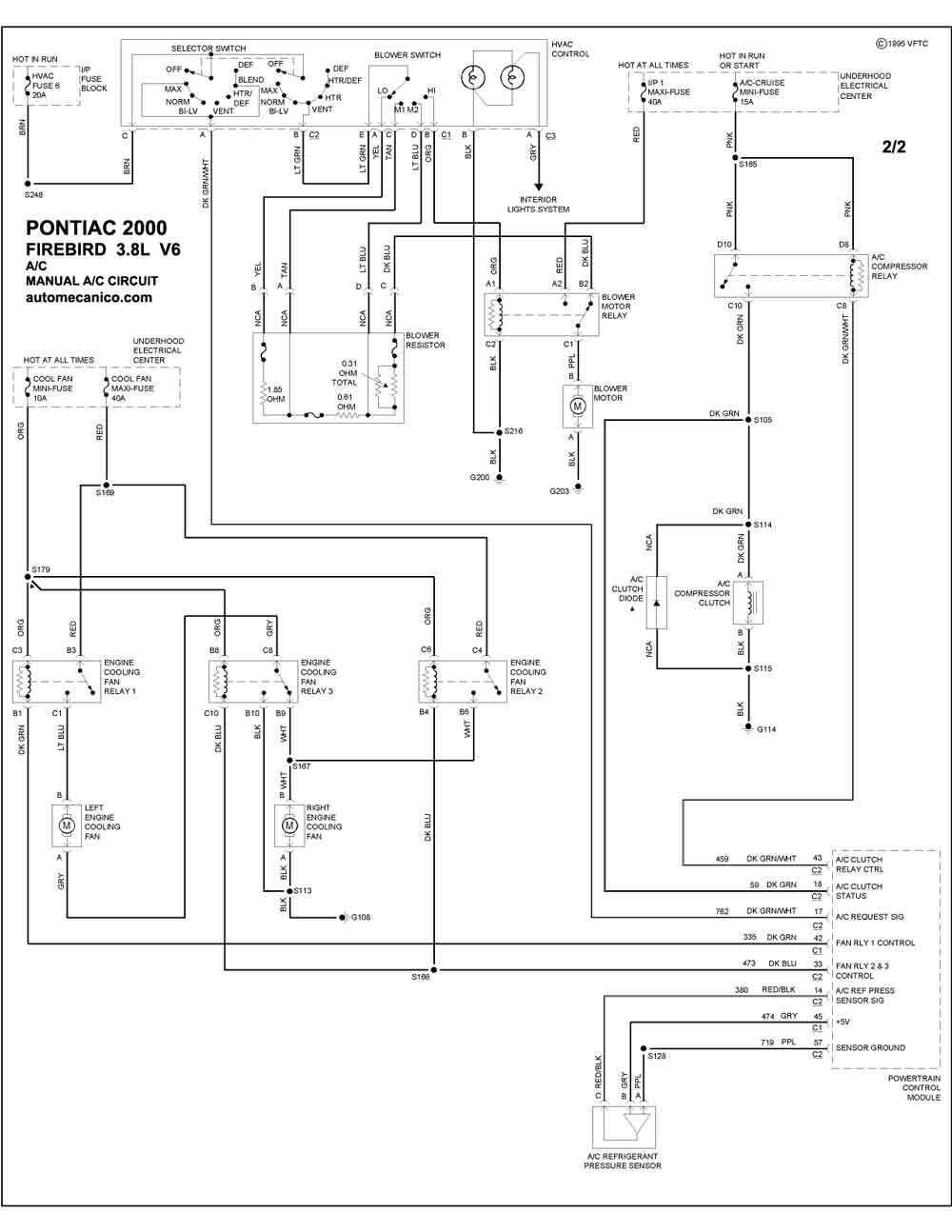
| 3.8L 6 CILINDROS | MANUAL A/C CIRCUIT 2/2 |
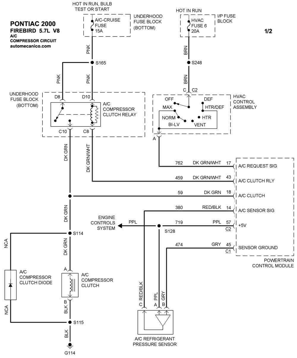
| 5.7L 8 CILINDROS | COMPRESSOR CIRCUIT 1/2 |
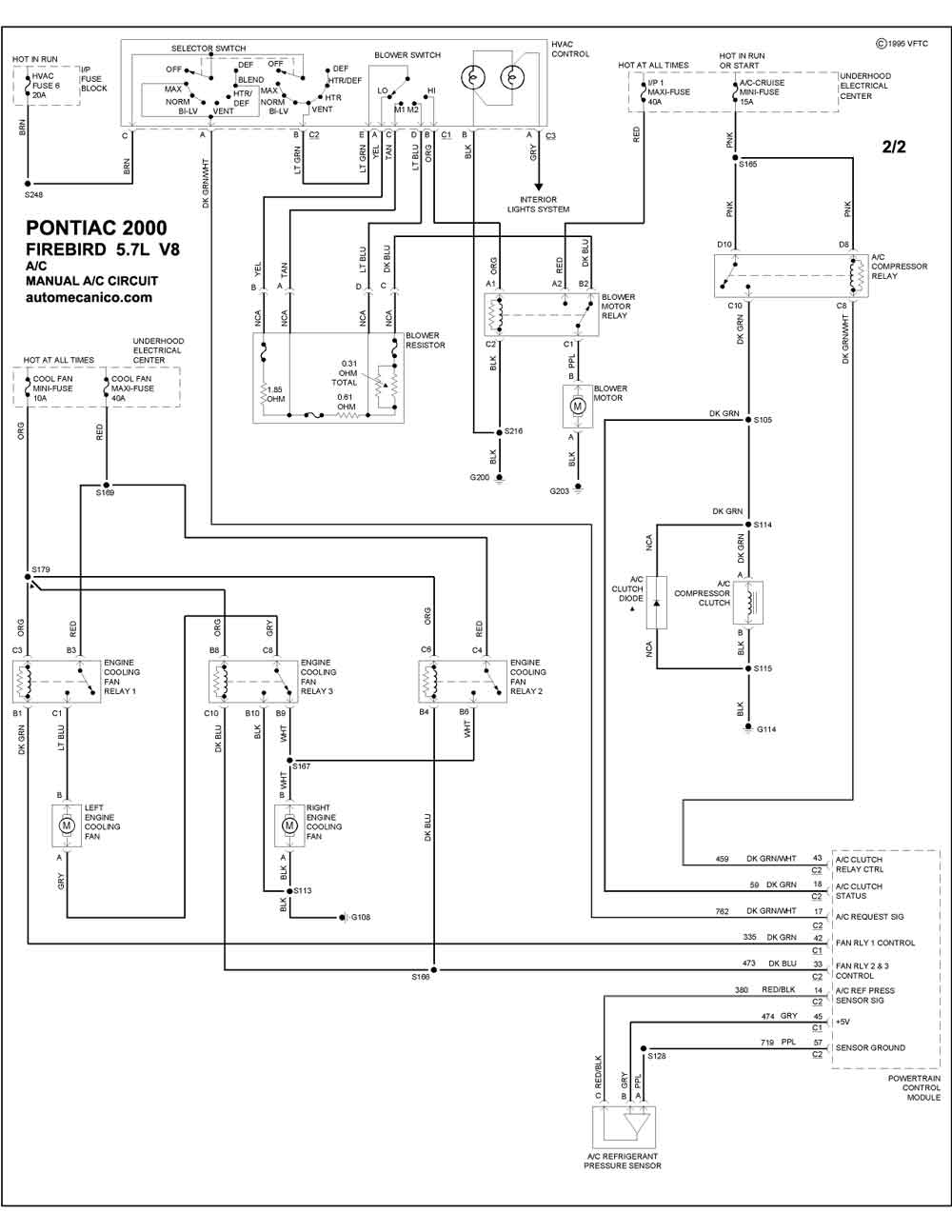
| 5.7L 8 CILINDROS | MANUAL A/C CIRCUIT 2/2 |
| GRAND AND | |
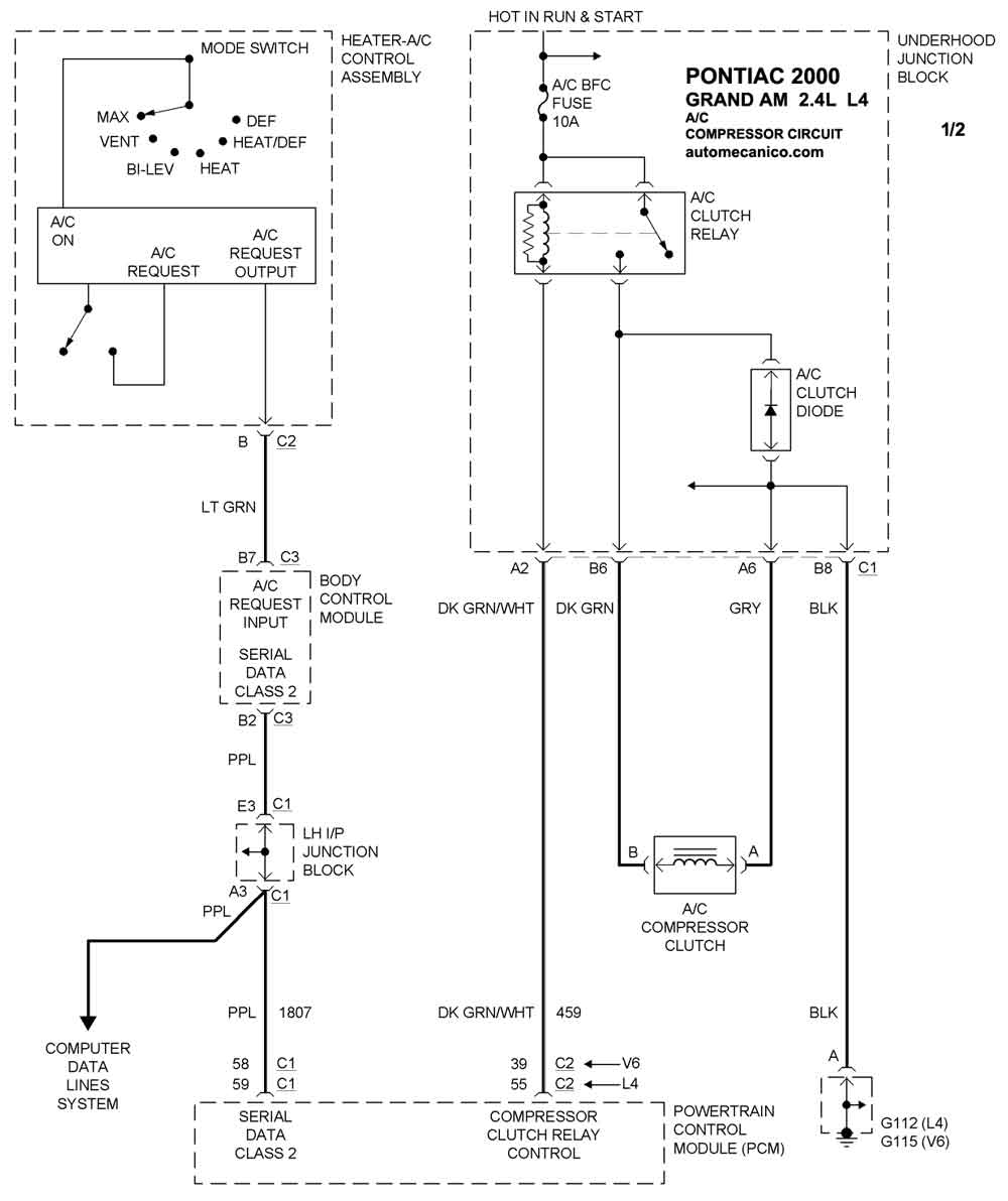
| 2.4L 4 CILINDROS | COMPRESSOR CIRCUIT 1/2 |
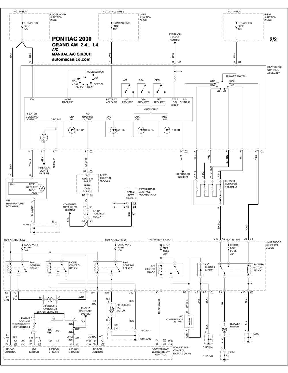
| 2.4L 4 CILINDROS | MANUAL A/C CIRCUIT 2/2 |
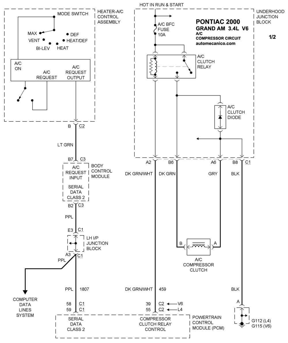
| 3.4L 6 CILINDROS | COMPRESSOR CIRCUIT 1/2 |
| 3.4L 6 CILINDROS | MANUAL A/C CIRCUIT 2/2 |
| Volver al indice principal |
