| DIAGRAMAS - A/C AIRE ACONDICIONADO - MECANICA AUTOMOTRIZ - PONTIAC 2000 |
2000 - Diagramas PONTIAC : Circuito Electrico - Aire Acondicionado - 2000 |
| Los Diagramas, listados abajo, se refieren unicamente al Circuito electrico que involucra: AIRE ACONDICIONADO - PONTIAC 2000 |
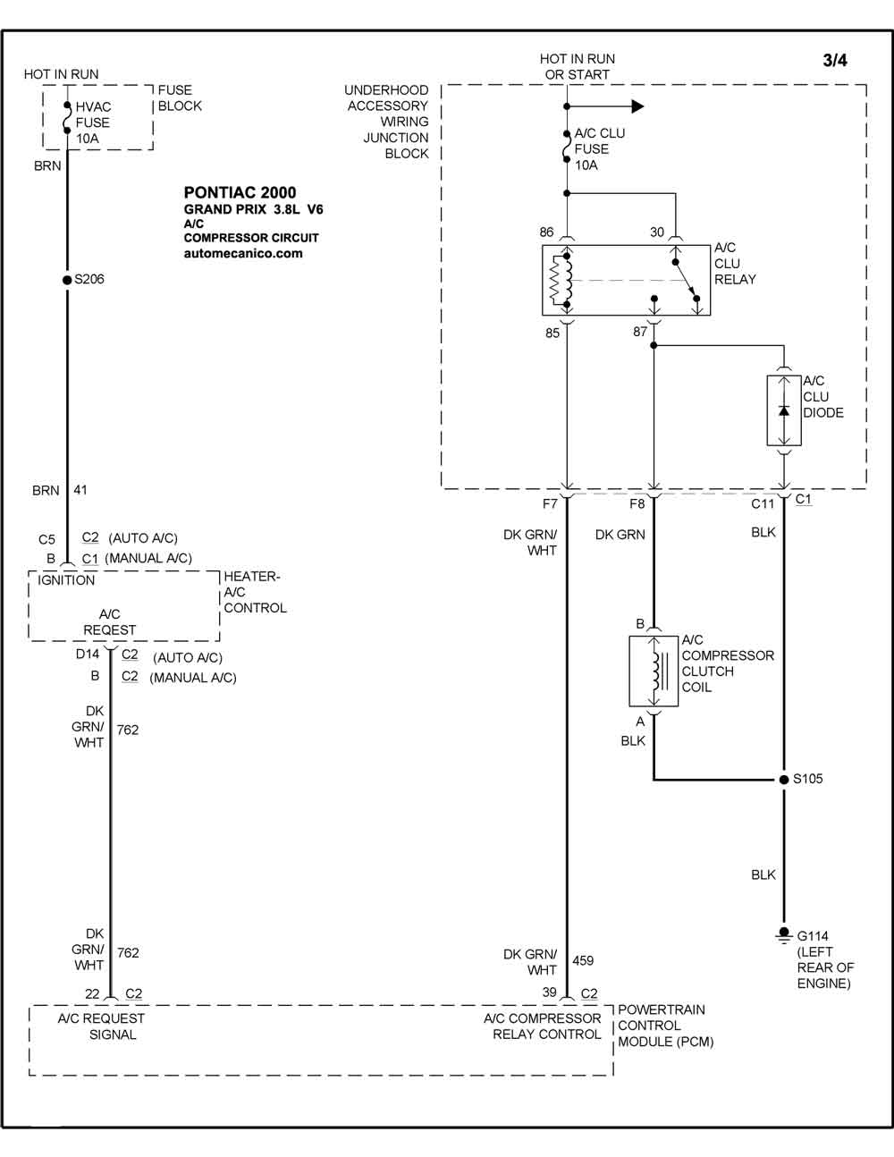
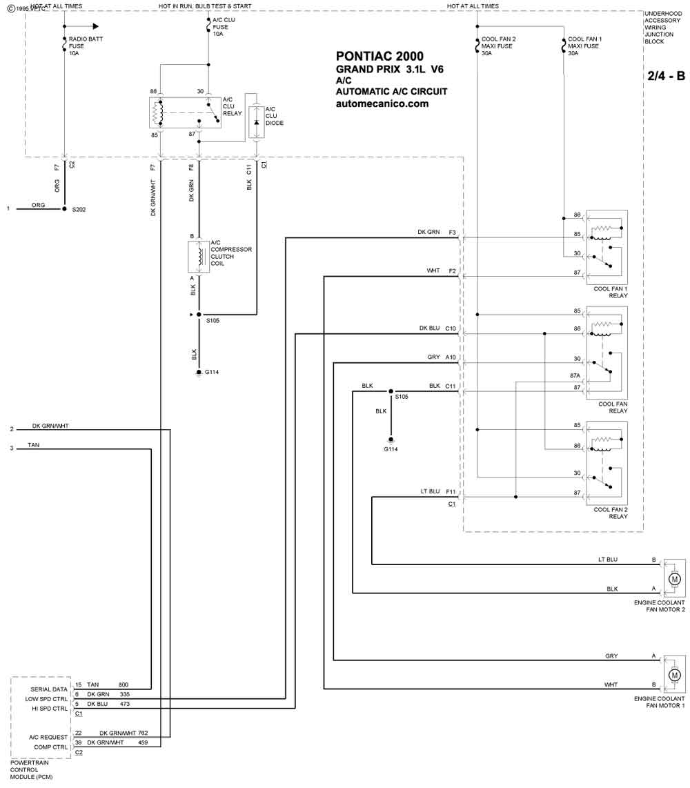
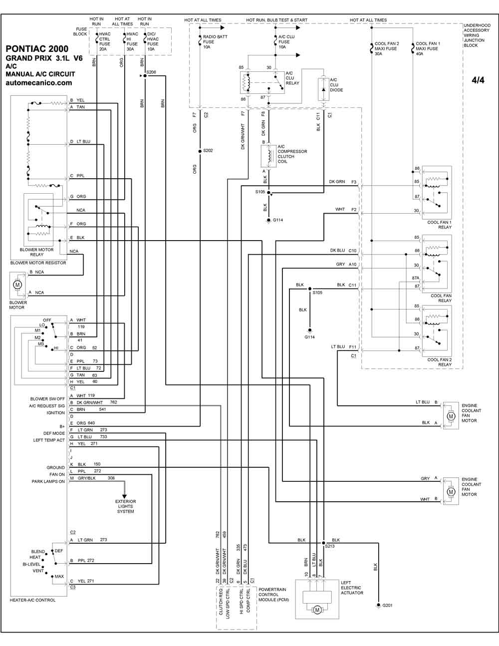
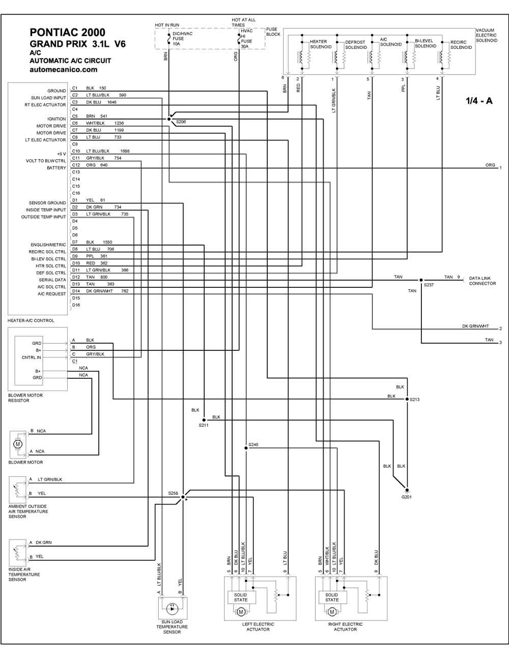
| GRAND PRIX | |
| 3.1L 6 CILINDROS | AUTOMATIC A/C CIRCUIT 1/4A |
| 3.1L 6 CILINDROS | AUTOMATIC A/C CIRCUIT 2/4B |
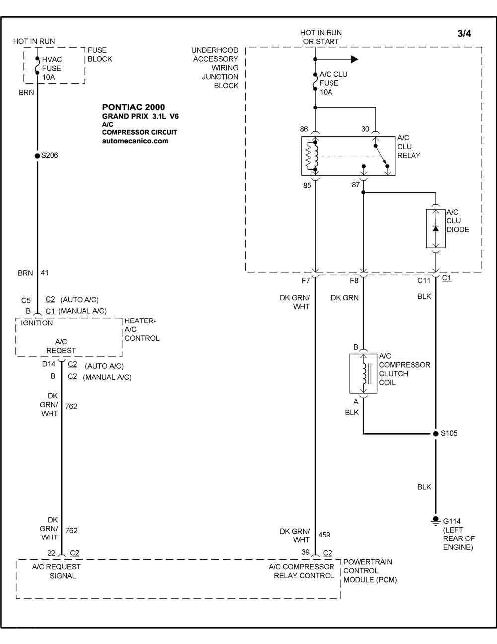
| 3.1L 6 CILINDROS | COMPRESSOR CIRCUIT 3/4 |
| 3.1L 6 CILINDROS | MANUAL A/C CIRCUIT 4/4 |
| 3.8L 6 CILINDROS | AUTOMATIC A/C CIRCUIT 1/4A |
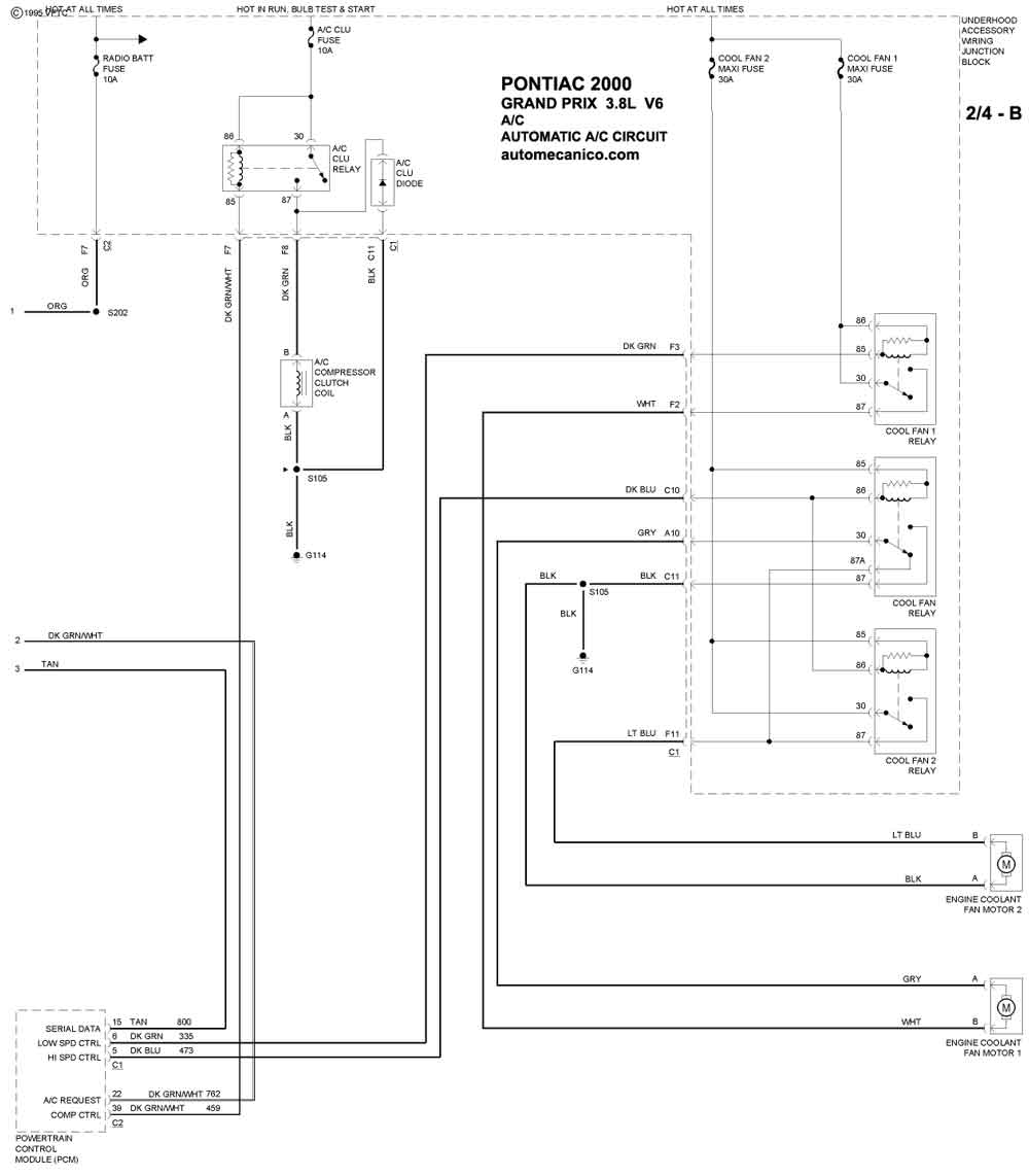
| 3.8L 6 CILINDROS | AUTOMATIC A/C CIRCUIT 2/4B |
| 3.8L 6 CILINDROS | COMPRESSOR CIRCUIT 3/4 |
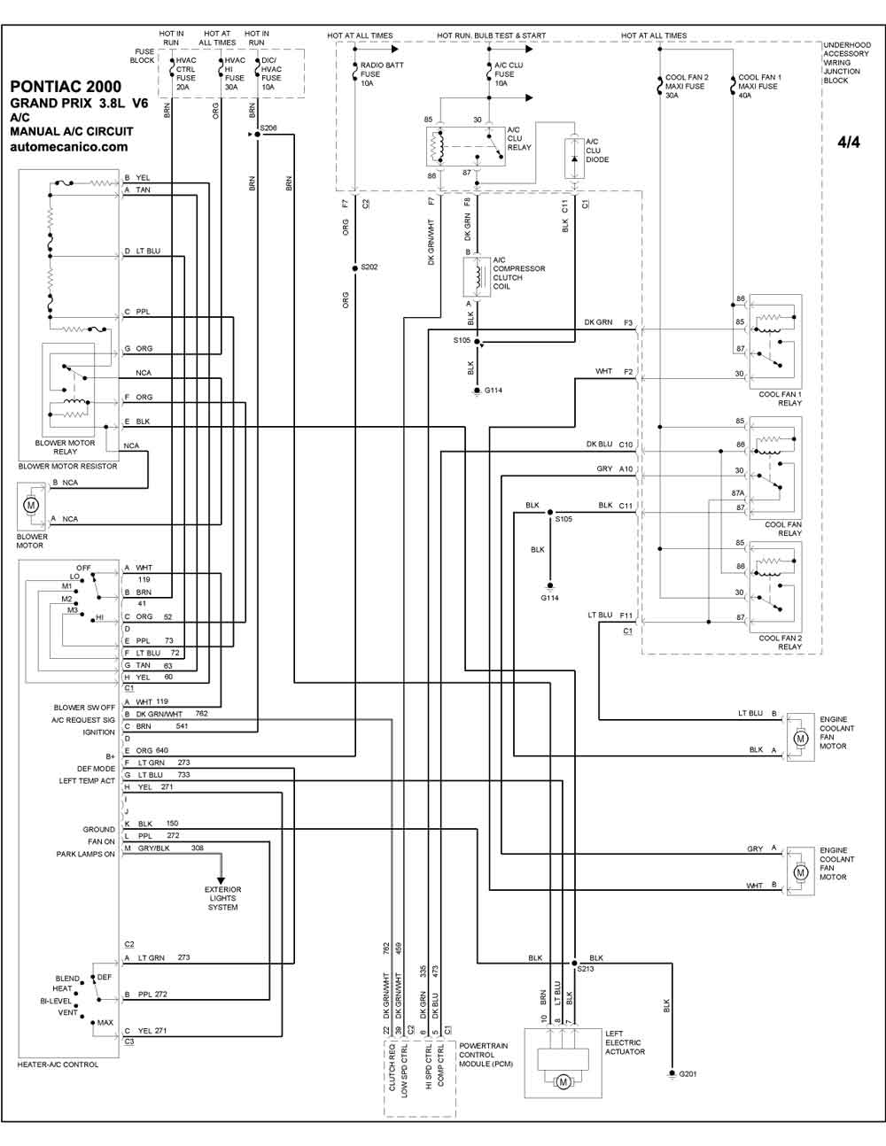
| 3.8L 6 CILINDROS | MANUAL A/C CIRCUIT 4/4 |
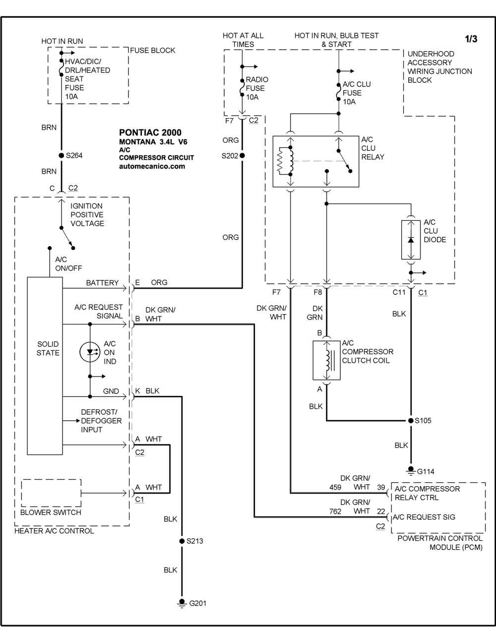
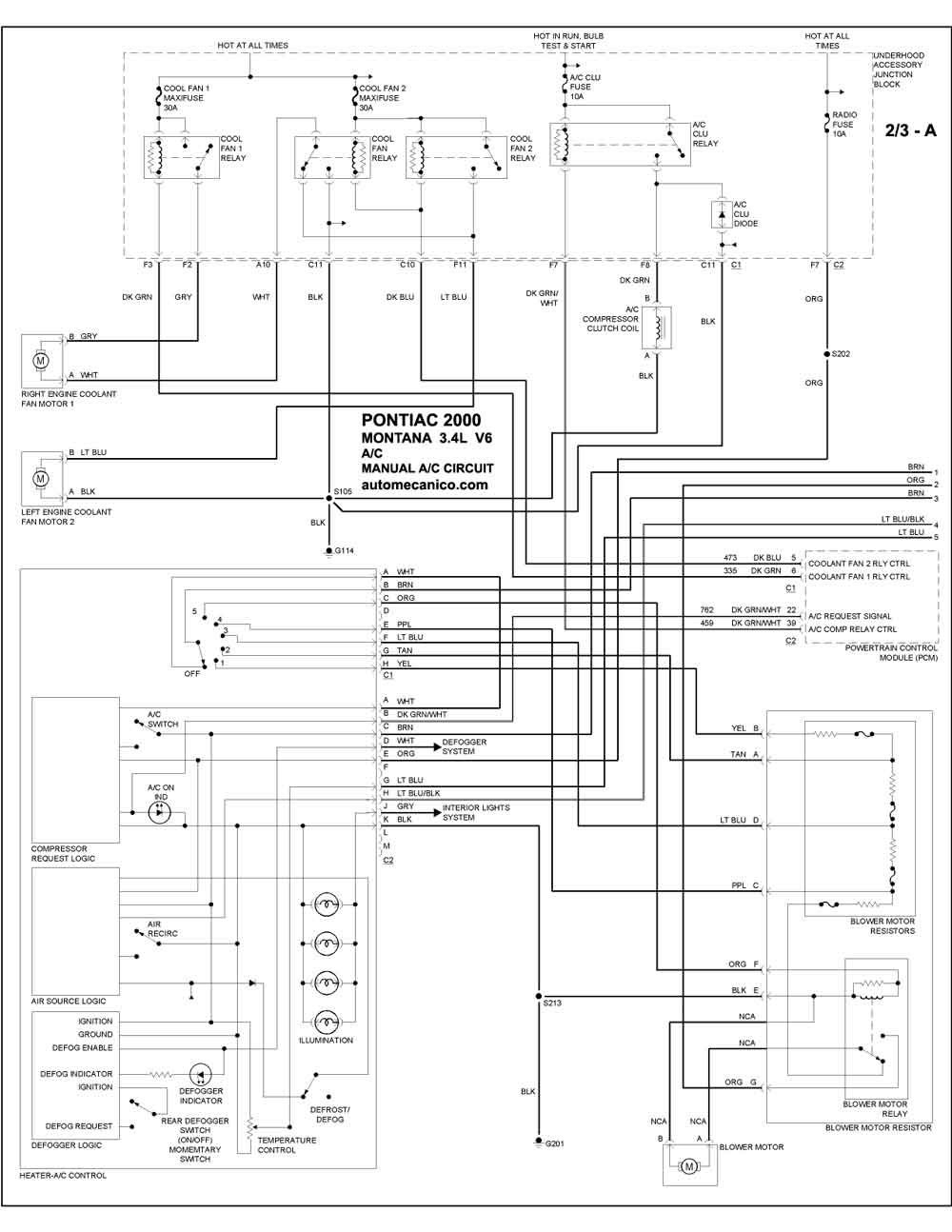
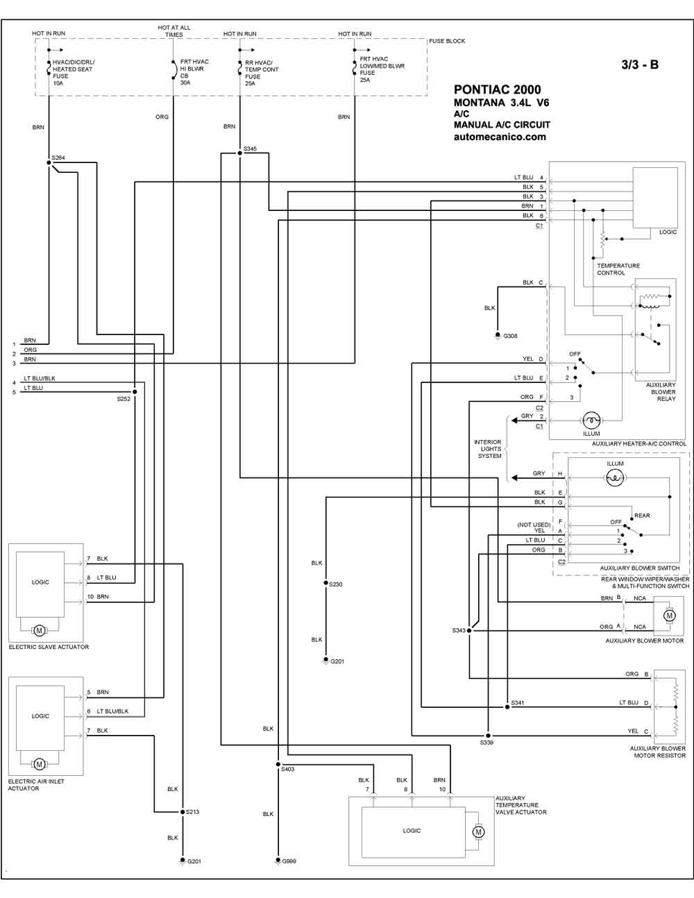
| MONTANA | |
| 3.4L 6 CILINDROS | COMPRESSOR CIRCUIT 1/3 |
| 3.4L 6 CILINDROS | MANUAL A/C CIRCUIT 2/3A |
| 3.4L 6 CILINDROS | MANUAL A/C CIRCUIT 3/3B |
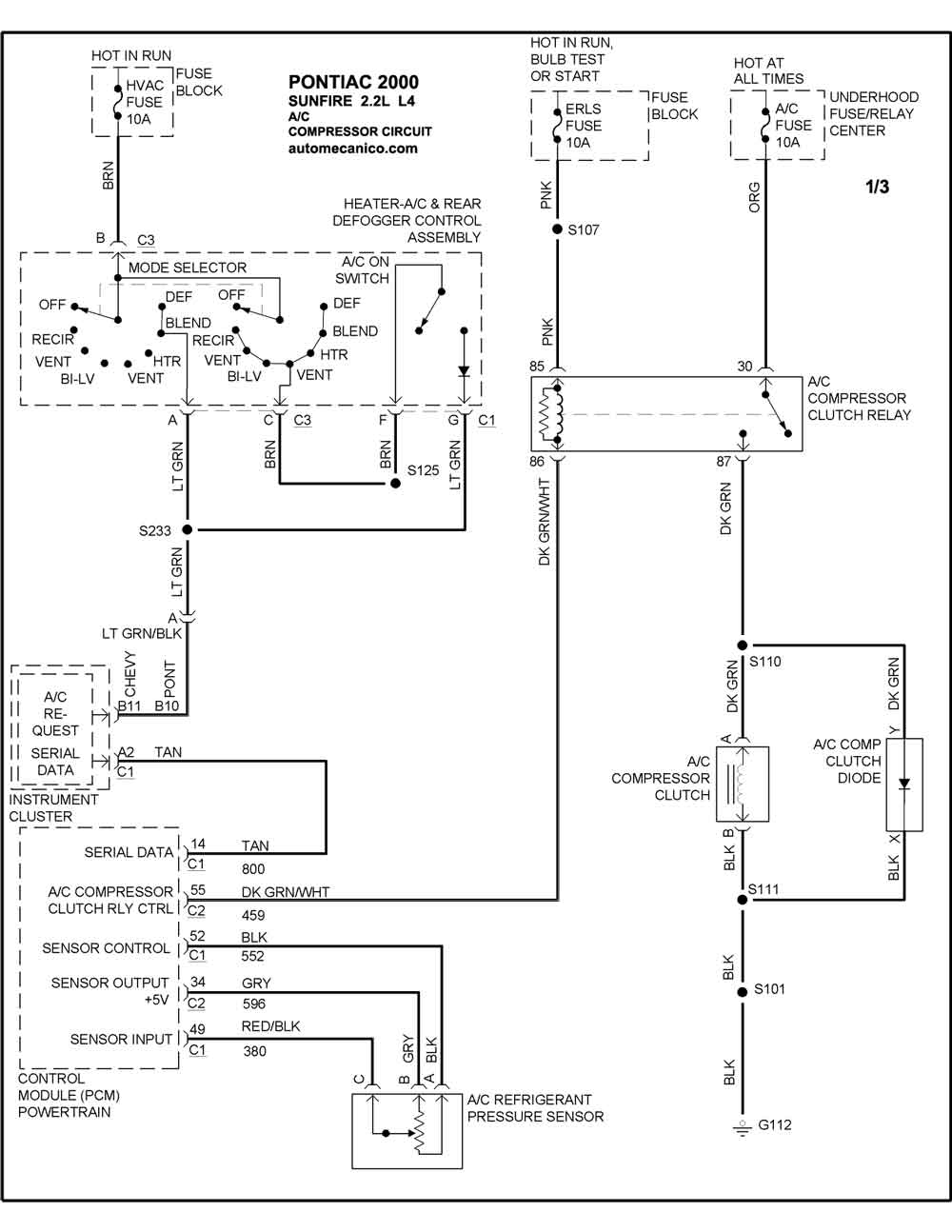
| SUNFIRE | |
| 2.2L 4 CILINDROS | COMPRESSOR CIRCUIT 1/3 |
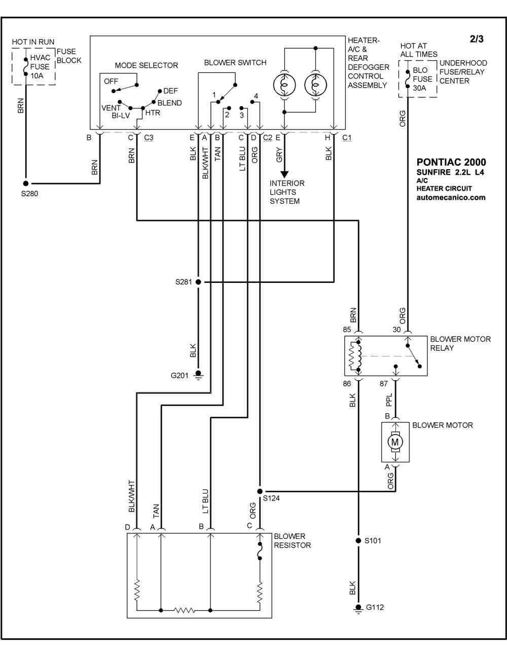
| 2.2L 4 CILINDROS | HEATER CIRCUIT 2/3 |
| 2.2L 4 CILINDROS | MANUAL A/C CIRCUIT 3/3 |
| 2.4L 4 CILINDROS | COMPRESSOR CIRCUIT 1/3 |
| 2.4L 4 CILINDROS | HEATER CIRCUIT 2/3 |
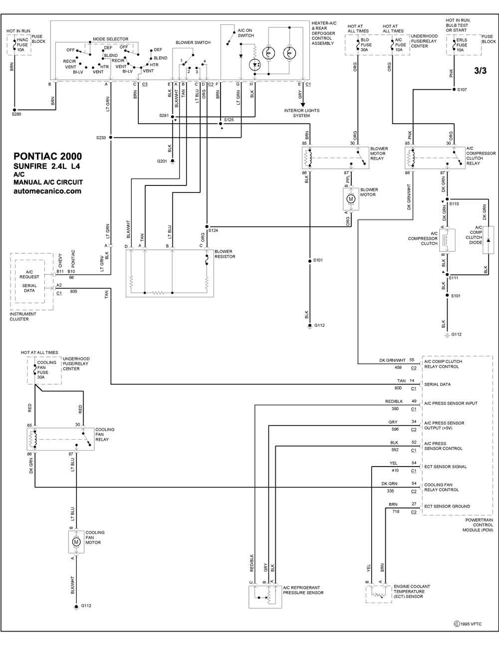
| 2.4L 4 CILINDROS | MANUAL A/C CIRCUIT 3/3 |
| Volver al indice principal |
