| DIAGRAMAS - CIRCUITO DE ARRANQUE DEL MOTOR - BUICK 2015 - Mecanica Automotriz - INDICE |
Diagramas BUICK : Engine Starting: - Esquemas - Graphics 2015 - |
| Diagrama - Arrancador / Bateria y conexiones . Vehiculos
BUICK 2015 En estos diagramas se describen los circuitos que conectan y activan el funcionamiento del Arrancador [Starter, motor de arranque] |
![]() |
| Los Diagramas, listados abajo, se refieren unicamente al Circuito electrico que involucra: Arrancador [starter] - BUICK 2015 - Arrancador = Starter, Motor de arranque - |
| ENCLAVE: Convenience, Leather, Premium | |
| 3.6L - V6 | Engine Starting |
| ENCORE: Convenience, Leather, Premium | |
| 1.4L - 4 Cil. | Engine Starting |
| LACROSSE: Hybrid | |
| 2.4L - 4 Cil. - Starting - 1/2 | Engine Starting |
| 2.4L - 4 Cil. - Starter / Generator - 1/2 | Engine Starting |
| 2.4L - 4 Cil. - Battery Pack - 2/2 | Engine Starting |
| LACROSSE: Leather, Premium | |
| 3.6L - V6 | Engine Starting |
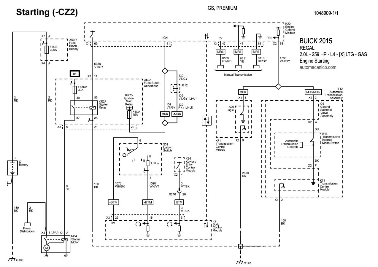
| REGAL: GS, Premium | |
| 2.0L - 4 Cil. | Engine Starting |
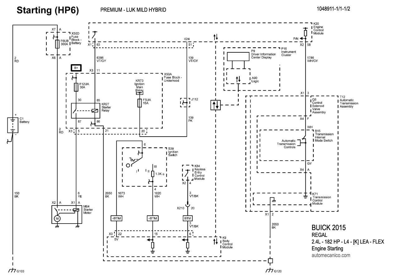
| REGAL: Premium, Luck Mild Hybrid | |
| 2.4L- 4 Cil. - Starting - HP6 - 1/1 - 1/2 | Engine Starting |
| 2.4L- 4 Cil. - Starter / Generator - 1/5 - 2/2 | Engine Starting |
| 2.4L- 4 Cil. - Battery Pack - 2/5 - | Engine Starting |
| 2.4L- 4 Cil. - Power, Ground and Serial Data - 3/5 - | Engine Starting |
| 2.4L- 4 Cil. - Contactors - 1/2 - 4/5 | Engine Starting |
| 2.4L- 4 Cil. - Hybrid Battery Pack Monitoring -2/2 - 5/5 | Engine Starting |
| VERANO: Convenience, Leather | |
| 2.0L - 4 Cil. - LHU - 1/1 | Engine Starting |
| 2.4L - 4 Cil. - LEA - 1/1 | Engine Starting |
| Volver al indice 2015 |
