Logo autoeletronico.com
DIAGRAMAS - CIRCUITO DE ARRANQUE DEL MOTOR - CHEVROLET 2015 - Mecanica Automotriz - INDICE

Diagramas CHEVROLET : Engine Starting: - Esquemas - Graphics 2015 -

Diagrama - Arrancador / Bateria y conexiones . Vehiculos CHEVROLET 2015

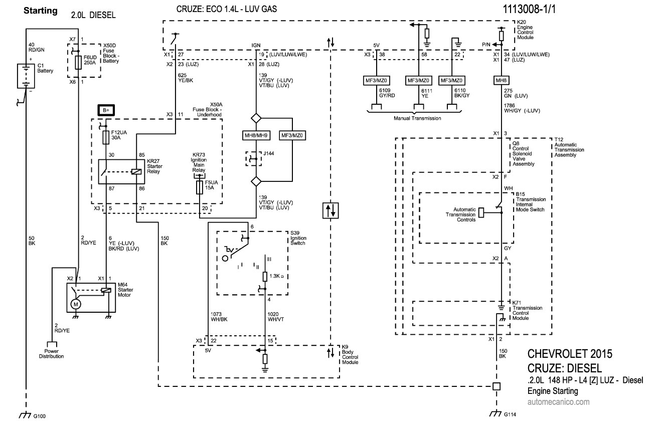
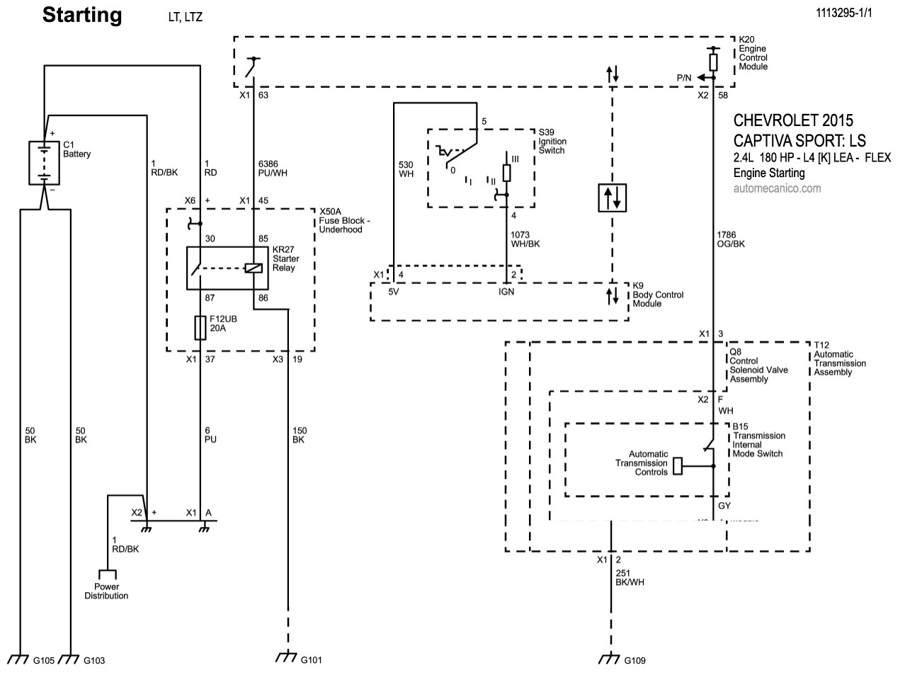
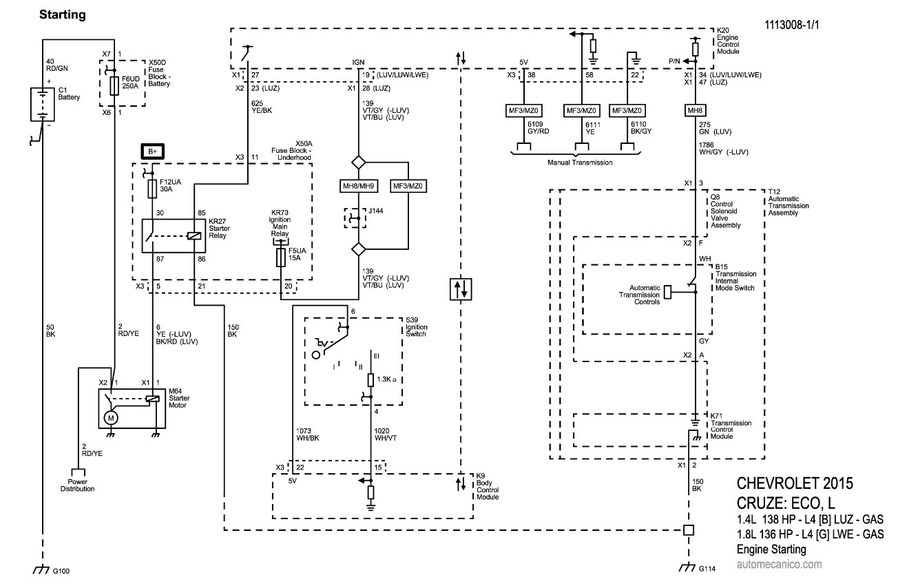
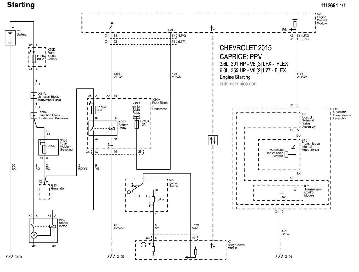
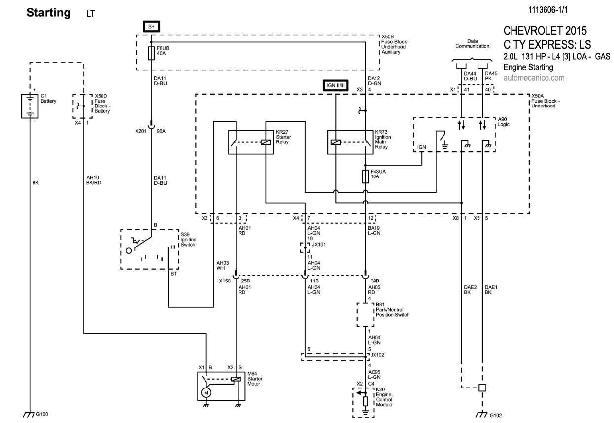
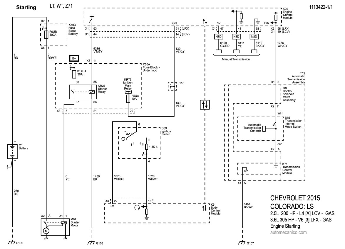
En estos diagramas se describen los circuitos que conectan y activan el funcionamiento del Arrancador [Starter, motor de arranque]
Arrancador - Diagramas - Esquemas - Graphics
Los Diagramas, listados abajo, se refieren unicamente al Circuito electrico que involucra: Arrancador [starter] - CHEVROLET 2015 - Arrancador = Starter, Motor de arranque -
CAMARO: LS, LT, SS, Z/28, ZL1  
3.6L - V6 -  1/1 Engine Starting
6.2L - V8 -  1/1 Engine Starting
7.0L - V8 -  1/1 Engine Starting
CAPRICE: PPV  
3.6L - V6 -  1/1 Engine Starting
6.0L - V8 -  1/1 Engine Starting
CAPTIVA SPORT: LS, LT, LTZ  
2.4L - 4 Cil.  -  1/1 Engine Starting
CITY EXPRESS: LS, LT  
2.0L - 4 Cil.  -  1/1 Engine Starting
COLORADO: LS, LT, WT, Z71  
2.5L - 4 Cil.  -  1/1 Engine Starting
3.6L - V6 -  1/1 Engine Starting
CORVETTE: Stingray, Z06  
6.2L - V8 - 1/1 Engine Starting
CRUZE: ECO, L  
1.4L - GAS - 4 Cil. - 1/1 Engine Starting
1.8L - GAS - 4 Cil. - 1/1 Engine Starting
CRUZE: Diesel   
2.0L - 4 Cil. Diesel - 1/1 Engine Starting
  Volver al indice Chevrolet  2015