Logo autoeletronico.com
DIAGRAMAS - CIRCUITO DE ARRANQUE DEL MOTOR - CHEVROLET 2015 - Mecanica Automotriz - INDICE

Diagramas CHEVROLET : Engine Starting: - Esquemas - Graphics 2015 -

Diagrama - Arrancador / Bateria y conexiones . Vehiculos CHEVROLET 2015

En estos diagramas se describen los circuitos que conectan y activan el funcionamiento del Arrancador [Starter, motor de arranque]
Arrancador - Diagramas - Esquemas - Graphics
Los Diagramas, listados abajo, se refieren unicamente al Circuito electrico que involucra: Arrancador [starter] - CHEVROLET 2015 - Arrancador = Starter, Motor de arranque -
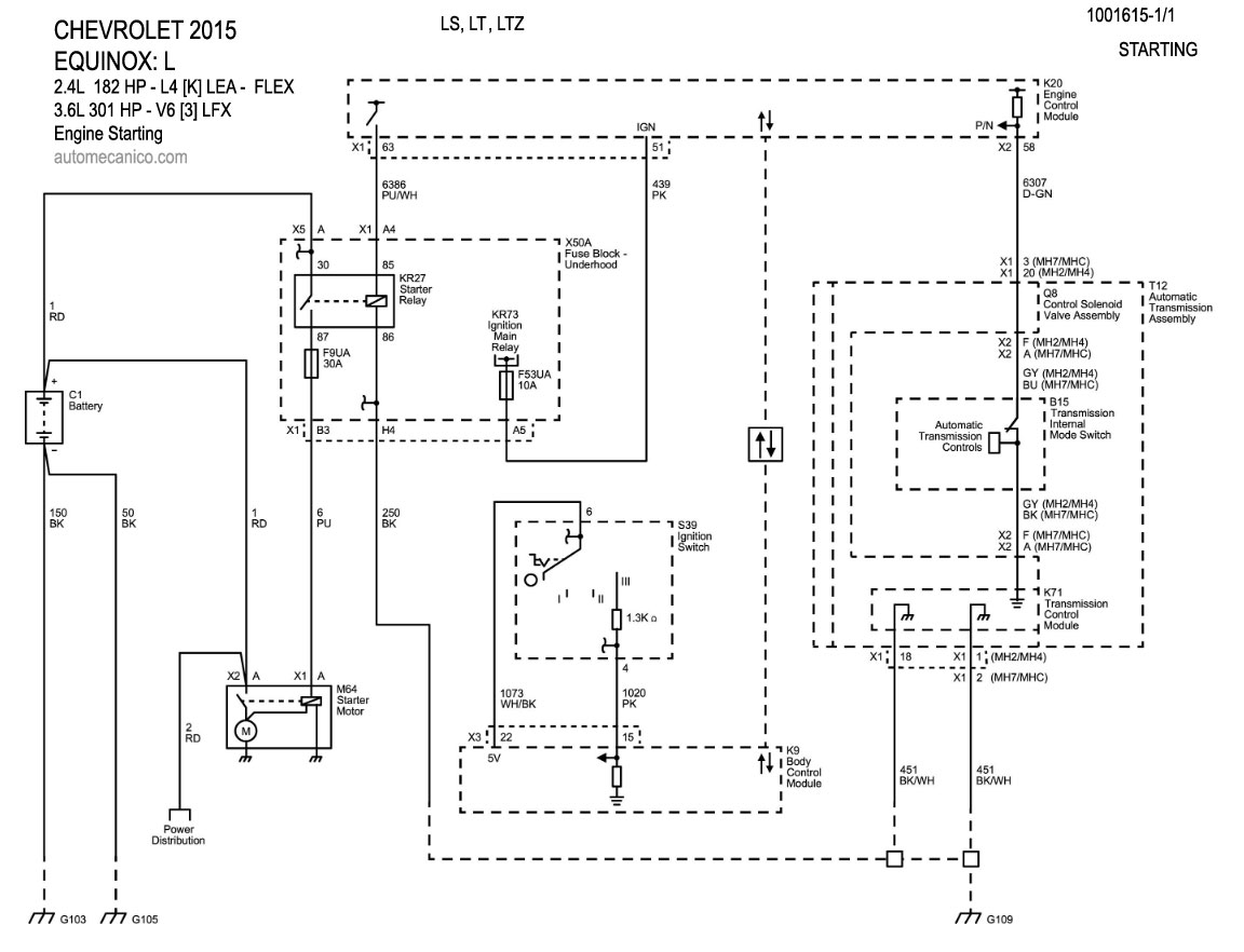
EQUINOX: L, LS, LT, LTZ  
2.4L - 4 Cil. - 1/1 Engine Starting
3.6L - V6 -  1/1 Engine Starting
EXPRESS 2500, 3500, 4500  
4.8L - V8 - GAS - 1/1 Engine Starting
6.0L - V8 - GAS - 1/1 Engine Starting
EXPRESS 2500, 3500, 4500 - Diesel  
6.6L - V8 - Diesel - 1/1 Engine Starting
IMPALA: LS  
2.5L - V6 -  W Start Stop 1/1- 1/2 Engine Starting
2.5L - V6 -  W/out Start Stop 1/1- 2/2 Engine Starting
3.6L - V6 -  W Start Stop 1/1- 1/2 Engine Starting
3.6L - V6 -  W/out Start Stop 1/1- 2/2 Engine Starting
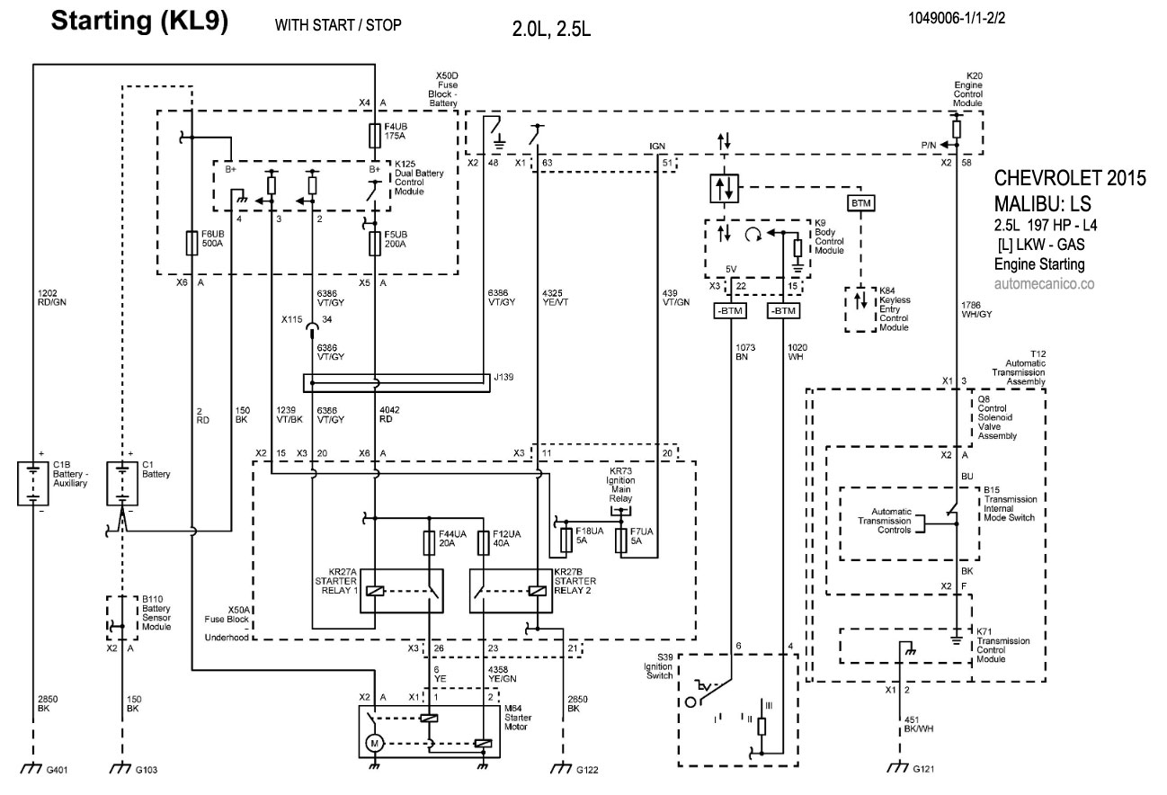
MALIBU: LS - 2.0L, 2.5L  
2.5L - 4 Cil. W/out Start Stop 1/1- 1/2 Engine Starting
2.5L - 4 Cil. W/ Start Stop 1/1- 2/2 Engine Starting
SILVERADO 2500, 3500  
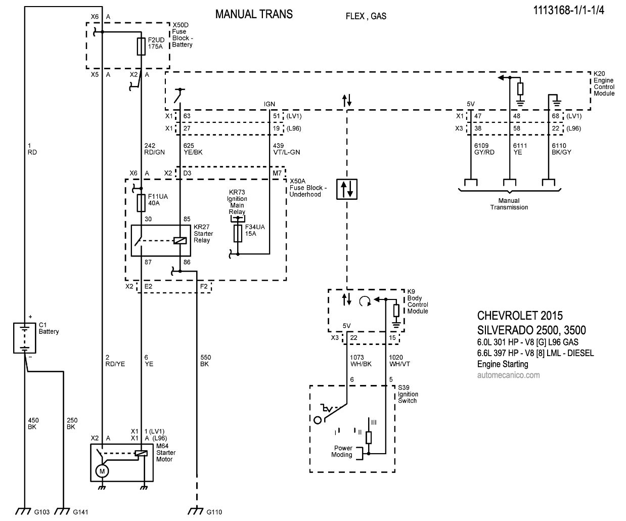
6.0L - V8 - GAS - M/T - 1/1 - 1/4 Engine Starting
6.0L - V8 - GAS - A/T - 6 Speed - 1/1- 2/4 Engine Starting
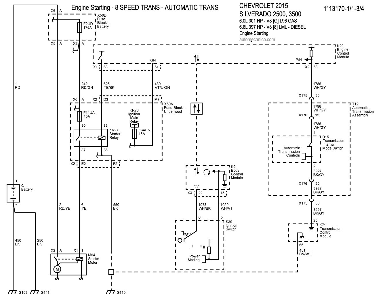
6.0L - V8 - GAS - A/T - 8 Speed - 1/1- 3/4 Engine Starting
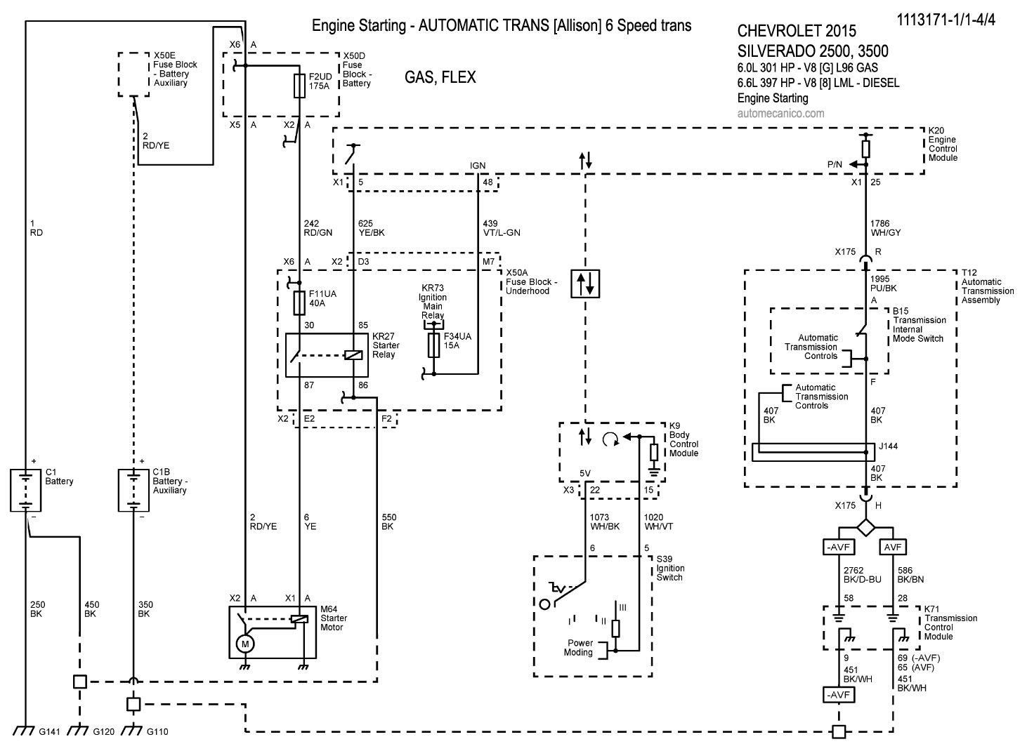
6.0L - V8 - GAS - A/T Allison - 6 Speed - 1/1- 4/4 Engine Starting
SILVERADO 2500, 3500 - Diesel  
6.6L - V8 - Diesel - M/T - 1/1 - 1/4 Engine Starting
6.6L - V8 - Diesel - A/T - 6 Speed  1/1- 2/4 Engine Starting
6.6L - V8 - Diesel - A/T - 8 Speed  1/1- 3/4 Engine Starting
6.6L - V8 - Diesel - A/T Allison - 6 Speed  1/1- 4/4 Engine Starting
  Volver al indice Chevrolet 2015