| DIAGRAMAS - CIRCUITO DE ARRANQUE DEL MOTOR - CHEVROLET 2015 - Mecanica Automotriz - INDICE |
Diagramas CHEVROLET : Engine Starting: - Esquemas - Graphics 2015 - |
| Los Diagramas, listados abajo, se refieren unicamente al Circuito electrico que involucra: Arrancador [starter] - CHEVROLET 2015 - Arrancador = Starter, Motor de arranque - |
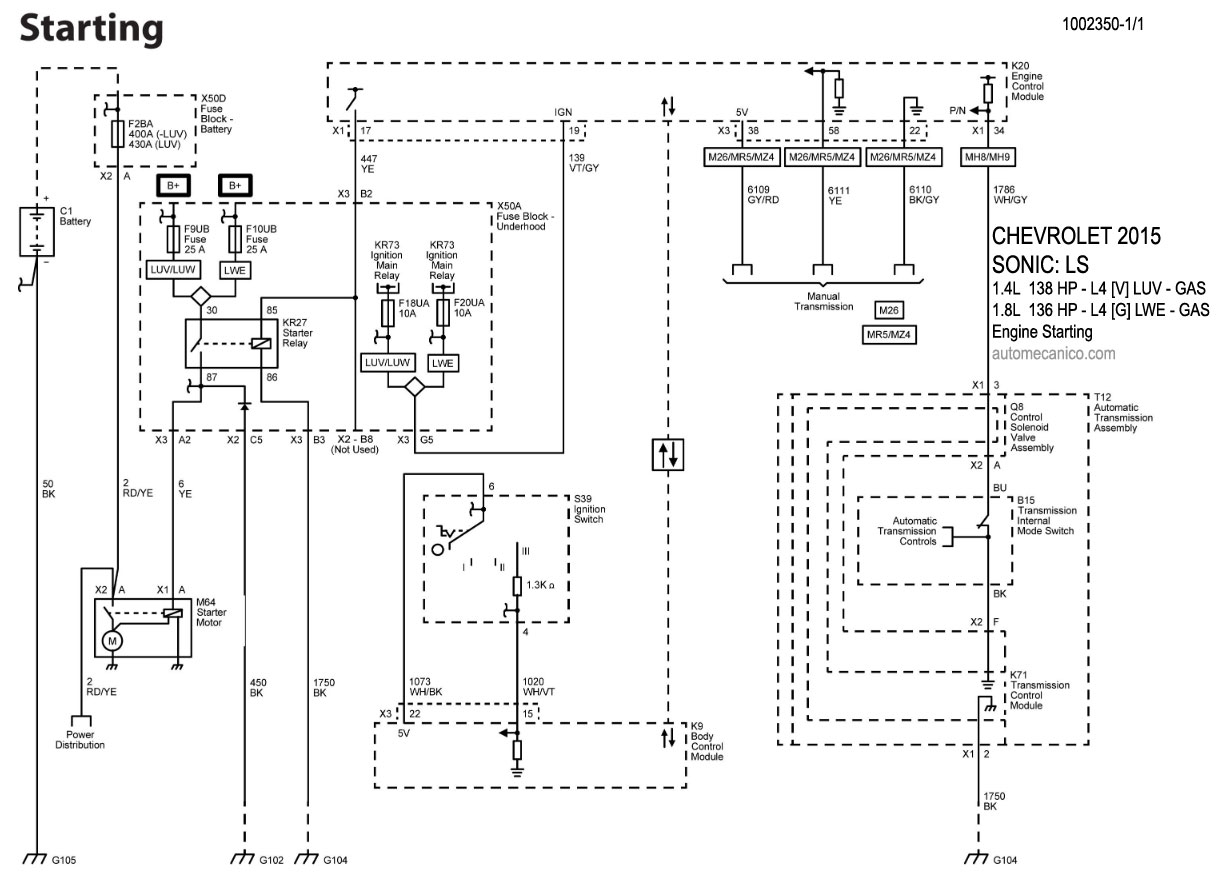
| SONIC: LS | |
| 1.4L - 4 Cil. - 1/1 | Engine Starting |
| 1.8L - 4 Cil. - 1/1 | Engine Starting |
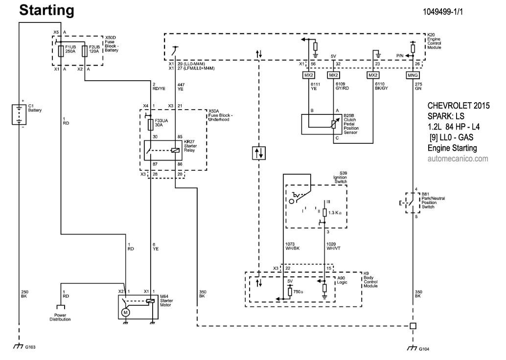
| SPARK: LS | |
| 1.2L - 4 Cil. - 1/1 | Engine Starting |
| SS | |
| 6.2L - V8 - 1/2 | Engine Starting |
| 6.2L - V8 - 2/2 | Engine Starting |
| SUBURBAN: LS | |
| 5.3L - V8 | Engine Starting |
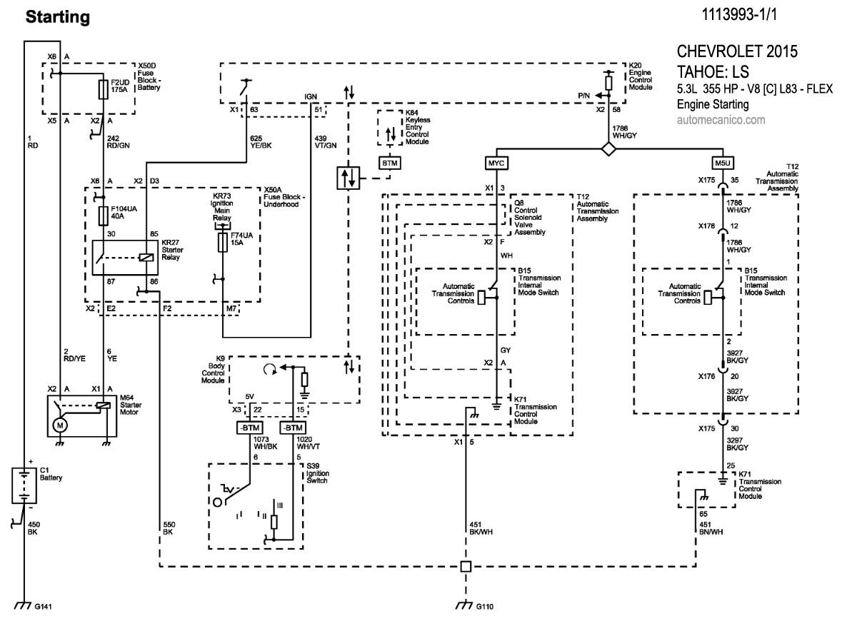
| TAHOE: LS | |
| 5.3L - V8 | Engine Starting |
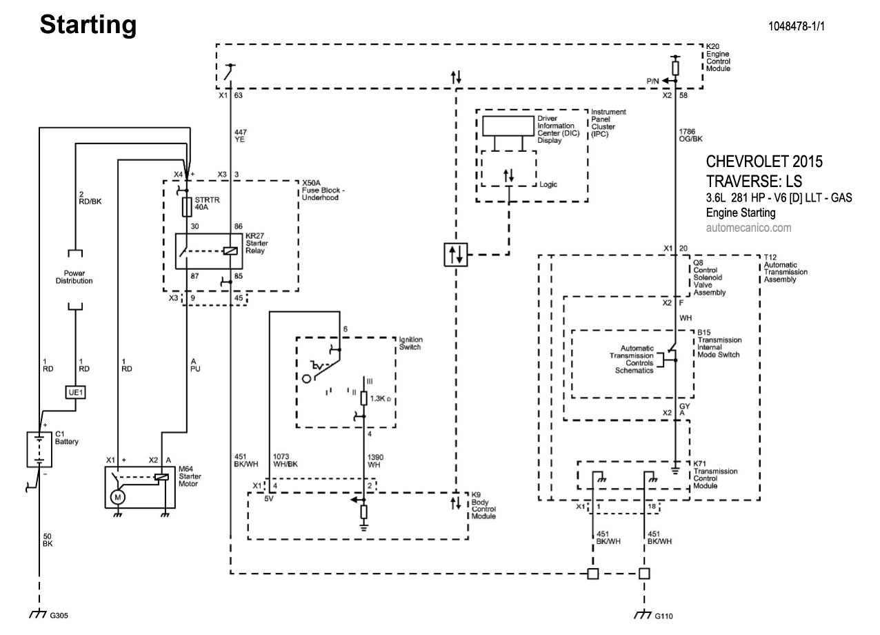
| TRAVERSE: LS | |
| 3.6L - V6 | Engine Starting |
| TRAX: LS | |
| 1.4L - 4 Cil. - 1/1 | Engine Starting |
| VOLT: Plug - In Hybrid - | |
| 1.4L - 4 Cil. - 12 V Battery Management - 1/1 | Engine Starting |
| Volver al indice Chevrolet 2015 |
