| DIAGRAMAS - CIRCUITO DE ARRANQUE DEL MOTOR - DODGE 2015 - Mecanica Automotriz - INDICE |
Diagramas DODGE : Engine Starting: - Esquemas - Graphics 2015 - |
| Diagrama - Arrancador / Bateria y conexiones . Vehiculos
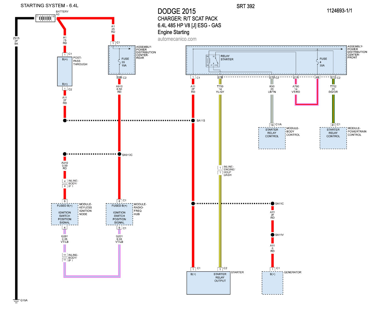
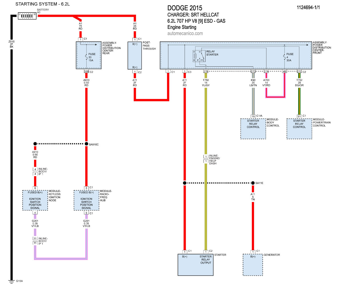
DODGE 2015 En estos diagramas se describen los circuitos que conectan y activan el funcionamiento del Arrancador [Starter, motor de arranque] |
![]() |
| Los Diagramas, listados abajo, se refieren unicamente al Circuito electrico que involucra: Arrancador [starter] - DODGE 2015 - Arrancador = Starter, Motor de arranque - |
| CHALLENGER: SXT | |
| 3.6L - V6 - 1/1 | Engine Starting |
| CHALLENGER: R/T | |
| 5.7L - V8 - 1/1 | Engine Starting |
| CHALLENGER: SCAT PACK, SRT 392 | |
| 6.4L - V8 - 1/1 | Engine Starting |
| CHARGER: PURSUIT, SE,SXT | |
| 3.6L - V6 - 1/1 | Engine Starting |
| 5.7L - V8 - 1/1 | Engine Starting |
| CHARGER: SRT HELLCAT | |
| 6.2L - V8 - 1/1 | Engine Starting |
| CHARGER: R/T SCAT PACK, SRT 392 | |
| 6.4L - V8 - 1/1 | Engine Starting |
| Volver al indice 2015 |
