Logo autoeletronico.com
DIAGRAMAS - CIRCUITO DE ARRANQUE DEL MOTOR - FORD 2015 - Mecanica Automotriz - INDICE

Diagramas FORD : Engine Starting: - Esquemas - Graphics 2015 -

Diagrama - Arrancador / Bateria y conexiones . Vehiculos FORD 2015

En estos diagramas se describen los circuitos que conectan y activan el funcionamiento del Arrancador [Starter, motor de arranque]
Arrancador - Diagramas - Esquemas - Graphics
Los Diagramas, listados abajo, se refieren unicamente al Circuito electrico que involucra: Arrancador [starter] - FORD 2015 - Arrancador = Starter, Motor de arranque -
EXPEDITION: El King Ranch, El limited, El platinum, El XL, EL XLT  
3.5L - V6 - Starter - 1/2 Engine Starting
3.5L - V6 - Star Stop Button - 2/2 Engine Starting
EXPLORER: Limited, Sport, XLT  
2.0L - 4 Cil.  - Starter - 1/3 Engine Starting
2.0L - 4 Cil.  - With/out Intelligent Access System - 2/3 Engine Starting
2.0L - 4 Cil. - With/ Intelligent Access System - 3/3 Engine Starting
3.5L - V6 - Starter - 1/3 Engine Starting
3.5L - V6 - With/out Intelligent Access System - 2/3 Engine Starting
3.5L - V6 - With/ Intelligent Access System - 3/3 Engine Starting
F-150 : King Ranch, Lariat, Platinum  
3.5L - V6 - With/ Push Button Start -1/3 Engine Starting
3.5L - V6 - With/out Push Button Start - 2/3 Engine Starting
3.5L - V6 - Starter - 3/3 Engine Starting
F-150 : King Ranch, Lariat, Platinum  
5.0L - V8 - With/ Push Button Start -1/3 Engine Starting
5.0L - V8 - With/out Push Button Start - 2/3 Engine Starting
5.0L - V8 - Starter - 3/3 Engine Starting
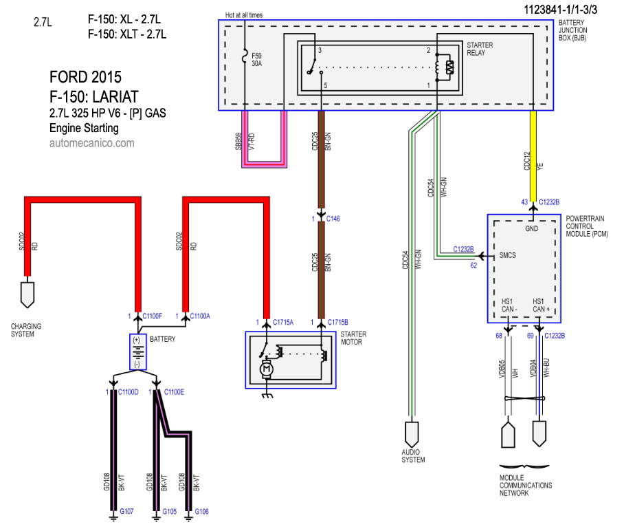
F-150- Lariat, XL, XLT  
2.7L - V6 - With Push Button Start - 1/3 Engine Starting
2.7L - V6 - With/out Push Button Start - 2/3 Engine Starting
2.7L - V6 - Starter - 3/3 Engine Starting
F-150- XL  
3.5L - V6 - With/ Push Button Start - 1/3 Engine Starting
3.5L - V6 - With/out Push Button Start - 2/3 Engine Starting
3.5L - V6 - Starter - 3/3 Engine Starting
5.0L - V8 - With/ Push Button Start - 1/3 Engine Starting
5.0L - V8 - With/out Push Button Start - 2/3 Engine Starting
5.0L - V8 - Starter - 3/3 Engine Starting
   
  Volver al indice 2015