Logo autoeletronico.com
DIAGRAMAS - CIRCUITO DE ARRANQUE DEL MOTOR - FORD 2015 - Mecanica Automotriz - INDICE

Diagramas FORD : Engine Starting: - Esquemas - Graphics 2015 -

Diagrama - Arrancador / Bateria y conexiones . Vehiculos FORD 2015

En estos diagramas se describen los circuitos que conectan y activan el funcionamiento del Arrancador [Starter, motor de arranque]
Arrancador - Diagramas - Esquemas - Graphics
Los Diagramas, listados abajo, se refieren unicamente al Circuito electrico que involucra: Arrancador [starter] - FORD 2015 - Arrancador = Starter, Motor de arranque -
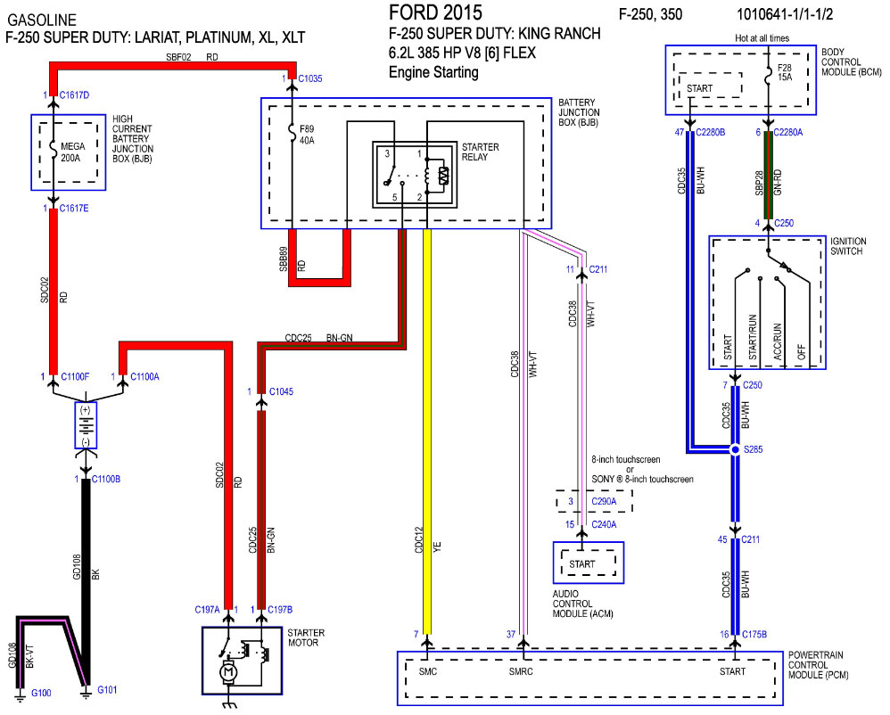
F-250, 350 Super Duty - King Ranch, Lariat, Platinum, XL, KLT  
6.2L - V8 - Starter - 1/2 Engine Starting
6.2L - V8 - Manual Trans. 2/2 Engine Starting
F-250, 350 Super Duty: King Ranch, Lariat, Platinum, XL, KLT - Diesel  
6.7L - V8 - Starter - 1/2 Engine Starting
6.7L - V8 - Manual Trans. 2/2 Engine Starting
F-450, 550 Super Duty - Diesel  
6.7L - V8 - Starter - 1/2 Engine Starting
6.7L - V8 - Manual Trans. 2/2 Engine Starting
F-450, 550 Super Duty  
6.8L - V10 - Starter - 1/2 Engine Starting
6.8L - V10 - Manual Trans. 2/2 Engine Starting
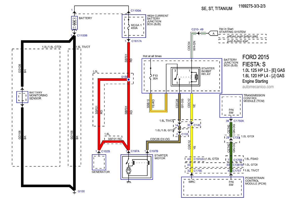
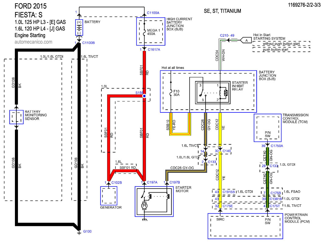
FIESTA:  S, SE, ST, TITANIUM  
1.0L - 3 Cil. - With/out Push Button Start - 1/3 Engine Starting
1.0L - 3 Cil. -Starter - 1/3 Engine Starting
1.0L - 3 Cil. - KEWPBS -2/3 Engine Starting
1.0L - 3 Cil. - KEWPBS -2/3 Engine Starting
1.0L - 3 Cil. - Starter -2/3 Engine Starting
1.0L - 3 Cil. -Push Button Start - 3/3 Engine Starting
1.0L - 3 Cil. -Starter - 3/3 Engine Starting
1.6L  
1.6L - 4 Cil. - With/out Push Button Start - 1/3 Engine Starting
1.6L - 4 Cil. - Starter -1/3 Engine Starting
1.6L - 4 Cil. - KEWPBS -2/3 Engine Starting
1.6L - 4 Cil. - KEWPBS -2/3 Engine Starting
1.6L - 4 Cil. - Starter -2/3 Engine Starting
1.6L - 4 Cil. -Push Button Start - 3/3 Engine Starting
1.6L - 4 Cil. - Starter -3/3 Engine Starting
   
  Volver al indice 2015