| DIAGRAMAS - CIRCUITO DE ARRANQUE DEL MOTOR - FORD 2015 - Mecanica Automotriz - INDICE |
Diagramas FORD : Engine Starting: - Esquemas - Graphics 2015 - |
| Diagrama - Arrancador / Bateria y conexiones . Vehiculos
FORD 2015 En estos diagramas se describen los circuitos que conectan y activan el funcionamiento del Arrancador [Starter, motor de arranque] |
![]() |
| Los Diagramas, listados abajo, se refieren unicamente al Circuito electrico que involucra: Arrancador [starter] - FORD 2015 - Arrancador = Starter, Motor de arranque - |
| FLEX: Limited | |
| 3.5L - V6 - With/out Intelligent Key - 1/2 | Engine Starting |
| 3.5L - V6 - With Intelligent Key - 2/2 | Engine Starting |
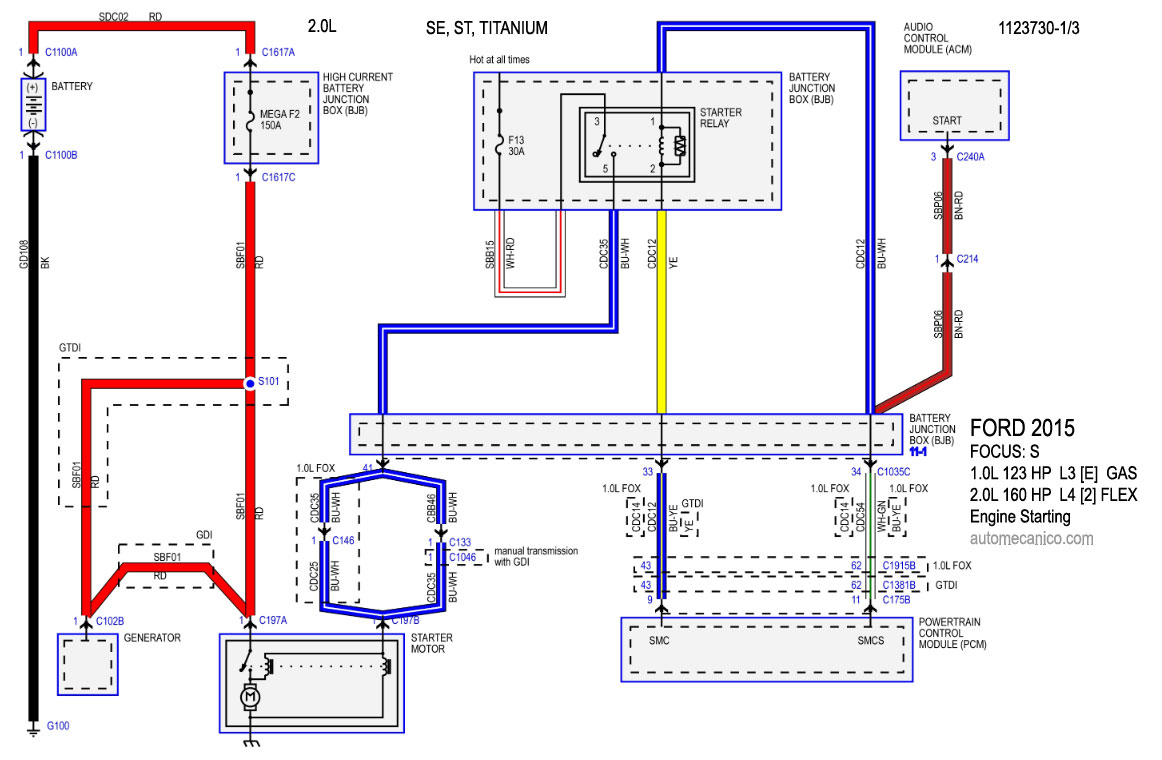
| FOCUS: S, SE, ST, TITANIUM | |
| 1.0L - 4 Cil. - Starter - 1/3 | Engine Starting |
| 1.0L - 4 Cil. - Intelligent key - 2/3 | Engine Starting |
| 1.0L - 4 Cil. - Power Control Module - 3/3 | Engine Starting |
| 2.0L - 4 Cil. - Starter - 1/3 | Engine Starting |
| 2.0L - 4 Cil. - Intelligent key - 2/3 | Engine Starting |
| 2.0L - 4 Cil. - Power Control Module - 3/3 | Engine Starting |
| FOCUS: ELECTRIC EV | |
| 143 HP - EV - 1/1 | Engine Starting |
| FUSION: S, Titanium | |
| 2.0L - 4 Cil. - With Button Start - 1/4 | Engine Starting |
| 2.0L - 4 Cil. - With Auto Start Stop- 2/4 | Engine Starting |
| 2.0L - 4 Cil. - Body control - 3/4 | Engine Starting |
| 2.0L - 4 Cil. - Body control - 3/4 | Engine Starting |
| 2.0L - 4 Cil. - Starter - 4/4 | Engine Starting |
| 2.5L - 4 Cil. - With Button Start - 1/4 | Engine Starting |
| 2.5L - 4 Cil. - With Auto Start Stop- 2/4 | Engine Starting |
| 2.5L - 4 Cil. - Body control - 3/4 | Engine Starting |
| 2.5L - 4 Cil. - Body control - 3/4 | Engine Starting |
| 2.5L - 4 Cil. - Starter - 4/4 | Engine Starting |
| FUSION: ENERGI SE, TITANIUM - Hybrid | |
| 2.0L - 4 Cil. - Plug - In Hybrid - W/o PBS - 1/1 | Engine Starting |
| 2.0L - 4 Cil. - Plug - In Hybrid - PBS - 1/1 | Engine Starting |
| Volver al indice 2015 |
