| DIAGRAMAS - CIRCUITO DE ARRANQUE DEL MOTOR - FORD 2015 - Mecanica Automotriz - INDICE |
Diagramas FORD : Engine Starting: - Esquemas - Graphics 2015 - |
| Diagrama - Arrancador / Bateria y conexiones . Vehiculos
FORD 2015 En estos diagramas se describen los circuitos que conectan y activan el funcionamiento del Arrancador [Starter, motor de arranque] |
![]() |
| Los Diagramas, listados abajo, se refieren unicamente al Circuito electrico que involucra: Arrancador [starter] - FORD 2015 - Arrancador = Starter, Motor de arranque - |
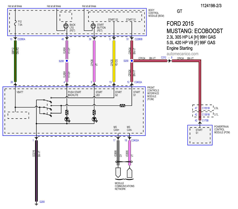
| MUSTANG: Ecoboost, GT | |
| 2.3L - 4 Cil. - Starter - 1/3 | Engine Starting |
| 2.3L - 4 Cil. - Body control - 2/3 | Engine Starting |
| 2.3L - 4 Cil.- Power control - 3/3 | Engine Starting |
| 5.0L - V8 - Starter - 1/3 | Engine Starting |
| 5.0L - V8 - Body control - 2/3 | Engine Starting |
| 5.0L - V8 - Power control - 3/3 | Engine Starting |
| MUSTANG: V6 | |
| 3.7L - V6 - Starter - 1/3 | Engine Starting |
| 3.7L - V6 - Body control - 2/3 | Engine Starting |
| 3.7L - V6 - Power control - 3/3 | Engine Starting |
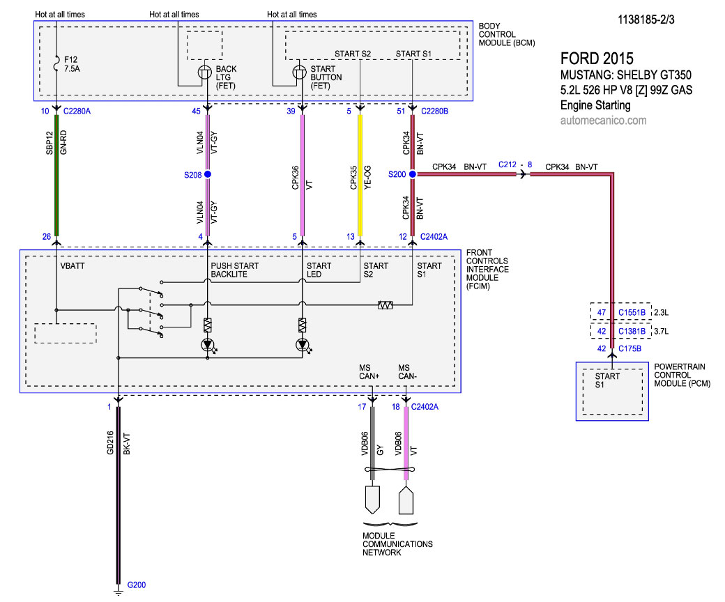
| MUSTANG: SHELBY GT350 | |
| 5.2L - V8 - Starter - 1/3 | Engine Starting |
| 5.2L - V8 - Body control - 2/3 | Engine Starting |
| 5.2L - V8 - Power control - 3/3 | Engine Starting |
| Volver al indice 2015 |
