| DIAGRAMAS - CIRCUITO DE ARRANQUE DEL MOTOR - FORD 2015 - Mecanica Automotriz - INDICE |
Diagramas FORD : Engine Starting: - Esquemas - Graphics 2015 - |
| Diagrama - Arrancador / Bateria y conexiones . Vehiculos
FORD 2015 En estos diagramas se describen los circuitos que conectan y activan el funcionamiento del Arrancador [Starter, motor de arranque] |
![]() |
| Los Diagramas, listados abajo, se refieren unicamente al Circuito electrico que involucra: Arrancador [starter] - FORD 2015 - Arrancador = Starter, Motor de arranque - |
| TAURUS: Limited, SE, SEL, SHO | |
| 2.0L - 4 Cil - 1/2 | Engine Starting |
| 2.0L - 4 Cil - 2/2 | Engine Starting |
| 3.5L - V6 - 1/2 | Engine Starting |
| 3.5L - V6 - 2/2 | Engine Starting |
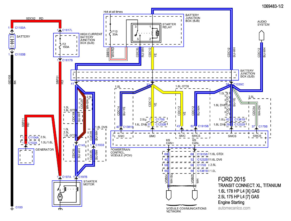
| TRANSIT - Connect , XL, Titanium | |
| 1.6L - 4 Cil. - 1/2 | Engine Starting |
| 1.6L - 4 Cil. - 2/2 | Engine Starting |
| 2.5L - 4 Cil. - 1/2 | Engine Starting |
| 2.5L - 4 Cil. - 2/2 | Engine Starting |
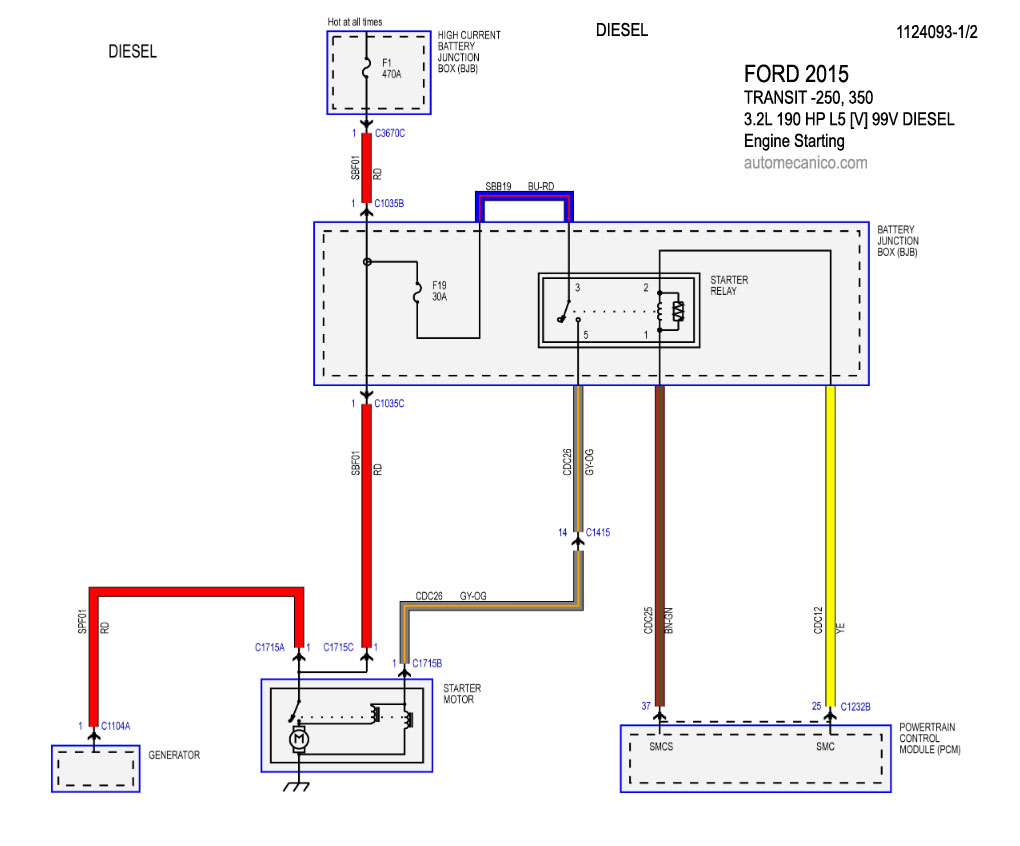
| TRANSIT - 250, 350 / Diesel | |
| 3.2L - 5 Cil. Diesel - 1/2 | Engine Starting |
| 3.2L - 5 Cil. Diesel - 2/2 | Engine Starting |
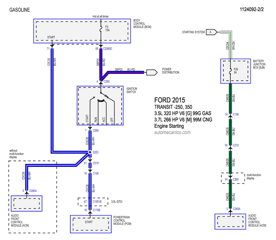
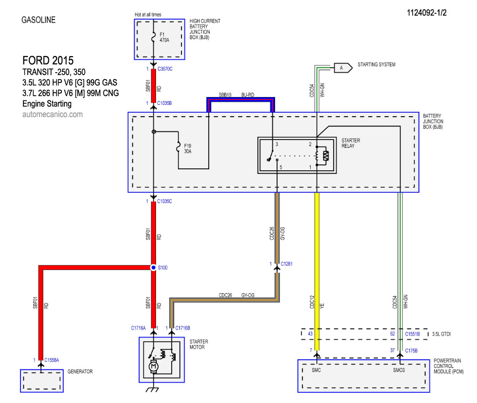
| TRANSIT - 250, 350 | |
| 3.5L - V6 - 1/2 | Engine Starting |
| 3.5L - V6 - 2/2 | Engine Starting |
| 3.7L - V6 - 1/2 | Engine Starting |
| 3.7L - V6 - 2/2 | Engine Starting |
| Volver al indice 2015 |
