| DIAGRAMAS - CIRCUITO DE ARRANQUE DEL MOTOR - HYUNDAI 2015 - Mecanica Automotriz - INDICE |
Diagramas HYUNDAI : Engine Starting: - Esquemas - Graphics 2015 - |
| Los Diagramas, listados abajo, se refieren unicamente al Circuito electrico que involucra: Arrancador [starter] - HYUNDAI 2015 - Arrancador = Starter, Motor de arranque - |
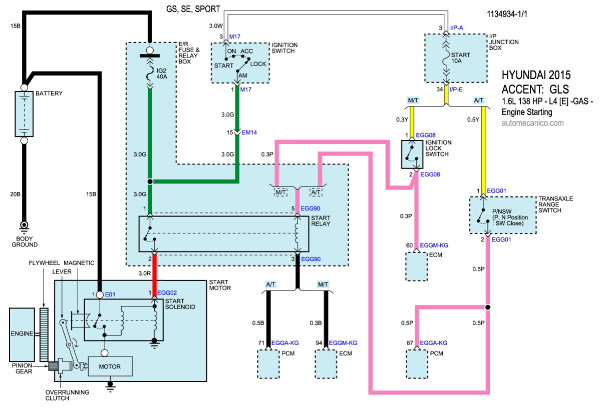
| ACCENT: GLS, GS, SE, Sport | |
| 1.6L - 4 Cil. | Engine Starting |
| AZERA: Limited | |
| 3.3L - V6 | Engine Starting |
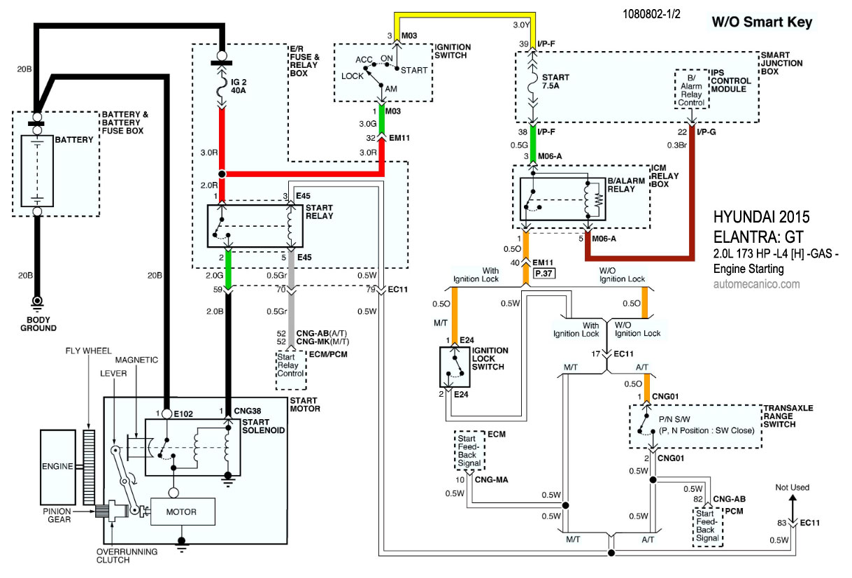
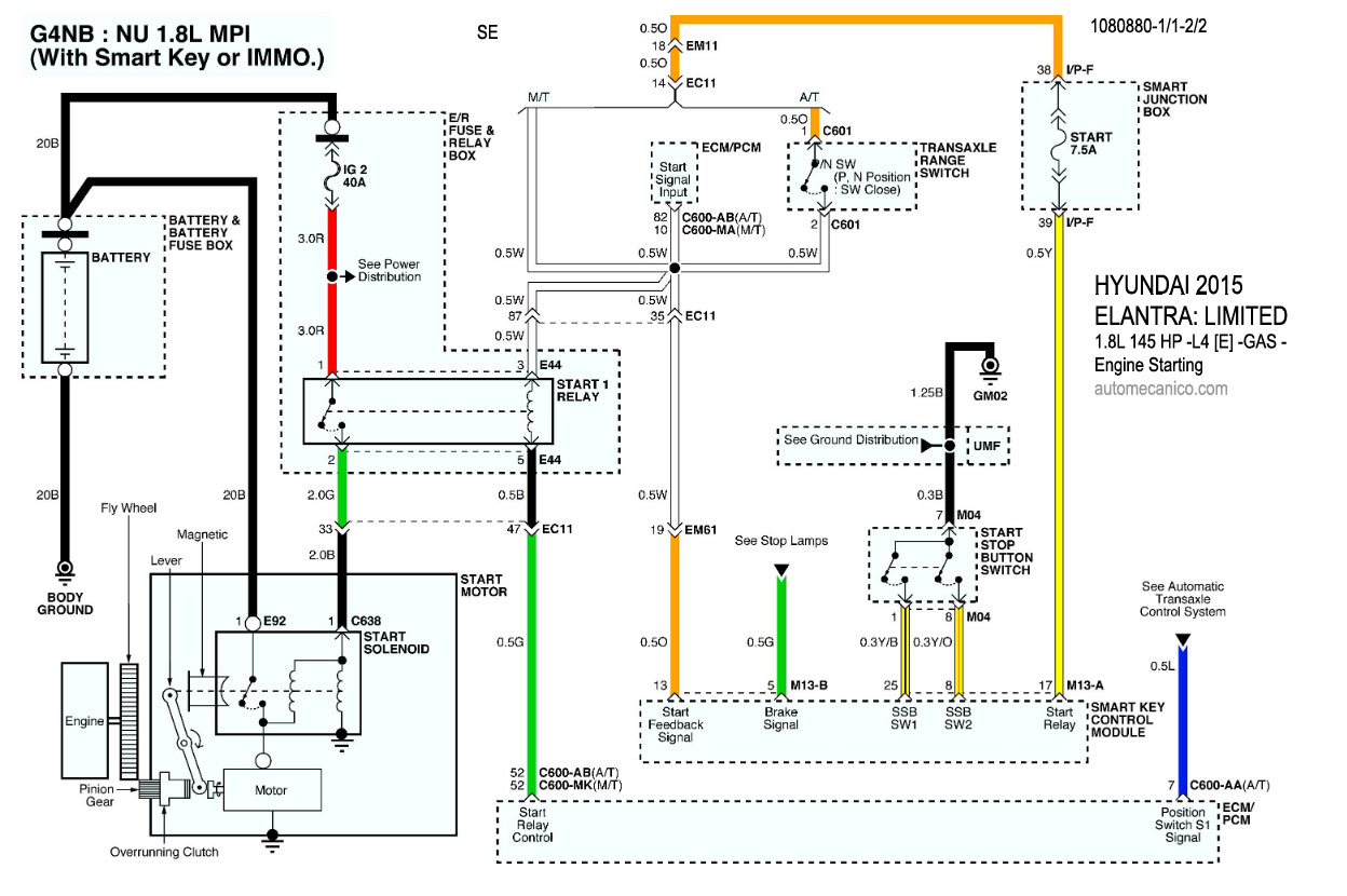
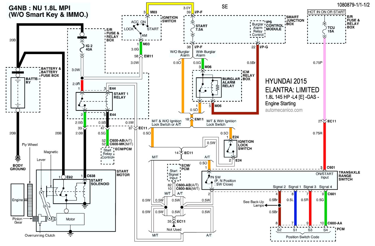
| ELANTRA: Limited | |
| 1.8L - 4 Cil. - With/out Smart Key & IMMO - 1/2 | Engine Starting |
| 1.8L - 4 Cil. - With/ Smart Key or IMMO- 2/2 | Engine Starting |
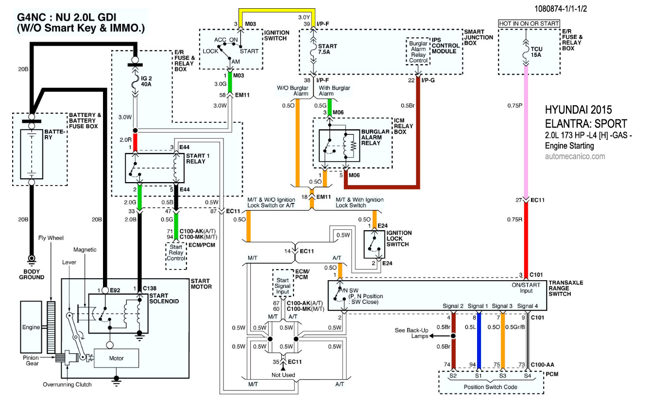
| ELANTRA: GT, Sport | |
| 2.0L - 4 Cil. - With/out Smart Key - GT 1/2 | Engine Starting |
| 2.0L - 4 Cil. - With/ Smart Key - GT 2/2 | Engine Starting |
| 2.0L - 4 Cil. - With/out Smart Key & IMMO - 1/2 | Engine Starting |
| 2.0L - 4 Cil. - With/ Smart Key or IMMO- 2/2 | Engine Starting |
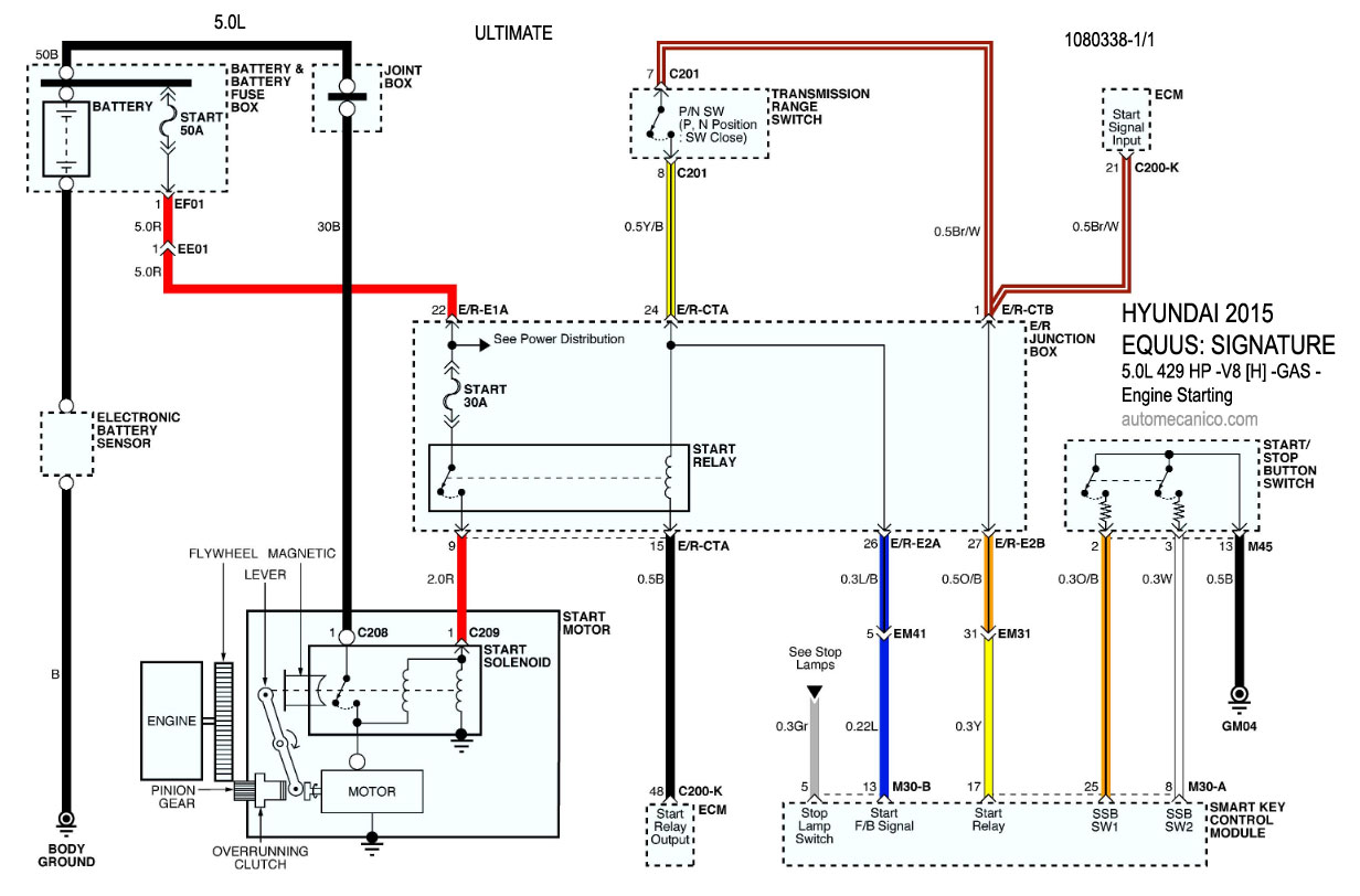
| EQUUS: Signature, Ultimate | |
| 5.0L - V8 -1/1 | Engine Starting |
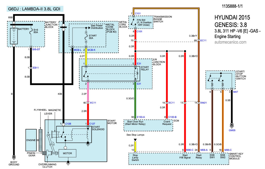
| GENESIS: 3.8, 5.0 | |
| 3.8L - GDI - V6 -1/1 | Engine Starting |
| 5.0L - GDI - V8 -1/1 | Engine Starting |
| Volver al indice Hyundai 2015 |
