| DIAGRAMAS - CIRCUITO DE ARRANQUE DEL MOTOR - HYUNDAI 2015 - Mecanica Automotriz - INDICE |
Diagramas HYUNDAI : Engine Starting: - Esquemas - Graphics 2015 - |
| Los Diagramas, listados abajo, se refieren unicamente al Circuito electrico que involucra: Arrancador [starter] - HYUNDAI 2015 - Arrancador = Starter, Motor de arranque - |
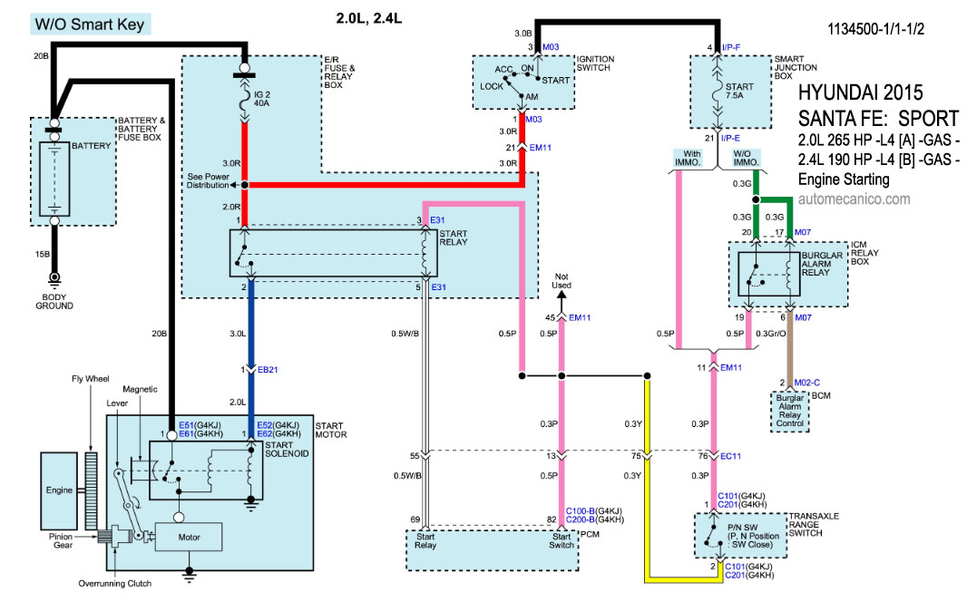
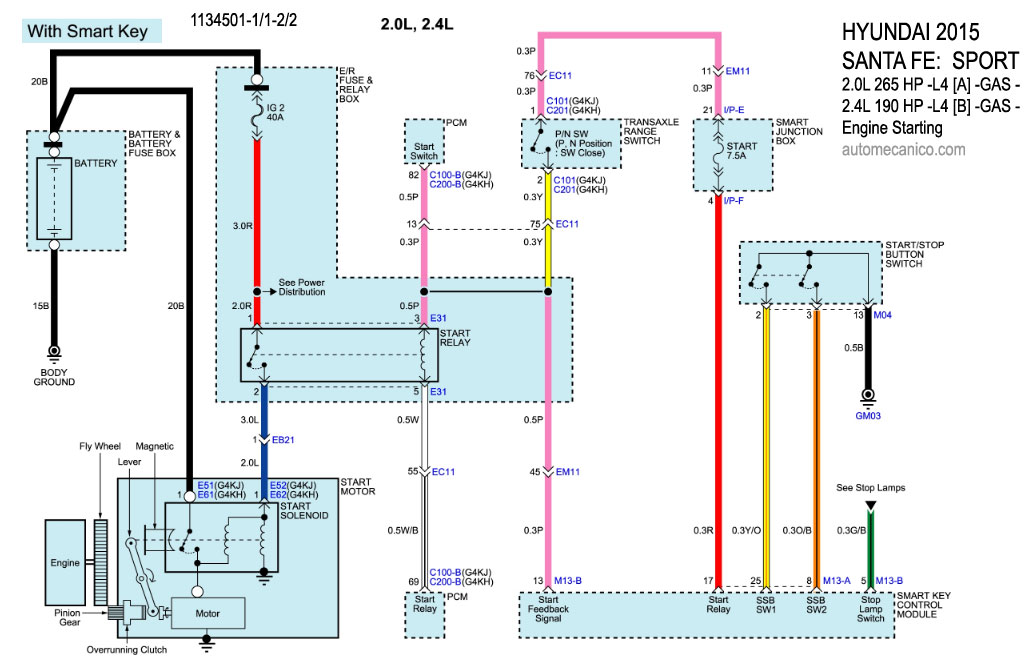
| SANTA FE: Sport | |
| 2.0L - 4 Cil. - With/out Smart Key - 1/2 | Engine Starting |
| 2.0L - 4 Cil. - With/ Smart Key - 2/2 | Engine Starting |
| 2.4L - 4 Cil. - With/out Smart Key - 1/2 | Engine Starting |
| 2.4L - 4 Cil. - With Smart Key - 2/2 | Engine Starting |
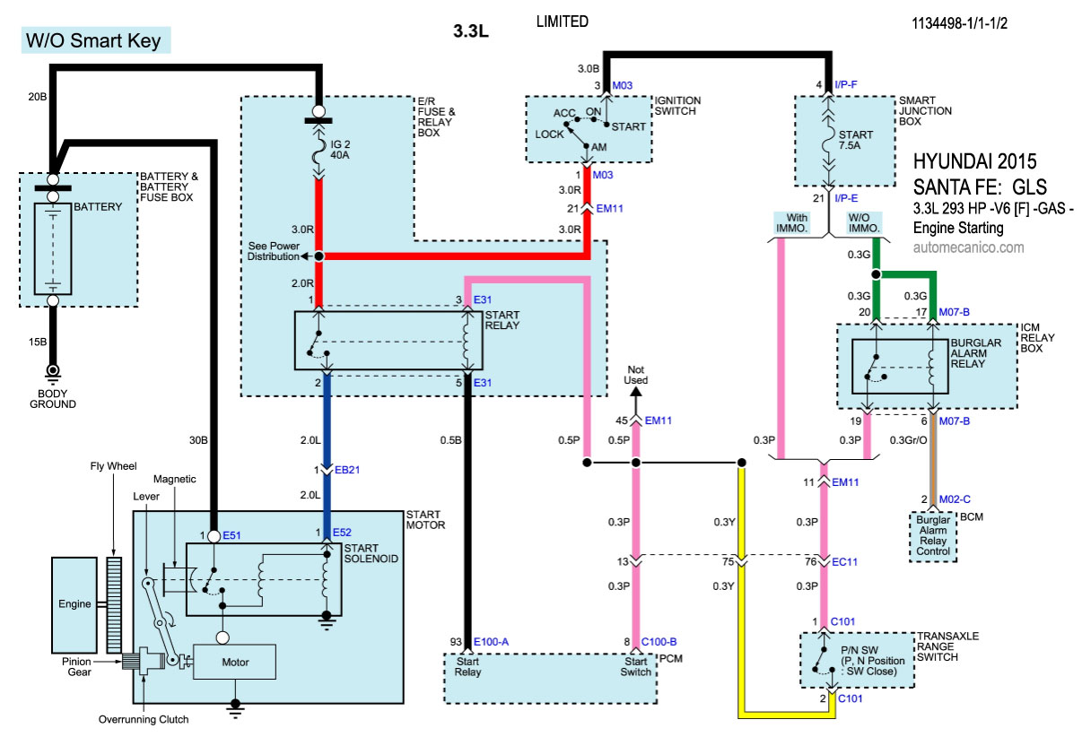
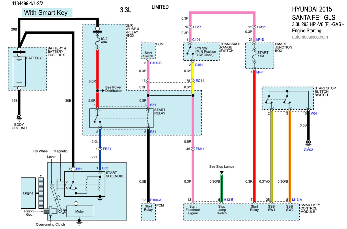
| SANTA FE: GLS, Limited | |
| 3.3L - V6 - With/out Smart Key - 1/2 | Engine Starting |
| 3.3L - V6 - With Smart Key - 2/2 | Engine Starting |
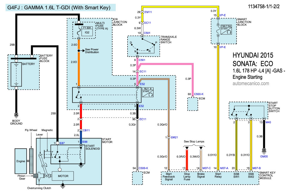
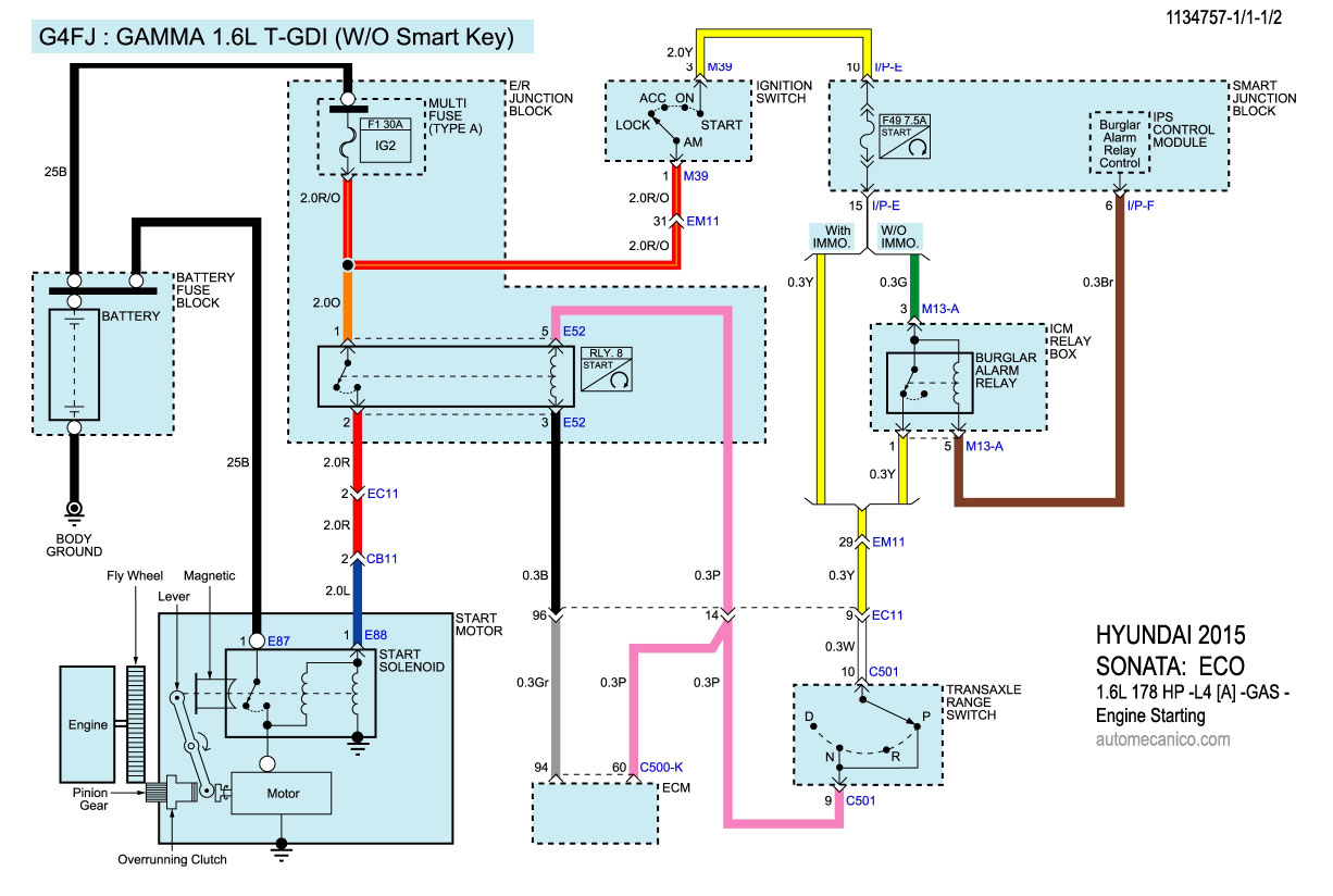
| SONATA: ECO | |
| 1.6L - 4 Cil. - T-GDI -With/out Smart Key - 1/2 | Engine Starting |
| 1.6L - 4 Cil. - T-GDI -With Smart Key - 2/2 | Engine Starting |
| SONATA: Limited, Sport | |
| 2.0L - 4 Cil. - T-GDI -With/out Smart Key - 1/2 | Engine Starting |
| 2.0L - 4 Cil. - T-GDI -With Smart Key - 2/2 | Engine Starting |
| SONATA: Hybrid - Limited, SE, Sport | |
| 2.4L - 4 Cil. - GDI -With/out Smart Key - 1/2 | Engine Starting |
| 2.4L - 4 Cil. - GDI -With Smart Key - 2/2 | Engine Starting |
| Volver al indice Hyundai 2015 |
