| DIAGRAMAS - CIRCUITO DE ARRANQUE DEL MOTOR - HYUNDAI 2015 - Mecanica Automotriz - INDICE |
Diagramas HYUNDAI : Engine Starting: - Esquemas - Graphics 2015 - |
| Los Diagramas, listados abajo, se refieren unicamente al Circuito electrico que involucra: Arrancador [starter] - HYUNDAI 2015 - Arrancador = Starter, Motor de arranque - TUCSON VELOSTER |
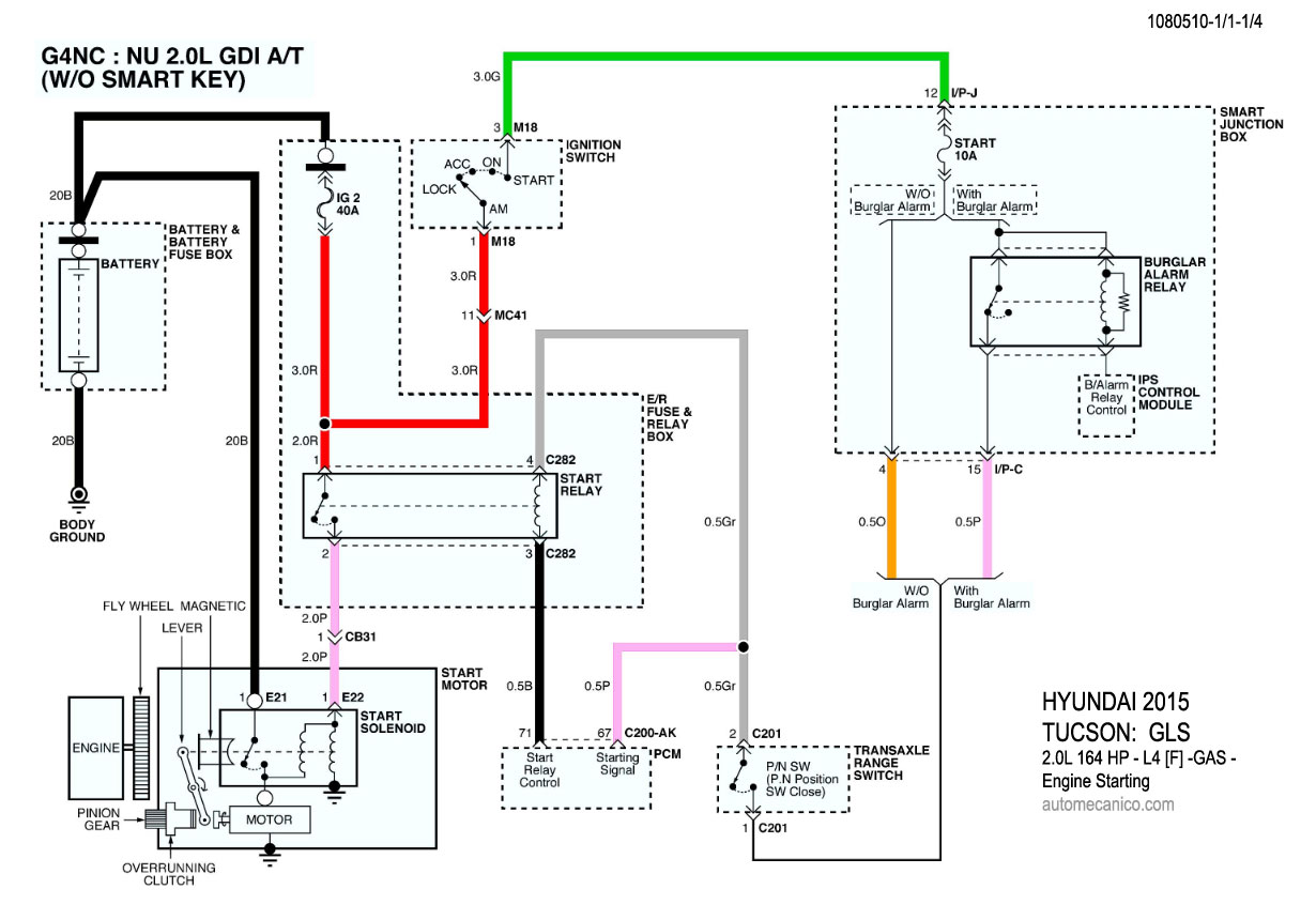
| TUCSON: GLS | |
| 2.0L - 4 Cil. - GDI -W/O Smart Key -A/T - 1/4 | Engine Starting |
| 2.0L - 4 Cil. - GDI -W/ Smart Key -A/T - 2/4 | Engine Starting |
| 2.0L - 4 Cil. - GDI -W/O Smart Key -M/T - 3/4 | Engine Starting |
| 2.0L - 4 Cil. - GDI -W/ Smart Key -M/T - 4/4 | Engine Starting |
| TUCSON: Limited, SE | |
| 2.4L - 4 Cil. - GDI -W/O Smart Key -1/2 | Engine Starting |
| 2.4L - 4 Cil. - GDI -W/ Smart Key -2/2 | Engine Starting |
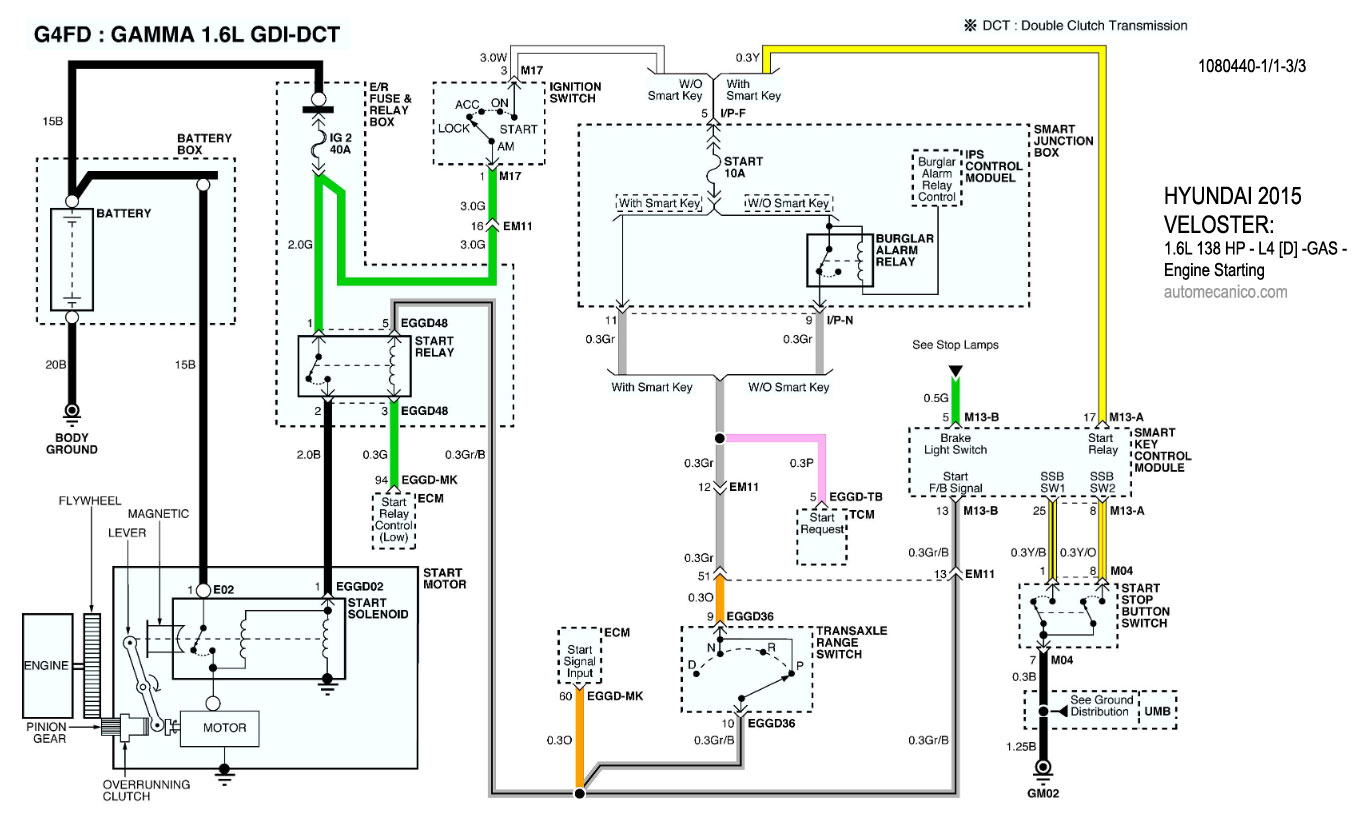
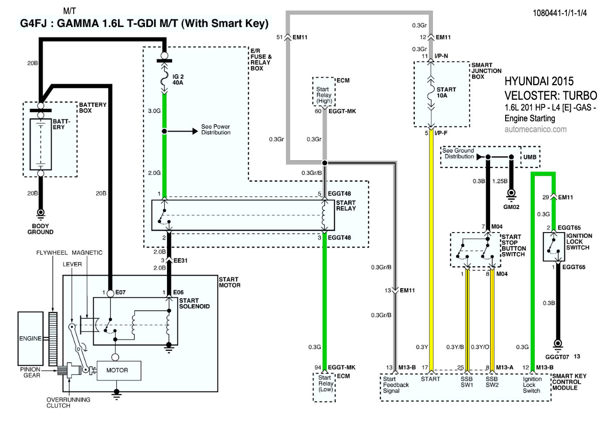
| VELOSTER: | |
| 1.6L - 4 Cil. T-GDI -W/ Smart Key - M/T - 1/4 | Engine Starting |
| 1.6L - 4 Cil. T-GDI -W/ Smart Key - A/T - 2/4 | Engine Starting |
| 1.6L - 4 Cil. T-GDI -W/O Smart Key - M/T - 3/4 | Engine Starting |
| 1.6L - 4 Cil. T-GDI -W/O Smart Key - A/T - 4/4 | Engine Starting |
| 1.6L - 4 Cil. GDI -W/ Smart Key - 1/3 | Engine Starting |
| 1.6L - 4 Cil. GDI -W/O Smart Key - 2/3 | Engine Starting |
| 1.6L - 4 Cil. GDI -DCT- 3/3 | Engine Starting |
| Volver al indice Hyundai 2015 |
