| DIAGRAMAS - CIRCUITO DE ARRANQUE DEL MOTOR - KIA 2015 - Mecanica Automotriz - INDICE |
Diagramas KIA : Engine Starting: - Esquemas - Graphics 2015 - |
| Diagrama - Arrancador / Bateria y conexiones . Vehiculos
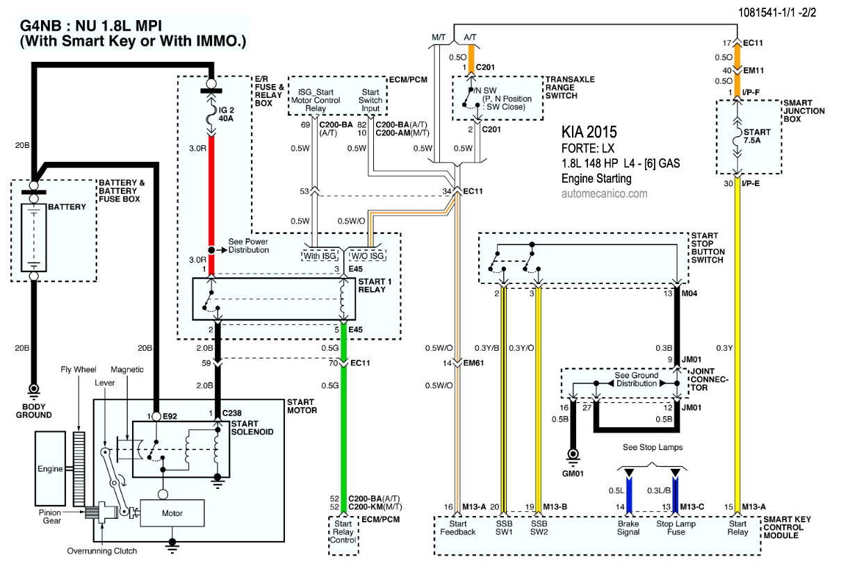
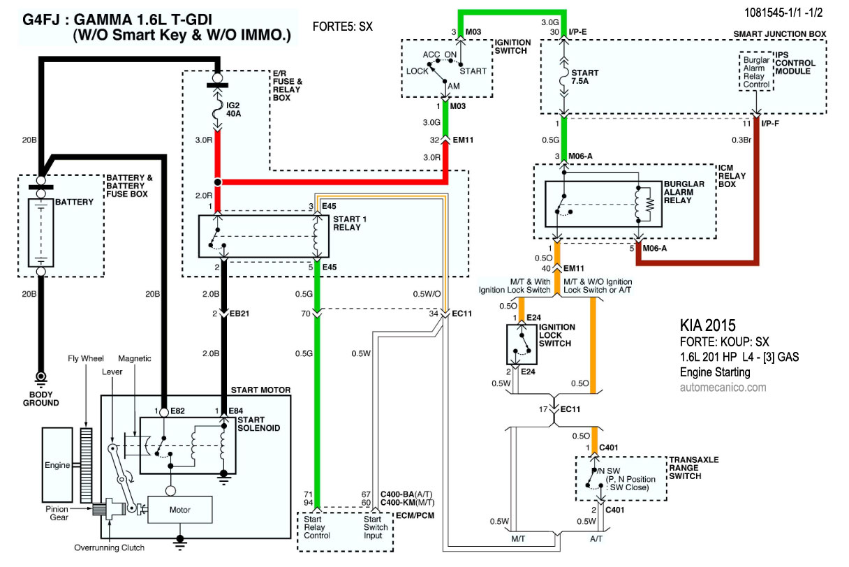
KIA 2015 En estos diagramas se describen los circuitos que conectan y activan el funcionamiento del Arrancador [Starter, motor de arranque] |
![]() |
| Los Diagramas, listados abajo, se refieren unicamente al Circuito electrico que involucra: Arrancador [starter] - KIA 2015 - Arrancador = Starter, Motor de arranque - |
| CADENZA: Limited, Premium | |
| 3.3L - V6. - With Smart Key - 1/1 | Engine Starting |
| FORTE:SX, FORTE KOUP: SX, FORTE5: SX | |
| 1.6L - 4 Cil. - With/Out Smart Key - 1/1 | Engine Starting |
| 1.6L - 4 Cil. - With Smart Key - 1/1 | Engine Starting |
| FORTE: LX | |
| 1.8L - 4 Cil. - With/Out Smart Key - 1/1 | Engine Starting |
| 1.8L - 4 Cil. - With Smart Key - 1/1 | Engine Starting |
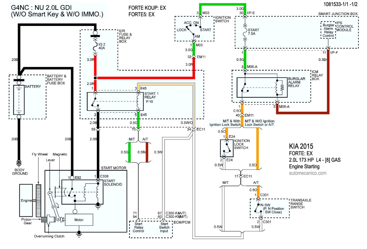
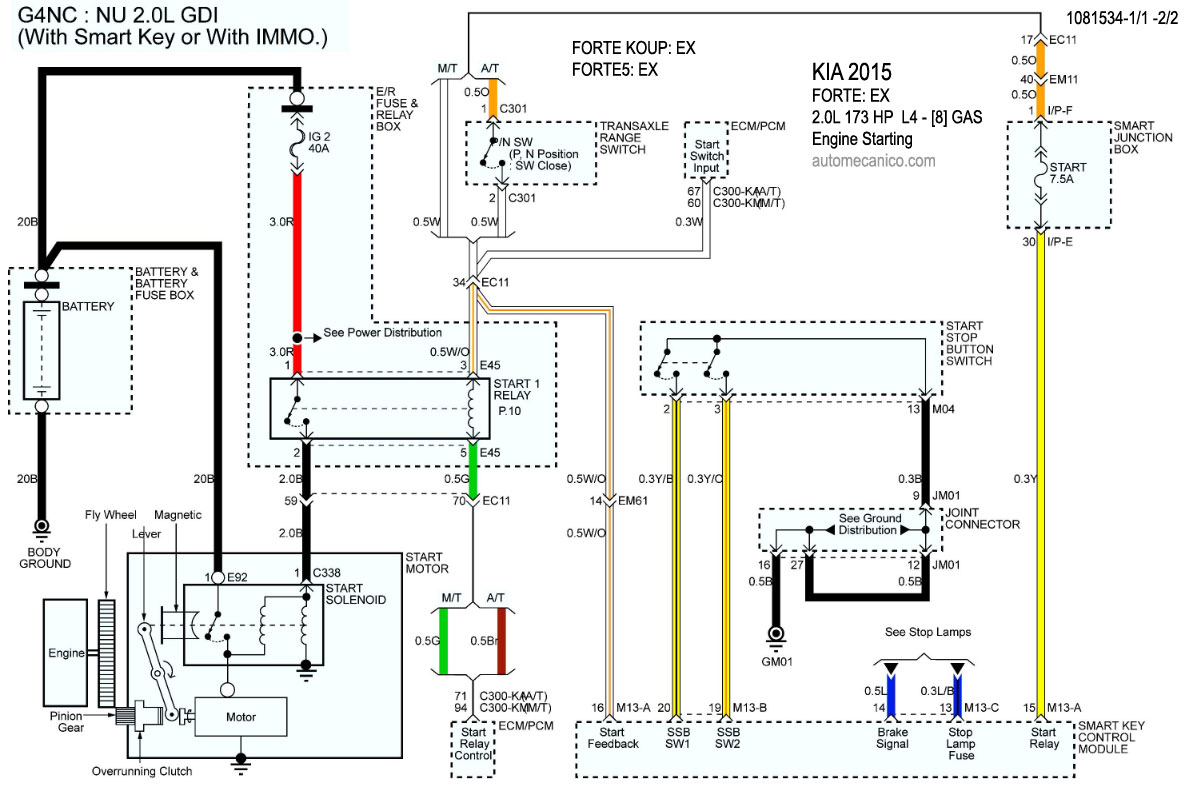
| FORTE: EX, FORTE KOUP: EX, FORTE5: EX | |
| 2.0L - 4 Cil. - With/Out Smart Key - 1/1 | Engine Starting |
| 2.0L - 4 Cil. - With Smart Key - 1/1 | Engine Starting |
| K900: V6 | |
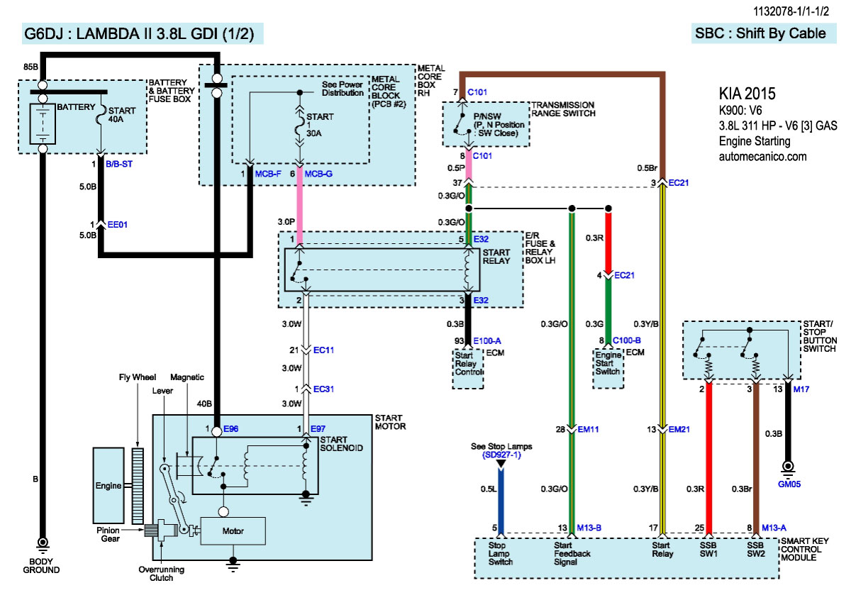
| 3.8L - V6. - G6DJ - 1/1 | Engine Starting |
| 3.8L - V6. - G6DJ - 1/1 | Engine Starting |
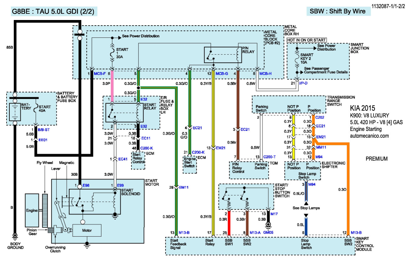
| K900: V8 LUXURY | |
| 5.0L - V8. - G8BE - 1/1 | Engine Starting |
| 5.0L - V8. - G8BE - 1/1 | Engine Starting |
| Volver al indice KIA 2015 |
