| DIAGRAMAS - CIRCUITO DE ARRANQUE DEL MOTOR - KIA 2015 - Mecanica Automotriz - INDICE |
Diagramas KIA : Engine Starting: - Esquemas - Graphics 2015 - |
| Diagrama - Arrancador / Bateria y conexiones . Vehiculos
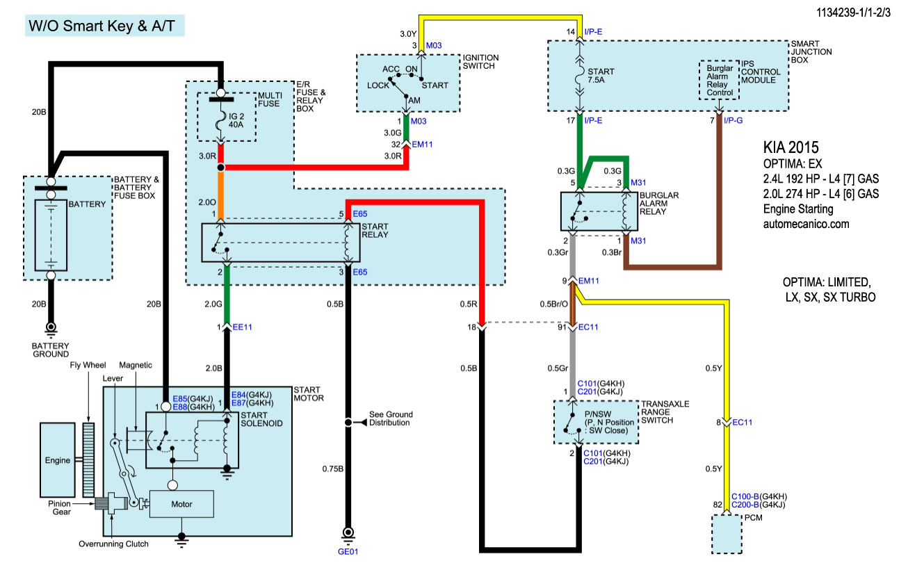
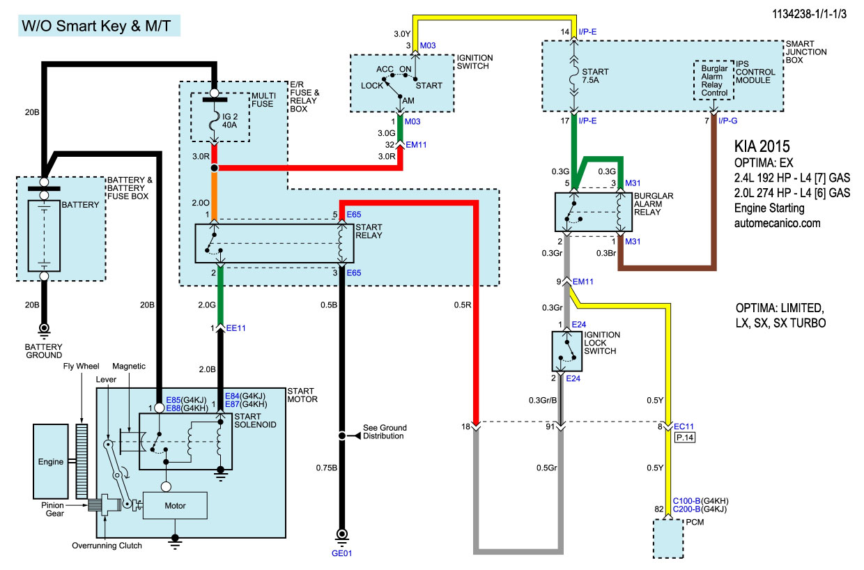
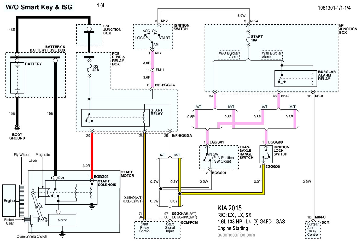
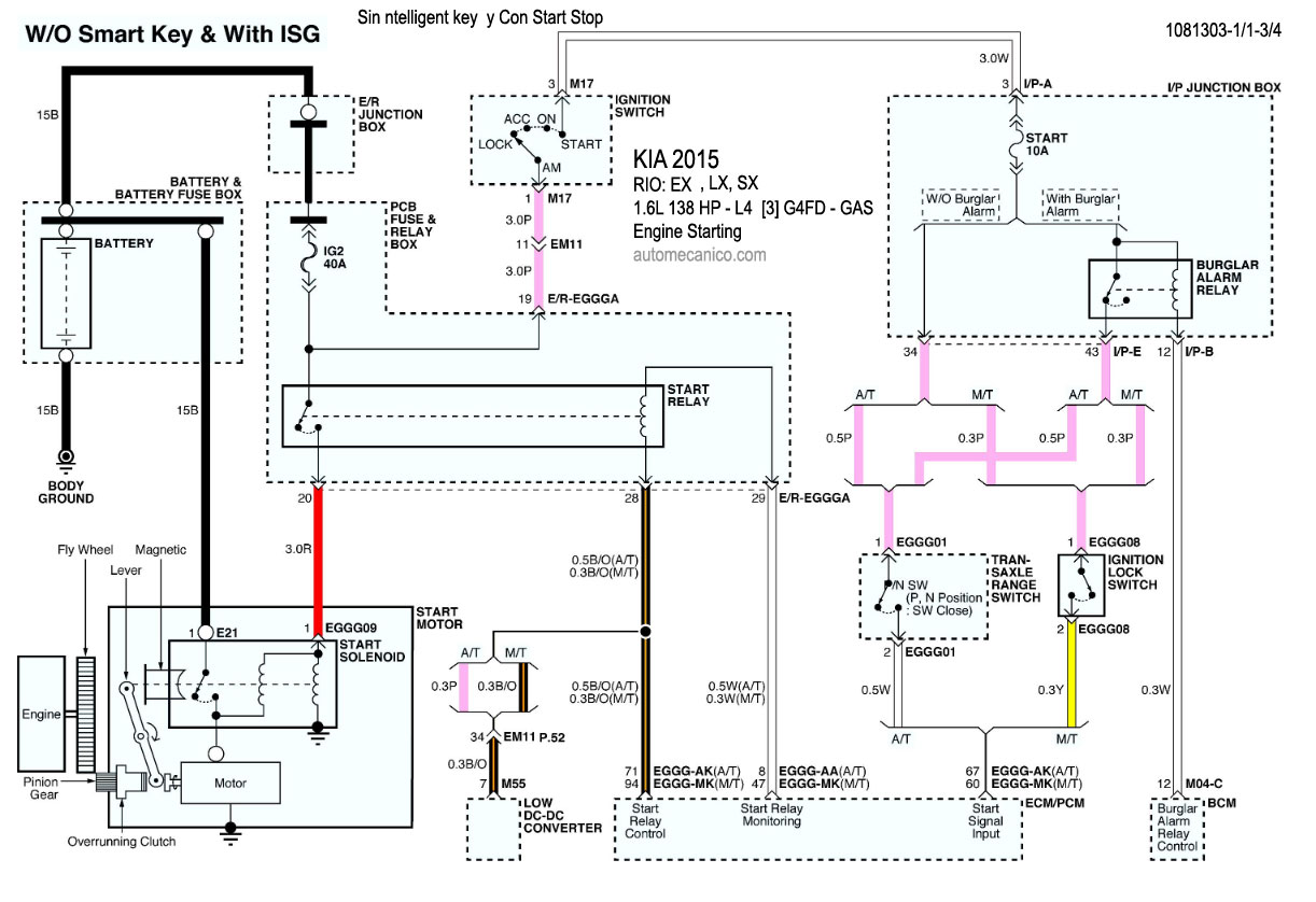
KIA 2015 En estos diagramas se describen los circuitos que conectan y activan el funcionamiento del Arrancador [Starter, motor de arranque] |
![]() |
| Los Diagramas, listados abajo, se refieren unicamente al Circuito electrico que involucra: Arrancador [starter] - KIA 2015 - Arrancador = Starter, Motor de arranque - |
| OPTIMA: EX, Limited, LX, SX, SX TURBO | |
| 2.0L - 4 Cil. - With/Out Smart Key - M/T 1/1 | Engine Starting |
| 2.0L - 4 Cil. - With/Out Smart Key - A/T 1/1 | Engine Starting |
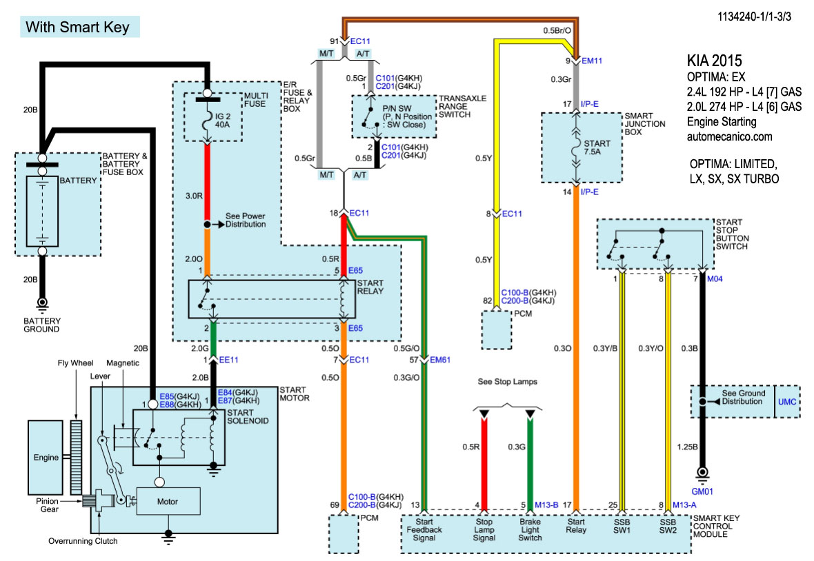
| 2.0L - 4 Cil. - With Smart Key - 1/1 | Engine Starting |
| 2.4L | |
| 2.4L - 4 Cil. - With/Out Smart Key - M/T 1/1 | Engine Starting |
| 2.4L - 4 Cil. - With/Out Smart Key - A/T 1/1 | Engine Starting |
| 2.4L - 4 Cil. - With Smart Key - 1/1 | Engine Starting |
| OPTIMA: Hybrid Ex, Lx | |
| 2.4L - 4 Cil. - Full Hybrid - 1/3 | Engine Starting |
| 2.4L - 4 Cil. - Full Hybrid - 2/3 | Engine Starting |
| 2.4L - 4 Cil. - Full Hybrid - 3/3 | Engine Starting |
| RIO: EX, LX, SX | |
| 1.6L - 4 Cil. - With/Out Smart Key & ISG - 1/1 | Engine Starting |
| 1.6L - 4 Cil. - With Smart Key & With/Out Star Stop - 1/1 | Engine Starting |
| 1.6L - 4 Cil. - With/Out Smart Key - 1/1 | Engine Starting |
| 1.6L - 4 Cil. - With Smart Key - 1/1 | Engine Starting |
| Volver al indice KIA 2015 |
