| DIAGRAMAS - CIRCUITO DE ARRANQUE DEL MOTOR - KIA 2015 - Mecanica Automotriz - INDICE |
Diagramas KIA : Engine Starting: - Esquemas - Graphics 2015 - |
| Diagrama - Arrancador / Bateria y conexiones . Vehiculos
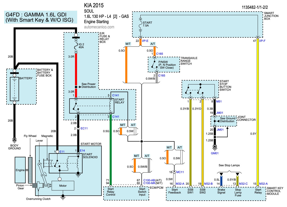
KIA 2015 En estos diagramas se describen los circuitos que conectan y activan el funcionamiento del Arrancador [Starter, motor de arranque] |
![]() |
| Los Diagramas, listados abajo, se refieren unicamente al Circuito electrico que involucra: Arrancador [starter] - KIA 2015 - Arrancador = Starter, Motor de arranque - |
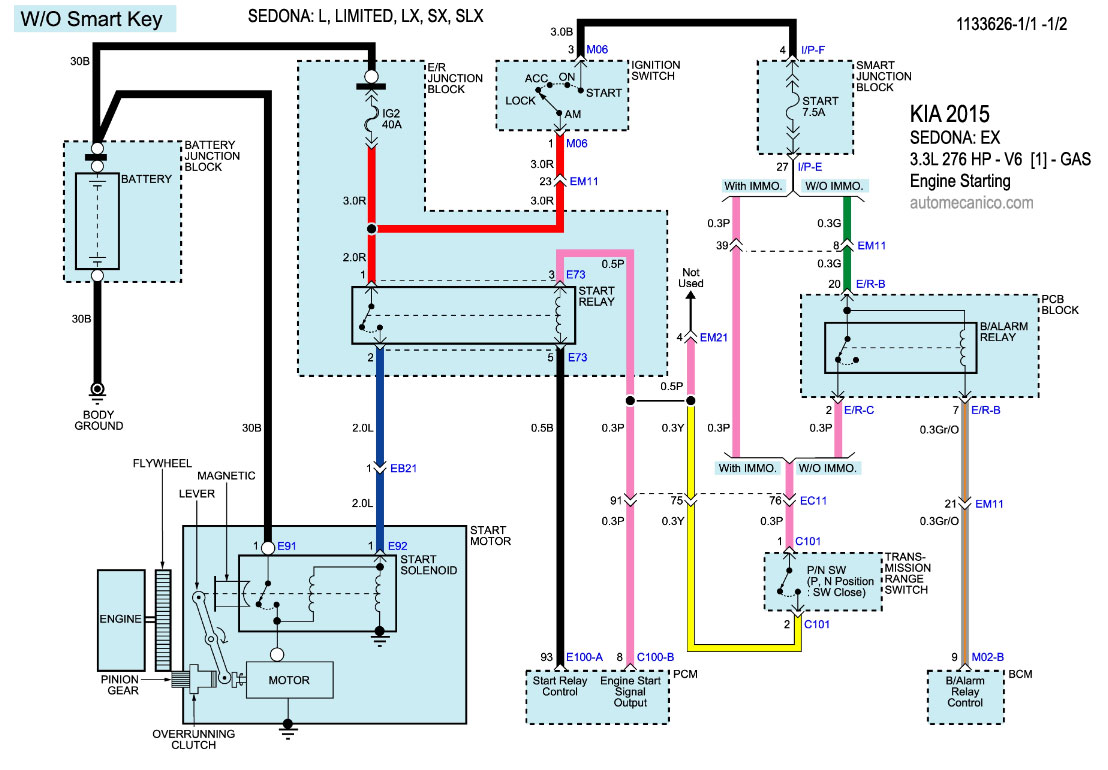
| SEDONA: EX. L, Limited, LX, SX, SLX | |
| 3.3L - V6. - With/Out Smart Key - 1/1 | Engine Starting |
| 3.3L - V6. - With Smart Key - 1/1 | Engine Starting |
| SORENTO: LX | |
| 2.4L - 4 Cil. - With/Out Smart Key - 1/1 | Engine Starting |
| 2.4L - 4 Cil. - With Smart Key - 1/1 | Engine Starting |
| SORENTO: EX, Limited, LX, SX | |
| 3.3L - V6. - With/Out Smart Key - 1/1 | Engine Starting |
| 3.3L - V6. - With Smart Key - 1/1 | Engine Starting |
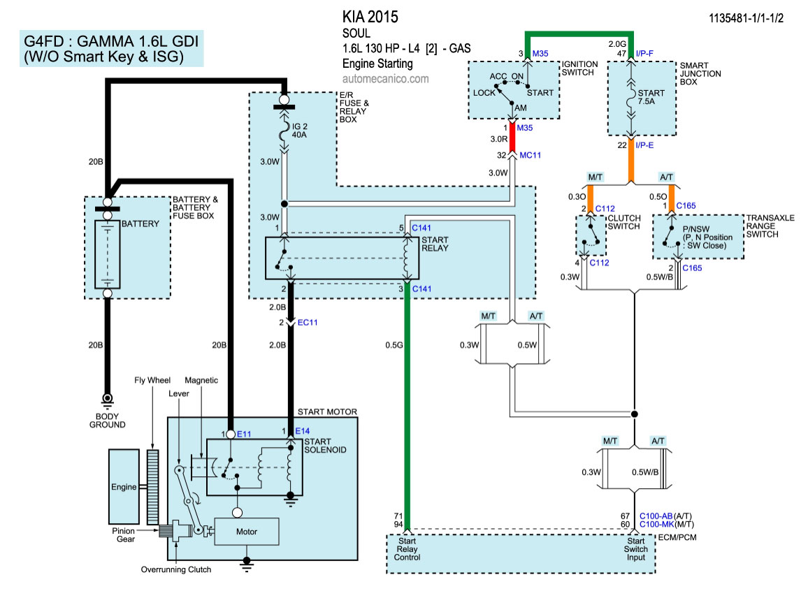
| SOUL | |
| 1.6L - 4 Cil. - With/Out Smart Key - 1/1 | Engine Starting |
| 1.6L - 4 Cil. - With Smart Key - 1/1 | Engine Starting |
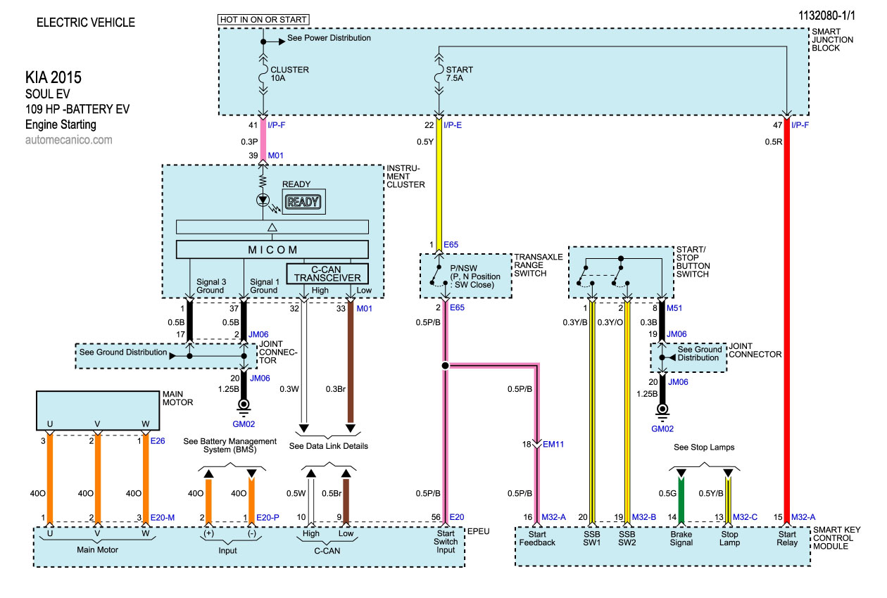
| SOUL EV - Electric Vehicle | |
| 109 HP - Battery EV | Engine Starting |
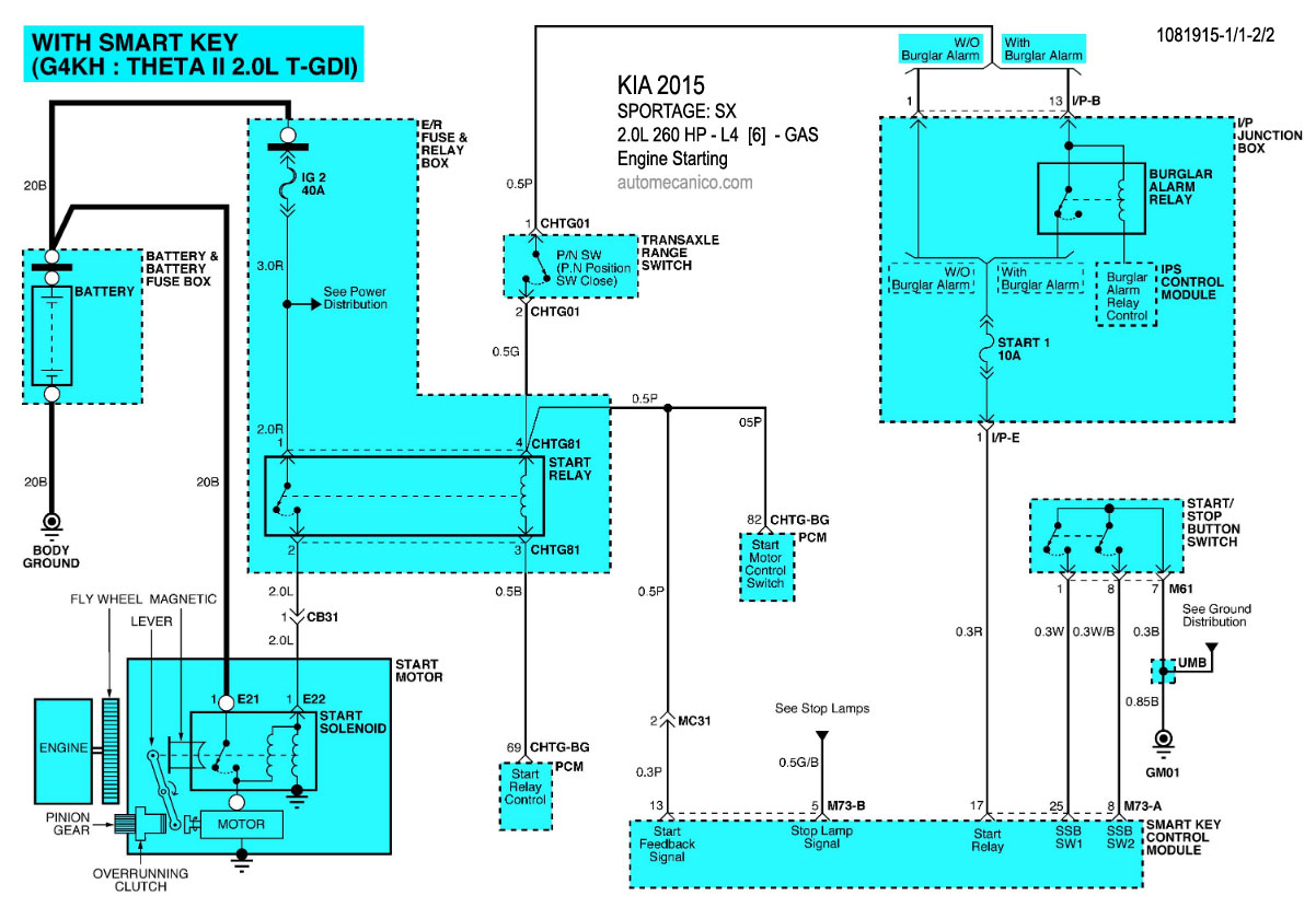
| SPORTAGE: SX | |
| 2.0L - 4 Cil. - With/Out Smart Key - 1/1 | Engine Starting |
| 2.0L - 4 Cil. - With Smart Key - 1/1 | Engine Starting |
| SPORTAGE: EX, LX | |
| 2.4L - 4 Cil. - With/Out Smart Key - 1/1 | Engine Starting |
| 2.4L - 4 Cil. - With Smart Key - 1/1 | Engine Starting |
| Volver al indice KIA 2015 |
