| DIAGRAMAS - CIRCUITO DE ARRANQUE DEL MOTOR - MITSUBISHI 2015 - Mecanica Automotriz - INDICE |
Diagramas MITSUBISHI : Engine Starting: - Esquemas - Graphics 2015 - |
| Los Diagramas, listados abajo, se refieren unicamente al Circuito electrico que involucra: Arrancador [starter] - MITSUBISHI 2015 - Arrancador = Starter, Motor de arranque - |
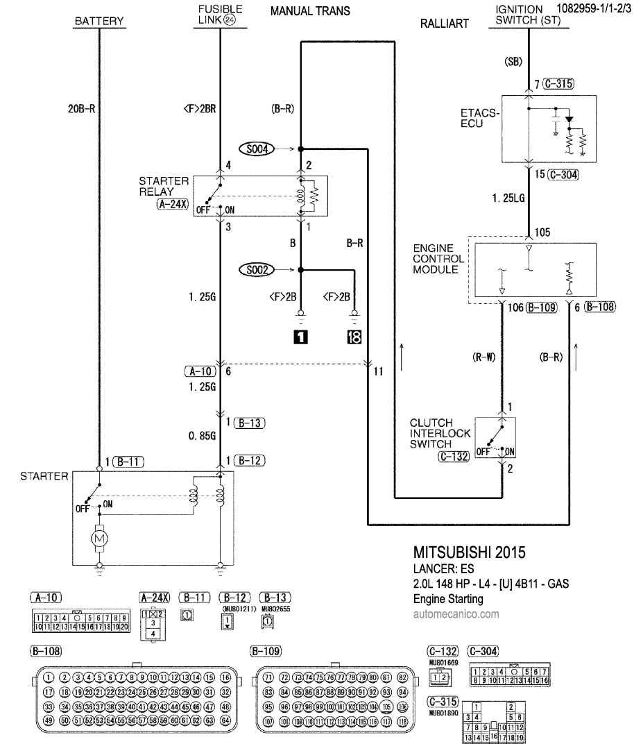
| LANCER: ES. RALLIART | |
| 2.0L- 4 Cil. CVT - 1/1 | Engine Starting |
| 2.0L- 4 Cil. Manual Transmission - 1/1 | Engine Starting |
| 2.0L- 4 Cil. Dual Dry Clutch Transmission - 1/1 | Engine Starting |
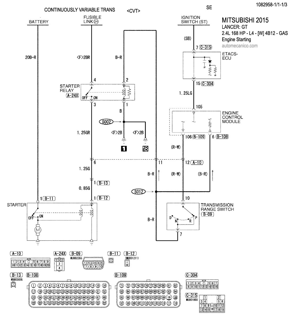
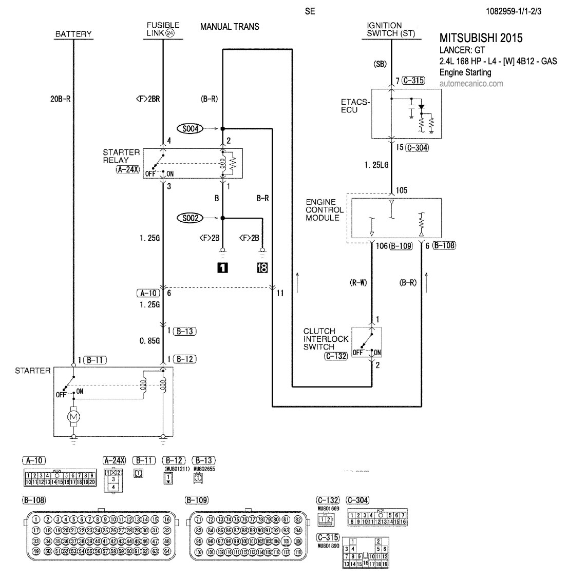
| LANCER: GT, SE | |
| 2.4L- 4 Cil. CVT - 1/1 | Engine Starting |
| 2.4L- 4 Cil. Manual Transmission - 1/1 | Engine Starting |
| 2.4L- 4 Cil. Dual Dry Clutch Transmission - 1/1 | Engine Starting |
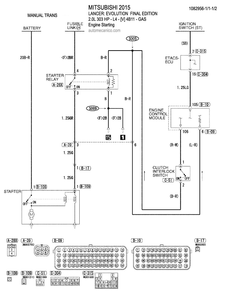
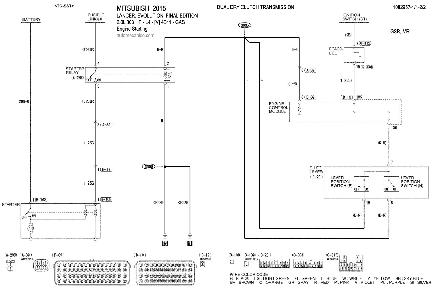
| LANCER EVOLUTION: Final Edition | |
| 2.0L - 4 Cil. Manual Transmission - 1/1 | Engine Starting |
| 2.0L - 4 Cil. Dual Dry Clutch Transmission - 1/1 | Engine Starting |
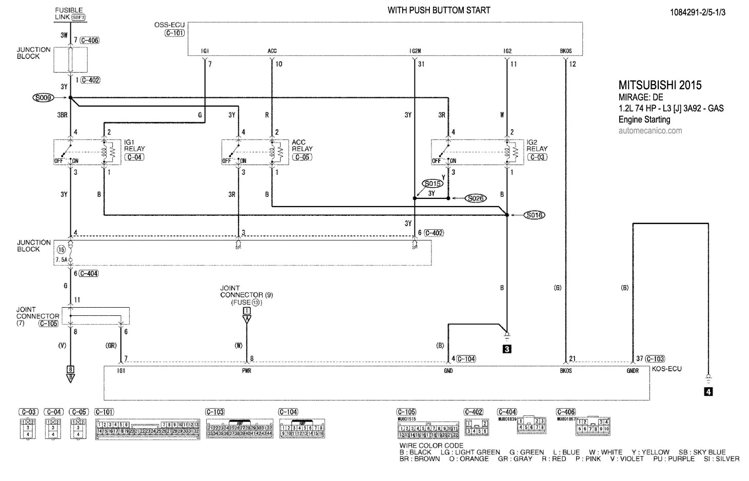
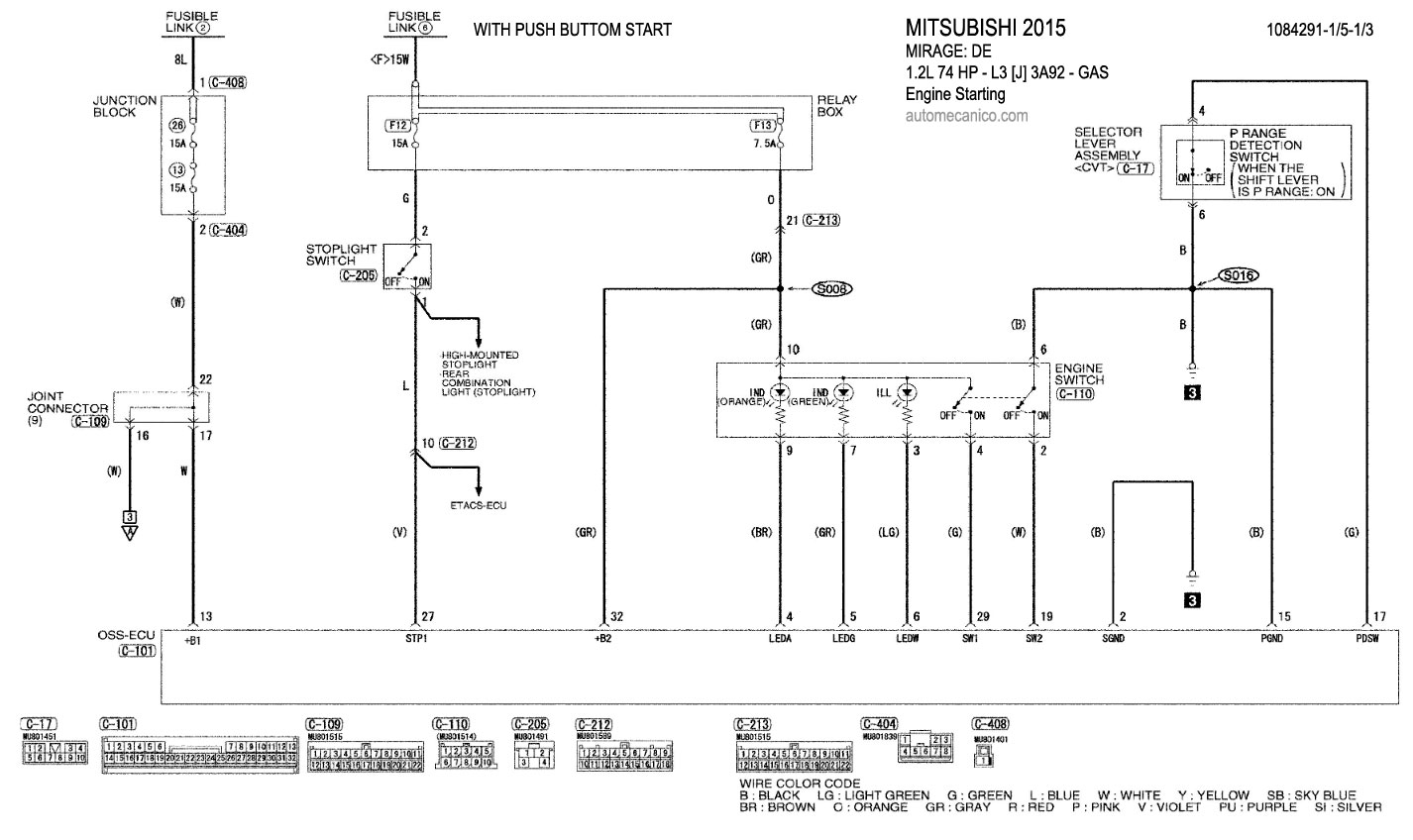
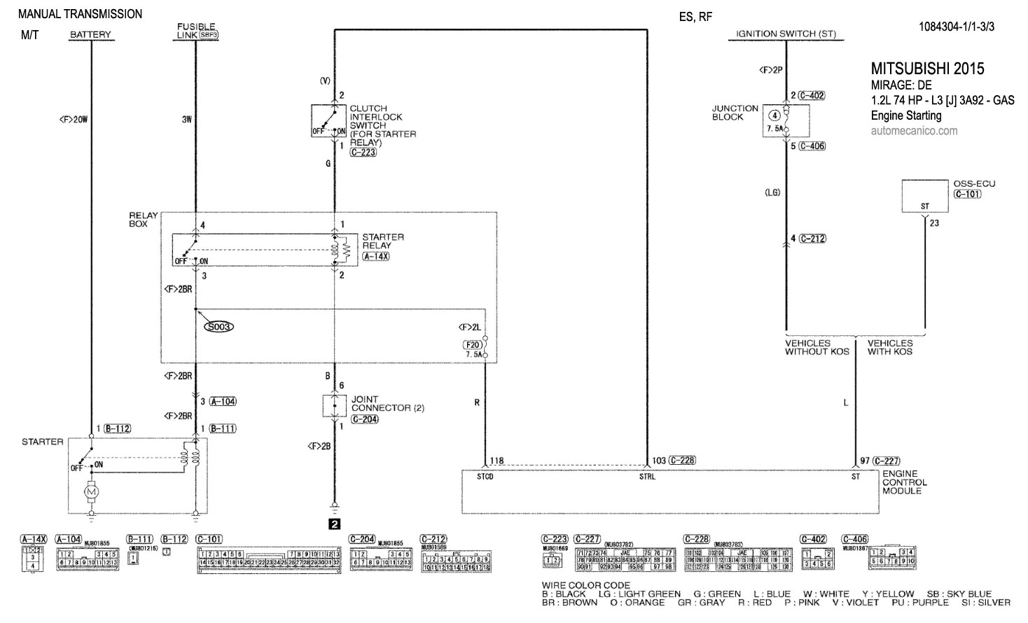
| MIRAGE: DE, ES, RF | |
| 1.2L - 3 Cil. With Push Buttom Start - 1/5 | Engine Starting |
| 1.2L - 3 Cil. With Push Buttom Start - 2/5 | Engine Starting |
| 1.2L - 3 Cil. With Push Buttom Start - 3/5 | Engine Starting |
| 1.2L - 3 Cil. With Push Buttom Start - 4/5 | Engine Starting |
| 1.2L - 3 Cil. With Push Buttom Start - 5/5 | Engine Starting |
| 1.2L - 3 Cil. CVT - 1/1 | Engine Starting |
| 1.2L - 3 Cil. Manual Transmission - 1/1 | Engine Starting |
| Volver al indice 2015 |
