| DIAGRAMAS - CIRCUITO DE ARRANQUE DEL MOTOR - MITSUBISHI 2015 - Mecanica Automotriz - INDICE |
Diagramas MITSUBISHI : Engine Starting: - Esquemas - Graphics 2015 - |
| Los Diagramas, listados abajo, se refieren unicamente al Circuito electrico que involucra: Arrancador [starter] - MITSUBISHI 2015 - Arrancador = Starter, Motor de arranque - |
| OUTLANDER SPORT: ES, GT, SE | |
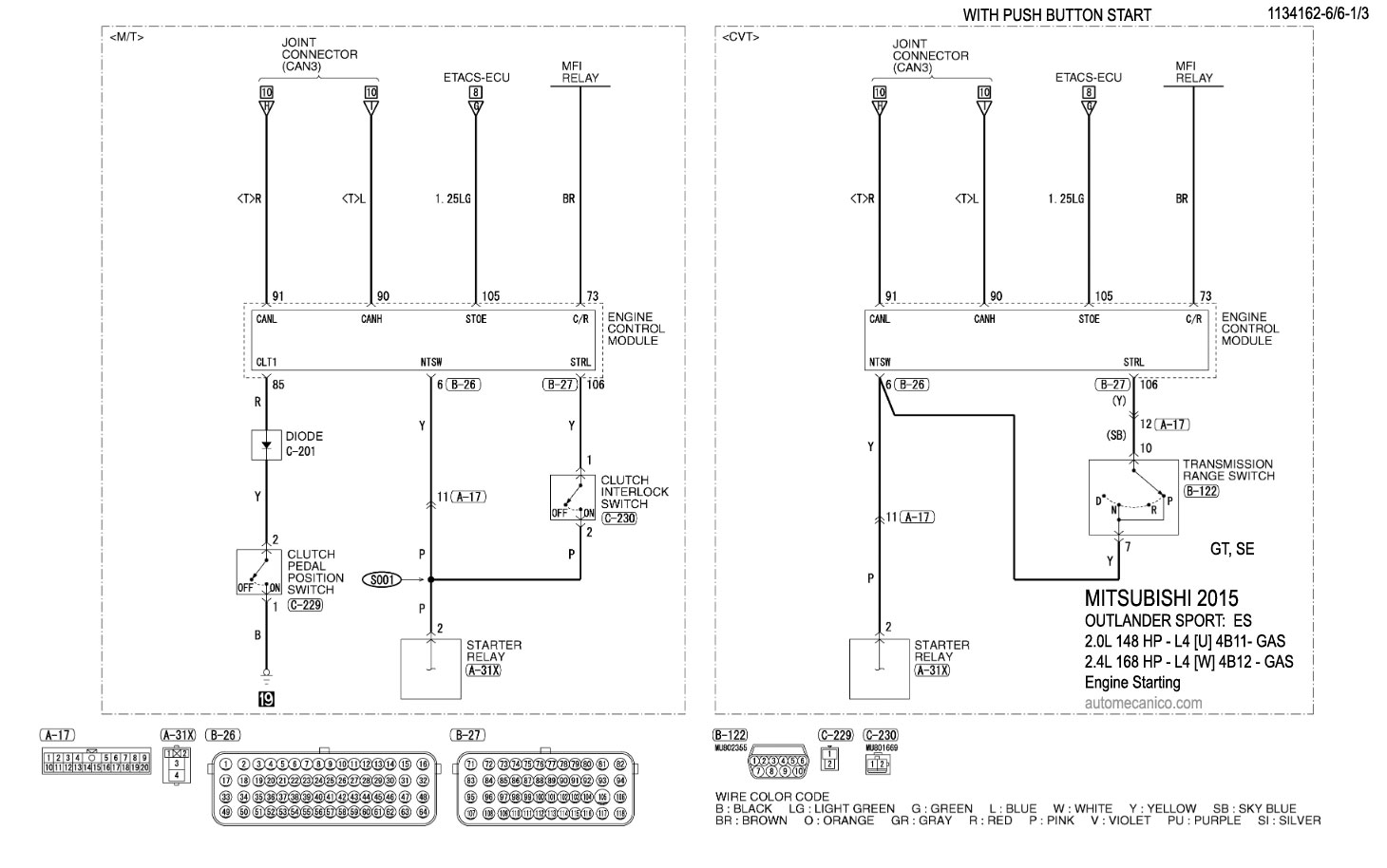
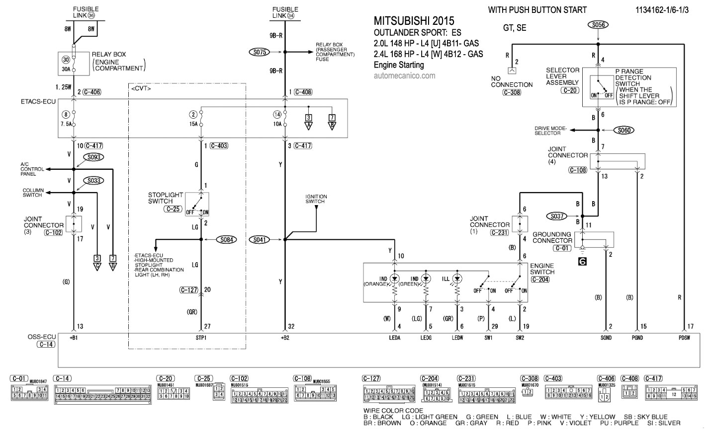
| 2.0L- 4 Cil. With Push Buttom Start - 1/6 | Engine Starting |
| 2.0L- 4 Cil. With Push Buttom Start - 2/6 | Engine Starting |
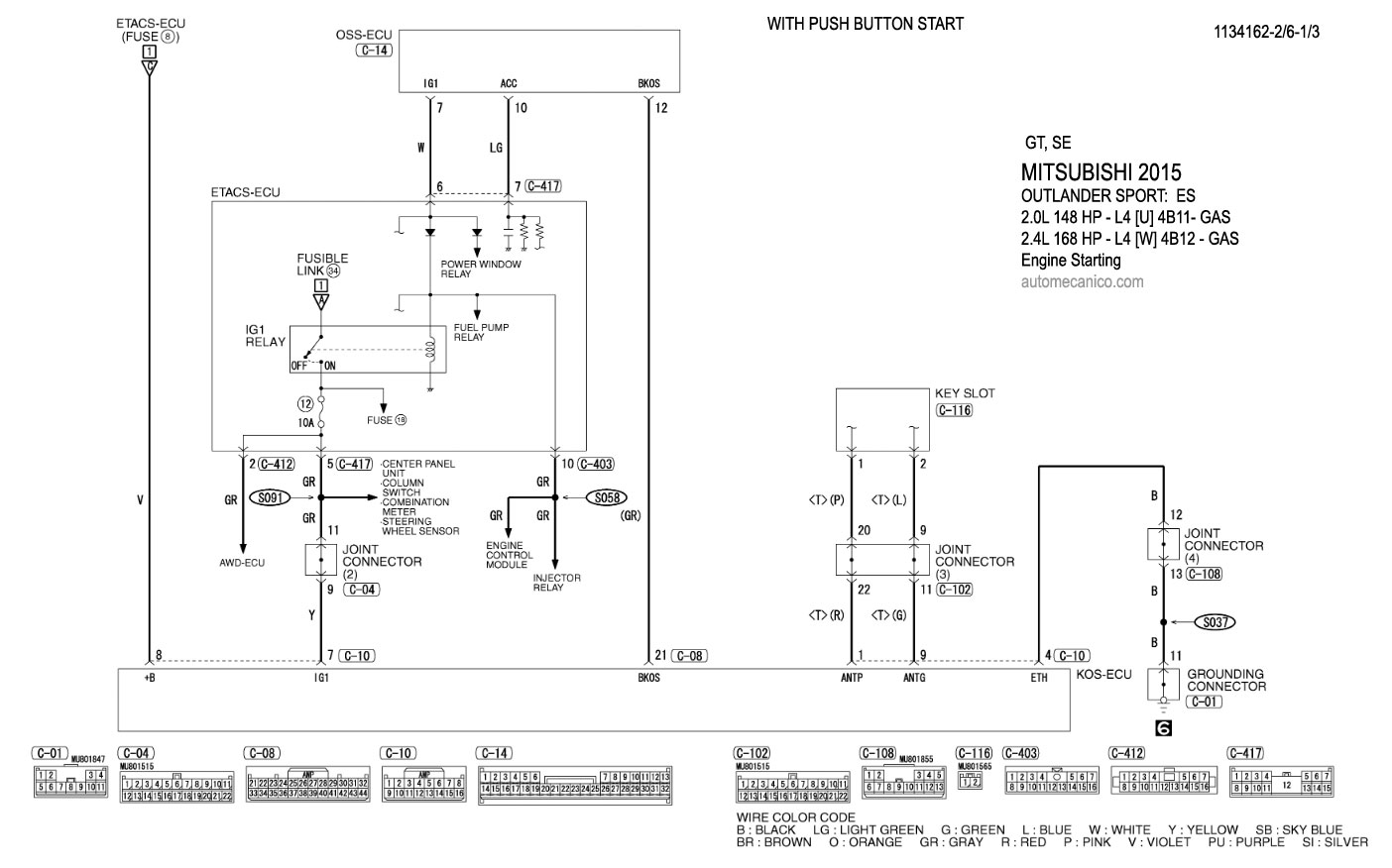
| 2.0L- 4 Cil. With Push Buttom Start - 3/6 | Engine Starting |
| 2.0L- 4 Cil. With Push Buttom Start - 4/6 | Engine Starting |
| 2.0L- 4 Cil. With Push Buttom Start - 5/6 | Engine Starting |
| 2.0L- 4 Cil. With Push Buttom Start - 6/6 | Engine Starting |
| 2.0L- 4 Cil. CVT - 1/1 | Engine Starting |
| 2.0L- 4 Cil. Manual Transmission - 1/1 | Engine Starting |
| 2.4L | |
| 2.4L- 4 Cil. With Push Buttom Start - 1/6 | Engine Starting |
| 2.4L- 4 Cil. With Push Buttom Start - 2/6 | Engine Starting |
| 2.4L- 4 Cil. With Push Buttom Start - 3/6 | Engine Starting |
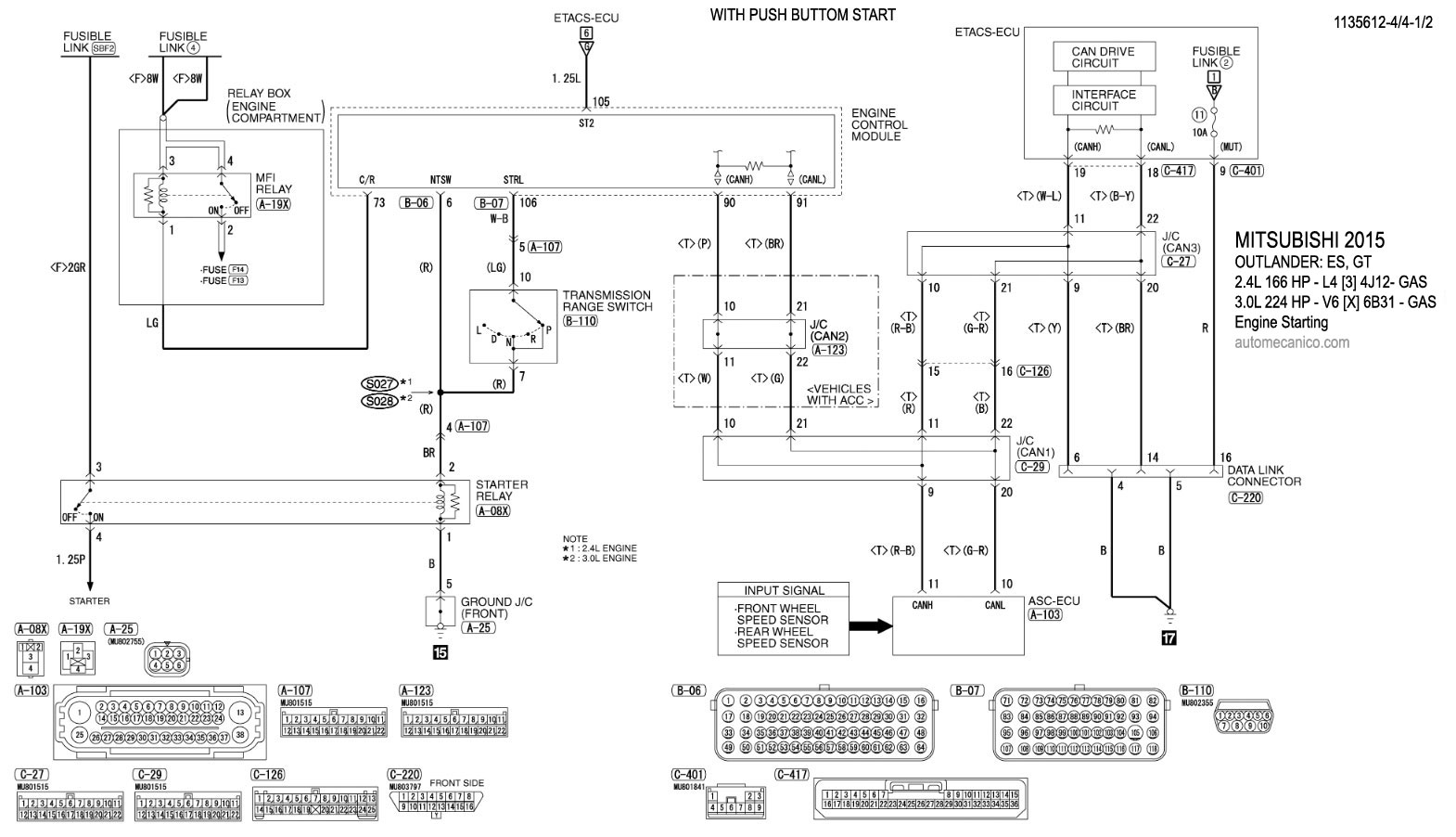
| 2.4L- 4 Cil. With Push Buttom Start - 4/6 | Engine Starting |
| 2.4L- 4 Cil. With Push Buttom Start - 5/6 | Engine Starting |
| 2.4L- 4 Cil. With Push Buttom Start - 6/6 | Engine Starting |
| 2.4L- 4 Cil. CVT - 1/1 | Engine Starting |
| 2.4L- 4 Cil. Manual Transmission - 1/1 | Engine Starting |
| OUTLANDER: ES, GT | |
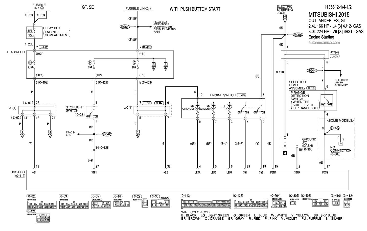
| 2.4L- 4 Cil. With Push Button Start - 1/4 | Engine Starting |
| 2.4L- 4 Cil. With Push Button Start - 2/4 | Engine Starting |
| 2.4L- 4 Cil. With Push Button Start - 3/4 | Engine Starting |
| 2.4L- 4 Cil. With Push Button Start - 4/4 | Engine Starting |
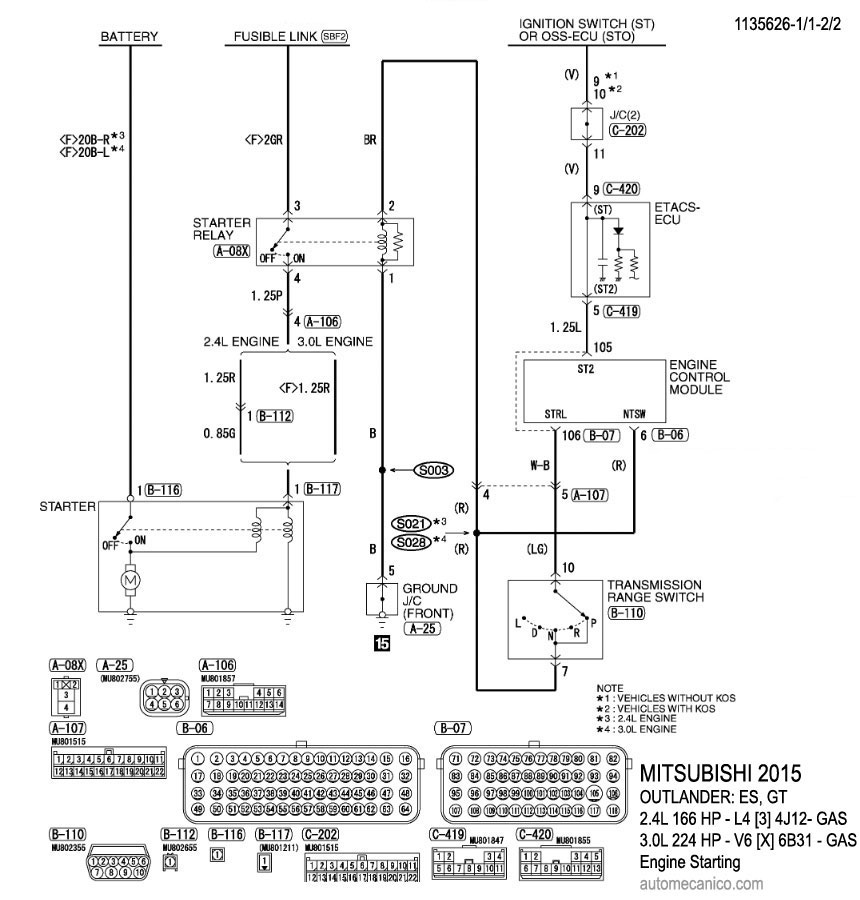
| 2.4L- 4 Cil. - 1/1 | Engine Starting |
| 3.0L | |
| 3.0L - V6 - With Push Button Start - 1/4 | Engine Starting |
| 3.0L - V6 - With Push Button Start - 2/4 | Engine Starting |
| 3.0L - V6 - With Push Button Start - 3/4 | Engine Starting |
| 3.0L - V6 - With Push Button Start - 4/4 | Engine Starting |
| 3.0L - V6 - 1/1 | Engine Starting |
| Volver al indice 2015 |
