| DIAGRAMAS - CIRCUITO DE ARRANQUE DEL MOTOR - NISSAN 2015 - Mecanica Automotriz - INDICE |
Diagramas NISSAN : Engine Starting: - Esquemas - Graphics 2015 - |
| Diagrama - Arrancador / Bateria y conexiones . Vehiculos
NISSAN 2015 En estos diagramas se describen los circuitos que conectan y activan el funcionamiento del Arrancador [Starter, motor de arranque] |
![]() |
| Los Diagramas, listados abajo, se refieren unicamente al Circuito electrico que involucra: Arrancador [starter] - NISSAN 2015 - Arrancador = Starter, Motor de arranque - |
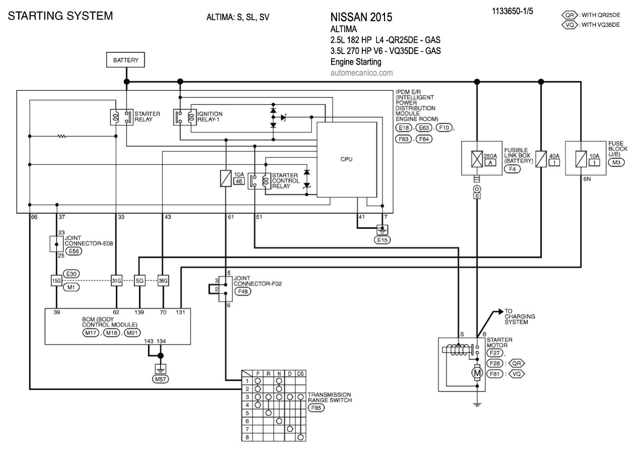
| ALTIMA: S | |
| 2.5L - 4 Cil - QR25DE - 1/5 | Engine Starting |
| 2.5L - 4 Cil - QR25DE - 2/5 | Engine Starting |
| 2.5L - 4 Cil - QR25DE - 3/5 | Engine Starting |
| 2.5L - 4 Cil - QR25DE - 4/5 | Engine Starting |
| 2.5L - 4 Cil - QR25DE - 5/5 | Engine Starting |
| 3.5L | |
| 3.5L - V6 - QR35DE - 1/5 | Engine Starting |
| 3.5L - V6 - QR35DE - 2/5 | Engine Starting |
| 3.5L - V6 - QR35DE - 3/5 | Engine Starting |
| 3.5L - V6 - QR35DE - 4/5 | Engine Starting |
| 3.5L - V6 - QR35DE - 5/5 | Engine Starting |
| ARMADA: Platinum, SL, SV | |
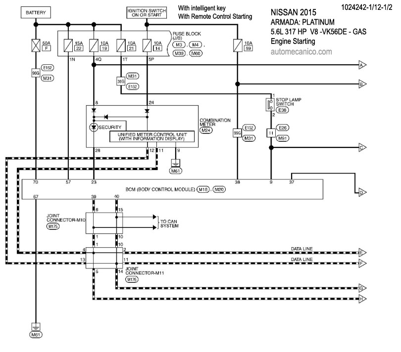
| 5.6L - V8 - VK56DE - With Intelligent Key - RCS - 1/12 - 1/2 | Engine Starting |
| 5.6L - V8 - VK56DE - 2/12 | Engine Starting |
| 5.6L - V8 - VK56DE - 3/12 | Engine Starting |
| 5.6L - V8 - VK56DE - 4/12 | Engine Starting |
| 5.6L - V8 - VK56DE - 5/12 | Engine Starting |
| 5.6L - V8 - VK56DE - 6/12 | Engine Starting |
| 5.6L - V8 - VK56DE - 7/12 | Engine Starting |
| 5.6L - V8 - VK56DE - 8/12 | Engine Starting |
| 5.6L - V8 - VK56DE - 9/12 | Engine Starting |
| 5.6L - V8 - VK56DE - 10/12 | Engine Starting |
| 5.6L - V8 - VK56DE - 11/12 | Engine Starting |
| 5.6L - V8 - VK56DE - 12/12 | Engine Starting |
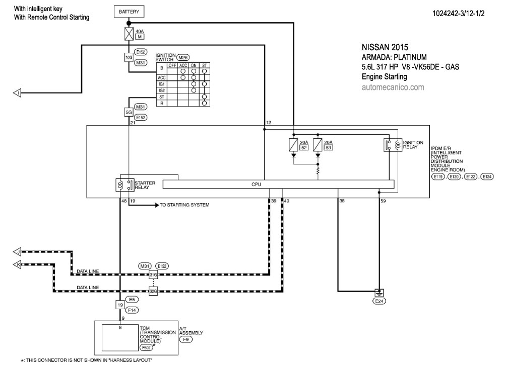
| 5.6L - V8 - VK56DE - 1/4 - 2/2 | Engine Starting |
| 5.6L - V8 - VK56DE - 2/4 | Engine Starting |
| 5.6L - V8 - VK56DE - 3/4 | Engine Starting |
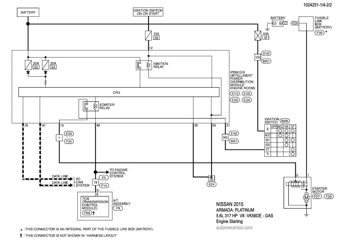
| 5.6L - V8 - VK56DE - 4/4 | Engine Starting |
| Volver al indice NISSAN 2015 |
